冻库plc软件编程 【资料更新】内部资料:22套冷库系统PLC+触摸屏程序

小编 81 0

【资料更新】内部资料:22套冷库系统PLC+触摸屏程序

点击图片进入课程学习:《小型制冷装置制冷仿真入门到精通》

制冷百家资料库下载汇总:(直接点击,可以跳转链接)1.【今日有特惠】家用空调、热泵、除湿机小型制冷系统如何做设计? 2.【会员免费】小型翅片式换热器设计软件和课程全套下载;3.【经典下载】制冷从业者10大必备软件+50个设计选型软件包! 4.【会员免费】Excel制冷仿真入门到精通全套课程 5.【年底特惠】10000G制冷行业资料下载,会员免费~ 6.【VIP资料更新】Coolpack制冷仿真软件与中文课程资料包

制冷百家网源于制冷百家公众号,是全网唯一制冷行业在线学习平台,主要课程和资料内容全部都是制冷行业的,包含制冷原理、空调维修、中央空调、冷库技术、汽车空调、热泵技术、暖通技术等等相关内容,目前全网资料达到10T

长按以下二维码,进入到本网站主页看看吧:

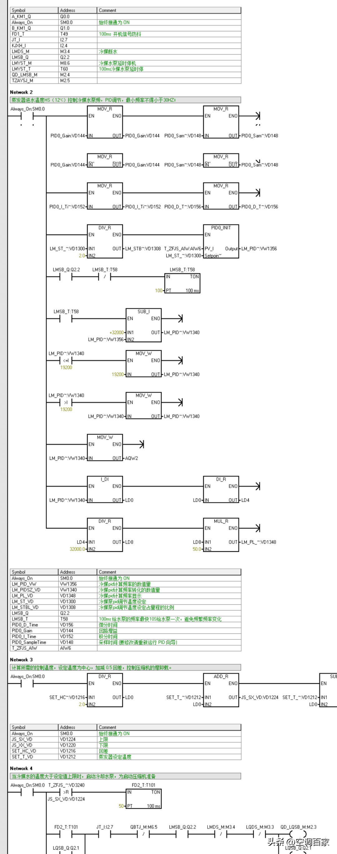
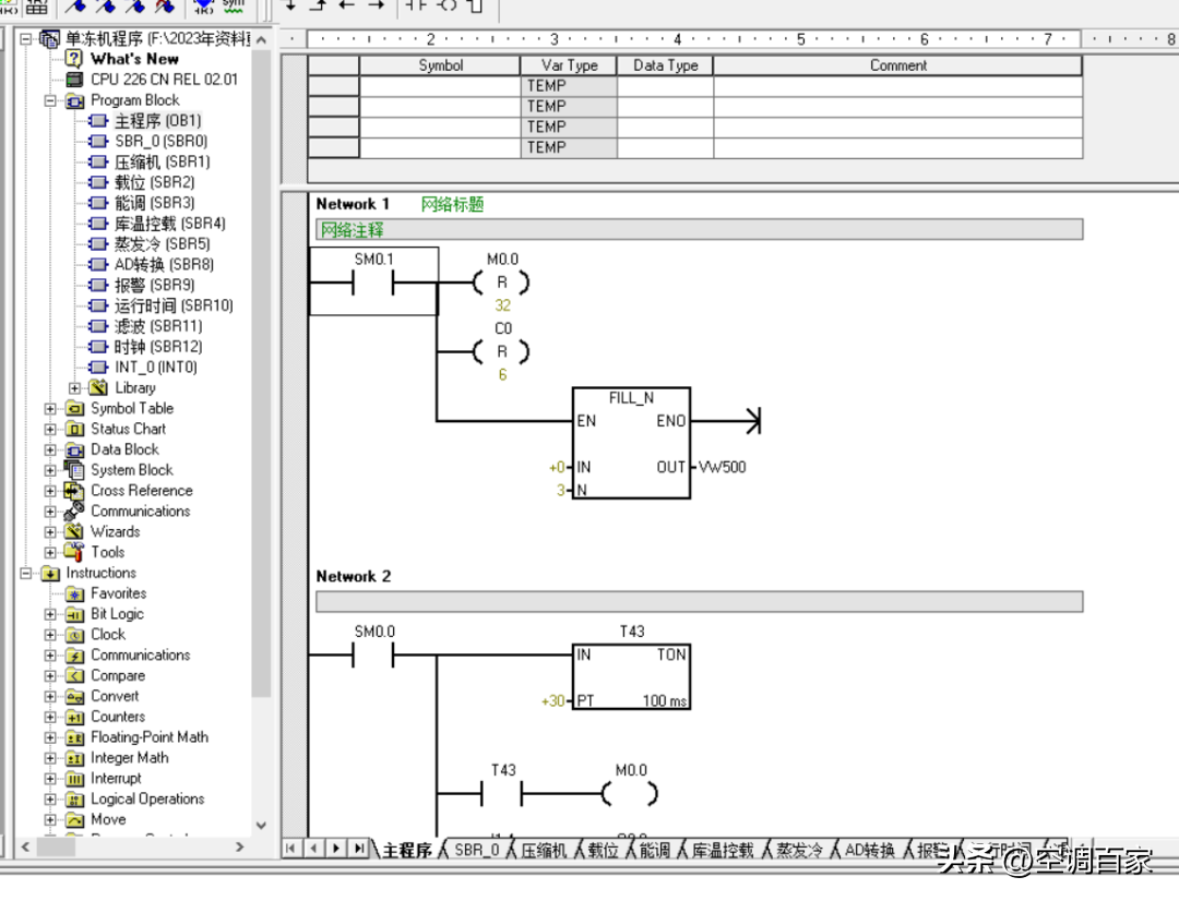
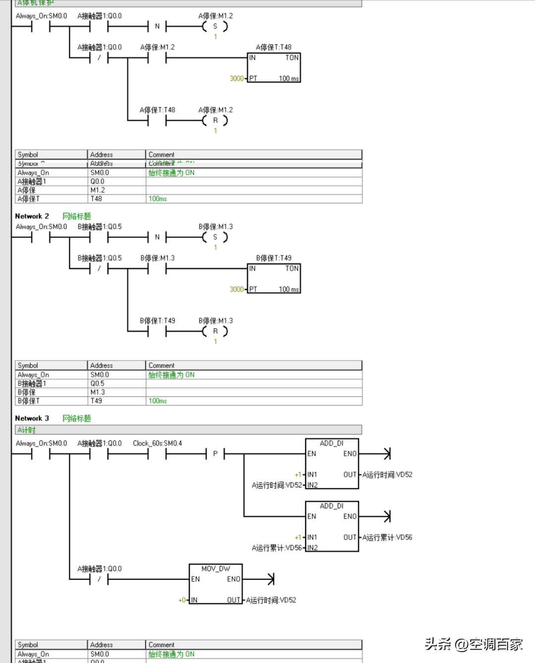
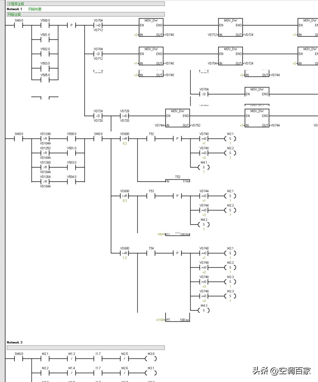
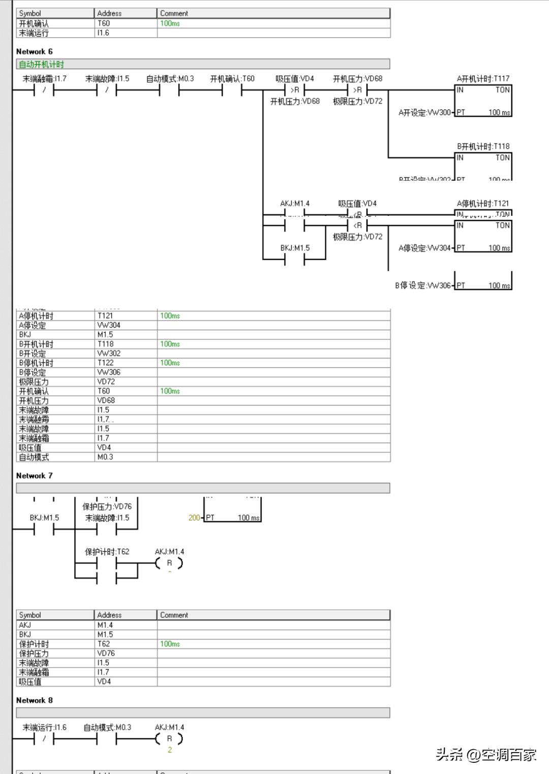
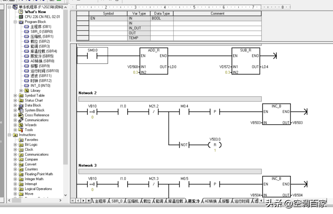
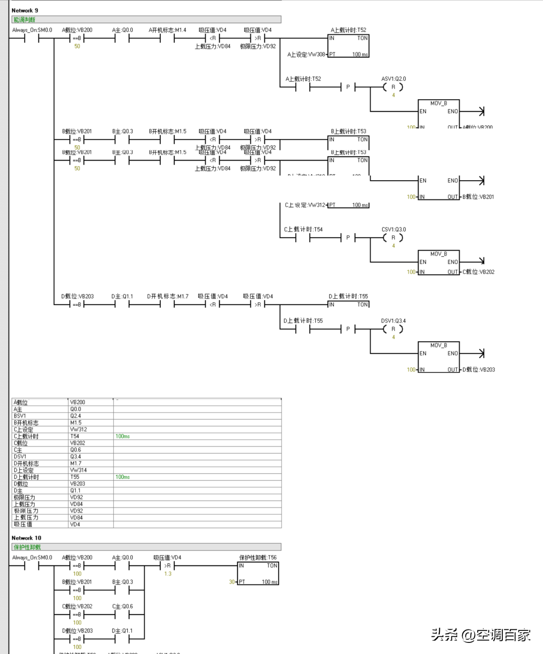
本周更新了一部分资料,主要内容是关于冷库电气控制相关资料,PLC控制程序、触摸屏组态程序等相关内容,共计22套内部资料,具体如下:

我们选取几个比较典型的最为资料的展示:

01.单冻机冷源 PLC+组态+电气

02.-50速冻库程序 PLC与触摸屏:

03、双螺旋单冻机食品冷藏库 PLC+组态:

04.连云港冰雕库 PLC+组态程序:

05.连云港某解冻机 PLC+组态:

06.某冷库、单冻机、螺旋速冻机原程序 PLC+组态

07.鑫博海空调程序 PLC+组态

网站会员小伙伴们登录网站(www.zhilengbj.cn)下载吧:

搜索关键词下载:

或者点击“最新上架”下载:

——《未完待续,资料持续更新》——

冷库可用PLC来实现控制

在各种宫廷剧里,皇帝一顿饭要吃几十上百个菜,而且菜色看起来非常的诱人。实际上,古代由于没有冷链运输技术,食材很难长时间保存。使用不新鲜食材做出来的东西,就算看起来再好看,味道上也不一定很鲜美。相比之下,我们现代社会不仅有冷链车,也有专门的冷库,食物保鲜一个月都不是问题。

那冷库的温度为多少比较适宜呢?说不好,要看你往里放什么东西了。而且,有的物品还不能一直恒温冷冻,还需要在不同时段进行温度调节,这就需要冷库有专门的变温设计了。想要实现这样的自动化控制,PLC是少不了的,它们可以采集温度信号,进行不同的温度调节。

我们家的PLC支持codesys以及OpenPCS软件编程,可以应用到冷库温度调节系统上。如果您需要手册资料,可以私信评论找我。晚上我们“广成工控”直播间也会聊相关内容,欢迎观看。

相关问答

帮个忙,如何控制安装一个速冻冷库的温度?有谁可以回答一下吗?

[回答]房温度之差一般为10℃,鲜肉速冻冷库的蒸发温度一般设计为-10~10℃左右,冷藏库为-28℃,冻结库为-33℃,而实际运行中,许多鲜肉速冻冷库的温...安装一...

如何控制十立方速冻冷库的温度?十万火急!

[回答]十立方速冻冷库温度控制系统:大型海鲜冷库一般采用PLC编程控制,可以按自己的要求设定温度和湿度等等;小型海鲜冷库一般采用微电脑自动控制系统,该系...

有什么知道冷库plc控制柜的费用是多少?

[回答]路中各种元器件合理分配电能的控制中心,是可靠接纳上端电源,正确馈出荷载电能的控制环节,也是获取用户对供电质量满意与否的关键。提高动...LC产品...

冷库化霜怎么调试?

冷库搁架排管、墙、顶光滑排管,可以采用人工结合热气法,平时人工扫霜,定期进行热气融霜,以彻底清楚人工扫霜不易除净的霜并排出管道内的积油。冷风机用水冲和...

建一个速冻冷库的温度标准?

[回答]建一个速冻冷库的温度控制是有差异的,可以咨询专业人士根据不同时间、地域、冷库里的产品调整适合的温度。不合适的温度可能会对产品产生破坏性的冲...

怎么样用机器做红薯粉?

(3)...(2)压榨红薯粉条——利用机器挤压红薯面团,使其变车窗那个粗细均匀的红薯粉条。(3)进行冷水浴——将红薯粉条过一下冷水浴,再由竹竿挑起来沥干,放入冷...

各位大佬谁清楚,速冻冷库的要求和说明?

[回答]速冻冷库温度控制系统:大型海鲜冷库一般采用PLC编程控制,可以按自己的要求设定温度和湿度等等;小型海鲜冷库一般采用微电脑自动控制系统,该系统操作...

做速冻冷库温度保持在多少度以下?大家推荐一下

[回答]做速冻冷库温度控制系统:大型海鲜冷库一般采用PLC编程控制,可以按自己的要求设定温度和湿度等等;小型海鲜冷库一般采用微电脑自动控制系统,该系统操...

谁能回答!低温速冻冷库温度达到多少度?

[回答]低温速冻冷库温度控制系统:大型海鲜冷库一般采用PLC编程控制,可以按自己的要求设定温度和湿度等等;小型海鲜冷库一般采用微电脑自动控制系统,该系统...

有谁知道在线等!!湛江300立方冻库安装,冻库安装销量高吗??

[回答]庭农场于上月签订的保鲜冷库安装工程已完工,整个保鲜冷库安装工程共计3000立方,该保鲜冷库安装工程地址为浙江嘉兴市,并且保鲜库整体温度...冷库采...