线下实训
HOME
线下实训
正文内容
plc 编程口 通讯 又是一个详细的PLC自由口通讯的实例讲解,看完你就会用了!
发布时间 : 2026-02-03
作者 : 小编
访问数量 : 23
扫码分享至微信

又是一个详细的PLC自由口通讯的实例讲解,看完你就会用了!

以前我们讲过西门子S7-200SMART使用自由口方式向计算机发送指令,今天我们学习一下S7-200系列PLC的自由口通讯;今天的实例是西门子S7-200通讯控制台达变频器。

一西门子S7-200系列PLC的自由口通信简介

S7-200 CPU的通信口可以设置为自由口模式。选择自由口模式后,用户程序就可以完全控制通信端口的操作,通信协议也完全受用户程序控制。一般用于和第三方串行通信设备进行通信。在进行自由口通信程序调试时,可以使用PC/PPI电缆(设置到自由口通信模式)连接PC和CPU,在PC上运行串口调试软件调试自由口程序。S7-200PLC的通讯口支持RS485接口标准。采用正负两根信号线作为传输线路。工作模式采用串行半双工形式,数据传输采用异步方式,传输速率可以设置为1200、2400、4800、9600、19200、38400、57600、115200。字符帧格式为一个起始位、7或8个数据位、一个奇/偶校验位或者无校验位、一个停止位。字符传输从最低位开始,空闲线高电平、起始位低电平、停止位高电平。字符传输时间取决于波特率。

数据发送可以是连续的也可以是断续的。所谓连续的数据发送,是指在一个字符格式的停止位之后,立即发送下一个字符的起始位,之间没有空闲线时间。而断续的数据发送,是指当一个字符帧发送后,总线维持空闲的状态,新字符起始位可以在任意时刻开始发送,即上一个字符的停止位和下一个字符的起始位之间有空闲线状态。

应用自由口通信首先要把通信口定义为自由口模式,同时设置相应的通信波特率和上述通信格式。用户程序通过特殊存储器SMB30(对端口0)、SMB130(对端口1)控制通信口的工作模式。

自由口通信的核心指令是发送(XMT)和接收(RCV)指令。由于S7-200的通信端口是半双工RS-485芯片,XMT指令和RCV指令不能同时有效。

在自由口通信常用的中断有"接收指令结束中断"、"发送指令结束中断",以及通信端口“缓冲区接收中断”和“通信口字符接收中断功能”。通信口接收到字符时会产生一个中断,接收到的字符暂存在特殊存储器SMB2中。通信口Port0和Port1共用SMB2,但两个口的字符接收中断号不同。 每接收到一个字符,就会产生一次中断。对于连续发送消息,需要在中断服务程序中将单个的字符排列到用户规定的消息保存区域中。调用XMT和RCV指令时只需要指定通信口和数据缓冲区的起始字节地址。对于高通信速率来说,字符中断接受方式需要中断程序的执行速度足够快。一般情况下,使用结束字符作为RCV指令的结束条件比较可靠。

如果通信对象的消息帧中以一个不定的字符(字节)结束(如校验码等),就应当规定消息或字符超时作为结束RCV指令的条件。但是往往通信对象未必具有严格的协议规定、工作也未必可靠,这就可能造成RCV指令不能正常结束。这种情况下可以使用字符接收中断功能。

二、通讯口初始化

SMB30(对于端口0)和SMB130(对于端口1)被用于选择波特率和校验类型。SMB30和SMB130可读可写。见下表:

示例:定义端口0为自由口模式,9600波特率,8位数据位,偶校验,程序如下图:

三、 发送数据:

1、发送数据

发送指令XMT能够发送一个字节或多个字节的缓冲区,最多为255个。使用边沿触发。

发送缓冲区格式:第一个字节为字符个数,其后为发送的信息字符。

示例:如果PLC连续发送2个字符16#55和16#EE,程序如下图:

示例说明:PLC通过数据块写入数据。XMT指令中TBL缓冲区首地址VB200写入发送字符的个数,VB201和VB202分别写入发送字符。

2、判断发送完成的方法

方法一:发送完成中断。通过连接中断服务程序到发送结束事件上,在发送完缓冲区中的最后一个字符时,则会产生一个中断。对通讯口0为中断事件9,对通讯口1为中断事件26。连接中断程序到中断事件示例如下图:

方法二:发送空闲位。当port0发送空闲时,SM4.5=1。当port1发送空闲时,SM4.6=1。当执行XMT发送完16#55后,利用SM4.5/4.6的上升沿(确保发送的字符帧发送完成),往XMT的TBL缓冲区写入新字符16#EE,并再次触发发送。

四、 接收数据

1、接收数据

接收指令RCV能够接收一个字节或多个字节的缓冲区,最多为255个。使用边沿触发或第一个扫描周期触发。接收缓冲区格式:第一个字节表示接收的字符个数,其后为接收的信息字符。RCV使能会将TBL缓冲区中的字符个数清零。

示例:如果发送方给PLC发送2个字符16#55和16#EE。PLC的接收程序如下图:

示例说明:RCV指令TBL缓冲区的首地址VB200保存的是接收字符个数,其后是信息字符。

2、判断接收完成的方法:

方法一:接收完成中断。通过连接中断服务程序到接收信息完成事件上,在接收完缓冲区中的最后一个字符时,则会产生一个中断。对端口0为中断事件23,对端口1为中断事件24。连接中断程序到中断事件示例如下图:

方法二:接收状态字节。SMB86(port0),SMB186(port1)。当接收状态字节为0,表示接收正在进行。当接收状态字节不为0,表示接收指令未被激活或者已经被中止。见下表:

3、接收指令起始和结束条件

接收指令使用接收信息控制字节(SMB87或SMB187)中的位来定义信息起始和结束条件。必须为接收信息功能操作定义一个起始条件和一个结束条件(最大字符数)。如下图:

接收指令起始条件

1)空闲线检测 定义:在传输线上一段安静或空闲的时间。

2)起始字符检测 当接收到SMB88/188指定起始字符后,接收信息功能将起始字符作为信息的第一个字符存入接收缓冲区。

3)空闲线和起始字符

接收指令执行时,先检测空闲线条件,在空闲线条件满足后,检测起始字符。如果接收的字符不是起始字符,则重新检测空闲线条件。在空闲线条件满足和接收到起始字符之前接收的字符被忽略。起始字符和字符串一起存入缓冲区。适用于通讯连接线上有多个设备的情况。

示例:PLC接收的起始条件定义为空闲线和起始字符(设置SMB87中的il=1,sc=1,bk=0,空闲线检测时间SMW90=10ms,起始字符SMB88=16#55),结束条件为最大字符个数2。4)断点检测

大于一个完整字符传输时间的一段时间内,接收数据一直为0,在断点之前接收的字符被忽略,在断点之后接收的字符存入信息缓冲区。

示例:PLC接收的起始条件定义为断点检测(设置SMB87中的il=0,sc=0,bk=1),结束条件为最大字符个数8。

5)断点和起始字符

在断点条件满足后,检测起始字符。在断点条件满足后,如果收到除起始字符外的任意字符,重新检测新的断点。在满足断点和起始字符之前接收的字符将被忽略,起始字符和字符串一起存入信息缓冲区。

6)任意字符。任意字符接收是空闲线检测的特例。

设置方式:il=1,sc=0,bk=0,空闲线时间SMW90/190=0。

接收指令一执行,立即接收任意字符,并把所有接收字符存入信息缓冲区。

允许使用信息定时器监控接收是否超时。

接收指令结束条件

接收指令支持以下一种或几种组合的结束条件:

1)结束字符检测

2)字符间隔定时器

字符间隔时间定义:从一个字符的结尾(停止位)到下一个字符的结尾(停止位)之间的时间。接收到字符后,字符间隔定时器重新启动。两个字符之间的间隔时间超过SMW92/192则结束接收。

3)信息定时器

当接收启动条件一满足,信息定时器就启动,当时间超过SMW92/192指定的时间,信息定时器时间到结束接收。

4)最大字符计数

当接收字符个数达到或超过最大字符个数(SMB94/SMB194),接收功能结束。

由于接收指令需要知道接收信息的最大长度,以保证信息缓冲区之后的数据不被覆盖,所以即使不被用作接收结束条件,也必须指定最大字符个数。

如果没有指定最大字符个数,则SM86.6/186.6=1(输入参数错误或丢失启动或结束条件)

5)校验结束

当接收字符的同时出现硬件信号校验错误时,接收指令会自动结束。只有在SMB30/130中使能校验位,才有可能出现校验错误。没有办法禁止此功能。

6)用户结束。

通过程序结束接收功能:将SM87.7或SM187.7置为0,且需边沿触发RCV接收指令。

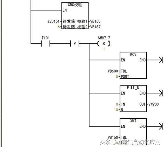
五、S7-200作为主站与台达变频器自由口通讯主程序

首先调用自由口通讯初始化程序。设置VB99初值。

下面是设置变频器的启停机正反转。

写入变频器存储单元。

下面是调速按钮,把调速数据写入变频器。

下面是读变频器的输出频率、输出电压、输出电流和输出功率。

启动定时器,移动标志位。

六、S7-200作为主站与台达变频器自由口通讯初始化程序

利用SM0.1初始化通信参数。步骤如下:

1)使用SMB30(端口0)或SMB130(端口1)选择自由口通信模式,并选定自由口通信的波特率、数据位数和校验方式。09是无校验,9600波特率,8位。16#49是偶校验。

2)定义通信口接收格式SMB87(端口0)或SMB187(端口1)90,包括启动信息接收(第7位=1)、是否有起始位(第6位)、是否有结束位(第5位)以及是否检测空闲状态(第4位)等。

3)设定起始位(SMB88或SMB188)或结束位(SMB89或SMB189)、空闲时间信息(SMB90或SMB190)及接收的最大字符数(SMB94或SMB194)。

4)如利用中断,则需连接接收完(事件23)和发送完(事件9)中断到中断程序,并且开中断( ENI)。

5)一般还要利用SMB34定义一个定时中断,来定时发送数据(一般为50ms,即间隔发送数据的时间)。

初始化程序如下:

七、S7-200作为主站与台达变频器自由口通讯写变频器程序

写变频器程序如下:发送数据格式参见上一讲。数据变量如下表:

首先是准备数据如地址、发送数据个数,读写选择,读写的寄存器地址,数据内容,奇偶校验位。然后使SM87.7=0和接收指令同时应用,停止接收。再用XMT指令发送数据。

XMT指令有两个参数,一个是待发送数据地址,另一个是指定端口号;

XMT从300单元开始发送数据,数据内容存LW5,就是调用时的wv200单元的内容。

待发送数据格式:第一个数据是待发送数据长度(必须)其后是数据帧;

八、S7-200作为主站与台达变频器自由口通讯读变频器程序

读变频器数据子程序首先要发送命令,命令格式见上一节。发送完成等待接收完成中断,在接收完成中断程序中,把变频器发回来的数据存到指定的存储区中。

RCV指令中的TBL指示的缓冲区的首地址VB600保存的是接收字符个数,从VB602开始是信息字符。SM87.7=1允许接收。下面是接收子程序变量表:

九、S7-200作为主站与台达变频器自由口通讯发送完成子程序

在初始化程序中设置了发送完成子程序。

下面是发送完成子程序:发送完成子程序中主要启动接收完成子程序。

十、S7-200作为主站与台达变频器自由口通讯接收完成子程序

下面是接收完成子程序。接收完成子程序中要把每次接收缓冲区中接收到的数据,存到指定的存储区。

西门子PLC利用自由口实现通讯,配合中断效果好!图文实例讲解!

以前我们讲过关于自由口通讯的实例,今天我们讲一下自由口通讯配合中断的实例。

在一些特定场合,比如说与松下系列伺服驱动器的控制时,为了保证数据的安全,我们需要进行多次往返的数据交换,这就需要严格控制通讯的时间。那么这个时候对于PLC来说通讯就是最重要的,所以我们需要打断PLC的正常功能,优先处理通讯,这就需要通讯中断。

实例:2台S7-200 SMART CPU(端口0)采用自由口通信方式实现相互通信

(本文仅为展示自由口通讯和中断,如果想要实现这两个PLC的通讯其实最好是使用向导进行以太网通讯,有机会我们也会进行讲解!)

通信任务:CPU1 每秒触发一次 XMT 指令将 CPU 的实时时钟发送到 CPU2;CPU2 接收到 CPU1 发送的信息后立即将 CPU2 的实时时钟回复到 CPU1。

接线:每个 S7-200 SMART CPU 都提供一个以太网端口和一个 RS485 端口(端口0),标准型 CPU 额外支持 SB CM01 信号板(端口1),信号板可通过 STEP 7-Micro/WIN SMART 软件组态为 RS232 通信端口或 RS485 通信端口。

CPU 通信端口引脚分配

1、CPU1 编程

1.1、CPU1 主程序编程如图 所示:

CPU1主程序

程序讲解:

1. 设置 SMB30 = 2#00001001 (自由口通信,波特率 9600 bps,8 位数据位,无校验)。

2. 设置 SMB87 = 2#10010100,使用空闲线检测为信息接收的起始条件,使用字符间定时器为信息接收的结束条件。

3. 设置空闲线定时器 SMW90 = 5 ms,字符间定时器 SMW92 = 5 ms,允许最大接收字符个数 SMB94 = 10。

4. 连接中断子程序 INT_0 到通信端口 0 发送完成事件,并启用中断。

5. 每秒钟读取一次 CPU 的实时时钟,并将发送缓冲区长度设置为 8 个字符。

6. 执行 XMT 指令之前设置 SM87.7 = 0,同时执行 RCV 指令,终止消息接收。

7. 每秒钟执行一次 XMT 指令将 CPU 的实时时钟发送出去。

1.2、 CPU1 发送完成中断子程序 INT_0 编程

中断子程序INT_0用于恢复 SMB87 的设置(SM87.7 = 1),并执行 RCV 指令开始接收 CPU2的应答信息。程序如图4. 所示:

CPU1 中断子程序 INT_0

2、CPU2 编程

2.1、CPU2 主程序编程如图所示:

CPU2主程序

1. 设置 SMB30 = 2#00001001 (自由口通信,波特率 9600 bps,8 位数据位,无校验)。

2. 设置 SMB87 = 2#10010100,使用空闲线检测为信息接收的起始条件,使用字符间定时器为信息接收的结束条件。

3. 设置空闲线定时器 SMW90 = 5 ms,字符间定时器 SMW92 = 5 ms,允许最大接收字符个数 SMB94 = 10。

4. 连接中断子程序 INT_0 到通信端口 0 接收完成事件,中断子程序 INT_1 到通信端口 0 发送完成事件,并启用中断。

5. 使用 SM0.1 调用 RCV 指令地执行。

2.2、 CPU2 接收完成中断子程序 INT_0 编程

中断子程序INT_0用于读取 CPU 实时时钟,并调用 XMT 指令将实时时钟信息发送出去。程序如图所示。

CPU2 接收完成中断子程序 INT_0

2.3、 CPU2 发送完成中断子程序 INT_1 编程

中断子程序 INT_1 用于执行 RCV 指令,并开始新的信息接收任务。程序如图 7.所示。

CPU2 发送完成中断子程序 INT_0

相关问答

plc的通讯接口的使用方法?

PLC的通讯接口使用方法包括以下步骤:1.选择合适的通讯接口,如串口、以太网口等。2.根据PLC型号和通讯接口规范,配置通讯参数,如波特率、数据位等。3.编写通讯...

怎么样具体实现三菱PLC通过485接口与电脑的通信?越详细...

1)三菱FX2NFX3U有一个编程口,用485BD板可以扩展一个485通信口2)硬件实现,买一根USB-485的线,连接在电脑上,装上驱动,可以产生一个485的串口。如果有232的线...

西门子PLC串口通讯的几种方法?

第三方设备大部分支持,西门子S7PLC可以通过选择自由口通信模式控制串口通信。最简单的情况只用发送指令(XMT)向打印机或者变频器等第三方设备发送信息。不管任...

西门子S200PLC如何建立通信?

现在PC上建立OPCserver,可以下载西门子公司SIMATICNETOPCserver,这时候可以用ETHERNET、PROFIBUS、MPI都可以和西门子PLC建立通讯关系。通讯成功...

plc一般都和谁通讯?

PLC一般都和以下设备通讯:PLC与计算机的通信:PLC与编程、监控、调试的计算机或网络控制系统中的上位机通信等。PLC与通用设备的通信:PLC与通用设备的通信一...

三菱PLC编程通讯线COM口设置问题,一条二代编程电缆是COM12口,三菱GXDeveloper编程软件?

可以在设备端口的设置里将com12口更改为COM10以下的端口号。可以在设备端口的设置里将com12口更改为COM10以下的端口号。

西门子PLC自由口通讯怎么做?

西门子的自由口是485协议,是半双工的,不能同时收发。在西门子的官方文档里有说明,西门子的MODBUS协议也是基于自由口协议上开发的,一种特殊的自由口通信方式...

plc通讯接口有哪些?

PLC(可编程逻辑控制器)通讯接口有多种类型,常见的包括:1.RS-232接口:RS-232是一种常见的串行通信接口,用于将PLC与计算机或其他设备进行连接。它通常用于...

plc通讯找不到端口?

1.连接好通讯线后,给PLC接上电源,L端子接220V的火线,N端子接220V的零线,地线接上比较安全,不接PLC也能正常使用。2.通以电源后,PLC自检POWER和RUN指示灯亮...

pLc与pLC通讯要写程序,原pLC里的程序不会覆盖么?

就西门子的PLC而言,是这样的。通讯程序可以放很多个在PLC中,因为程序的执行是循环扫描的方式,当然在写通讯程序时,可以采用循环指令,减少代码量,通过循环和...

 都市逍遥记  生物制药工艺学 
王经理: 180-0000-0000(微信同号)
10086@qq.com
北京海淀区西三旗街道国际大厦08A座
©2026  上海羊羽卓进出口贸易有限公司  版权所有.All Rights Reserved.  |  程序由Z-BlogPHP强力驱动
网站首页
电话咨询
微信号

QQ

在线咨询真诚为您提供专业解答服务

热线

188-0000-0000
专属服务热线

微信

二维码扫一扫微信交流
顶部