PLC编程程序代写 三菱触摸屏GS系列同时控制两台设备画面制作和程序编写

小编 88 0

三菱触摸屏GS系列同时控制两台设备画面制作和程序编写

GS2107-WTB触摸屏同时控制两台三菱设备

GS2107-WTB同时控制FX5U和FX3SA设备

目录

一、硬件连接

二、触摸屏设置和画面制作

三、程序编写

一、硬件连接

1)整体硬件连接

二、触摸屏设置和画面制作

1)注意:连接机器设置需要设置两个通道

2)CH1通道参数设置(FX3SA)

3)CH2通道参数设置(IQ-F)

4)FX3SA通道1"位开关设置"

5)IQ-F通道2位开关设置,注意前面要加@2

三、程序编写

以上触摸屏参数设置和画面制作完成后开始编写程序:

1)随意举一段(FX3SA)程序,只要触摸屏触摸一下"FX",M0即为"1"。

2)FX5U程序,只要触摸屏触摸一下"IQ",M1000即为"1"。

谢谢!

电柜电箱设计,PLC程序代写和工业板维修,PCB板开发。

联系电话:13410071722

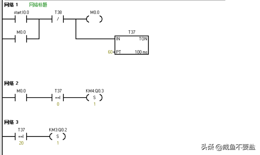
四节传送带控制系统设计(西门子PLC试题)

任务描述

某企业承担了一个四节传送带装置的设计任务,四节传送带装置模拟示意图如下图所示,系统由传动电机M1、M2、M3、M4,完成物料的运送功能。

控制要求:闭合“启动”开关,首先启动最末一条传送带(电机M4),每经过2秒延时,依次启动一条传送带(电机M3、M2、M1);关闭“启动”开关,先停止最前一条传送带(电机M1),每经过2秒延时,依次停止M2、M3及M4电机。请根据控制要求用可编程控制器设计其控制系统并调试。

I/O地址分配

程序(梯形图)

PS:对西门子S7-200PLC、C51单片机、电机电气控制、MCGS组态、CAD画图,solidworks软件等略有了解!对机电一体化技术的专业知识有一定了解。需要代写的同学们可以向我咨询呀!或者需要我分享出来项目的原文件的也可以向我咨询。

相关问答

麻烦老铁们,谁帮忙回答!!代写原创文章,专业软文代写一篇多...

什么题目是PLC么PLC单片机可以么她们靠着简单的拉伸运动,25岁还能半年长高8厘米。然而,这一篇篇笔记的背后,是各种专业团队的“代写”。而且报价...