消防巡检plc编程 应用PLC设计化工厂的消防控制系统

小编 81 0

应用PLC设计化工厂的消防控制系统

中化重庆涪陵化工有限公司的研究人员兰洲,在2021年第4期《电气技术》上撰文, 介绍了化工生产厂区消防水系统的组成,以及一套完整的消防水系统需满足的各项要求,根据所述要求配置各种装置设备,并将其进行顺序和联锁控制,保证火灾发生时,消防水系统能够提供足够的水量和水压供消防灭火使用,并通过西门子PLC将整个控制回路进行程序化、简单化。

某化工企业新建项目配套新建一套消防水系统。消防系统是保证企业安全生产的重要设施,需要具备完整设施和联锁控制系统。但是,所购置的消防设备仅有独立运行的几个泵:高压电动消防泵、柴油消防泵及稳压消防泵。

这些各自起停的消防设备,相互之间没有联锁,也没有一套完整的控制系统。根据设计要求说明:稳压消防泵用于稳定消防主管网管道内的水压,保证管网水压在0.55~0.8MPa之间,低于0.55MPa时自起动稳压泵,高于0.8MPa时自动停止;当生产厂区停电后,自动起动柴油消防泵;高压电动消防泵无任何自起动条件,只能手动启停。

若只靠一台5.5kW的稳压泵自起动来维持一个庞大的生产区消防水主管网里的压力是很难的。如果有火灾发生,急需用水,稳压泵的供水能力远远达不到要求。因此,该消防水系统的设计存在缺陷,不能算是一套完整的消防水系统。

1 消防水系统的要求

一个标准的消防水系统能够在生产区域内发生火灾时,及时快速响应并灭火,尽快消除灾情,以免造成损失,或者尽可能地减少损失。

一个完整的消防水系统的具体要求如图1所示。

图1 对消防水系统各装置要求

为达到上述消防水系统的基本要求,一个完整的消防水系统应该包括消防水池装置、消防管道供水装置、消防监测及报警装置、消防管网及消防栓装置。

1)消防水池装置

消防水池装置是保证消防水系统水源的装置,主要由消防水池、水池液位检测仪、水池供水电动泵、供水柴油泵组成。当水池水位低于液位检测仪设定值时,液位检测仪自动向供水泵发出指令,起动水池供水泵向水池供水,高于液位检测仪设定值时,自动停止,当厂区停电时由柴油泵供水。

2)消防管道供水装置

消防管道供水装置是消防栓灭火的供水装置,自动向生产区域所有的消防管道网供水,并保证管网内的水有足够的水压,确保发生火灾时能及时灭火。它是整个消防水系统的核心,主要由稳压消防泵、高压电动消防泵、柴油消防泵三大部分组成。

3)消防监测及报警装置

消防监测及报警装置是消防系统的眼睛,负责监测生产现场主要工作区域和容易发生火灾的区域,一旦监测到有灾情或是有灾情发生的可能性,立即向现场操作室、综控室发出报警信号。它主要包括感温、感烟等监测设备,视频监视,现场报警紧急按钮及声光报警器。

4)消防管网及消防栓装置

消防管网及消防栓装置是整个消防水系统灭火的执行装置,包括消防管网、现场消火栓。

2 消防水系统的工作原理

根据图1的要求,消防水系统配置如图2所示。

图2 消防水系统配置

从图2可以看出,为了在火灾时及时消除灾情,须保证两个重要消防参数:①必须保证消防水池有足够的水量,便于灭火时供给,由消防水池的液位测控仪(level indication controller, LIC)来检测和控制;②必须保证消防管网内的水有足够的压力,由压力测控仪(pressure indication controller, PIC)来检测和控制。

根据这两点要求,重新组织和设计消防的控制系统,并将供水和用水管网关联起来;同时,还要考虑火灾发生可能导致厂区停电对消防系统的影响。综合这些,设计出消防水系统控制原理图,如图3所示。

图3 消防水系统控制原理图

根据图3,其工作原理如下:

由消防水池液位测控仪LIC检测水池液位,并输出指令控制消防水池供水泵P1向消防水池供水,保证消防水池液位。当液位低于设定的低限值时,起动供水泵P1向水池供水,液位高于设定高限值时,停止供水泵。

如果厂区内停电,电动泵P1不能供水时,液位测控仪LIC控制柴油泵P2起动,向消防水池供水。厂区是否停电,可利用一个继电器的常闭触点来实现。继电器与厂电连接,常供电;正常情况,继电器一直吸合,常闭触点断开;一旦停电,常闭触点闭合,于是柴油泵便具备了起动条件。

消防管网供水泵由消防稳压泵P3、消防高压水泵P4、消防柴油泵P5三台组成,并且与隔膜罐、消防管网相连。压力测控仪PIC监控隔膜罐内压力(隔膜罐压力即消防管网压力)。

正常情况下,消防管网压力维持在0.55~0.8MPa之间,当PIC检测到管网压力低于设定低限值时,比如0.45MPa时,发出指令起动稳压泵P3向消防管网补充水量和水压;当压力高于设定高限值0.8MPa时,停止稳压泵P3。

当火灾发生时,感温、感烟等现场探测器立即发出声光报警,并向综合控制室显示火灾地点。驻厂负责人立即组织人员配戴好防护用品赶赴现场,并根据实际情况进行现场灭火。

现场灭火大量用水后,管网压力迅速下降,而且用水量大,这时稳压泵供水量不足,管网压力下降到低低限时,比如0.35MPa时,同时起动消防高压水泵P4向管网供水,达到高限压力时,自动停止。当灾情严重,导致生产厂区停电时,稳压泵P3和高压水泵P4不能供水,立即起动消防柴油泵P5供水。

需要说明的是,为了保证消防水系统在火灾发生时能够正常使用,即使在火灾影响厂区供电情况下,也能保证消防水系统正常运行。因此,消防水系统控制回路电源采用不间断电源UPS提供,包括柴油泵P2、P5起动电源,皆由UPS电源提供。

3 消防水系统PLC程序设计

根据上述要求和原理图进行接线,很容易实现,但是不建议采用传统控制方法,因传统的控制回路存在很多缺点,主要有:

1)需要多个硬件中间继电器进行转换控制。

2)硬件个体元件多,容易出故障,并且线圈易烧毁,或触点接触不良。

3)控制回路的接线复杂,不便于查找故障点,且容易在接线时出错。

4)无论是制作这样的控制回路,还是查找故障,所需时间太多。

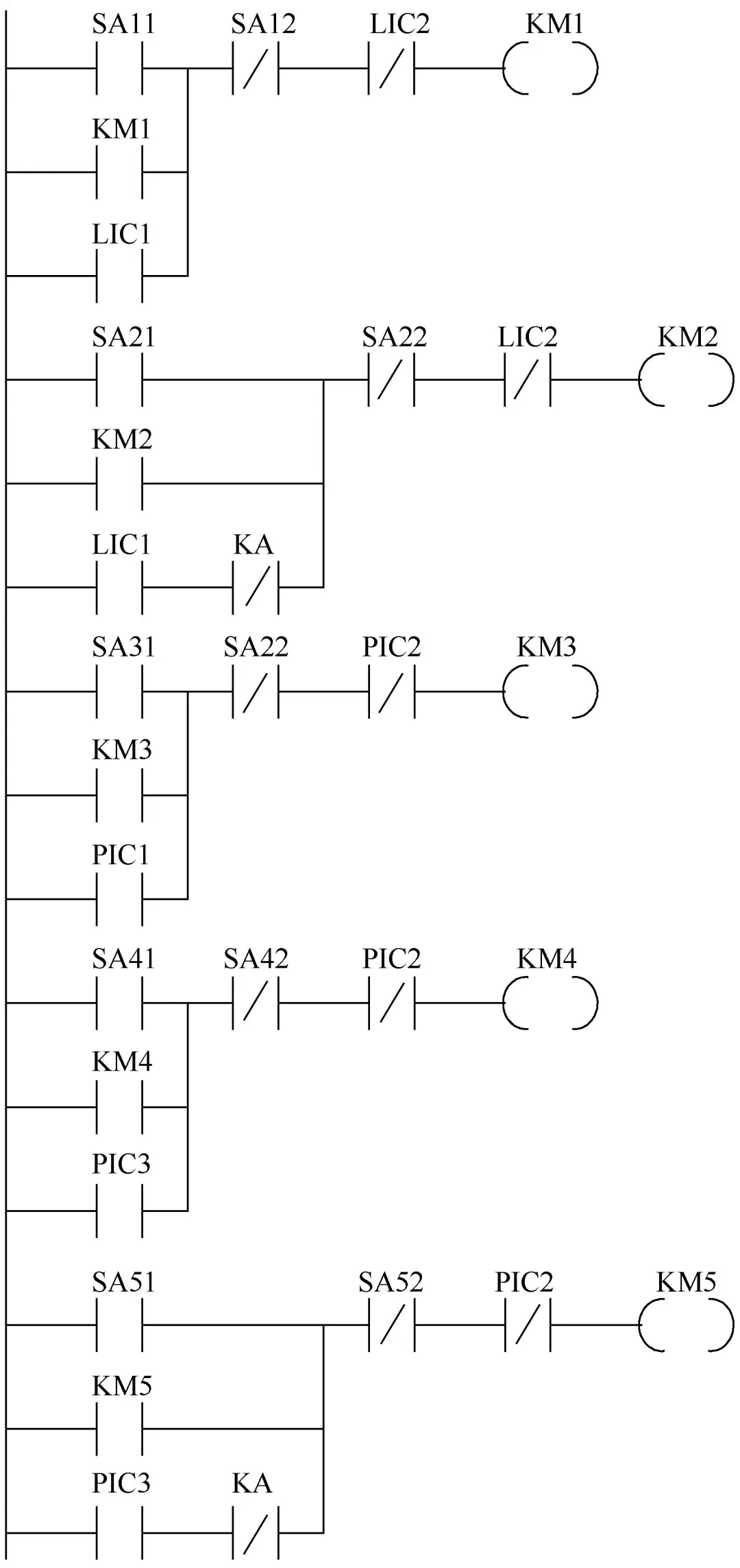
基于上述缺点,利用西门子PLC模块自主编程实现该控制,将其简单化、程序化,并且用程序软件代替硬件元件,有利于控制系统稳定;同时,消防水池的液位、管网压力都引入PLC进行联锁,根据原理图进行程序设计。具体程序设计如图4所示,输入输出点寻址见表1。

图4 PLC控制程序

表1 各个输入输出点PLC地址

4 结论

通过开启消防栓来释放消防管道内的压力进行试验,当压力达到低限时,稳压泵自动起动补水补压,达到低低限时,高压水泵起动;关闭消防栓后,管道内压力稳定并上升,到达高限时,自动停止。其次,通过断电继电器KA来试验厂区停电情况,当消防水池液位到达低限,自起动柴油泵P2,管网压力到达低低限,自起动柴油泵P5,达到高限自动停止。

经过试验验证,系统应用效果良好。利用PLC程序代替硬件元器件触点,减小了外部元器件的影响,确保了控制系统稳定、故障率低,控制方便。

本文编自2021年第4期《电气技术》,论文标题为“基于PLC的消防控制系统设计”,作者为兰洲。

高层建筑消防排烟系统PLC控制程序(实例16)

一、设置防烟、排烟设施的必要性 ? ? 现代化的高层民用建筑,可燃的装修、陈 设较多,还有相当多的高层建筑使用了大量的 塑料装修、化纤地毯和用泡沫塑料填充的家具。 这些可燃物在燃烧过程中,会产生大量的有毒 烟气和热,同量要消耗大量的氧气。 据日本、英国对火灾中造成人员伤亡的原 因统计表明,由于CO中毒窒息死亡或被其它有 毒烟气熏死者,一般占火灾总死亡人数的40 %~50%,最高达65%以上;而被火烧死 的人当中,多数是先中毒窒息晕倒后被烧死的。

相关问答

消防联动系统怎么编程..._消防考试_帮考网

消防联动系统编程是一项专业性较强的工作,需要具备一定的自动化控制知识。以下是消防联动系统的编程步骤和方法:1.需求分析:在开始编程之前,首先...

消防的联动编程怎么编?..._消防考试_帮考网

消防联动编程是消防控制系统中的重要组成部分,其主要目的是实现消防设备如消防泵、喷淋系统、报警设备等的自动联动控制。以下是一个简要的编程步骤...

泰和安消防plc是什么样的?

泰和安消防plc是一种专门用于消防安全控制的设备,可以实现火灾报警、疏散指示、火灾控制、设备监控等功能。该设备采用先进的PLC控制技术,具有高度自动化、智...

采用PLC控制的变频器一拖三恒压供水技术方案?

基于PLC和变频器串行通讯的变频恒压供水系统摘要:介绍了一种基于PLC和变频器采用串行总线方式通讯的变频恒压供水系统的构成和工作原理。系统采用变频调速方...

请教一下:消防稳压设备在什么情况下工作?可以回答一下吗?

消防稳压设备主要是由水泵机组、气压罐、电控系统、压力控制器、阀门电路等组成。当设备投入运行时后,稳压泵启动,向气压罐和消防电网供水,当消防管...

敢问大家,请问消防稳压设备包括什么?请回答一下还请不吝赐

消防稳压设备具备自动启动,手动启动,远程操做三种启动方式。可自动报警,故障识别启动备用泵,自动巡检,PLC智能控制。消防管网压力达到消防警戒压力...

我想学PLC编程,但我看不懂T形图,那些命令连在...-汇财吧专...

[回答]要注意其中有几张图纸是须特别留意的:建筑节能设计说明、消防设计说明、基础设计说明。图纸附件:审图意见、图纸修改、变更单、图纸会审记录、招标...

火警信号需要进SIS吗-盖德问答-化工人互助问答社区

火灾报警信号不进sis系统,进火灾报警系统(即消防系统)。消防系统都是plc控制现场根本没人我直接把信号做到dcs用了火灾报警信号不能进进sis系统...

求帮助!想知道消防稳压设备分为哪些类型和选型方法?感谢回答...

[回答]消防稳压设备的选型般根据供水量的大小,选用流量尽可能小,扬程符合的微型泵;选择符合的给水设备需根据生活(生产)用水量大小确定稳压泵的型号。设备...

各位大佬谁清楚,消防稳压设备包括什么?请赐教在线等

[回答]消防泵组也可以按照一些规则来细分,按照动力源的形式可以分为四种,分别是柴油机消防泵组、燃气轮机消防泵组、电动机消防泵组和消防泵组。按照用途...