线下实训
HOME
线下实训
正文内容
plc如何编程延时 PLC编程100例之延时OnOff 程序
发布时间 : 2026-03-22
作者 : 小编
访问数量 : 23
扫码分享至微信

PLC编程100例之延时OnOff 程序

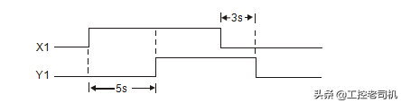
【控制要求】

Ÿ 开关由 Off→On 动作时,5 秒后指示灯才被点亮;开关由 On→Off 动作时,3 秒后指示灯才熄灭。

【元件说明】

【控制程序】

【程序说明】

Ÿ 当 X1=On 时,T0 定时器开始执行计时,当 T0 计时到达预设值 5 秒时,T0=On,其常开接点导通;而 T1 定时器不计时,其常闭接点始终为导通状态。开关由 Off→On 动作 5 秒后,T0 的常开接点导通,T1 的常闭接点也导通,Y1=On 并自保,指示灯被点亮。

Ÿ 当 X1=Off 时,T 1 定时器开始执行计时,当 T1 计时到达预设值 3 秒时开,T1=On,其常闭接点闭合。而 T0 定时器不计时,其常开接点始终为关断状态。开关由 On→Off 动作 3 秒后, T0 的常开接点关断,T1 的常闭接点也关断,Y1=Off,指示灯熄灭。

PLC定位控制的延时问题编程技巧,干货好文,抓紧收藏!

导读:

相信使用过西门子PLC定位控制步进或者伺服的都知道,在PLC定位一段位置完成之后,下一段位置的定位启动需要延时一定时间。

其实它的原理无非就是错开扫描周期,这边是有两种方法:

1、通过加定时器;

2、通过编程逻辑错开扫描周期。

本文将探讨第2种方法。

01案例需求

案例需求:使用S7-200SMART PLC控制步进电机的往复定位。

①按下启动按钮后,步进电机以10mm/S的速度运行到50mm的位置;

②当步进电机定位到50mm的位置之后,再以10mm/S的速度运行到0mm的位置,不断的循环往复。

02使用200SMART软件组态运动控制

在实现定位控制之前,需要使用200SMART软件组态运动控制,比如每转脉冲数,每转的机械位移量等,在此不做编撰,读者自行根据实际情况组态。

03程序编写

1、网络段1是一直复位V100.0,网络段2是调用定位初始化指令。

2、网络段3是把当前位置设置为原点,在实际的项目中可以调用回参考点指令。这里我们测试,就使用此指令即可!

3、网络段3是实现往复定位功能的核心:当按下启动后,将状态步设置为1,等于1时将50的位置给到VD12,同时在本次的扫描周期V100.0置位为1,而在下一个扫描周期V100.0将复位,这样就避免了在本次的扫描周期将“2”这个状态步给到VB20,只有当定位完成了V0.6变为1时,VB20才会为2。当状态步等2时,分析方法和等于1时是一样的分析方法,在此不赘述。

4、调用定位指令并填写管脚参数。

总结:

本案例主要实现的是步进电机的往复定位,而往复定位的定位指令和状态步的切换需要错开扫描周期,可以在程序的网络段1加上常通复位指令!以后在编程时,碰到这种步序的切换的程序编写可以使用这种方法!

来源:技成培训网,作者:技成-郭彪,未经授权不得转载!

如何获取更多 电气热门资料?

操作指引如下!

相关问答

plc按键输入延时的方法?

在PLC程序中,可以使用定时器来实现按键输入的延时。下面是一个基本的延时示例:1.首先,声明一个变量来保存延时时间:```ladderTIMERMOVK5000T#5S```...

plc网络延迟时间怎么设置?

PLC网络延迟时间可以通过修改PLC的通信参数来进行设置。在PLC的通信设置中,可以设置发送和接收数据的超时时间、重试次数等参数,以达到减小延迟时间的目的。同...

plc延时符号哪里找?

PLC(可编程逻辑控制器)中的延时符号通常是根据具体的PLC品牌和编程软件而定的。不同的PLC品牌和软件可能会使用不同的符号或指令来实现延时功能。如果您使用...

plc延时输出指令?

PLC延时输出指令是存在的。PLC普遍采用的延时输出指令是TON(定时器)指令,其原理是在指定的时间内,控制输出信号保持开启状态,等到指定时间结束后,控制输出...

台达PLC如何实现启动延时功能?

TMR时间继电器x0——tmrk100y0x1——tmrk200y1以此类推或者一个输入点x0—-—tmrk100y0丨-tmrk200y1tmr单位10=1秒TMR时...

信捷plc梯形图延时怎样做修改,以电脑连上了,就想修改下延时...

编程状态下双击你要修改的定时器把k后面的值改成你想要的值找到那个定时器然后...在梯形图里面自己改好延时指令的设置,然后才上传到PLC.对于电脑连接的操作步...

plc怎么做多档位延时选择切换?

你好,实现PLC多档位延时选择切换需要依靠定时器和计数器的协同作用。首先,设立一个延时时间的参考值,并通过档位开关选择相应的时间。然后,启动计数器对每个...

怎么延迟plc的pwm信号?

延迟PLC的pwm信号,我们可以采取以下方式:首先我们可以改变定时器数值的方式来实现,延长定时时间,加大输出波形的宽度,就可以实现。另外一个就是提高pwm信...

西门子plc编程时间延时?

答案:西门子PLC编程中可以使用定时器和延时指令来实现时间延时。补充说明:在西门子PLC编程中,可以通过设置定时器和使用延时指令来控制程序的执行时间。例如...

plc数据延迟传递?

改变plc的延时时间:改那个定时器的时间就可以了例如程序里是(t0k30)就是延时三秒你改成(t0k50)就是5秒,以此类推。PLC,俗称“电力线上网...改变plc...

 mini sister  毛不易个人资料 
王经理: 180-0000-0000(微信同号)
10086@qq.com
北京海淀区西三旗街道国际大厦08A座
©2026  上海羊羽卓进出口贸易有限公司  版权所有.All Rights Reserved.  |  程序由Z-BlogPHP强力驱动
网站首页
电话咨询
微信号

QQ

在线咨询真诚为您提供专业解答服务

热线

188-0000-0000
专属服务热线

微信

二维码扫一扫微信交流
顶部