直播课堂
HOME
直播课堂
正文内容
plc编程步进梯形图编程 三菱FX PLC,如何学习步进指令及其梯形图
发布时间 : 2026-01-02
作者 : 小编
访问数量 : 23
扫码分享至微信

三菱FX PLC,如何学习步进指令及其梯形图

上篇文章讲述了什么是顺序功能图(SFC),这次我们接着学习与其相关的步进指令和步进梯形图吧!

所谓“步进”,顾名思义,其实就是状态步的前进,即状态步的顺序执行,一步一步地往下走,直到整个顺序控制程序执行完毕(个人理解,但我觉得非常有道理哈哈)。

步进梯形图指令STL、RET

步进梯形图指令包含步进指令STL和步进返回指令RET,在同一SFC的梯形图中缺一不可,如图19-1所示为它们的梯形图形式。看到这种成对出现的指令,大家是不是觉得似曾相识?

其实在之前的文章中也出现过许多这种形影不离的指令对,如子程序调用指令(CALL、SRET)、循环指令(FOR、NEXT)等,但STL指令和RET指令和这些成对的指令有所不同,什么?你问我哪里不同?

别急,我们接着往下看。

图19-1

STL指令和RET指令均无驱动条件,STL指令的适用软元件为状态继电器S,如图19-1中的S20,表示S20状态步的开始,有多少个状态步就有多少个STL,而RET指令在一个梯步进形图只出现一次,而且是在步进梯形图的结尾,表示步进梯形图的结束。

所以,知道STL指令、RET指令与上文所提的子程序调用指令、循环指令等的区别了吗?简单来说,虽然STL、RET指令在同一SFC的梯形图中缺一不可,但STL指令可以多次出现,而RET指令只出现一次,如下图19-2所示。

图19-2

状态的转移指令SET、OUT

前面说到,有多少个状态步就有多少个STL,那状态步与状态步之间的转移条件与转移方向又是怎样实现的呢?

这就用到另外两个指令了,那就是SET指令和OUT指令。SET指令和OUT指令都具有同样的功能,就是自动复位上一个状态,同时激活下一个状态,但OUT指令是用于向分离的状态转移,至于什么是分离的状态,大家可以看上一篇的文章哦。

SET指令用于同一个SFC的梯形图中实现各个状态步之间的各种转移,如图19-3所示,其中STL与SET之间为状态步的命令与动作,如SLT S20与SET S30之间的省略号部分内容。

转移条件为X1的接通,转移方向为SET所带的状态继电器编号,如SET S30中的S30。

图19-3

上篇文章提到,转移条件不一定是单个触点,也可以是一段程序,显然,程序也被包含在省略号中了。

相关软元件

与SFC的梯形图有关的软元件包括状态继电器S和部分特殊辅助继电器M,下图19-4所示为相关状态继电器的编号与功能,这在上一篇文章也有提及。

图19-4

相关特殊辅助继电器编号与功能在编程手册的截图如下图1-5所示,各特殊继电器的含义也写得很详细了,所示我在这里也不再过多解释。

不过M8000和M8002不仅是在SFC的梯形图中被用到,在大多数梯形图中,它们的身影也是很常见的。

图19-5

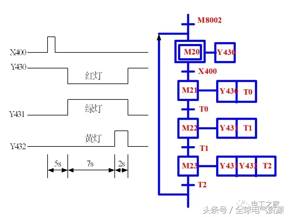
看到这里,结合上篇文章,我相信大家对于SFC的梯形图也有了比较清晰的了解,图19-6就是一个简单的SFC的梯形图示例。

这里我就稍微考考大家好了,有哪位小可爱可以根据这个梯形图画出SFC吗?当然啦,画不出也没关系,因为在编程软件中,本就具有将梯形图转SFC或将SFC转梯形图的功能。

图19-6

咦?好像有什么不得了的东西混进来了!没错,就是在编程软件中,本来就可以直接编写SFC,然后让软件自动将SFC转换为梯形图。

这里可能又有读者提问了,那在编程软件中怎么编写SFC图呢?

编程软件中的SFC图

首先,编程软件中怎么编写SFC图我在和就不详细讲解了,因为那是软件使用的问题,大家感兴趣的可以看对应课程,因为只是操作问题,相信大家看一遍也就会了。我在这里就针对几点重点内容简单讲一下即可。

图19-6所示为SFC的梯形图的示例,其中开头部分为初始化梯形图块,在SFC编程模式下直接独立为一块,因为它的编写跟普通梯形图一样,如下图19-7所示。

图19-7

图19-6中的STL S0 直至RET之间的梯形图,在SFC编程模式下就以SFC块的形式编写,一个状态步为一个SFC块,例如S0状态步中的程序段正如下图19-8所示。

图19-8

转移条件虽然可以是程序段,但其在SFC图中用短横线表示的部分编写基本是单个触点或几个触点的串并联组合,如下图19-9所示,用于驱动转移指令TRAN。

图19-9

显然,在SFC编程模式下,没有用到STL指令和RET指,而且结构清晰明了,各个状态步独立编写,非常有利于我们对顺控程序进行设计和分析。

温馨提示:如果你没有用过编程软件是尝试编写一下,那么这部分的内容,你可能会完全看不懂哟。所以,大家非常有必要装一个软件玩一玩。

步进梯形图中的相关注意事项

(1) 输出驱动的保持性

当状态步内有驱动输出时,一旦状态发生转移,该驱动输出就会随着其状态步的复位而被复位。除非它用SET指令进行保持,在此情况下,即使所处状态已经复位,该驱动输出仍保持为ON。

如下图19-10所示,S20状态向S30状态转移时,Y0被复位为OFF,而Y1保持为ON。

图19-10

(2)双线圈输出的处理

在普通梯形图中,同一输出继电器线圈不能重复使用,但在SFC中却可以,只要该输出继电器线圈处在不同状态步中即可,但不建议使用重复线圈编程。

另外,对定时继电器也可以使用重复编号,但在两个状态步之间的转移时间为一个扫描周期,在该扫描周期内这两个状态步同时处于激活状态。所以,同一编号的定时继电器不能出现在相邻状态步中,如下图19-11所示。

图19-11

(3)输出驱动的互锁

由于在状态转移的一个扫描周期内,两个状态同时处于激活状态,所以对某些不能同时接通的输出驱动,有必要设置互锁环节,如下图19-12所示,两个状态步中的Y1与Y2互锁。

图19-12

(4)状态内指令的应用

对于无触点的驱动输出应先编写,如下图19-13所示,Y0、Y1均无触点驱动,应放在前面先编写。

另外,在每一个STL指令与SET指令之间的程序段,只有首行与左母线相连,对应在SFC编程模式下的每个状态步内,也是只有首行与左母线相连。

图19-13

说到这个首行与左母线相连的问题,我在听课的时候听到这个,就赶紧用编程软件试了一下。你不是说只能首行嘛,那我就偏偏把每一行都与左母线相连,然后发现无法编译,尴尬……

说到步进指令,就不得不提那个非常典型的案例了,就是电动机的顺序启动和逆序停下案例。如有4台电动机,按下启动按钮,按每隔3秒时间顺序启动;按下停止按钮,按每隔4秒时间逆序停止,其梯形图如下图19-14所示。

图19-4

至此,本次关于步进指令与其梯形图的学习分享已结束!

注:本文章内容都是基于三菱FX PLC 2N所写

选自《三菱FX系列PLC顺序控制应用》第二章第5~6课时

(技成培训网原创,作者:杨思慧,未经授权不得转载,违者必究)

PLC顺序控制梯形图的编程方式

顺序控制梯形图的编程方式是指根据系统的顺序功能图设计梯形图的方法

本章主要介绍使用STL指令和起保停电路的编程方式,以转换为中心的编程方式和仿STL指令的编程方式

绘制顺序功能图时的注意事项

1)步与步之间不能直接相连,必须用一个转换条件将它们隔开;

2)转换条件与转换条件之间也不能直接相连,必须用一个步将它们隔开;

3)顺序功能图中的初始步一般对应于系统等待起动的初始状态,这一步可能没有输出,只是做好预备状态;

6.1使用STL指令的编程方式

6.1.1单序列的编程方式

STL指令:步进梯形指令

RET:使STL复位的指令,使LD点返回左侧母线

状态S的使用:

S0-S9用于初始步

S10-S19用于返回原点

S20-S499通用状态

S500-S899有断电保持功能

S900-S999用于报警

注意:用S编制顺序控制程序时,应与步进指令一起使用。使用STL指令

的状态的常开触点称为STL触点,它在梯形图中的符号如下图所示

3PLC只执行活动步对应的电路块,不同的STL触点可以分别驱动同一编程

元件的1个线圈。但是同一元件的线圈不能在可能同时为活动步的STL区内

出现,在有并行序列 的顺序功能图中,应特别注意

4STL触点驱动的电路中不能使用MC和MCR指令

5在中断程序与子程序内,不能使用STL指令

6状态器S编号不能重复使用

7STL触点断开时,与其相连的回路不动作,一个扫描周期后不再执行STL

指令

8 定时器线圈与输出线圈一样,也可在不同的状态时间对同一定时器软件编程,但是,在相邻状态下对同一定时器编程时,则状态转移时定时器线圈不断开,当前值不能复位,因此需要注意在相邻状态不要对同一定时器编程

补充:状态转移图

一个控制过程可以分为若干个阶段,这些阶段称为状态。状态与状态之间由转换条件分隔,相邻的状态具有不同的动作,当相邻两状态之间的转换条件得到满足时,相邻状态就实现转换,即上面的动作结束下面的动作开始,描述这一状态转换过程的图就称为状态转移图

状态器软器件S是构成状态转移图的基本元素,共有1000点

步进梯形图指令的特点

步进梯形指令仅对状态器S有效,但是对于用作一般辅助继电器的状态器S,则不能采用STL指令,而只能采用基本指令。在STL指令后,只能采用SET和RST指令作为状态器S的置位或复位输出。STL与LD指令比较

转移源自自动复位:采用STL指令,当状态器S接通时,顺序控制转移状态器S的相继状态,同时,转移源状态器S自动复位

允许双重输出:由于STL指令具有转移源自动复位功能,因此STL指令允许双重甚至多重输出,

主控功能:使用STL指令,取指令LD移到右边,使用RET指令后,取指令返回到原来的母线上。

6.3.6各种编程方式的比较

1 编程方式的通用性

2 不同编程方式设计的程序长度比较

3 电路结构及其他方面的比较

STL指令的优点

相关问答

plc步进梯形图怎么编写?

编写PLC步进梯形图需要以下步骤:1.明确需要控制的设备或动作,如电机的启动、停止、正、反转等。2.根据设备或动作的控制需要,确定需要使用的输入和输出信号...

三菱PLC控制步进马达的梯形图,PLC型号是FX3U-16MT-ES-A,要求步进马达转一周停掉,具体脉冲数我可以改?

首先你需要知道步进马达是怎么动作的,步进马达都有一个歩距角的,就是驱动器收到一个脉冲马达转动多少度,一般1.8度歩距角的就是200个脉冲(360度/1.8度=200)...

这是一段三菱PLC控制步进电机三段转速的梯形图,谁能告诉我这三段转速是多少啊,怎么算的?急?

你吼,很高兴帮你解决问题,你这样无法帮你计算,因为我不知道你的电机的脉冲细分数,无法计算你吼,很高兴帮你解决问题,你这样无法帮你计算,因为我不知道你的电...

三菱PLC步进电机2段变速梯形图?

思路要清晰,把有变更的数据存放到一个地址里面,改变这个地址的值就可以了,我举例写个简化程序讲解一下。如下图,M100是低速驱动,假设速度是1000存入D2000...思...

三菱FX2NPLC控制步进电机在触摸屏上面设置多少距离就走多少距离控制梯形图实例?

第一:PLC是通过发送脉冲来控制步进电机第二:在控制脉冲输出的指令上有两个参数:脉冲数(控制行走距离),频率(控制行走速度)第三:设置步进的细分数,看下...第...

关于三菱PLC的问题,我有个问题要问一下,步进梯形图里的S0起到关闭的作用,是,如何实现的?

将步进继电器转移到s0,其他继电器关闭,自然就关闭机器了,其实这个停止就是将步进程序的初始步激活,替他步去活,从而达到停机并为下次开机做好准备。将步进继...

三菱步进指令S0与S20不同?不用S0直接用S20的后果?两个问题,...

当状态寄存器作为辅助继电器时,它们没有区别,但当状态寄存器用于步进控制时,它们是有区别的。S0——S9用天于“初始状态”,S10——S19用于“返回原点”,S20——...

三菱PLC-步进指令中加入停止按钮?

在每个步进开始前加一个常闭急停x1,在程序最后加ldx1set第一步急停一半是开关不是按钮,所以在按下去的时候所有步停止不管你在哪一步,并且转到第一步,由于...

西门子S7-200PLC控制三台电动机隔一定时间次序启动,求梯形图...

PLC里的定时器既是电动机启动的条件同时也是顺序转移的满足条件,注意输出Q不要...S7-200梯形图中要实现这个功能的话,首先要串联三个输入继电器作为状态指示,然...

8.0的PLC软件中STL编写步进程序??-ZOL问答

编辑窗口中直接键入:LDM8002SETS0STLS0LDX0SETS20STLS20OUTY0LDX1OUTS0RETEND(梯形图编辑窗口中不需键入END)...

 慧眼识英雄  开胃酒 
王经理: 180-0000-0000(微信同号)
10086@qq.com
北京海淀区西三旗街道国际大厦08A座
©2026  上海羊羽卓进出口贸易有限公司  版权所有.All Rights Reserved.  |  程序由Z-BlogPHP强力驱动
网站首页
电话咨询
微信号

QQ

在线咨询真诚为您提供专业解答服务

热线

188-0000-0000
专属服务热线

微信

二维码扫一扫微信交流
顶部