研选课堂
HOME
研选课堂
正文内容
如何把plc变成可编程plc PLC零基础原理解析,如何让你编写的PLC程序变为可以运行的设备
发布时间 : 2026-02-09
作者 : 小编
访问数量 : 23
扫码分享至微信

PLC零基础原理解析,如何让你编写的PLC程序变为可以运行的设备

相信很多没有项目经验的电工朋友都会有这样的疑惑,我会写程序,可是给我一个具体项目我还是没有头绪,给我一个设备,出了问题我也搞不定!!

其实,出现这个问题的原因就是各种误导!因为PLC不同于计算机软件,PLC编程只是一个自动化项目实施中很小的一部分。PLC必须和各种硬件结合,比如气缸,电磁阀,电机,接近开关,编码器,伺服电机,变频器等等等等。所以,你仅仅学会了几个指令,是没有任何用处的!!!因为学习PLC的目的,是制造出一个可以可靠高效率运行的设备,帮老板赚钱!!! 你弄一破程序运行几个破指令有杰宝用???

从客户端接收钱的娼妓

今天,小编就以点亮灯泡为例,向大家讲解如何让程序变为设备。

一 图纸绘制

绘制图纸,是一个项目的第一步,目前,最流行的绘图软件就是CAE(CAD的电气版),EPLAN。此外,还有很多小众软件,大家可以根据需要选择,推荐EPLAN。

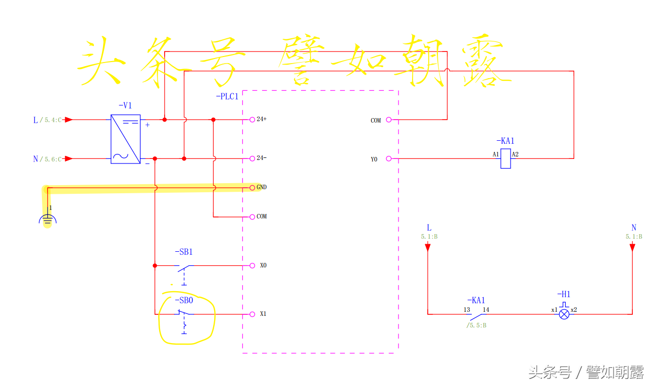
图一

如图一,这就是图纸,有几个需要注意的地方

1,PLC一定要接地,没有为什么

2,停止用常闭点,为了安全

有图纸可以看出,PLC的输入,输出其实就是一些开关,而我们编程的目的,就是让这些开关按照我们设定的逻辑,进行动作,所以,PLC称之为可编程逻辑控制器。

二 接线

这步省略

三 编程

编程,首先就是建立变量,建立变量的目的,就是把实际的开关按钮继电器等和PLC的输入输出点建立关系。

图二

如图二所示,大家可以清楚的看到,开关按钮继电器和PLC的输入输出建立了联系,为了让大家更直观,我直接用元件代号作为变量名称。

图三

如图三所示,这是梯形图

图四

如图四所示,这是ST。

总结: PLC技术是一项软硬结合的硬功夫,需要配合现场设备和各种工艺,不是学会几个指令就行的!这是它和计算机编程最大的区别!!虽然有很多人自称PLC编程工程师或是PLC软件工程师,很多单位也招聘所谓的PLC编程人员,呵呵,这是非常外行的说法!!!单纯的PLC编程并没有什么用!!所以,初学者一定要了解各种外部设备,不要学会了几个指令就沾沾自喜,那没什么杰宝用!!!

手把手教你,如何把电气图变PLC程序图

我们都知道PLC控制是用于工程实际项目的,那么系统设计的水平就会直接影响到整个控制系统、还有设备的运行可靠性!你同意吗?

那么我们如何能够根据不同的控制要求,去设计出一个运行稳定、动作可靠、安全使用、调试方便、维护容易的控制系统呢,这也是我们进行PLC控制设计时需要考虑的问题。

我们先了解一下系统设计,应该遵循的几个原则

PLC控制系统的工程设计,一般可以分为系统规划、硬件设计、软件设计、系统调试、技术文件编制五个基本的步骤。

如下基本的设计原则:

1、首先要实现设备、生产机械、生产工艺的全部动作;

2、设计是满足设备对产品的加工质量以及生产效率的要求;

3、确保系统安全、稳定、可靠的工作;

4、尽可能地简化控制系统的结构,降低生产成本;

5、充分提高自动化强度,减轻劳动力;

6、改善操作性能,方便日后检修。

下面我们就以『三相感应电动机故障警报控制』电路为例,由传统电工图转换为阶梯图的过程,浅谈程序设计,相信大家以后就会对相关回路转换或程序设计有深刻的印象。

01

传统电工图

技成电工课堂

已知的三相感应电动机故障警报控制电路,其传统电工图,如图1所示。

02

动作说明

技成电工课堂

1.电源正常时,仅绿灯gl亮,电动机不动作。

2.按下启动按钮pb1,电磁接触器mc动作,电动机立即运转,指示灯rl亮,绿灯gl熄。

3.按下停止按钮pb2,电磁接触器mc断电,电动机停止运转,指示灯rl熄,绿灯gl亮。

4.电动机在运转中,因过载或其它故障原因,致使积热电驿th-ry动作,电动机停止运转,蜂鸣器bz发出警报,指示灯rl熄,绿灯gl亮。

5.按下按钮开关pb3,蜂鸣器bz停止警报,白灯wl亮,绿灯gl亮,红灯rl熄。

6.故障排除后,按下积热电驿th-ry复归杆,则白灯wl熄,绿灯gl亮,红灯rl熄,可以重新起动电动机。

03

i/o编码

技成电工课堂

使用PLC,就是以软件程序来取代硬件配线。传统电工图当中,主电路是PLC无法取代的;PLC可以取代的部分,是控制电路。由传统电工图转换为阶梯图的第一个步骤,就是i/o编码,亦即将传统电工图中的输入/输出组件,先行确定其在PLC中所拟对应之外部输入/输出端子编号,以及外部输入组件接线方式是采用a/b接点,如表1所示。

(a):外部採a接点方式接线

(b):外部採b接点方式接线

04

PLC外部接线图

技成电工课堂

输入/输出组件经i/o编码,并决定外部输入组件是采用a/b接点接线方式后,PLC外部接线图如图2所示。图中所示为丰炜vigor-vb系列PLC机种,采用npn接线,亦即24v端子与s/s端子并接。

05

PLC阶梯图

技成电工课堂

由传统电工图转换为阶梯图之程序设计步骤如下:

(1)将电工图中控制电路直接转成对应阶梯图。因为PLC阶梯图中规定,接点在前,输出线圈则必须位于回路的最后。故首先须重新绘制电工图,将图中接点与输出线圈位置适度变更,以符合PLC阶梯图的要求,重新绘制后的电工图,如图3所示。

(2)以i/o编码后的组件编号,取代电工图中的输入/输出组件,此处要留意的是,th-ry的c-a接点及c-b接点要独立出来,各自成为一个控制回路,如图4所示。

(3)将图4所示的电工图,向左旋转90°,之后再垂直翻转(upsidedown),即可成为PLC阶梯图,但因:

(1)y1、x0接点,

(2)输出线圈y1和y2,不符合一般编程软件格式,故须适度更正,如图5右方所示。

※若您使用visio来绘制电工图,则向左旋转90°,之后再垂直翻转,就变得很easy。

(4)使用编程软件绘制之阶梯图,如图6所示,与适度翻转并修正后的阶梯图,完全相同。

06

指令

技成电工课堂

将阶梯图转换为指令,则如下所示:

07

PLC转换接线与阶梯图

技成电工课堂

传统电工图完整转换后之PLC外部输入/输出接线与阶梯图。使用软件程序取代硬件配线后之PLC外部输入/输出接线与阶梯图,如下图7所示。

PLC的研发目的在于取代以继电器为主 之顺序控制,即使用软件程序以取代硬件配线 ,因此只要改变其软件程序,即可改变其控制的顺序,而轻易的达成控制上之不同需求。

一般的PLC系以传统继电器控制回路为基础发展而来,并将继电器的接点和线圈予以符号化,当转换成一般的阶梯图或指令之后,即可实现其控制。

但如此所完成的控制回路,是基于电路设计者本身之学习经验,较为主观及直接,一般使用者往往不易理解其动作流程,所以程序的可读性较低。

这也就是为什么学会看会,不如做会的道理。这次的分享已经结束了,希望大家给文章点点赞,转发一下,感谢各位的支持~

如何获取PLC初学者必备的【实用电路600例+400页PPT电气控制与PLC应用技术】 ,请看下图!

新编实用电工电路600例,是由两本电子书组成,一本是“新编实用电工电路400例” ,另外一本是“新编电工实用线路200例”

另附: VIP高清无水印PPT,内容包括:电动机控制电路、机械设备的控制电路、PLC硬件结构、功能表、指令应用 ,400多页详细教程资料!

相关问答

PLC开发流程?

4.I/O配置:将PLC的输入和输出连接到相应的传感器和执行器。这可能涉及布线、连接到输入和输出模块,并确保正确配置。5.调试和测试:完成PLC程序之后,进行...

plc处于什么模式下可以修改程序?

PLC在编程模式下允许修改及编辑程序。在该模式下,PLC不执行程序,可以下载程序和数据,进行设定,配置I/O表等。调试模式是对已经编好的程序进行调试,检查程序...

手机怎么编写plc?

安卓手机是不可以用plc编程软件的,但是我们可以实现手机APP控制PLC,其具体步骤如下:工具/原料:鲲航科技的物联网DTU,西门子PLC一台1、首先我们需要打开Ste...

plc电机直接启动怎么做?

你好,PLC电机直接启动可以通过以下步骤实现:1.确定PLC的输出端口和电机的输入端口。2.编写PLC程序,将输出端口与电机输入端口相连。根据需要设置输出信号...

买了一个plc自己不会编程怎么办?

可以从两个方面考虑第一种;直接找会plc编程的师傅来帮你完成你自己想要的程序。第二种;可以自己学习编程语言。根据自己买的这个PLC的型号,安装对应的编程软...

简易plc怎么编程?

1.编程简易PLC是可以的。2.因为简易PLC相对于复杂的PLC而言,功能较为简单,编程也相对容易上手。它通常具有简单的指令集和易于理解的编程界面,不需要过多的...

plc怎么把db28改成db27?

1.可以通过特定操作将PLC中的DB28改为DB27。2.PLC(可编程逻辑控制器)是一种用于自动化控制的设备,其中的DB(数据块)是用来存储和处理数据的。通过修改DB的...

PLC工程师,说说你们是怎么发展成设计的?

因为目前自动化的发展越来越好,虽然plc仍旧是一个冷门的专业,但是它的应用真的广啊,马路上随处可见的红绿灯都是通过plc控制的,可以说是凡是涉及到控制的地方...

plcedit使用教程?

plcedit安卓版是一款可以随时在手机上进行编程的软件。plcedit安卓版拥有众多基础的编程模板任你免费使用,可以省去很多麻烦。有了plcedit安卓版,打开手机就...

学会了plc,下一步该怎么去深造,以后会更有钱途?

我来说一下我个人的看法,学会了PLC控制这块,如感觉还想再深造,我建议要学自动化控制,因为工业制造业会不断持续的升级,现在已经到了自动化过程控制这一步了...

 郫县一中  柏联集团 
王经理: 180-0000-0000(微信同号)
10086@qq.com
北京海淀区西三旗街道国际大厦08A座
©2026  上海羊羽卓进出口贸易有限公司  版权所有.All Rights Reserved.  |  程序由Z-BlogPHP强力驱动
网站首页
电话咨询
微信号

QQ

在线咨询真诚为您提供专业解答服务

热线

188-0000-0000
专属服务热线

微信

二维码扫一扫微信交流
顶部