直播课堂
HOME
直播课堂
正文内容
plc编程入门知识ppt 如何零基础入门PLC?这份全面详解PPT准能用上
发布时间 : 2026-01-02
作者 : 小编
访问数量 : 23
扫码分享至微信

如何零基础入门PLC?这份全面详解PPT准能用上

今天给大家带来一系列的电气基础知识以及PLC入门基础内容,先一起来看看目录

继电器控制技术

可编程控制器绪论

可编程控制器基础知识

三菱FX—2N可编程控制器

PLC网络及通信

PLC控制系统设计与应用

其他可编程控制器简介

下面我们就一起来看看具体的知识吧!

一、常用低压电器

1、概述

电器的定义:

电器是根据外界信号(机械力、电动力和其它物理量)自动或手动接通和断开电路,实现对电路或非电路对象的切换、控制、保护、检测、变换和调节用的元件或设备。

电器的构成

2、接触器

接触器是一种用于接通和断开(交、直流)负荷电流的电磁式自动切换电器,主要用于控制电动机、电焊机、电容器组等大容量设备,具有低压释放的保护。

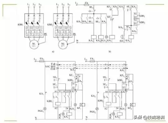
二、基本控制线路继电器控制技术

1、异步电机直接起动控制线路

2、异步电动机正反转控制线路

3、异步电动机降压起动控制线路

三种降压起动方式的优缺点:

(1)、串起动电阻起动的优点 :结构简单、成本低、动作可靠。

缺点:消耗电能。

适用场合:要求起动平稳的中小容量电动机以及起动不频繁的场合

(2)、自耦变压起动的优点 :对电网电流冲击小,功率损耗小。

缺点:价格较贵,体积较大,且是按照非连续工作制设计制造的,不允许频繁操作。

(3)、星三角起动的优点 :定子绕组星型接法时,起动电压为直接采用三角型接法时的1/3,起动电流为1/3,因而起动电流特性好。

缺点:起动转矩也相应下降为三角型接法的1/3,转矩特性差。此线路适合轻载或空载的场合。

4、异步电动机制动控制线路

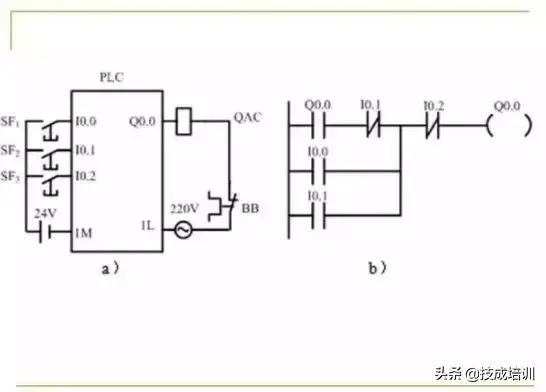
可编程控制器基础知识

一、PLC基本结构

二、PLC基本工作原理

三、PLC编程语言

三菱FX-2N可编程控制器

一、FX-2N简介

二、FX-2N编程软元件

三、FX-2N基本逻辑指令

四、FX-2N定时器及计数器编程

五、FX-2N实例

六、FX-2N步进控制

七、FX-2N应用指令编程

简介:FX-2N系列PLC是 由电源、CPU、存贮器和输入/输出器件组成的单元型可编程控制器,而且AC电流、DC输入型的内装DC24V电源作为传感器的辅助电源。功能强大,可进行逻辑控制、开关量控制、模拟量控制,并进行各种功能运算、传送、变址寻址、移位等。

往期优秀文章回顾:

ABB机器人如何做位置偏移?

新手学PLC要什么基础?80页PPT全面了解PLC控制程序的设计

很多新手的第一问题:学PLC需要什么基础?这个问题问的好,说明大家对学习这件事还是有常识的,基础起到铺垫、承前启后的作用,把这方面搞定了,你会比那些不在乎基础而直接强攻PLC的人要事半功倍的多。

1、学习PLC,首先要有电工的基础, 了解一些低压电器以及控制技术,这是学习PLC的必备基本知识。

2、学习PLC,计算机基础多少要有

PLC要通过编程语言才能操控设备,编程肯定是要用到电脑的,首先就是PLC软件的安装,

之后真正的主场在于用软件编程,电气一行的计算机编程语言有:梯形图语言(LD)、指令表语言(IL)、功能模块图语言(FBD)、顺序功能流程图语言(SFC)、结构化文本语言(ST)。其中梯形图用的比较多,也容易学一些。

所以可以说PLC就是依附于计算机而生的设备,对计算机一窍不通的建议还是多练练一些基本操作,否则会耽误很多时间。

除此之外,想学会PLC,还需要工控数据基础, 这是因为PLC应用中经常涉及到一些计算,比如最简单的进制数计算,虽然现在可以直接用机器来算,但如果不懂十六进制、八进制等之间的转换,那也只是治标不治本。

还有网络基础, PLC越来越倾向于以太网的通信方式进行通信,具备网络意识,对你绝对利大于弊。

接下来这80页PPT,能够帮大家对PLC控制程序的设计有个全面的了解,一起来看看吧!

往期优秀文章回顾:

RS485中的crc效验,你知道多少?「系列15」

相关问答

plc项目如何做成ppt?

先选择一份PPT模板。然后再将PLC项目的具体内容按点写进PPT中即可。先选择一份PPT模板。然后再将PLC项目的具体内容按点写进PPT中即可。

什么叫组态?比如DSC系统和组态。

什么是组态?在使用工控软件中,我们经常提到组态一词,组态英文是“Configuration”,其意义究竟是什么呢?简单的讲,组态就是用应用软件中提供的工具...

哪位盆友求指教:专门PLC编程培训正规培训单位,PLC编程培训...

学模具编程当然是用POWERMILL软件啦,可以去了解下火炬的学校叫名师高徒。中山有家叫名师高徒的,就是专门培训数控啊编程的,你可以在网上搜下地址。,...

数控机床刀架和主轴的电气控制设计?

1>画出其硬件原理图2>画出PLC接线图3>调试系统(这个由我来)4>编写毕业设计论文(1万字以上)10.《和面机的设计》11.设计S195柴油机中“最终传动箱壳体”...

鹰潭现在铜企业还多吗?

1、熟悉office系统(Excel/PPT/Word)办公软件应用;2、具有一定的金融、国贸基础;3、语言能力:需通英文四级以上。听、说、读、写。4、工作认真、细致、严谨...

两个台达的PLC通讯,触摸屏在连接时肯定要连在主PLC上吗-ZOL问答

触摸屏可以直接连到两个PLC然后再界面上通过地址区分不同的设备有用(0)回复...在ppt中怎么样制作礼花绽放动画358浏览7回答我家电脑一打开浏览器就是hao1...

麻烦各位朋友,请解答一下:怀化专业的软件编程学校电话,软...

绘图软件:二维绘图软件AUTOCAD三维软件:SolidWorks或者pro-e或者UG精通一门就OK了文字处理:WordExcelPPT图形处理:Phtoshop计算机编程:C语言,VB等pr...

西门子plcs7400组网,通过rs485或者是dp总线来控制变频器工...

调速完后会给plc一个信号,速度信号看和整定值差多少,如果设备要求匀速的话建议...gif文件肿么在ppt中控制播放,当我点到gif动画页时,gif才开始播放?6191浏览4...

教学设计设计什么.ppt?,PPT设计如何选择?

给你简单说说几个小技巧吧,帮助非常大。这里就列13个小点吧。1.展示大纲内容2.对观众群体进行研究,使得PPT内容符合观众的需求和兴趣3.将你的PPT展...

在座的大佬,有谁知道在线等:老牌的隧道组态编程软件生产安...

[回答]组态是上位机的编程软件,将控制系统用动画的形式做成人机界面,比如常见的楼宇自控或是工厂中的整个流水线,可以通过组态软件做出很直观的动画效果,...

 拟合模型  奥妮克希亚座龙缰绳 
王经理: 180-0000-0000(微信同号)
10086@qq.com
北京海淀区西三旗街道国际大厦08A座
©2026  上海羊羽卓进出口贸易有限公司  版权所有.All Rights Reserved.  |  程序由Z-BlogPHP强力驱动
网站首页
电话咨询
微信号

QQ

在线咨询真诚为您提供专业解答服务

热线

188-0000-0000
专属服务热线

微信

二维码扫一扫微信交流
顶部