课程中心
HOME
课程中心
正文内容
自学plc编程难吗 学PLC编程真的很难?真的很麻烦?其实是没掌握这个方法
发布时间 : 2026-02-04
作者 : 小编
访问数量 : 23
扫码分享至微信

学PLC编程真的很难?真的很麻烦?其实是没掌握这个方法

对于没有编程过PLC程序的小伙伴来说,PLC编程是个麻烦,还是个大麻烦……但是真就这么难吗?真相是没有掌握方法,我们来看这个编程案例,就知道是怎么回事了。

给大家按步骤逐一解答,如果你对这个的程序有疑问,可以在下面留言,小编会解答的哦!

根据下图的三相交流电动机正反转控制的主电路,设计一个PLC控制电动机正停反的控制系统。控制要求如下:

(1)正常情况下,按启动按钮SB1,电机正转,按下反转启动按钮SB2,电机反转。

(2)电机启动后,按下停止按钮SB3并等待5秒钟之后,才可以改变电动机的旋转方向;

(3)如果SB1和SB2同时按下,电动机停止转动,并且不起动,同时报警灯L1亮1秒暗1秒不断闪烁。此时按SB3停止按钮进行复位。

首先我们先确定一下按钮、KM的使用辅助触点情况,这里是正反转的主回路,主回路必须有互锁电路,其他的按钮用常开触点。

下面是PLC的输入输出点表:

根据题意(1)编程:这里根据题意1,只需遍2个自保持电路即可。

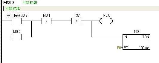
题意2要求按停止按钮5秒后才能改变电机方向,所以这里需设置一个标志位,这里用M0.0。

并且加上程序互锁电路,具体如下:

首先在2个自保持回路中加入互锁电路——网络1的Q0.1常闭点和网络2的Q0.0常闭点。题意2说按下停止按钮后5秒,才能按启动按钮,所以网络3按下I0.2停止按钮后,M0.0得电自保持,计时器T37计时5s后,将M0.0的自保持回路停掉。并且在网络1和网络2中加M0.0的常闭点,使M0.0得电时网络1和网络2即使按了正转按钮或者反转按钮也不会使Q0.0或Q0.1得电。

题意3要求SB1和SB2同时按下,电动机停止转动,并且不起动,同时报警灯L1亮1秒暗1秒不断闪烁。编程如下:

这次增加了网络4/5/6,网络5和6就是利用2个计时器产生一个一秒脉冲的小程序,SM0.0为特殊位,其功能为一直得电。网络4就是利用M0.1将网络1/2/3锁死,也就是说M0.1得电网络1.2.3是不起作用的。其原理与上一小结的M0.0一样。

这个程序小编大约调试了3-4遍,也就是说小编犯了3-4个错误,所以小伙伴们遇见程序错了不要紧,慢慢来一点点调试总能做出来的。小伙伴们,你们说,是么?有疑问的欢迎下方留言哦,我们一起学习、一起进步!

↓↓↓技成PLC课堂领书福利

PLC编程很难学?老电工:看懂这5个例子,再难的编程也是一样道理

PLC编程在现在的电工作业中应用非常广泛,很多复杂的继电器和接触器控制柜都慢慢的被PLC所替代了,因此越来越多的电工师傅都在学习PLC的控制,很多初学者都在问:PLC编程很难吗?应该怎么样编程?具体从哪里入手?其实PLC编程说难也不难,入门很容易,说简单也不简单,想要精通的话,的确很难,今天我们就重点通过2个具体的例子来看一下PLC到底如何编程?编程的过程和步骤到底是怎么样的?

相关问答

PLC编程难学吗?

难学,其实PLC编程说难也不难,入门很容易,说简单也不简单,想要精通的话,的确很难,所以学起来还是有困难的,比较难学。难学,其实PLC编程说难也不难,入门很容易,...

plc编程好学吗?

plc编程好学!其实,PLC很好学,很简单,无非就是常开,常闭,自锁,互锁,定时,计数这几个要素。无论多么复杂的程序,都是这几种要素的组合。但是,我们学...plc编...

plc难度有多大-职业科普-醉学网

[最佳回答]PLC相对于其他编程语言来说并不难学因为PLC是一种图形化编程语言,不需要像其他编程语言那样需要掌握复杂的语法和编程思想。而且PLC的应用范围广泛,...

PLC编程好难啊?

PLC编程的难度因人而异,取决于个人的学习能力和经验。学习PLC编程首先要熟悉PLC原理,了解其基本原理和结构,以及所选择的PLC编程指令及编程软件。其次要学习...

请问PLC编程好学吗?

PLC编程相对而言是比较好学的。1.在工业自动化领域,PLC编程是一项基础技能,对于想要从事工控领域的人来说是必备的技能之一。PLC编程语言与常见的编程语言相...

plc好学吗?

详细分析PLC好学吗?如何学会?有什么方法技巧吗学习PLC可以说是一件有挑战也有成就感的事情,需要有耐心、勤奋和敬业精神。为了学习PLC,你需要具备一定的电气...

学PLC难不难啊?

学习PLC(可编程逻辑控制器)的难易程度因人而异,对于初学者来说,可能会有一定的难度,但是如果有一定的电气控制基础和编程基础,学习起来会相对容易一些。P...

零基础学习编程难吗?

零基础学习编程的,建议先找一门可见既所得的交互图像式编程语言开始,拖拖控件,双击进去补充写几行逻辑就行。比如我学编程开始就是已vb,delphi入门的。当然...

PLC难吗?

对于没有接触过PLC编程的人来说,PLC可能会比较难。PLC编程需要掌握一定的电气知识和编程技能,需要理解PLC的运行原理、编程语言、寄存器、输入输出模块等基础...

UG软件好学吗?

对于三维软件(UG或是PROE或是SOLIDWORKS)来说,学习三维软件需要掌握以下几点:1)熟悉软件的界面以及指令的去所在位置。2)懂得如何熟练运用指令。3)了解...对...

 无卤素  周小棋 
王经理: 180-0000-0000(微信同号)
10086@qq.com
北京海淀区西三旗街道国际大厦08A座
©2026  上海羊羽卓进出口贸易有限公司  版权所有.All Rights Reserved.  |  程序由Z-BlogPHP强力驱动
网站首页
电话咨询
微信号

QQ

在线咨询真诚为您提供专业解答服务

热线

188-0000-0000
专属服务热线

微信

二维码扫一扫微信交流
顶部