课程中心
HOME
课程中心
正文内容
plc编程中的应用 四个经典PLC编程应用,大家都get了吗?
发布时间 : 2026-01-22
作者 : 小编
访问数量 : 23
扫码分享至微信

四个经典PLC编程应用,大家都get了吗?

很多朋友常常在后台问小编:“小编,小编,我们学了那么多PLC的基础知识了,什么时候来点狠货啊”?今天就满足你们的需求,四个PLC实例为你们献上~希望对大家有所帮助!

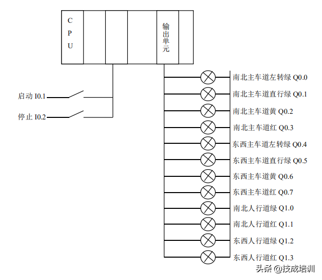
一、 PLC控制实例-交通信号灯

交通信号灯控制PLC配置示意图 交通信号灯系统正常工作时序图 实现主干道信号灯控制的梯形图

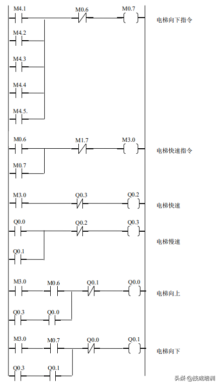
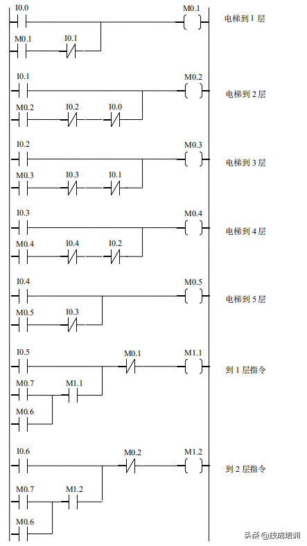
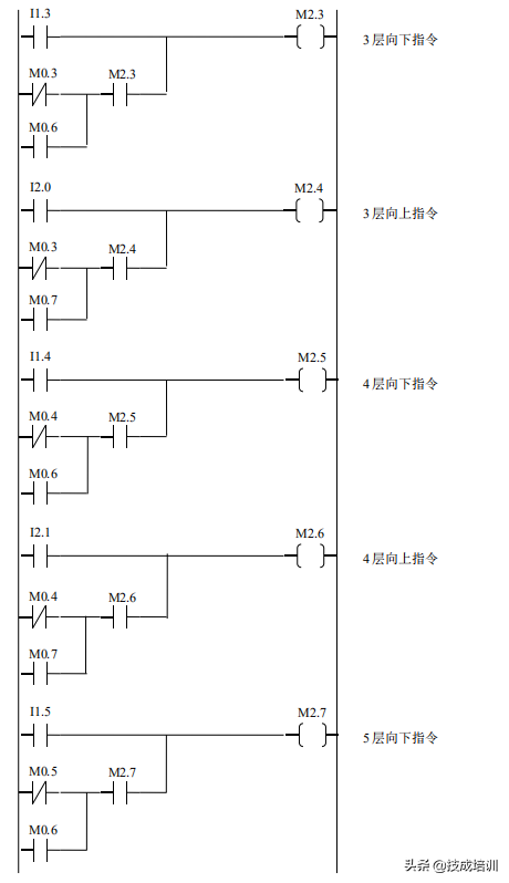
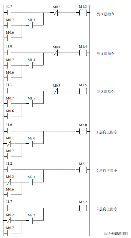
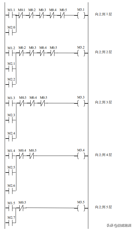
二、 PLC实例-五层电梯控制

五层电梯控制PLC配置图 实现实现五层电梯换向和换速控制的梯形图

三、 PLC实例-星一角降压启动电机控制

星一角降压启动电机控制原理图 电机控制PLC配置图 实现电机控制的梯形图

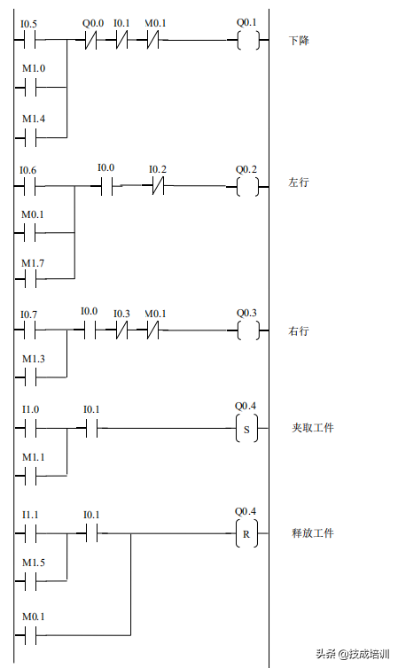
四、 PLC实例-机械手控制PLC配置示意图

机械手控制PLC配置图 机械手控制梯形图

PLC常见的六大应用 你知道几个?

摘要 : 似乎无所不能啊,都来看看PLC在控制系统中都扮演了什么!!! 这是一张典型的PLC控制系统的框图 1、用于开关量控制,PLC控制开关量的能力是很强的。所控制的入出点数,少的十几点、几十点,多的可到几百、几千,甚至几万点,由于它能联网,点数几乎不受限制,不管多少点都能控制,所控制的逻辑问题可以是多种多样的:组合的、时序的、即 ...

似乎无所不能啊,都来看看plc在控制系统中都扮演了什么!!!

这是一张典型的PLC控制系统的框图

1、用于开关量控制

PLC控制开关量的能力是很强的。所控制的入出点数,少的十几点、几十点,多的可到几百、几千,甚至几万点,由于它能联网,点数几乎不受限制,不管多少点都能控制,所控制的逻辑问题可以是多种多样的:组合的、时序的、即时的、延时的、不需计数的、需要计数的、固定顺序的、随机工作的等等,都可进行。

PLC的硬件结构是可变的,软件程序是可编的,用于控制时,非常灵活。必要时可编写多套或多组程序,依需要调用。它很适应于工业现场多工况、多状态变换的需要。

用PLC进行开关量控制实例是很多的,冶金、机械、轻工、化工、纺织等等,几乎所有工业行业都需要用到它。目前,PLC首用的目标,也是别的控制器无法与其比拟的,就是它能方便并可靠地用于开关量的控制。

2、用于模拟量控制

模拟量,如电流、电压、温度、压力等等,它的大小是连续变化的。工业生产,特别是连续型生产过程,常要对这些物理量进行控制。

作为一种工业控制电子装置,PLC若不能对这些量进行控制,那是一大不足,为此各PLC厂家都在这方面进行大量的开发。目前,不仅大型、中型机可以进行模拟量控制,就是小型机,也能进行这样的控制。PLC进行模拟量控制,要配置有模拟量与数字量相互转换的A/D、D/A单元。它也是I/O单元,不过是特殊的I/O单元。

A/D单元是把外电路的模拟量,转换成数字量,然后送入PLC;D/A单元,是把PLC的数字量转换成模拟量,再送给外电路。作为一种特殊的I/O单元,它仍具有I/O电路抗干扰、内外电路隔离、与输入输出继电器(或内部继电器,它也是PLC工作内存的一个区,可读写)交换信息等等特点。

这里的A/D中的A,多为电流,或电压,也有温度。D/A中的A,多为电压,或电流。电压、电流变化范围多为0~5V,0~10V,4~20mA,有的还可处理正负值的。这里的D,小型机多为8位二进制数,中、大型多为12位二进制数。A/D、D/A有单路,也有多路。多路占的输入输出继电器多。有了A/D、D/A单元,余下的处理都是数字量,这对有信息处理能力的PLC并不难。中、大型PLC处理能力更强,不仅可进行数字的加、减、乘、除,还可开方、插值,还可进行浮点运算,有的还有PID指令,可对偏差制量进行比例、微分、积分运算,进而产生相应的输出,计算机能算的它几乎都能算。

这样,用PLC实现模拟量控制是完全可能的。

PLC进行模拟量控制,还有A/D、D/A组合在一起的单元,并可用PID或模糊控制算法实现控制,可得到很高的控制质量。用PLC进行模拟量控制的好处是,在进行模拟量控制的同时,开关量也可控制。这个优点是别的控制器所不具备的,或控制的实现不如PLC方便。当然,若纯为模拟量的系统,用PLC可能在性能价格比上不如用调节器。

3、用于运动控制

实际的物理量,除了开关量、模拟量,还有运动控制。如机床部件的位移,常以数字量表示。运动控制,有效的办法是NC,即数字控制技术。这是50年代诞生于美国的基于计算机的控制技术。当今已很普及,并也很完善。目前,先进国家的金属切削机床,数控化的比率已超过40%~80%,有的甚至更高。PLC也是基于计算机的技术,并日益完善。PLC可接收计数脉冲,频率可高达几k到几十k赫兹,可用多种方式接收这脉冲,还可多路接收。有的PLC还有脉冲输出功能,脉冲频率也可达几十k,有了这两种功能,加上PLC有数据处理及运算能力,若再配备相应的传感器(如旋转编码器)或脉冲伺服装置,则完全可以依NC的原理实现种种控制。高、中档的PLC,还开发有NC单元,或运动单元,可实现点位控制。运动单元还可实现曲线插补,可控制曲线运动。所以,若PLC配置了这种单元,则完全可以用NC的办法,进行数字量的控制。新开发的运动单元,甚至还发行了NC技术的编程语言,为更好地用PLC进行数字控制提供了方便。

4、用于数据采集

随着PLC技术的发展,其数据存储区越来越大。如德维森公司的PLC,其数据存储区(DM区)可达到9999个字。这样庞大的数据存储区,可以存储大量数据。数据采集可以用计数器,累计记录采集到的脉冲数,并定时地转存到DM区中去。数据采集也可用A/D单元,当模拟量转换成数字量后,再定时地转存到DM区中去。PLC还可配置上小型打印机,定期把DM区的数据打出来。

PLC也可与计算机通讯,由计算机把DM区的数据读出,并由计算机再对这些数据作处理。这时,PLC即成为计算机的数据终端。

电力用户曾使用PLC,用以实时记录用户用电情况,以实现不同用电时间、不同计价的收费办法,鼓励用户在用电低谷时多用电,达到合理用电与节约用电的目的。

5、用于信号监控

PLC自检信号很多,内部器件也很多,多数使用者未充分发挥其作用。其实,完全可利用它进行PLC自身工作的监控,或对控制对象进行监控。对一个复杂的控制系统,特别是自动控制系统,监控以至进一步能自诊断是非常必要的,它可减少系统的故障,出了故障也好查找,可提高累计平均无故障运行时间,降低故障修复时间,提高系统的可靠性。

6、用于联网、通讯

PLC联网、通讯能力很强,不断有新的联网的结构推出。

PLC可与个人计算机相连接进行通讯,可用计算机参与编程及对PLC进行控制的管理,使PLC用起来更方便。

为了充分发挥计算机的作用,可实行一台计算机控制与管理多台PLC,多的可达32台。也可一台PLC与两台或更多的计算机通讯,交换信息,以实现多的对PLC控制系统的监控。PLC与PLC也可通讯,可一对一PLC通讯,可几个PLC通讯,可多到几十、几百。

PLC与智能仪表、智能执行装置(如变频器),也可联网通讯,交换数据,相互操作。可联接成远程控制系统,系统范围面可大到10公里或更大。可组成局部网,不仅PLC,而且高档计算机、各种智能装置也都可进网。可用总线网,也可用环形网。网还可套网。网与网还可桥接。联网可把成千上万的PLC、计算机、智能装置组织在一个网中。网间的结点可直接或间接地通讯、交换信息。

联网、通讯,正适应了当今计算机集成制造系统(CIMS)及智能化工厂发展的需要。它可使工业控制从点(Point)、到线((Line)再到面(Aero),使设备级的控制、生产线的控制、工厂管理层的控制连成一个整体,进而可创造更高的效益。这个无限美好的前景,已越来越清楚地展现在我们这一代人的面前。

以上几点应用是着重从质上讲的。从量上讲,PLC有大、有小。所以它的控制范围也可大、可小。小的只控制一个设备,甚至一个部件,一个站点;大的可控制多台设备,一条生产线,以至于整个工厂。可以说工业控制的大小场合,都离不开PLC。

相关问答

plc编程简单的实际应用?

PLC编程是使用频率非常高的工业控制设备,其特有的智能化和自动化的控制十分方便,其中最典型的简单控制电路有以下几种1.用于开关量逻辑控制2.用于闭环过程控...

plc编程语言的发展和应用?

编程需要现在支持的类型越来越多了,方便各种人员编程。编程需要现在支持的类型越来越多了,方便各种人员编程。

PLC加,减,乘,除,指令实际使用有哪些应用?

举例说明:假如PLC用在机床上面,那么最简单的,机床的工件计数就要用到加法指令假如PLC用在检测设备上面,那么就会有三种计数,一种是合格品,一种是不合格品...

我想自学plc,但我感觉plc编程指令也太多了,实际应用的时候那些指令都有用么,我都要学么?

你学它做什么?我也学过一点PLC确实那个的指令好多,但是今后不一定都能用得上的,学一些常用的我感觉就可以了。那东西太杂太乱,反正我是不太喜欢学那东西。...

三菱PLC编程软件有哪些应用?各位前辈!请回答一下

[回答]三菱PLC编程仿真软件GXSimulator:三菱PLC的仿真调试软件,支持三菱所有型号PLC(FX,AnU,QnA和Q系列),模拟外部I/O信号,设定软件状态与数值。三菱PLC编...

三菱PLC编程软件有哪些应用?各位前辈!请回答一下

[回答]三菱PLC编程软件GXSimulator:三菱PLC的调试软件,支持三菱所有型号PLC(FX,AnU,QnA和Q系列),模拟外部I/O信号,设定软件状态与数值。三菱PLC编程软件GX...

plc编程属不属于移动应用开发?

不属于,现在流行的移动应用开发一般是安卓不属于,现在流行的移动应用开发一般是安卓

PLC可编程控制器上面的温度检测接口是什么,怎么应用?恭听详解?

PLC可编程控制器上面的温度检测接口一般为一个模拟量输入接口,当接上不同的检测传感器时都要对其进行相应的参数设置。要参考其使用手册。PLC可编程控制器上...

光机电一体化plc编程?,PLC机电一体化应用哪个最好用??

[回答]LGJD-01型光机电一体化实训装置由由铝合金导轨式实训台、典型的机电一体化设备的机械部件、PLC模块、变频器模块、按钮模块、电源模块、模拟生产设...

各位同志我想了解!光机电一体化plc编程?,PLC机电一体化应用...

[回答]光机电一体化是一门新技术光机电一体化是一个总的技术指导思想,它不仅体现在一些机电一体化的单机产品之中,而且贯穿于工程系统设计之中。从简单的...

 人立方读心机器人  兰芝睡眠面膜 
王经理: 180-0000-0000(微信同号)
10086@qq.com
北京海淀区西三旗街道国际大厦08A座
©2026  上海羊羽卓进出口贸易有限公司  版权所有.All Rights Reserved.  |  程序由Z-BlogPHP强力驱动
网站首页
电话咨询
微信号

QQ

在线咨询真诚为您提供专业解答服务

热线

188-0000-0000
专属服务热线

微信

二维码扫一扫微信交流
顶部