plc编程k1 用PLC控制电机正反转的几种程序编法

小编 76 0

用PLC控制电机正反转的几种程序编法

第一种常规写法:

解释:正转按钮X0;正转停止按钮X2;电机正转继电器Y0;

反转按钮X1;反转停止按钮X3;电机反转继电器Y1。

第二种使用SET/RST指令编写

第三种使用PLS指令编写

第三四种MOV指令编写

解释一下K1Y0,K1Y0意思是占用了Y3、Y2、Y1、Y0四个点,想用哪个点只要给这个点传送数据就会置1。

喜欢的朋友们请点关注哦!本头条号会定期发布一些关于PLC编程的结构方式方法。

单按钮启停电机的PLC控制程序

本文主要通过三相异步电机单按钮启停的PLC控制程序来熟悉三菱和西门子博途编程。

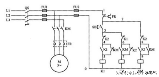
1、三相电机单按钮启停的控制电路原理图

控制原理说明:

在上图的控制原理图中,当按下控制按钮SB,中间继电器K1线圈得电,3号线与6号线间的中间继电器K1的动断触点首先断开切断中间继电器K2的线圈回路电源,然后4号线与5号线之间的K1的动合触点闭合自锁,8号线与9号线间的K1的动合触点闭合,接通主接触器KM的线圈电源,KM动合触点闭合自锁,电机运转,同时,4号线和5号线间的KM动断触点断开,6号线与7号线之间的KM动合触点闭合,为下一次按下控制按钮接通中间继电器K2做准备。

当松开控制按钮SB,中间继电器K1线圈失电,K1的动合触点和动断触点复位。

当再次按下SB时,中间继电器K2线圈得电,其在2号线和8号线之间及3号线与4号线间的动断触点断开,接触器KM线圈断电,电机停止。通知接触器KM的动断触点和动合触点复位,为下一次启动电机做准备。

PLC编程讲解:

通过上面对控制原理的说明,用PLC控制电机的启停,即按一次按钮电机运转,再按一次按钮电机停止。

首先我们用到的变量:

输入:I0.0/X0 控制按钮SB

I0.1/X1 热继电器FR

输出:Q0.0/Y0 接触器

PLC的接线图如下图所示:

下面开始编程:

1、三菱程序;

当按下SB后X0得到上升沿,M0为1,同时开始计数C0,Y0置为1,接触器线圈得电,电机运转。

当再次按下SB后,C0计数为2,C0输出1,Y0被置为0,接触器线圈断电,电机停止。

2、博途编程

相关问答

三菱PLC编程MOVK2K1Y000表示什么意思?

K1Y000表示Y000~Y003(4个),如果是K2Y000则表示Y000~Y007(8个)以此类推。指令意思:k2变成0010然后放入Y003~Y000,即Y003=Y002=Y000=0,Y0...

plc当中MOVD1K1Y000这条指令什么意思?

K1Y000表示Y000~Y003(4个),如果是K2Y000则表示Y000~Y007(8个)以此类推。指令意思:k2变成0010然后放入Y003~Y000,即Y003=Y002=Y000=0,Y00...

plc中MOVH8k1y1是什么意思?

H8:16进制常数,转成二进制就是1000K1Y1:组合元件用法,K1代表4位元件组合,Y1代表首地址,就是Y1,Y2,Y3,Y4组合成一个存储区域。MOVH8K1Y1就是Y4=1......

在三菱plc中传送指令movk1x0k1y0中的k1是什么意思?换成K5呢?

K1X0分解为可以这样说X0X1X2X3K5X0就是有5组X0~X194位一组希望你能明白K1X0分解为可以这样说X0X1X2X3K5X0就是有5组X0~X194位一组希望你能明白

plc中T0K0K1H6DBK1这是什么意思?

TOK0K1H6DBK1:把H6DB这个数据编号为K0的特殊模块的第1个特殊寄存器里面FROMK0K6D0K1,:把K0的特殊模块的第6个特殊寄存器里面的数据写入到D0寄存器开始的一个数...

plc中fromk0k6d301k1是什么意思?求哪位高手给予详细的解答。谢谢了?

读取第一个扩展模块的第6个BFM区内容到D301寄存器中。K0第一个扩展模块,第二个就是K1,然后依次排列。K6BFM的编号D301目标地址的首地址K1读取的字长度为1...

三菱plck1写入d0有什么作用,写入到D0具体意思是什么,小白刚学plc?

TOPK1K17K5000K1把它看做5个部分。第一部分:TOP是指令关键字,TO是写入的意思,与之对应的还有FROM指令,FROM和TO是用于三菱FX的PLC的特殊扩展模块,不用于IO...

三菱plc指令movk3k1m112怎么理解?

MOV是数据传送指令。K1M112是软元件组,由起始位置为M112的4个连续中间继电器组成。MOVK3K1M112表示将十进制常数3存入起始位置为M112的软元件组中。MOV是数据...

三菱PLC中一个程序【DMOVK0K4M8000】代表什么意思,谢谢D是代表32位的,我想问是不是把K0和K1?

这是送数指令,把M8000-M8015全部置零,也就是复位。这是送数指令,把M8000-M8015全部置零,也就是复位。

三菱PLC,TO,HO,KO,H0,K1是什么意思?

这个地址是有问题的吧,从指令上看是把D0开始连续32个字传送至D1开始的连续32个字。也就是把D0到D31的内容传送到D1-D32。这个地址是有问题的吧,从指令上看是...