课程中心
HOME
课程中心
正文内容
plc皮带输送编程案例 西门子PLC程序实例讲解,多皮带传送系统的逻辑控制!
发布时间 : 2026-01-23
作者 : 小编
访问数量 : 23
扫码分享至微信

西门子PLC程序实例讲解,多皮带传送系统的逻辑控制!

今天和大家学习一下西门子S7-300程序。

如图所示是一个四级传送带系统示意图。整个系统有四台电动机M1、M2、M3、M4,落料漏斗Y0由一 阀控制。控制要求如下:

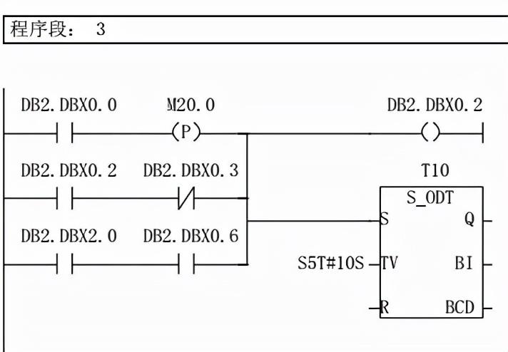
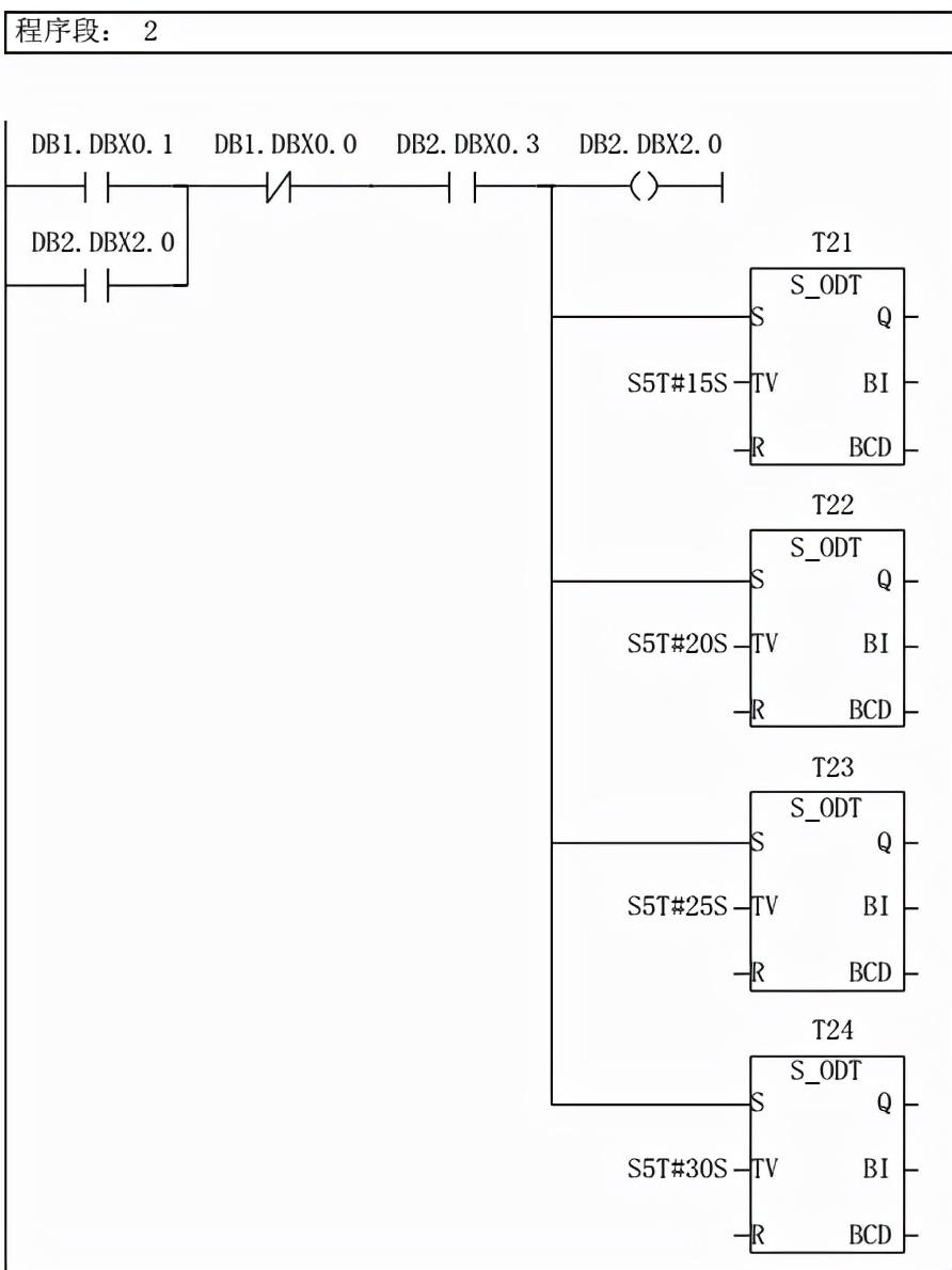
<1>落料漏斗启动后,传送带M1应马上启动,经6s后须启动传送带M2。

<2>传送带M2启动后5S后应启动传送带M3

<3>传送带M3启动后4s后应启动传送带M4

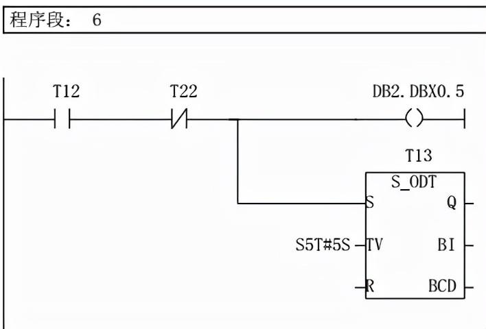
<4>落料停止后,应根据所需传送时间的差别,分别隔6S、5s、4s、3s将四台电动机停车。

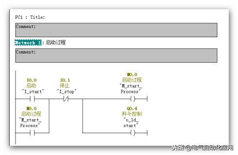
<5>其中I0.0为启动按钮,I0.1为停止按钮。Q0.4控制落料,Q0.0~Q0.3分别控制4台电动机。

【编程实例一】:

编程思想:用启动和停止过程共同来控制电机的启停。

S7-400PLC与Wincc组态做的皮带控制案例

备注:学习使用的案例分享,并不是项目!!!供大家一起学习探讨而已。

编程题目:有4条皮带,编号为1号到4号。

1、手动和自动模式切换从上位机按钮进行切换,并显示当前的操作模式。

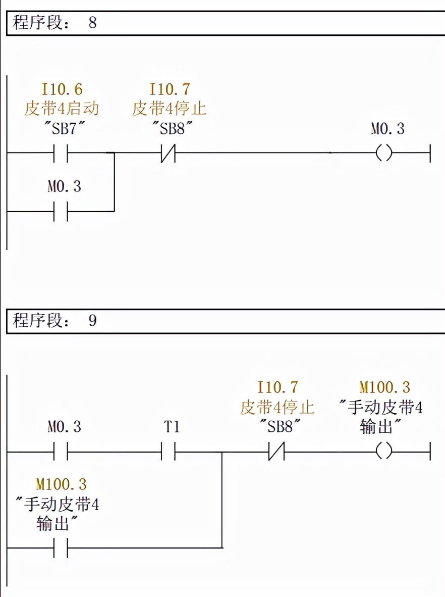
2、手动模式时:每条皮带独立启停,启停前首先响铃(响铃4个皮带公用1个信号)10s,响铃结束后该皮带进入运行或停止状态。

3、自动模式时,从上位机画面上点击联锁启动按钮或联锁停止按钮。按照逆启顺停的方式依次启动或停止(如:启动时,先启动4号,最后自动1号。停止时,先停止1号,最后停止4号),每个皮带启动和停止时均间隔5s,最先启动或停止的皮带均需要响铃10s(上位机需要显示每条皮带当前的运行状态)。

1.IO分配表

IO分配表

输入

输出

序号

元件符号

功能说明

PLC地址

元件符号

功能说明

PLC地址

1

SB1按钮

皮带1启动

I10.0

KM1

皮带1

Q10.0

2

SB2按钮

皮带1停止

I10.1

KM2

皮带2

Q10.1

3

SB3按钮

皮带2启动

I10.2

KM3

皮带3

Q10.2

4

SB4按钮

皮带2停止

I10.3

KM4

皮带4

Q10.3

5

SB5按钮

皮带3启动

I10.4

KH

响铃

Q10.4

6

SB6按钮

皮带3停止

I10.5

7

SB7按钮

皮带4启动

I10.6

8

SB8按钮

皮带4停止

I10.7

9

SA转换开关

手/自动模式切换

I11.0

2.硬件组态

西门子PLC硬件组态硬件环境配置清单

序号

名称

型号

版本号

其他

位置

1

机架

6ES7-400-1JA01-0AA0

UR2

主机架

2

电源模块

6ES7-407-OKA01-0AA0

PS407

3

CPU

6ES7-414-2XG03-0AB0

3.1.3

CPU

4

通讯模块

6ES7-443-1EX11-0XE0

2.6

MAC:08-00-06-95-41-03

从机架

5

通讯模块

IM153-1AA03-0XB0

ET200M MPI:3

I/O模块

6ES7-331-7KF02-0AB0

模块跳线:C、C、D、D

6ES7-332-5HD01-0AB0

6ES7-321-1BH02-0AA0

6ES7-322-1BH01-0AA0

3.项目组态

根据硬件组态信息做出如下图所示的硬件配置,配置过程就不再细讲,配置完成如下所示:

4.程序

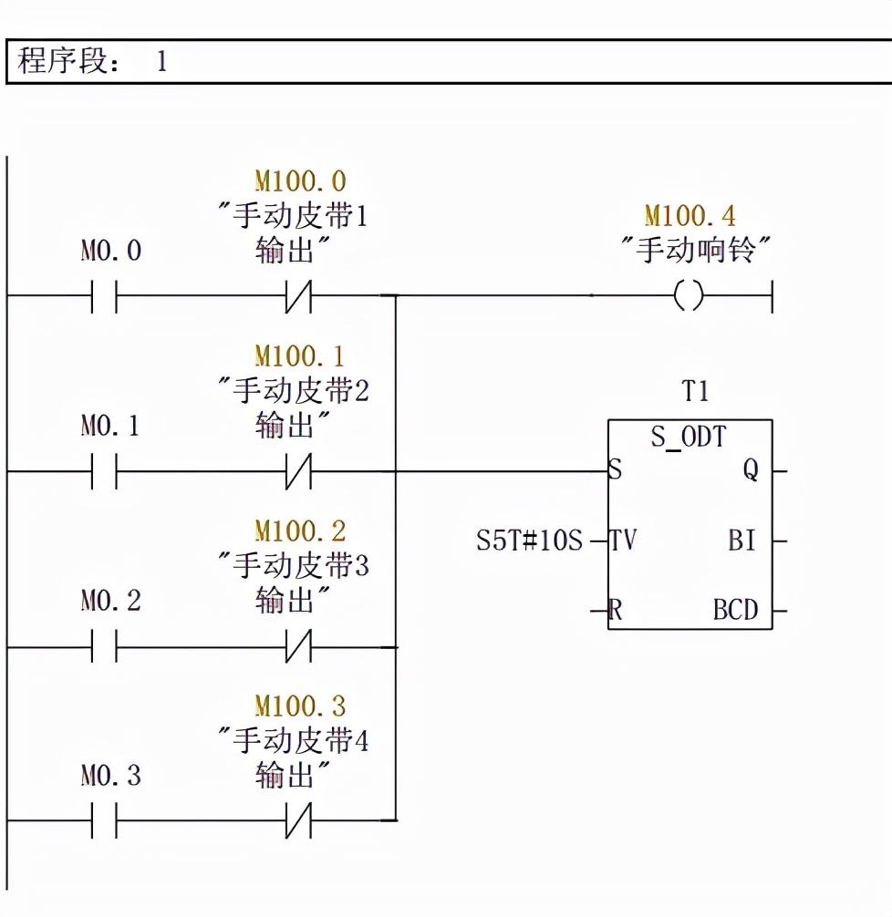
在新建程序中为了方便调试等,FC1为手动,FC2为自动,FC3为输出公用部分。

OB1调用子程序:

手动FC1子程序

手动响铃 手动皮带1控制程序 手动皮带2控制程序 手动皮带3控制程序 手动皮带4控制程序

自动FC2子程序

连锁启动

连锁停止

响铃

皮带1

皮带2

皮带3

皮带4

公用FC3子程序

5.Wincc组态画面

根据题目要求在Wincc组态画面中进行画面设置及变量如下图:

注意事项:

链接变量需要设置正确连接参数,如图所示:

2.系统参数设置正确,因本案例是使用仿真,所以选择的是PLCSIM.TCP/IP.1,如图所示:

3.判断是否连接正确,点击工具栏中的“工具”,找到“驱动程序连接到状态”进行查看,如下图所示:

相关问答

怎么给plc加皮带保护?

给PLC加皮带保护涉及到为设备的传动系统添加保护措施,以防止皮带断裂、损坏或卡住等问题。以下是一些建议,帮助您为PLC添加皮带保护:1.分析传动系统:首...

用S7-200PLC和一台电脑检测装置怎么写10组物料分拣PLC程序,...

视觉系统检测成功后,与PLC进行485通信,然后在相应工位PLC控制电磁阀。至于工位检测,可以像前面说的,用编码器,高速计数器等等。个人觉得,用视觉检测并区分物体...

怎么把PLC上的程序复制到我的电脑上-ZOL问答

个人觉得,用视觉检测并区分物体后,将信号传递给PLC,在条皮带上装一个旋转编码器,开始计数,根据检测的编码器数值,可知道货物运行到相应的工位,启动相应的气缸...

plc学出来能从事铁路工作吗?

本人接触过西门子PLC200,入门一个月左右,可以对厂区皮带线编程,应付一般功能。天车的复杂些,但是需要对继电控制有较强的试图能力和逻辑思维。PLC300,400的...

自动配料线的工作流程有哪些?

[回答]在自动配料生产工艺过程中,将主料与辅料按一定比例配合,由电子皮带秤完成对皮带输送机输送的物料进行计量。自动配料系统的恒流量控制采用PID调节,...

【英语翻译chestcircumference(1"belowarmhole)53bottomopen...

[回答]chestcircumference(1"belowarmhole)53bottomopeningcircumference51bottomhemtopstitchw...

不锈钢网链输送机报价耐高温网链输送带原理白钢丝输送网链

[回答]广州的李经理咨询耐高温的(网带输送机),输送带是由金属钢丝编织的,输送带隔一段穿一个串杆,串杆连接链条外面用开口销固定。链条式网带的总宽度是1...

防爆PLC控制箱主要用途是什么?怎样看是正规厂家的?

PLC控制箱主要用于煤矿井下的排水自动化控制、皮带运输自动化控制、煤矿供电等危险环境。采用PLC可编程控制器作为核心设备,具有较强的适用性、可扩展性、高可靠...

请问一下流水线的传送皮带一走一停的是怎么回事呀?开机需要十多分钟才能运行是什么故障呀?急?

感应器可以是普通的机械式行程开关,也可以是光电对射式开关,设断路信号或闭路信号都可以,PLC控制方便些,指令电机刹车既可。看传送带负载,轻载基本可以实现...

物流皮带输送线用来把箱子推到另外一条输送线实现物料换线的...

[回答]输送什么东西?说清楚一点!如果没有什么要求就一个电机两个轴承,一根输送带!一般要定位检测就用到传感器或者PLC活性炭空气净化器安装方便,可根据客...

 中兴v967s怎么样  831事件 
王经理: 180-0000-0000(微信同号)
10086@qq.com
北京海淀区西三旗街道国际大厦08A座
©2026  上海羊羽卓进出口贸易有限公司  版权所有.All Rights Reserved.  |  程序由Z-BlogPHP强力驱动
网站首页
电话咨询
微信号

QQ

在线咨询真诚为您提供专业解答服务

热线

188-0000-0000
专属服务热线

微信

二维码扫一扫微信交流
顶部