简单plc编程实例报告 30个PLC编程实例,老电工带你由浅入深,由易到难,一步步学习PLC

小编 78 0

30个PLC编程实例,老电工带你由浅入深,由易到难,一步步学习PLC

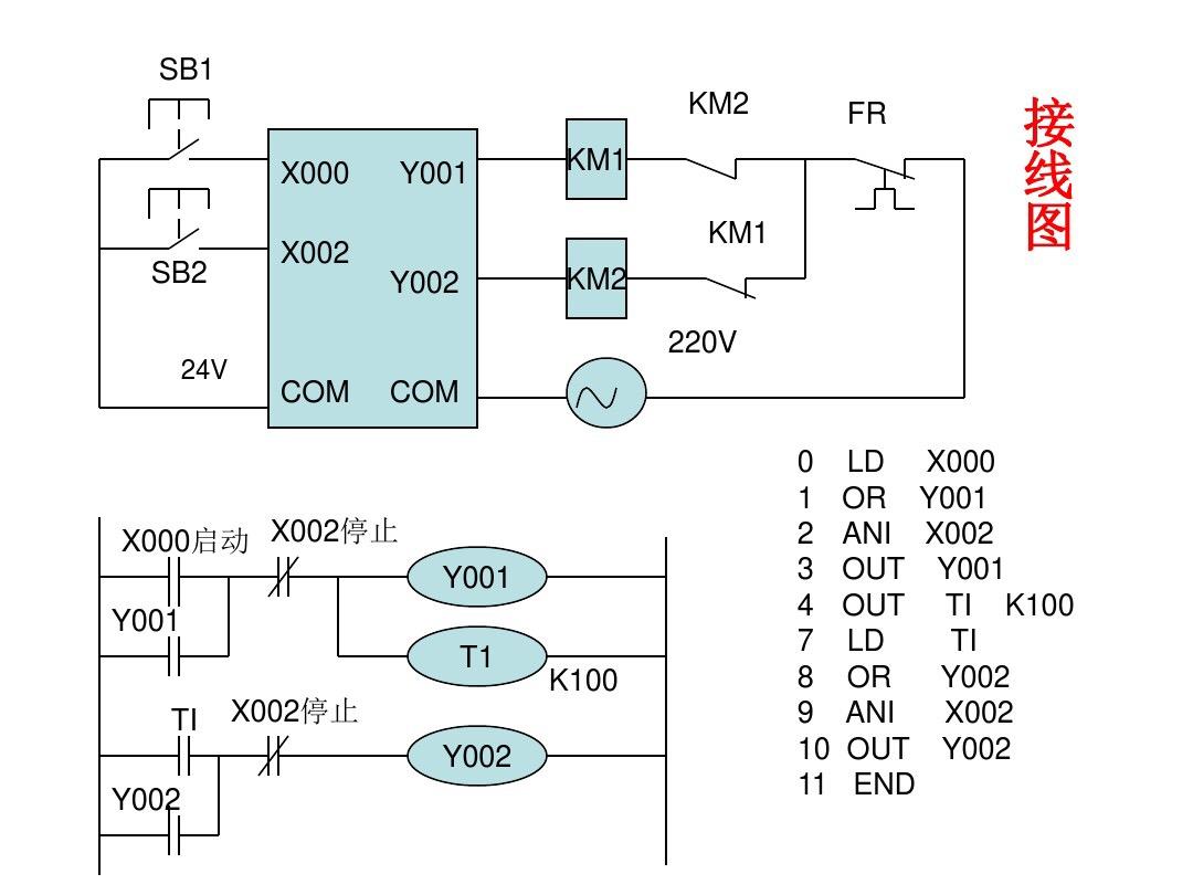
PLC在学习的过程中,除了需要掌握必备的基础理论知识以外,更需要亲身设计电路来实践,刚开始学习PLC编程的时候,可以先从小的电路小的程序入手,由浅入深,先易后难的进行学习,今天我们就重点来看看具体的基础的PLC编程实例:

PLC快速入门:6个PLC编程实例,学会了可以让你由入门变精通!

PLC是使用很广泛的自动化控制设备,在使用PLC之前,我们需要根据现场的工况要求来对PLC进行编程,理论上任何复杂的继电器和交流接触器的控制电路,都可以用PLC来实现,今天我们就通过6个具体的编程实例来看看PLC到底是如何进行编程的:

相关问答

plc485通讯编程实例?

您好,以下是PLC485通讯编程实例:1.确定PLC通讯口:首先需要确定使用的PLC通讯口,例如COM1口。2.定义串口参数:定义串口参数,包括波特率、数据位、停止...

恒压供水plc编程实例?

恒压供水系统是一种能够保持供水管网中压力稳定的系统,它通过调节水泵的流量来保持管网压力不变。下面是一个基于PLC编程的恒压供水实例程序:1.初始化在程...

步进电机驱动plc编程实例?

回答如下:以下是一个步进电机驱动PLC编程实例:1.设定步进电机控制状态:将PLC的输出端口与步进电机的输入端口连接,设定步进电机的控制状态(正转、反转、停...

汇川plc模拟量编程实例?

以下是一个汇川PLC模拟量编程的示例:假设我们要实现一个简单的温度控制系统,通过模拟量输入读取温度信号,并通过模拟量输出控制加热器的工作。1.配置硬件:...

欧姆龙plc485通讯编程实例?

您好,以下是PLC485通讯编程实例:1.确定PLC通讯口:首先需要确定使用的PLC通讯口,例如COM1口。2.定义串口参数:定义串口参数,包括波特率、数据位、停止...

西门子1200plc编码器编程实例?

西门子1200PLC的编码器可以通过编程实现各种控制功能。以下是一个简单的实例,用于控制一个温度传感器并将其转换为数字信号,以便在PLC中进行计数和计算:1.创...

plc与变频器485通讯编程实例?

PLC与变频器485通讯编程实例以FX2N-32MT-001与FX2N-485-BD的通讯为例:了解PLC和变频器的参数。PLC采用FX2N-32MT-001型号,变频器采用FX2N-485-BD型...

三菱编码器编程实例?

以下是三菱编码器编程的简单实例:首先,将编码器接入PLC的高速计数器输入端口,然后在编程软件中设置高速计数器模块和相关参数。接着,使用LADDER语言编写程...

三菱plc自动分拣编程实例详解?

关于这个问题,三菱PLC自动分拣编程实例是一种自动化物流系统,可以通过编程控制PLC来实现对物品的自动分拣。以下是一个详细的编程实例:1.系统介绍该系统是...

西门子plc测速编程实例?

以下是西门子PLC测速编程的一个简单实例:假设有一个通过PLC控制的电机,需要对其进行转速测量并控制其转速,可以采用下列步骤进行编程:1.定义变量:定义一...