直播课堂
HOME
直播课堂
正文内容
plc编程中kt作用 SFC编程在TOYOPUC中应用的实例详解
发布时间 : 2026-01-02
作者 : 小编
访问数量 : 23
扫码分享至微信

SFC编程在TOYOPUC中应用的实例详解

一、SFC编程用语

SFC(Sequencial Function Chart)是通过使用多种图表对象,对生产过程中一系列工程简单地表现出来,类似流程图。历来LD、ST等编程方式不容易分析和判断“设备的各个部件的动作进展状况”,流程图是一种使动作进度成为可视化的工具。但传统的SFC编程思路和架构一般不考虑:自动运转中出现故障重启的处理方式、在主SFC进程中调用子SFC(类似功能块,数量允许的情况下在主SFC进程中随处可以调用同一子SFC)、稍微复杂的SFC程序里如何考虑步骤的重复转移(类似跳转功能)。本文以TOYOPUC(丰田工机)的PC10G系列PLC的实际案例介绍下如何考虑这三个方向。TOYOPUC主要的SFC用语如下图:

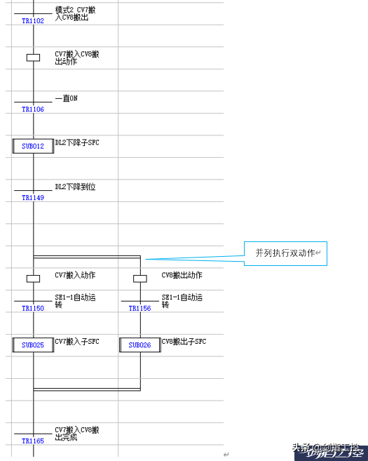
重点我们说下:子SFC(子过程)、并列、激活状态/非激活状态。 一台设备有多个机械部件组成,例如汽车生产线上的升降机有:升降电机(简称DL)(有上升、下降动作)、输送的滚筒线(简称CV)、阻挡器机构((简称ST)、升降机的定位锁气缸(简称TU)。在一个SFC流程内,不同分支执行中会有相同的动作。例如DL上升动作,在分支1执行过程中有DL先上升到位(命名为“步11”)后执行CV运转等,在分支3执行过程中也有DL先上升到位(命名为“步21”)后执行CV运转等;把DL上升动作做成一个子SFC,子SFC在同一个过程中是可以重复使用的,在不同分支执行顺序中都可以执行 “DL上升子SFC”,这样用一个“DL上升子SFC”就可以代替原来的“步11”、“步21”、、、。熟练把某些动作流程打包成一个子SFC,可以使SFC整体程序更加简洁。并列有并列分支和并列汇合,平行分支线是用2根横线来表示。如下图,并列分支前的步骤1激活时,如果转换条件1成立,则向步骤2和步骤3同时过渡(即步骤2和步骤3同时进行处理)。需要注意的是并列汇合时,如果步骤2激活,步骤3没有激活,即使转换条件2成立也不会向步骤4过渡。并列汇合要求上一步骤要全部激活时,并列汇合的转换条件成立,才能向下一步骤过渡。在实际调试中发现转换条件已成立了,SFC不能继续往下执行,可能需要关注这个问题点。

激活状态: 可以执行动作的状态;非激活状态: 不可以执行动作的状态。在SFC中,步骤是一种执行单位,某一步骤成为非激活状态时动作也随即全部同时结束。在编程软件监控SFC程序或触摸屏监视SFC程序时,不同状态有不同的颜色指示,如下图。

二 、TOYOPUC的SFC编程软件和注意点

PC10G是TOYOPUC中大型PLC,使用PCwin编程软件。PCwin可以建立子程序、导入FB库、建立SFC动作流程、导入IO图纸、多语言切换等功能。

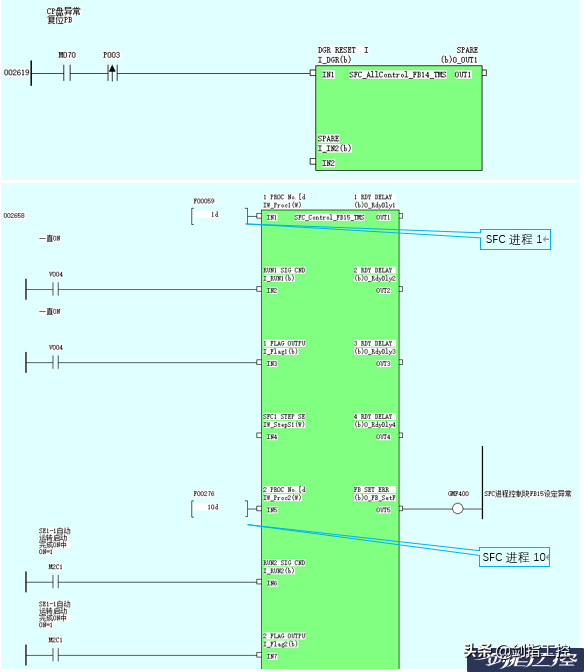
SFC程序是以步骤为单位进行执行,软件上要能做到进行到某一步骤时,由于报警等突然退出自动运转。恢复自动运转后,SFC程序能继续执行之前中断的步骤。PCwin在SFC编程上,需要用的2个FB块,FB14和FB15,这2个块是一定要使用的。如下图,FB14是用于PLC上电第1扫描ON时,将SFC输出信号领域全部清零;

FB15是用于控制哪个SFC进程可以运行。如下图,PLC运行时,SFC进程1是一直在运行。当M2C1=1时,SFC进程10才能运行,而进程10不运行时FB也会将对应的SFC输出领域全部清零。

三、TOYOPUC的SFC编程实际案例基本介绍

以汽车厂总装车间的座椅输送线为例,我们介绍下实际应用案例(座椅输送线简称SE)。座椅生产厂家用卡车将座椅运到总装车间的SE设备入口,SE设备负责接收卡车上的座椅(一卡车一般是20套座椅),然后将座椅输送到车间的汽车座椅安装工位。汽车厂的大部分输送系统都在循环输送某类工件,我们先了解下SE循环输送工件:座椅托盘,如下图。

我们以SE设备中的一台升降机(编号DL2)来详细介绍SFC编程的思路。如下图是DL2的平面布局,DL2双侧带CV滚筒输送机。DL2在下降位(地面)时CV7搬入CV6里带座椅的托盘,CV8搬出空托盘至CV24内;DL2在上升位(二楼平台)时CV7搬出带座椅的托盘至CV9内,CV8搬入CV23里的空托盘;TU06和TU07的作用是DL2在上升位时,机械气缸锁定住DL2,防止DL2抱闸等故障突然下坠。

下图是现场照片

先以初始状态、单动作模式来分析下DL2的主要动作模式:托盘从CV7搬出至CV9(简称CV7搬出)、托盘从CV6搬出至CV7(简称CV7搬入)、托盘从CV8搬出至CV24(简称CV8搬出)、托盘从CV23搬出至CV8(简称CV8搬入);

DL2上升/下降、ST打开/关闭等都是准备/收尾步骤,最主要的步骤是运转电机进行搬入/搬出。我们以主要步骤来定义6种动作模式

四、升降机DL2的SFC编程

通过以上的基本介绍,6种动作模式是有重复的步骤。例如模式1,要执行DL2上升步骤;模式3,要执行DL2上升步骤;根据动作分析,建立6个子SFC:

这6个子SFC,在DL2的SFC进程中,可以认为就是一个基本单元:步骤。根据6种动作模式的准备步骤,在DL2的SFC的初始步往下的流程定义了4个主要选择分支:

主分支1的流程如下图,转换条件TR1135满足后,又回到DL2初始步。

主分支2的流程如下图,转换条件TR1165满足后,又回到DL2初始步。

主分支3的流程如下图。

主分支4的流程如下图。

五、执行SFC程序中突然退出自动运转,恢复自动运转后,如何回到之前的步骤

以主要分支3为例,SFC执行到SUB021(CV7搬出子SFC)时,由于报警等原因,DL2退出自动运转。

恢复自动运转后,DL2的SFC程序入口是从DL2的初始步ST1100进入。

方式1是以主要动作步骤来定义4个记忆,如下图

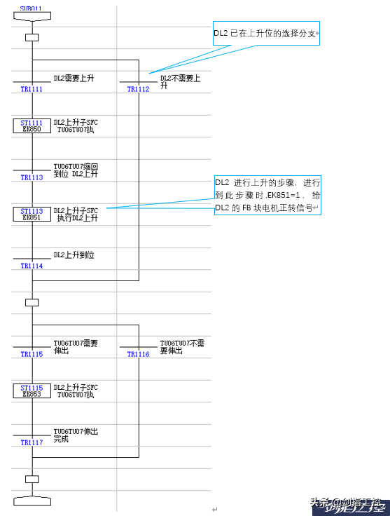
K型数据地址是断电保持型,SUB021(CV7搬出子SFC)开始执行时K112(CV7搬出中记忆)置位=1;除人为复位外,只有SUB021执行完成后K112才会复位=0;通过K112的记忆,去构造相关条件,就可以实现恢复自动运转后,DL2的SFC程序要恢复到SUB021这个步骤的相关转换条件可以满足。 方式2是在要相关的动作步骤增加判断,如已经完成这个动作就可以跳转到下个步骤。以DL2上升子SFC(SUB011)为例,如下图:

六、相关总结

SFC程序注重流程可视化,配合丰田工机的触摸屏,可以快速监视SFC程序的当前状态,并且可以通过点击切换到转换条件内部程序,快速确认设备故障、不动作原因;SFC程序框架并不复杂,首先要清晰的分析出设备的动作流程。根据主要动作来确定动作模式,根据不同动作模式的步骤确定重复步骤,进行打包成子SFC,在不同动作模式下调用子SFC。以模块式思路来搭建SFC程序框架后,进行SFC程序修改、优化是比较简单的。例如动作模式3 仅CV7搬出完成后(TR1182转换条件满足),原SFC程序是转移到初始步,如此时没有动作需求,DL2升降机是停在二楼平台。在该工况下DL2升降机左右2侧都是空席,业主的需求是希望此时DL2应该下降到地面等待CV7搬入,这样对座椅上件的节拍有利。增加DL2下降动作很简单,在TR1182转换条件下一步进入SUB012(DL2下降子SFC),下降到位后再转移到初始步。按照这个想法来修改忽略了一个情况,如果CV7搬出完成后,CV7搬入条件还未满足,而CV8具备搬入可条件,此时DL2是没必要执行下降动作,再上升到二楼平台执行CV8搬入。应该在TR1182后增加一个虚拟步来判断应该是直接下降到位,还是直接进行CV8搬入动作。其SFC的修改增加1个虚拟步,增加3个转换条件和1个转移目标。在LD程序中就是增加3行转换条件的程序内容。

七、

JTEKT(捷太格特)是日本丰田和光洋等公司合作创办的企业,主要生产汽车轴承、转向系统、机床等。TOYOPUC(国内简称丰田工机)是JTEKT的机电一体化的控制器系列品牌(官方网址:https://toyoda.jtekt.co.jp/c/products/mecha.html)。有TOYOPUC小型、中型、大型、安全PLC、远程模块、通信模块、触摸屏、运动控制器等产品。相关通信协议有FL-远程、FL-net、以太网等。国内基本只有一汽丰田和广汽丰田的工厂在使用TOYOPUC控制器产品,而且由于价格较昂贵,对比其他日本品牌如三菱、欧姆龙等,没那么让大家熟悉。可能大家刚开始接触TOYOPUC PLC时,会感觉不太习惯,但慢慢的会发现其产品的使用理念和丰田公司精细化管理的理念很相似。特别注重安全、解决故障的效率、程序功能上的统一性。

本文参考资料《TOYOPUC SFC使用说明书:程序设计篇》本文部分照片、资料出自相关设备厂商,纯为学习、交流之用,如有侵权麻烦联系删除,谢谢!

你是学习plc无头苍蝇的一员吗,看完本文,还觉得plc难学吗?

#月薪万元—新作者扶植计划开启# PLC好学吗?有的人说好学,更多的人说难学。我的看法是入门易,学精弄懂难。初学容易,总有它易的方法。很多人都买了有关PLC的书,如果从头看起的话,我想八成是学不会的。因为抽象与空洞占据了整个脑子,一个字“晕”!

学这东东要有可编程控制器和简易编程器才好,若无,三个字,学不会。因为无法验证对与错。如何学,我的做法是直奔主题。

做法如下:

1、认识梯形图和继电器控制原理图符号的区别: 继电器控制原理图中的元件符号,有常开触点、常闭触点和线圈,为了区别它们,在有关符号边上标注如KM、KA、KT等以示不同的器件,但其触头的数量是受到限制。而PLC梯形图中,也有常开、常闭触点,在其边上同样可标注X、Y、M、S、T、C以示不同的软器件。它最大的优点是:同一标记的触点在不同的梯级中,可以反复的出现。而继电器则无法达到这一目的。而线圈的使用是相同的,即不同的线圈只能出现一次。

2、编程元件的分类:编程元件分为八大类,X为输入继电器、Y为输出继电器、M为辅助继电器、S为状态继电器、T为定时器、C为计数器、D为数据寄存器和指针(P、I、N)。关于各类元件的功用,各种版本的PLC书籍均有介绍,故在此不介绍,但一定要清楚各类元件的功能。

编程元件的指令由二部分组成:如 LD(功能含意)X000(元件地址),即 LD X000,LDI Y000......。

3、熟识PLC基本指令

(1)LD(取)、LDI取反)、OUT(输出)指令;

(2)触点的串联指令AND(与)ANI(与非);

(3)触点并联指令OR(或)、ORI(或反);

(4)串联电路块的并联指令ORB(或);

(5)并联电路块与块之间的串联指令ANB;

(6)进栈指令MPS、读栈指令MRD、出栈指令MPP和程序结束指令END;

只要熟识和应用以上的指令,我以为入个门应该没什么问题了,也够用了。入了门后再去研究其它的指令就不是很难了。

4、熟知简易编程器各键的功能

(1)液晶显示器;在编程时可显示指令(即指令、元件符号、数据)。在监控运行时,可显示元器件工作状态。

(2)键盘;由35个按键组成,有功能键、指令键、元件符号键和数据键,大多可切换。各键作用如下:

①功能键:RD/WR......读出/写入,若在左下角出现R为程序读出,若出现W则为写入,即程序输入时应出现W,否则无法输入程序。按第一下如为R,再按一下则为W。INS/DEL......插入/删除,若在程序输入过程中漏了一条程序,此时应按该键,显现I则可输入遗漏程序。若发现多输了一条程序,同样按该键,显现D则可删除多余或错误的程序。MNT/TEST......监视/测试,T为测试,M为监视,同样按该键,可相互切换。在初学时要学会使用监视键M, 以监视程序的运行情况,以利找出问题,解决问题。

② 菜单键:OTHER, 显示方式菜单。

③清除键:CLEAR,按此键,可清除当前输入的数据。

④帮助键:HELP,显示应用指令一览表,在监视方式时进行十进制数和十六进制数为转换。

⑤步序键:STEP,监视某步输入步序号。

⑥空格键:,/SP,输入指令时,用于指定元件号和常数。

⑦光标键:↑、↓,用这二键可移动液晶显示屏上光标,作行(上或下)滚动。

⑧执行键:GO,该键用于输入指令的确认、插入、删除的执行等。

⑨指令键/元件符号键/数字键(虚线框内):这些键均可自动切换,上部为指令键,下部为元件符号键或数字键。一旦按了指令键,其它键即切换成元件符号或数字,可以进行选择输入。其它Z/V、K/H、P/I均可同一键的情况下相互切换。

5、熟习编程器的操做

按规定联接好PLC与简易编程器。PLC通入电源,小型指示灯亮。将PLC上的扭子开关拨向STOP(停止)位置。

操作要点:

①清零:扭子开关拨向STOP(停止)位置,会出现英文,别管它。直接按RD/WD(使显示屏左侧出现W即写的状态),此时先按NOP,再按MC/A中的A,接着按二次GO予以确认即可(即:W→NOP→A→GO→GO)。

②输入指令:如指令 LD X000 , 按以下顺序输入 LD→X→0→GO 即可,屏上自动显现 LD X000。其它指令类推。对于ORB、ANB、MPS、MRD、MPP、END、NOP等指令,输入后只要按GO确认即可(ORB→GO)。

③定时器的输入:如指令 OUT T0 K 40 按如下顺序输入即可 OUT→T→0→,/SP→K→40→GO(T0为100ms为单位,其整定值为:100×40=4000ms=4S)。

④ 删除指令:移动光标对准欲删除的指令,将INS/DEL键置于D,再予以GO确认即可。即 :移动光标对准欲删除指令→D→GO。

⑤插入指令:若欲在步序4、5之间插入新的步序,移动光标对准5,将INS/DEL键置于I,予以确认,再输入新的程序再次确认即可。如欲插入AND Y001即:移动光标对准欲插入部位→I→GO→AND→Y→1→GO。

⑥GO键:每一步序输入完毕均应输入GO予以确认。

⑦结束指令:每一程序输入完毕在结束时应输入END指令,程序才可运行。

⑧输入指令完毕应将PLC上的扭子开关拨向RUN于运行状态。若有音响、灯亮则说明输入程序有问题。

6、输入简单的可运行程序在监控状态下运行:

初学时要学会使用监视键M,可以从液晶显示上监视程序的运行情况,加深对PLC各接点运行的认识。并利于找出问题,解决问题的最好办法。 具体操作如下:按MNT/TEST键置于M监视运行方式,移动光标即可观查整个程序的运行情况。若程序中出现■标记表示元件处于导通状态(ON),若无■标记则元件处于断开状态(OFF)。

7、试着编绘简易梯形图:

简易梯形图的编绘,一般以现有的电工原理图,根据其工作原理进行绘制,由浅入深,先求画出,再求简单明了,慢慢领会绘制梯形图心得。首先要理解电工原理图的工作原理,根据电工原理图的工作原理,再按PLC的要求进行绘制。应把握的是,不能简单地将PLC各接点与电工原理图上的各接点一一对应(这是初学者的通病),若是这样的话就有可能步入死胡同,绘制的梯形图只要能达到目的即可。

个人认为学东西是要开窍的,一开窍什么东西都会理解的很快,其实没什么东西真正难的,别人真的比你多聪明吗?理论知识很重要,但是过多的学习理论却不实践很容易走火入魔的。所以我说:“很多人都买了有关PLC的书,如果从头看起的话,我想八成学不成了。”个人很赞同。书呆子也就是那样形成的。#微头条名师团# #我要上头条# #月薪万元—新作者扶植计划开启#@头条热点 @微头条 @进击课堂 @头条公开课 @微头条小秘书

相关问答

时间继电器在plc中如何表示?

关于这个问题,时间继电器在PLC中通常使用定时器(Timer)来表示。在PLC编程软件中,可以选择定时器的类型、预设时间、启动条件等参数,将定时器应用于控制程序中...

PLC的元件符号SA,SB,SQ,SB,KM,KA,KT,YV,ZK,BQ?

我知道前边的SA旋扭,SB按扭,SQ行程,KM接触器,KA中间继电器,KT时间继电器,YV电磁线圈,后面两个不知道。我知道前边的SA旋扭,SB按扭,SQ行程,KM接触器,KA中间继...

一些电气件英文简写名称?

FR:热过载接触器CNT:PLC编程中的计数器指令TMR:PLC中时间继电器指令SG:PLC中的储存区间栈EL照明灯FU熔断器GS同步发电机HL指示灯KA继电器\交流继电器KM接触器...

PLC梯形图时间继电器线圈指令是多少啊?

首先用到了PLC外部就不再需要时间继电器了(KT),PLC内部是有时间继电器调用的:如下说明接通延时定时器(TON)指令在启用输入为"打开"时,开始计时。当前...

新手如何快速掌握PLC使用方法?

1、认识梯形图和继电器控制原理图符号的区别。电器控制原理图中的元件符号,有常开触点、常闭触点和线圈,为了区别它们,在有关符号边上标注如KM、KA、KT...1、...

怎么样用网线通过威纶通触摸屏监控plc?

怎么样用网线通过威纶通触摸屏监控plc我们先看下它的型号都有哪些,目前威纶通触摸屏的型号有cMT、eMT、MT和KT系列的,从4.3寸到15寸的屏幕。从官网上看按照性...

《不识字的老师》阅读题答案-mJplCfLkt3F的回答-懂得

渔夫阅读吗?《不识字的老师》阅读答案?那个年代的留美学生,暑假打工是惟一能yán续求学的方法。仗着身强体壮,这年我找了份高薪的伐木工作,在科罗...

同志们有人知道么!如何把电脑模拟成触摸屏与plc连接?,模拟...

[回答]屏和PLC链接是基于一个软件以及平台才能实现的,不是你想简单的链接就可以连接上,所以你想达到功能,就我目前理解,不可以。刚看了一个贴子,说了PLC...

线束小型加热机标识有什么作用呢?知道的请回答

[回答]自动激光打码穿烤小型加热机操作流程是,首先,打开设备电源,在PLC控制屏上输入需要加工线束的参数和运行速度,对于少量线束的加工可以使用脚踏模式。...

网友们请赐教!电气柜的作用有哪些?感谢回答

[回答]电气柜顾名思义就是作为电气控制作用的电柜。电气控制柜有传统的继电器和PLC控制。比较简单的控制用继电器来控制,复杂的控制一般采用PLC控制。PLC...

 shenmegui  木村次郎右卫门 
王经理: 180-0000-0000(微信同号)
10086@qq.com
北京海淀区西三旗街道国际大厦08A座
©2026  上海羊羽卓进出口贸易有限公司  版权所有.All Rights Reserved.  |  程序由Z-BlogPHP强力驱动
网站首页
电话咨询
微信号

QQ

在线咨询真诚为您提供专业解答服务

热线

188-0000-0000
专属服务热线

微信

二维码扫一扫微信交流
顶部