plc编程里的km 西门子PLC控制电机正反转编程实例

小编 80 0

西门子PLC控制电机正反转编程实例

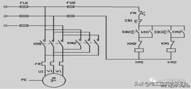
生产设备常常要求具有上下、左右、前后等正反方向的运动,这就要求电动机能正反向工作,对于交流感应电动机,一般借助接触器改变定子绕组相序来实现。常规继电控制线路如下图所示。

在该控制线路中,KM1 为正转交流接触器,KM2 为反转交流接触器,SB1 为停止按钮、SB2 为正转控制按钮,SB3 为反转控制按钮。KM1、KM2 常闭触点相互闭锁,当按下SB2 正转按钮时,KM1 得电,电机正转;KM1 的常闭触点断开反转控制回路,此时当按下反转按钮,电机运行方式不变;若要电机反转,必须按下SB1停止按钮,正转交流接触器失电,电机停止,然后再按下反转按钮,电机反转。若要电机正转,也必须先停下来,再来改变运行方式。这样的控制线路的好处在于避免误操作等引起的电源短路故障。PLC 控制电机正反转I/O 分配及硬件接线1、接线:按照控制线路的要求,将正转按纽、反转按纽和停止按纽接入PLC 的输入端,将正转继电器和反转继电器接入PLC 的输出端。注意正转、反转控制继电器必须有互锁。2、编程和下载:在个人计算机运行编程软件STEP 7 Micro-WIN4.0,首先对电机正反转控制程序的I/O 及存储器进行分配和符号表的编辑,然后实现电机正反转控制程序的编制,并通过编程电缆传送到PLC 中。在STEP 7 Micro-WIN4.0 中,单击“查看”视图中的“符号表”,弹出图所示窗口,在符号栏中输入符号名称,中英文都可以,在地址栏中输入寄存器地址。3、图符号表定义完符号地址后,在程序块中的主程序内输入如下图程序。注意当菜单“察看”中“√符号寻址”选项选中时,输入地址,程序中自动出现的是符号编址。若选中“查看”菜单的“符号信息表”选项,每一个网络中都有程序中相关符号信息。4、程序监控与调试:通过个人计算机运行编程软件STEP 7 Micro-WIN4.0,在软件中应用程序监控功能和状态监视功能,监测PLC 中的各按纽的输入状态和继电器的输出状态。5、电机的正反转控制项目结果分析表:注意在硬件接线中必须实现互锁!在PLC 的梯形图中也应实现互锁。试分析仅在梯形图中实现的互锁能否真正避免电源的短路?有电机的正反转控制项目的基础,可以进一步用西门子S7-200实现小车往返的自动控制。控制过程为:按下启动按钮,小车从左边往右边(右边往左边运动)当运动到右边(左边)碰到右边(左边)的行程开关后小车自动做返回运动,当碰到另一边的行程开关后又做返回运动。如此的往返运动,直到当按下停车按钮后小车停止运动。设计思路:可以按照电气接线图中的思路来进行编写程序。即可以利用下一个状态来封闭前一个状态。使其两个线圈不会同时动作。同时把行程开关作为一个状态的转换条件。电气接线图如下:接下来进行程序的编写,首先要进行 I/O口的分配。根据要求,I/O口的分配如下表所示。I/O口分配好后可以根据上面的电气接线图进行程序的编写。参考程序如下:

PLC编程基本功:梯形图与控制线路(附1164个三菱PLC实用案例)

PLC的软件编程语言与一般计算机语言相比,具有明显的特点,它既不同于高级语言,也不同于一般的汇编语言,且要满足易于编写和调试的要求。

早期的PLC仅支持梯形图编程语言和指令表编程语言,现根据国际电工委员会制定了五种能支持PLC编程的语言,分别是:梯形图Delete(LD)、指令表Delete(IL)、功能模块图Delete(FBD)、顺序功能流程图Delete(SFC)、结构化文本Delete(ST)等等,今天给大家分享一些PLC的控制线路和梯形图,这算是比较基础实用的部分,一起来看看吧!

起动、自锁和停止控制的PLC线路与梯形图

起动、自锁和停止控制能使用驱动指令(OUT),也能够使用置位指令(SET、RST)来实现。

关注+私信,后台回复【资料】

立即免费领取三菱软件+手册+案例

1、采用线圈驱动指令实现起动、自锁和停止控制

线路与梯形图说明:

点击起动按钮SB1时,PLC内部梯形图程序中的起动触点X000闭合,输出线圈Y000得电,输出端子Y0内部硬触点闭合,Y0端子与COM端子之间内部接通,接触器线圈KM得电,主电路中的KM主触点闭合,电动机得电起动。

点击停止按钮SB2时,PLC内部梯形图程序中的停止触点X001断开,输出线圈Y000失电, Y0、COM端子之间的内部硬触点断开,接触器线圈KM失电,主电路中的KM主触点断开,电动机失电停转。

关注+私信,后台回复【资料】

立即免费领取三菱软件+手册+案例

2、采用置位复位指令实现起动、自锁和停止控制

其PLC接线图与上面类似。

线路与梯形图说明:

点击起动按钮SB1时,梯形图中的起动触点X000闭合,[SET Y000]指令执行,指令执行结果将输出继电器线圈Y000置1,相当于线圈Y000得电,使Y0、COM端子之间的内部硬触点接通,接触器线圈KM得电,主电路中的KM主触点闭合,电动机得电起动。

点击停止按钮SB2时,梯形图程序中的停止触点X001闭合,[RST Y000]指令被执行,指令执行结果将输出线圈Y000复位,相当于线圈Y000失电,Y0、COM端子之间的内部硬触点断开,接触器线圈KM失电,主电路中的KM主触点断开,电动机失电停转。

正、反转联锁控制的PLC线路与梯形图

关注+私信,后台回复【资料】

立即免费领取三菱软件+手册+案例

线路与梯形图说明如下:

1)正转联锁控制

点击正转按钮SB1→梯形图程序中的正转触点X000闭合→线圈Y000得电→Y000自锁触点闭合,Y000联锁触点断开,Y0端子与COM端子间的内部硬触点闭合→Y000自锁触点闭合,使线圈Y000在X000触点断开后仍可得电;Y000联锁触点断开,使线圈Y001即使在X001触点闭合(误操作SB2引起)时也无法得电,实现联锁控制;Y0端子与COM端子间的内部硬触点闭合,接触器KM1线圈得电,主电路中的KM1主触点闭合,电动机得电正转。

2)反转联锁控制

点击反转按钮SB2→梯形图程序中的反转触点X001闭合→线圈Y001得电→Y001自锁触点闭合,Y001联锁触点断开,Y1端子与COM端子间的内部硬触点闭合→Y001自锁触点闭合,使线圈Y001在X001触点断开后继续得电;Y001联锁触点断开,使线圈Y000即使在X000触点闭合(误操作SB1引起)时也无法得电,实现联锁控制;Y1端子与COM端子间的内部硬触点闭合,接触器KM2线圈得电,主电路中的KM2主触点闭合,电动机得电反转。

3)停转控制

点击停止按钮SB3→梯形图程序中的两个停止触点X002均断开→线圈Y000、Y001均失电→接触器KM1、KM2线圈均失电→主电路中的KM1、KM2主触点均断开,电动机失电停转。

多地控制的PLC线路与梯形图

1)单人多地控制

甲地起动控制。在甲地点击起动按钮SB1时→X000常开触点闭合→线圈Y000得电→Y000常开自锁触点闭合,Y0端子内部硬触点闭合→Y000常开自锁触点闭合锁定Y000线圈供电,Y0端子内部硬触点闭合使接触器线圈KM得电→主电路中的KM主触点闭合,电动机得电运转。

甲地停止控制。在甲地点击停止按钮SB2时→X001常闭触点断开→线圈Y000失电→Y000常开自锁触点断开,Y0端子内部硬触点断开→接触器线圈KM失电→主电路中的KM主触点断开,电动机失电停转。

关注+私信,后台回复【资料】

立即免费领取三菱软件+手册+案例

2)多人多地控制

起动控制。在甲、乙、丙三个地点一起点击按钮SB1、SB3、SB5→线圈Y000得电→Y000常开自锁触点闭合,Y0端子的内部硬触点闭合→Y000线圈供电锁定,接触器线圈KM得电→主电路中的KM主触点闭合,电动机得电运转。

停止控制。在甲、乙、丙三个地点一起点击SB2、SB4、SB6中的某个停止按钮时→线圈Y000失电→Y000常开自锁触点断开,Y0端子内部硬触点断开→Y000常开自锁触点断开使Y000线圈供电切断,Y0端子的内部硬触点断开使接触器线圈KM失电→主电路中的KM主触点断开,电动机失电停转。

定时控制的PLC线路与梯形图

1、延时起动定时运行控制的PLC线路与梯形图

它能实现:按下起动按钮3秒钟后,电动机起动工作,工作5秒钟后自行叫停。

PLC线路与梯形图说明如下:

2、多定时器组合控制的PLC线路与梯形图

它可以实现:点击起动按钮后电动机B马上运行,30秒钟后电动机A开始工作,70秒后电动机B停转,100秒后电动机A停转。

关注+私信,后台回复【资料】

立即免费领取三菱软件+手册+案例

PLC线路与梯形图说明如下:

定时器与计数器组合延长定时控制的PLC线路与梯形图

三菱FX系列PLC的最长定时时间为3276.7s(约54min),使用定时器和计数器能够拉长定时时间。

PLC线路与梯形图说明如下:

图中的定时器T0定时单位为0.1s(100ms),它与计数器C0搭配用之后,它的定时时间T=30000×0.1秒×30000=90000000秒=25000小时。如果需要重新定时,可以把开关QS2断开,让[2]X000常闭触点闭合,然后“RST C0”指令执行,之后计数器C0进行复位,然后再闭合QS2,就会重新开始250000小时定时。

关注+私信,后台回复【资料】

立即免费领取三菱软件+手册+案例

多重输出控制的PLC线路与梯形图

PLC线路与梯形图说明如下:

1)起动控制

2)停止控制

过载报警控制的PLC线路与梯形图

PLC线路与梯形图说明:

1)起动控制

点击起动按钮SB1→[1]X001常开触点闭合→[SET Y001]指令执行→Y001线圈被置位,即Y001线圈得电→Y1端子内部硬触点闭合→接触器KM线圈得电→KM主触点闭合→电动机得电运转。

2)停止控制

点击停止按钮SB2→[2]X002常开触点闭合→[RST Y001]指令执行→Y001线圈被复位,即Y001线圈失电→Y1端子内部硬触点断开→接触器KM线圈失电→KM主触点断开→电动机失电停转。

关注+私信,后台回复【资料】

立即免费领取三菱软件+手册+案例

3)过载保护及报警控制

闪烁控制的PLC线路与梯形图

线路与梯形图说明:

把开关QS闭合→X000常开触点闭合→定时器T0开始3s计时→3s后,定时器T0动作,T0常开触点闭合→定时器T1开始3s计时,与此同时Y000得电,Y0端子内部硬触点闭合,灯HL点亮→3s后,定时器T1动作,T1常闭触点断开→定时器T0复位,T0常开触点断开→Y000线圈失电,同时定时器T1复位→Y000线圈失电使灯HL熄灭;定时器T1复位使T1闭合,因为开关QS依旧是闭合状态,所以X000常开触点也是闭合,定时器T0又开始重新3s计时。

之后重复上述过程,灯HL保持3s亮、3s灭的频率闪烁发光。

相关练习

喷泉的PLC控制

系统要求用两个按钮来控制A、B、C三组喷头工作(通过控制三组喷头的电动机来实现),三组喷头排列如图4-32所示。系统控制要求具体如下:

当按下起动按钮后,A组喷头先喷5s后停止,然后B、C组喷头同时喷,5s后,B组喷头停止、C组喷头继续喷5s再停止,而后A、B组喷头喷7s,C组喷头在这7s的前2s内停止,后5s内喷水,接着A、B、C三组喷头同时停止3s,以后重复前述过程。按下停止按钮后,三组喷头同时停止喷水。

相关问答

Q100.00、KM在PLC中代表什么含义交流电机的接线方式?

Q100.00应该是个位地址,KM具体不大清楚,要看你是用的什么品牌什么型号的PLC的,这些都是代表PLC的内部地址,三相交流电机接线方式有两种一个是星型一个是三角...

plc符号表的表示方法是什么?

Q——电路的开关器件FU——熔断器KM——接触器KA——1、瞬时接触继电器2、瞬时有或无继电器3、交流继电器KT——延时有或无继电器SB——按钮开关KA...

请问PLC中以太网的传输距离?

光纤分为多模和单模,传送距离多模在2KM之内,单模在30KM(一说20KM)之内。传送带宽和光纤收发器有关。两个交换机超过100米还可以使用中继。光纤分为多模和单模...

PLC控制线长达3百米会影响控制电机吗?

PLC控制线长达3百米会影响控制电机吗?实际应用中用交流220V供电形式,由于供电电压高,传输电缆造成的电压降不会影响到负载的正常工作,也不要考虑传输电缆电...P...

plc三相异步电机正反转控制编程?

按下SB1,输入继电器X000动断触点断开,输出继电器Y000均复位,外接接触器KM1随之复位,电动机停止运转。按下SB3,继电器输入X002常开触点闭合,输出继电器Y00...

工业平板电脑与PLC怎么连接编程?工业平板EN50155认证服务态...

[回答]我平时用平板就是看下电影、电视,浏览网页,你安装PLC太专业了吧嵌入式平板电脑与一般所讲的4U型工业平板电脑的差距就是在于体积上的大小。如果不...

求自动门PLC系统控制程序梯形图硬件的总体接线图PLC顺序结构...

[最佳回答]有了梯形图,其他都都好接了,要是通过梯形图还不会画图的话,你也就可以告别梯形图了,

plc电动机顺序控制电路分析?

本电路起动顺序是先M1电动机,后M2电动机;停止顺序则相反。2、plc(三菱FX0N、FX1N),编程器连接及通电操作。3、清零操作;程序写入操作;根据梯形图写出...、...

(指停止M2和M3)运用到电机控制里的,不用PLC里的_作业帮

[最佳回答]见图:SB2停止、SB1启动,T1-T3时间继电器(大于30S),KM1-KM3接触器(根据电机大小选),电机热保护忽略.

plc点动自锁工作原理?

自锁控制启动时,按下按钮SB2,交流接触器KM线圈得电吸合,KM辅助常开触点与SB3一组常闭触点相串联构成自锁,KM主触点闭合,电动机得电运转,拖动设备工作。停...