线下实训
HOME
线下实训
正文内容
ab plc编程与接线 罗克韦尔(AB)PLC讲解,4,RS5000,Studio5000编写梯形图完整版
发布时间 : 2026-03-14
作者 : 小编
访问数量 : 23
扫码分享至微信

罗克韦尔(AB)PLC讲解,4、RS5000、Studio5000编写梯形图完整版

创建了任务、程序、例程以及所需标签后,我们需要编写工作站(冲压、卷边和焊接)、 传送带和站调度梯形图逻辑程序。RSLogix5000 编程软件支持梯形图、功能块、顺序功能图、结构文本等编程语言,用户可以根据自己的需求灵活选择编程语言。对于本例,我们 选择梯形图编程语言。

本实验主题:

1. 输入梯级和指令

2. 使用快捷键输入指令和梯级元素

3. 输入分支

4. 掌握常用指令,如输入、输出、定时器、跳转子程序等。

5. 在多个项目间复制梯级

6. 校验梯形图逻辑

实验步骤:

1. 双击桌面上图标,打开 RSLogix5000 软件。

2. 单击 File->Open,选择上一实验所创建项目 P1 并打开。

3. 输入梯形图逻辑。右键单击 Assembly->Program_1_Press->Routine_Dispatch,从弹出菜单中选择 Open(打开),如图 2-21 所示。

4.在弹出的编程窗口中编写调度例程,如图 2-22 所示。

注意出现在右边窗口的梯级,此梯级处于编辑(Edit)模式,在梯级的左边标着“e”。现在可以添加指令和梯级了。

5. Routine_Dispatch 主例程的作用是初始化子例程、调度子例程。初始化子程序将

Station_1_Press 例程中 StationTimer 的计时累加值清零。如果标签 Call_Program_Value(调用程序号)由 Station_Dispatcher 例程设定为 1,则跳转到子例程 Station_1_Press 中。

首先,输入一个相等(EQU)指令(属于 Compare 类),单击 EQU,它就出现在梯级

的相应位置,如图 2-23 所示。

注意:您也可以将其拖到梯级上,或者双击“e”标记,然后在弹出的窗口中输入 EQU, 或者按下Insert 键,输入 EQU。

无论您采用哪种方法,现在都能够获得EQU 指令,出现如图2-24 所示画面:

6. 现在您需要在 EQU 指令的 SourceA 和 SourceB 处输入正确的标签地址。所有需要用到的标签我们在上一实验中都已经创建好了,这时,我们仅需双击问号,然后单击向下 箭头,如图 2-25 所示。

您可以在 Controller Scoped Tags 和 Program Scoped Tags 之间切换画面。回顾上次实验

内容,因为 Call_Program_Value 会在多个程序中使用,故作用域为 Controller Scoped Tags。

需要注意的是,如果一个标签被定义为 Program Scoped Tags,那么,只有属于这个Program 的 Routine 才可以对此变量进行读/写操作。

7. 双击 SourceB,直接输入立即数 1。如果不采用立即数方式,而采用标签的方式,

那么您可以右键单击 Source B 的问号,如图 2-26 所示。

8.弹出如图 2-27 所示画面。为了与本实验保持一致,请采用下例中的名称,并配置成相应属性。或者,直接使用立即数 1。

9. 按照上述方法,为 Assembly->Program_1_Press->Routine_Dispatch 例程创建如图2-28 所示梯形图逻辑,添加清除定时累加值所需指令 ONS 和RES。按下Insert 键,直接输入指令名称。由于本次实验中用到了的指令较多,不能一一介绍,对于不清楚的指令,您可以直接与指导老师沟通,或单击 Help->Instruction Help(指令帮助),查阅相关指令的帮助。

10. 创建梯形图分支。在 Routine_Dispatch 例程中,对 Station_1_Press 例程中定时器累加值清零后,梯级需要跳转到 Station_1_Press,开始执行压缩机部件的冲压工序。由于计时器累加值清零程序的输入条件与跳转指令相同,故我们需要将两个输出并联,但一定 要注意,输出并联梯级的顺序不能交换。

单击EQU 梯级指令,然后在工具条中选择 Branch,如图 2-29 所示

单击Branch,然后将其一端拖拽到所需位置,释放鼠标左键,如图 2-30 所示:

然后,添加跳转到子例程指令 JSR。按下 Insert 键,直接输入指令名称。对于不清楚

的指令,请单击 Help->Instruction Help(指令帮助),查阅相关指令的帮助,如图 2-31 所示。

11. 最终,创建完成的 Assembly->Program_1_Press->Routine_Dispatch 例程如图 2-32

所示。

12. 将 Assembly->Program_1_Press->Routine_Dispatch 中 的 梯形图 逻辑 复 制到

Assembly->Program_2_Stake->Routine_Dispatch。

13. 将该梯形图逻辑粘贴到 Assembly->Program_2_Stake->Routine_Dispatch 例程后, 修改以下参数,如图 2-33 所示。

- 将 EQU 指令中 SourceB 参数改为 2。

- 将 JSR 指令中Routine Name 参数改为 Station_2_Stake。

14. 将 Assembly->Program_1_Press->Routine_Dispatch 例程中梯形图逻辑复制到

Assembly->Program_3_Weld->Routine_Dispatch 中,修改以下参数,如图 2-34 所示。

- 将 EQU 指令中 SourceB 参数改为 3。

- 将 JSR 指令中Routine Name 参数改为 Station_3_Weld。

注意: 由于程序功能类似,我们通过简单的 Copy+Paste 就完成了程序的编写,无须重

修改标签,那么,我们可以想象,如果有多个冲压工作站,我们只需编写一个冲压工作站

的程序,其余的只需 Copy+Paste 就可以完成!

1. 单击工具条上

校验每个例程,出现错误提示后,纠正错误。然后,单击工具 条上

按钮校验整个项目并纠正出现的错误。

16. 在 Assembly->Program_1_Press->Station_1_Press 中,输入如图 2-35 所示梯形图逻辑。

17. 用户可以直接将 Assembly->Program_1_Press->Station_1_Press 例程的梯形图逻

辑直接复制到 Assembly->Program_2_Stake->Station_2_Stake 例程后,修改如下参数:

-将StationTimer 的 Preset(预设值)改为 2000;

注意 :选择多行梯级可以按下 Shift(上档)键,依次单击想要选择的梯级即可。

修改后的结果如图 2-36 所示:

18. 用户可以直接将 Assembly->Program_1_Press->Station_1_Press 例程的梯形图逻

辑直接复制到 Assembly->Program_3_Weld-> Station_3_Weld 例程后,修改如下参数:

-将StationTimer 的 Preset(预设值)改为 3000;

-StationTimer 定时结束后,添加 Complete 输出,表示三道工序都已经完成,用于控制 Conveyor 输出。

修改后的结果如图 2-37 所示:

19. 单击工具条上

校验每个例程,出现错误提示后,纠正错误。然后,单击工具 条上

按钮校验整个项目并纠正出现的错误。

20. 保存该项目。

21. 至此,三个工作站的程序已经完成了,我们发现在创建过程中,实际上,仅仅程 序 Program_1_Press 是自己创建的,其它两个程序都是对第一个程序的 Copy+Paste 以及一些简单的修改。那么,用户可以先将程序 Program_1_Press 的标签、例程创建完成后,再复制、粘贴、修改以及校验。注意:标签名称为什么不会冲突?

22. 接下来我们编写 Conveyor ( 传送带)例程的梯形图逻辑, 双击任务

Conveyor->Conveyor->Conveyor 例程,编写如图 2-38 所示梯形图逻辑。

第 0 行梯级用于对光眼故障(接线故障)的报警。第 1、2 行梯级用于控制传送带输出。

23. 继续编写工作站调度例程。双击 Periodic_Dispatcher->Station_Dispatcher->Station

_Dispatcher 例程,编写如图 2-39 所示梯形图逻辑。

其中,梯级 0 用于生成压缩机产品编号。梯级 1 用于判断三道工序是否正在工作。梯

级 3、4 用于调度工作站。

24.

单击工具条上 校验每个例程,出现错误提示后,纠正错误。然后,单击工具

条上 按钮校验整个项目并纠正出现的错误。

我们使用例程和项目校验工具时只能查出程序中出现的语法错误;不能查出程序中的 逻辑错误。但是现场条件往往不允许直接连接 I/O 模块调试。通过趋势图,我们可以观察时序,进而分析程序逻辑关系是否正确。

25. 单击菜单 File-> Save 选项,保存该项目,如图 2-40 所示。

26.单击选择资源管理器中 Trends(趋势图)文件夹,右键单击并从弹出菜单中选择New Trend(创建新趋势图),如图 2-41 所示。

27. 从弹出的对话框中命名新趋势图 Compressor,单击 OK,如图 2-42 所示。

28. 弹出 Add/Configure Tags(添加/组态标签)对话框,从 Scope(作用域)中选择Controller(控制器)或其它程序,然后从 Available Tags(可用标签)中选择标签,单击Add(添加)键,您可以在 Tags to Trend(建立趋势图的标签组)看到所添标签。若要从Tags to Trend 中移除所添标签,单击 Remove(移除)键。按图 2-43 所示添加所需监视的标签。

29. 弹出趋势图画面,在画面单击鼠标右键,从弹出菜单中选择 Chart Properties(图表属性),如图 2-44 所示。先选择Display(显示)选项卡,将 Background color(背景色)改为白色。

30. 选择 X-Axis(X 轴)时间轴选项卡,设置相应参数如图 2-45 所示:

31. 选择 Y-Axis(Y 轴)选项卡,设置相应参数如图 2-46 所示。设置完成后,单击

OK 键。

32.设定完Trends(趋势图)参数后,创建的趋势图如图 2-47 所示:

33. 接下来,我们要将该程序下载到控制器中运行,通过趋势图观察其运行结果是否 正确。下载前确认您所使用的 Logix5555 控制器的钥匙处于 Remote 位置,且程序处于离线状态。单击菜单 Communications->Who Active,弹出如图 2-48 所示对话框。

34. 单击 Download(下载)按钮,将该程序下载到控制器中。如果您的控制器正处于Remote Run(远程运行)状态,将弹出如图 2-49 所示警告。

35.单击 Download(下载)按钮,出现下载进程,如图 2-50 所示。

36. 程序下载后,将控制器打到运行状态,用户通过扭动控制器上的钥匙实现,也可以鼠标左键单击如下图所示的 Online(在线工具栏),从弹出菜单中选择 Run Mode(运行模式),如图 2-51 所示。

37. 改变控制器运行模式后,用户首先双击已创建的 Compressor 趋势图,弹出趋势图画面,并单击 Run(运行),开始实时绘制曲线。

38.. 接下来通过手动触发 PartSensor 标签, 使模拟的生产线运行起来。双击Station_Dispatcher(站调度)例程,弹出程序窗口,触发梯级 2 中标签 PartSensor。如图 2-52 所示:

39.双击 Trends->Compress,切换到趋势图,并观察到时序图如图 2-53 所示:

至此,您已完成梯形图程序编写的相关实验!

详解西门子PLC编程接线图,附梯形图程序实例,PLC快速入门

今天给大家分享的是关于PLC编程控制入门常用到的实例。里面包含的知识点是较为齐全的,如:I/O分配表、PLC接线图、梯形图程序等。

一、电动机顺序启动、顺序停止控制 (I/O分配表、PLC接线图、梯形图程序)

二、电动机的顺序启动、同时停止 (I/O分配表、PLC接线图、梯形图程序)

三、电动机的顺序启动、逆序停止 (I/O分配表、PLC接线图、梯形图程序)

四、电动机延时启动、停止控制 (I/O分配表、PLC接线图、梯形图程序)

五、笼型感应电动机定子绕组从串电阻降压启动控制系统 (I/O分配表、PLC接线图、梯形图程序)

六、三相绕线感应电动机转子绕组串电阻降压启动控制系统 (I/O分配表、PLC接线图、梯形图程序)

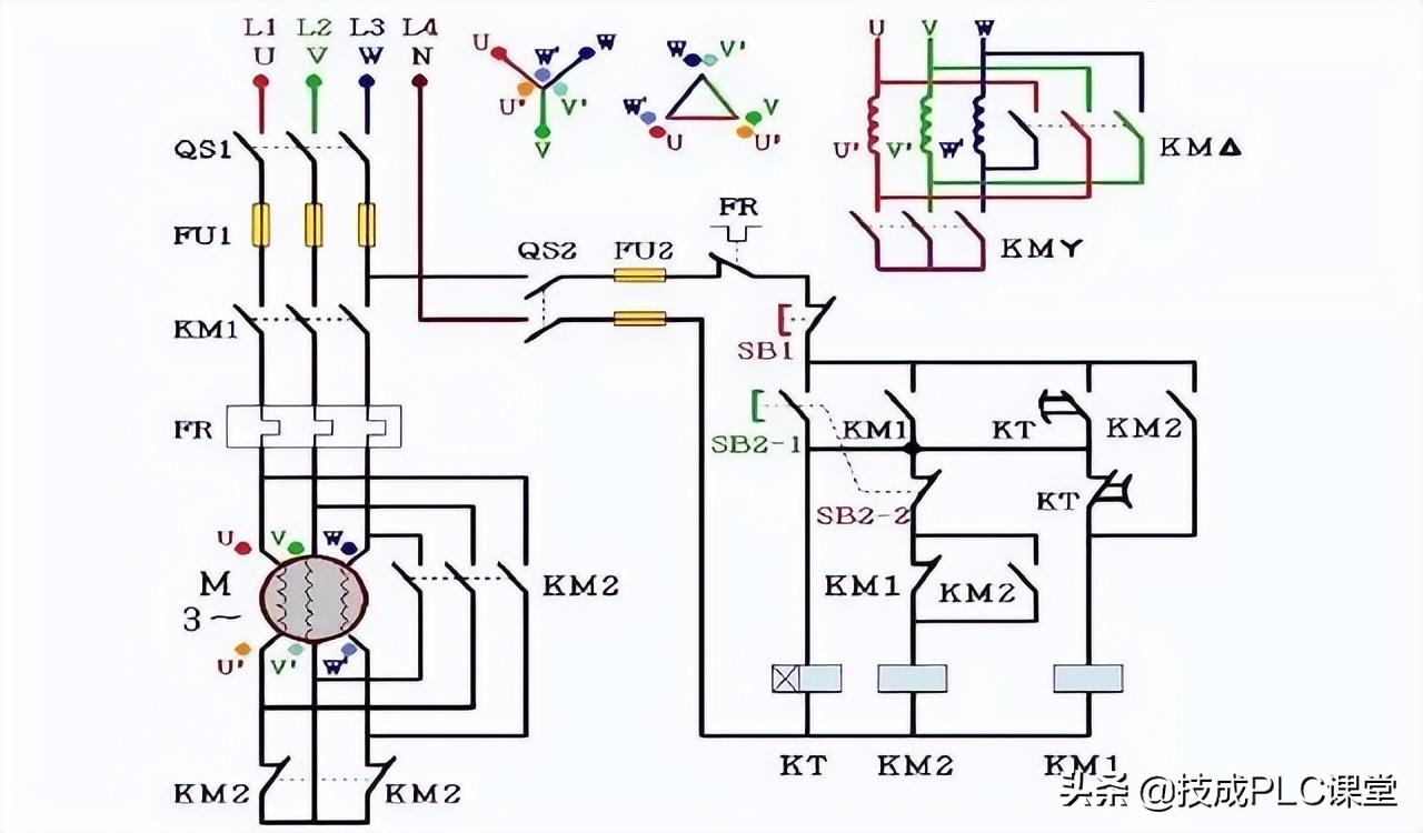
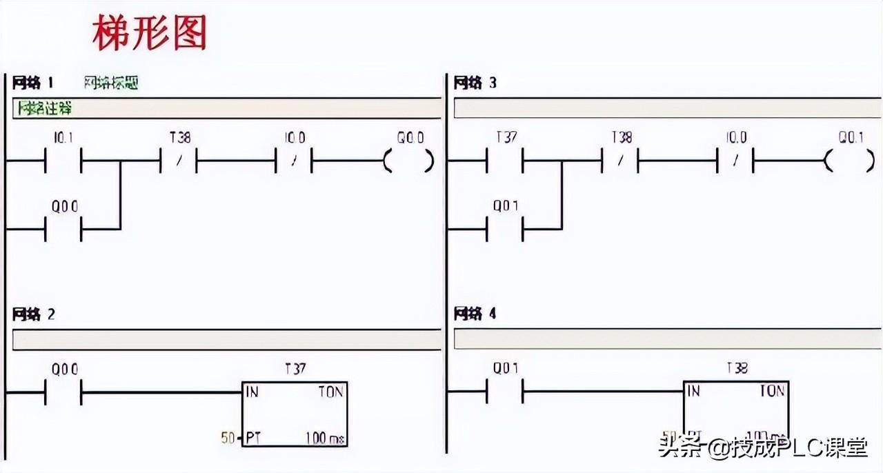
七、Y-△降压启动控制系统 (I/O分配表、PLC接线图、梯形图程序)

Y-△降压启动控制(1)

Y-△降压启动控制(2)

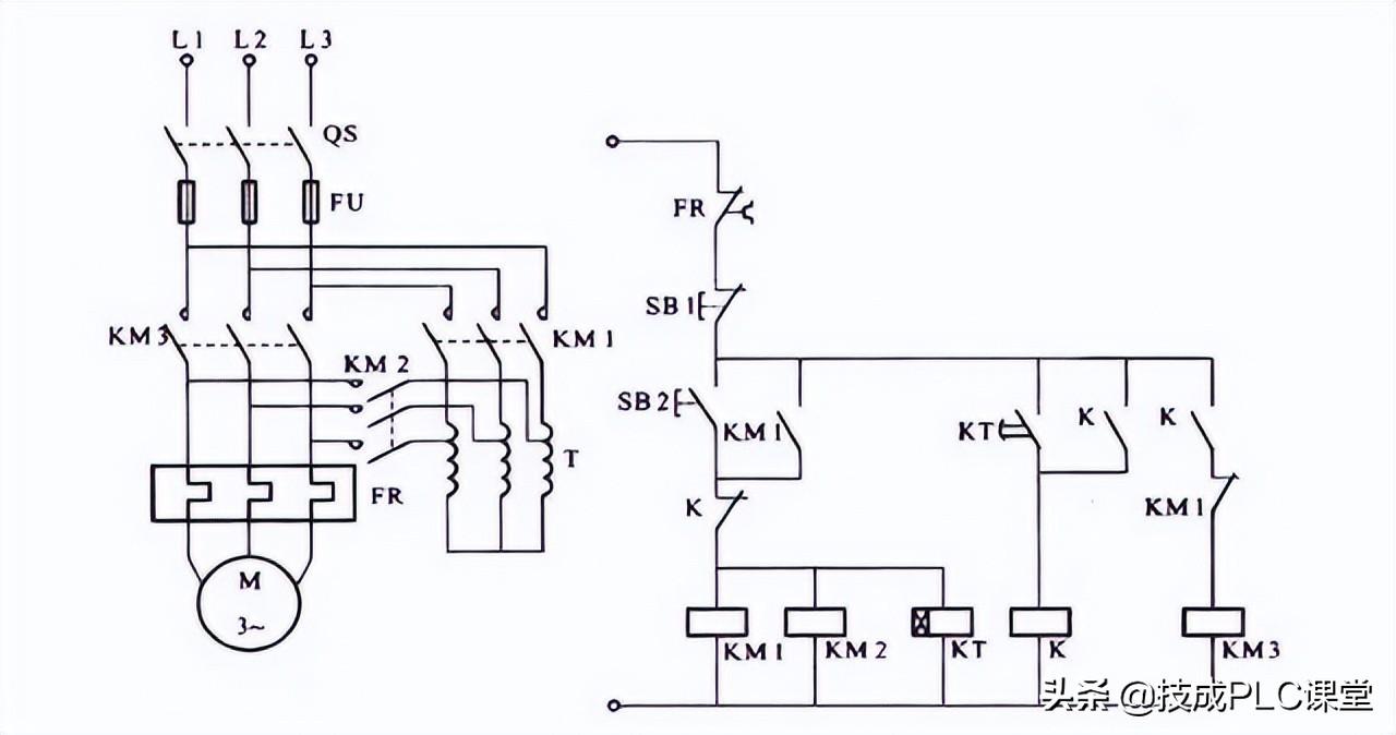
八、自耦变压器降压启动控制系统 (I/O分配表、PLC接线图、梯形图程序)

来源:网络,侵删~

转发是最大的鼓励!谢谢您的支持!

小贴士

PLC专属资料: 含有从入门到高级所有PLC学习资料(三菱/西门子/欧姆龙) ,电气经典18本大全书,历年电气考试真题、电气必备实训仿真软件、电气自动化行业各类型技术手册!

相关问答

ABPLC接线说明?

ABPLC是一种常见的可编程逻辑控制器,接线方式:电源接线:将交流电源或直流电源接入PLC的电源端子,一般为L、N、G三个端子。输入接线:将输入信号接入PLC的输...

485通信a和b接口怎么接线?

RS485上有AB两个接口:A表示485+,B表示485-。摄像机上的485线是蓝色和棕色的话,那一般来说棕色是+、蓝色是-,如果不对反过来试试。关键是确定这两根是485线,4...

PLC柜AI和DI接法?

对于PLC柜中AI和DI的接线,一般需要考虑以下几个因素:1.信号类型:AI(模拟信号)和DI(数字信号)的接线方式有所不同。2.输入电压:PLC输入信号通常为直流...

旋转编码器与三菱FX2NPLC接线A相接x0B相接x1编码器5VPLC的输入COM与5V的地相接,为什么X0X1都亮?

编码器输出频率那么高你看不清楚,视觉上应该是常亮的,你看你的高速计数器值正不正常就可以了。按照ab两项的输出脉冲波形应该是有同时亮的时刻编码器输出频...

汇川驱动器1,26ALM+,ALM-怎么接线到plc?

用一个继电器转接一下,24V+接到继电器线圈的一端,线圈的另一端接到ALM+,ALM-接到0V。最后,用这个继电器的常开触点接到PLC的输入点上用一个继电器转接一下,24...

plc上fg端子怎么接线?

在PLC上连接FG(地线/接地线)的方式取决于具体的PLC型号和制造商的指导。这里提供一般情况下常见的几种连接方式:1.使用专用的FG连接端子:某些PLC设备会提供...

西门子plc输入输出接线详解?

西门子PLC的输入输出接线是将传感器、开关等输入设备与PLC的输入模块相连,通过信号传输将外部信息输入到PLC中;同时,将执行器、继电器等输出设备与PLC的输出模...

编码器红线是VCC黑线是OV绿线是A白线是B黄线是Z怎么样接线?

直接接PLC,有对应的端子。直接接PLC,有对应的端子。

plc通讯线接法?

目前看,大部分还都是232、485、现在更多的是以太网接口目前看,大部分还都是232、485、现在更多的是以太网接口

plc接线口诀?

口诀:“NPN型感应器,S/S公共端接正极,棕正蓝负黑点位,漏电流点位流出”。PNP型开关(感应器)接线方法:棕正蓝负接电源,“棕→黑”低转高电平输出,黑线...

 诺曼底狙击手  小蓝和小黄 
王经理: 180-0000-0000(微信同号)
10086@qq.com
北京海淀区西三旗街道国际大厦08A座
©2026  上海羊羽卓进出口贸易有限公司  版权所有.All Rights Reserved.  |  程序由Z-BlogPHP强力驱动
网站首页
电话咨询
微信号

QQ

在线咨询真诚为您提供专业解答服务

热线

188-0000-0000
专属服务热线

微信

二维码扫一扫微信交流
顶部