课程中心
HOME
课程中心
正文内容
q系列plc怎么编程 三菱Q系列PLC最全的指令,你都知道吗
发布时间 : 2025-12-30
作者 : 小编
访问数量 : 23
扫码分享至微信

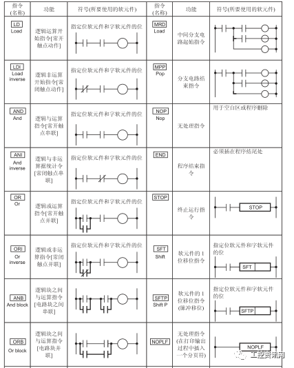
三菱Q系列PLC最全的指令,你都知道吗

最近有朋友在问三菱PLC中FF指令代表什么功能\MOV的作用是什么?等诸如此类的问题,其实这些都是Q系列的基本指令。确实,对于不同品牌的PLC,如果我们想要把程序读懂,并且搞懂编程者的设计理念,就必须将程序中的命令熟悉。否则,在看程序的过程中就会出现读不懂,不能把若干个程序块连贯起来,越看头越大。

PLC是一种采用一类可编程的存储器,用于其内部存储程序,执行逻辑运算、顺序控制、定时、计数与算术操作等面向用户的指令,并通过数字或模拟式输入/输出控制各种类型的机械或生产过程。用户可以通过PLC指令来编制程序,完成对PLC的功能实现。

今天小编就把三菱Q系列所有指令都一一罗列,希望对各位同行有所帮助!

以上基本上就是Q 系列PLC所常用的指令,需要提醒的是Q系列和Fx系列都属三菱PLC,但是两者在编程时所用到命令还是有所不同的,切勿将指令用错地方。

三菱PLC也很强大,看看Q系列的使用案例再说!

相关问答

三凌plcq系列编程快速入门?

USB-SC09USB接口三菱FX系列和A系列PLC用编程电缆,USB-SC09-FXUSB接口三菱FX系列PLC用编程电缆,SC-09(白色)RS232接口三菱FX系列和A系列PL...

三菱Q系列是怎么编程的?和FX有哪些区别?

除了很老很老的一些FX专用的编程软件外,Q系列和FX系列都是用一样的编程软件,GX系列的编程软件都是有PLC型号设定的,新建程序和打开现有的PLC程序时都可以...

三菱PLC怎么编程和读取程序。具体的型号是:电源的型号是Q61P...

具体的型号是:电源的型号是Q61PCPU:Q06HCPU.CPU讨论回答(6)呵呵,如果是别人做的程序,一般控制设计里加了密码。一般是无法打开读取的。如果是自己写的...

三菱q系列两个plc之间怎么通讯?

三菱q系列两个plc之间可以用通讯模块通讯。N:N网络通讯1、通讯解决方案用FX3U、FX2N、FX2NC、FX1N,FX0N可编程控制器进行的数据传输可建立在N:N的基础上。...

plcq系列是什么意思?

Q系列PLC是三菱公司从原A系列PLC基础上发展过来的中、大型PLC系列产品,Q系列PLC采用了模块化的结构形式,系列产品的组成与规模灵活可变,最大输入输出点数达到4...

三菱q系列plc如何下载程序?

三菱q系列plc下载程序方法:使用rs422或rs232通讯线与plc连接(通讯线需装驱动),打开编程软件,点击下载程序或手动连接plc,进熟设置参数界面,选择合适参数,连...

三菱Q系列PLC,威纶通触摸屏,电脑安装的组态王,三者通过以太网怎么连接,分别如何设?

节点两端都应该设置。设置完成后,上位机不要和PLC通讯,而用组态软件和PLC通讯。否则会出现通讯接口被占用的错误。节点两端都应该设置。设置完成后,上位机不...

有关怎么编程触摸屏-ZOL问答

PLC的接点设置,通常设置的是PLC中的辅助继电器和数据寄存器.不会直接去设置输出点(PLC输入点应该是没法设置的)PLC中的辅助继电器和数据寄存器包括,三菱PLC的M...

三菱q系列plc用usb线连接要不要装驱动-懂得

三菱的也需要安装对应的驱动的,编程软件自带了的。USB的驱动文件第一次需要手动指定安装路径,文件在X:\MELSOFT\GXDeveloper\Easysocket\USBDrivers...

三菱q系列plc添加模块设置?

添加设置谋爱地址就可以了,模块的地址分配需要做好。添加设置谋爱地址就可以了,模块的地址分配需要做好。

 花莲地震致楼房倒塌 2人已无呼吸  铁力漂流 
王经理: 180-0000-0000(微信同号)
10086@qq.com
北京海淀区西三旗街道国际大厦08A座
©2025  上海羊羽卓进出口贸易有限公司  版权所有.All Rights Reserved.  |  程序由Z-BlogPHP强力驱动
网站首页
电话咨询
微信号

QQ

在线咨询真诚为您提供专业解答服务

热线

188-0000-0000
专属服务热线

微信

二维码扫一扫微信交流
顶部