课程中心
HOME
课程中心
正文内容
如何学会plc编程入门 入门学PLC,老电工给你7个步骤,掌握好了你也可以0基础变精通!
发布时间 : 2025-12-30
作者 : 小编
访问数量 : 23
扫码分享至微信

入门学PLC,老电工给你7个步骤,掌握好了你也可以0基础变精通!

电力作业人员在实际的工作中都会接触到PLC,随着工业自动化和智能化科技的发展,在很多复杂的场合,PLC取代了复杂的继电器控制柜和接触器控制柜,得到了广泛的应用,PLC不仅接线很简单,便于布线和控制,更重要的是PLC故障排查十分方便,省去了很繁琐的理线头,理电路的麻烦,因此PLC在工业自动化和智能化中得到了广泛应用!

很多的朋友留言问:怎么样才能学好PLC?怎么样才能入门学PLC?PLC控制很难吗?今天我们就重点来看看关于PLC的入门:

一,基础很重要,打好基础才能学好PLC。

1,首先要看懂电气原理图,电路图是发展的基础,既然PLC可以取代继电器和接触器控制,那相应的基础电路原理是肯定要知道的!

2,了解PLC的基本结构和动作原理。

既然要学习PLC技术,肯定要对PLC做一个了解,至少需要知道PLC是什么,主要由哪几部分构成,合个部分都有什么作用以及简单的了解PLC的扫描过程,动作原理,工作状态等等,基础的需要了解,这很重要!

3,掌握基础的梯形图。

梯形图是PLC编程的一种方式,了解基础的梯形图,可以从最简单的基础电路入手,慢慢练习将简单的电路图转化为PLC梯形图,梯形图是一定需要掌握的!

4,学习基本的编程语言和编程指令。

编程语言和逻辑指令是PLC可以识别的逻辑语言,就像人说的话一样,所以我们要弄清楚PLC基本的逻辑语言,因为逻辑指令或者逻辑语言是PLC可以听懂的话,基础的编程指令:LD,LDI,AND等等,在往期视频中都有一一介绍,想了解的朋友可以看看。

编程语言和逻辑指令也是PLC编程的一种方式,算是PLC最基础的东西。

5,关于PLC的响应曲线,复杂的编程控制等等可以等后期熟练了以后慢慢掌握,这里就不细说了。

二,PLC需要多练习多操作多实践。

一句话说的好:纸上谈兵总觉浅,还是付诸实践吧,可以先从最基础的PLC编程和基础开始,例如:点动控制,自锁控制,正反转控制等等都可以,实践经验够了,自然复杂的也就会了。

三,不要纠结于学习PLC哪个牌子,每一个PLC不敢说都一样,但是原理是相通的,学会学精其中一种,其他的自然会上手很快,都是触类旁通的知识!所以,与其纠结学哪种,倒不如有哪种做哪种,立马去做!

最后电气电工技术希望每一个PLC入门者都可以找到方向,立马去做,坚持学习,功到自然成,加油!

电工:老师傅一步步教你入门PLC编程,这样你总可以学会了吧!

电力作业人员都知道,PLC的在工业生产和自动化发展中的应用越来越广泛,作为繁重的交流接触器配电柜和继电器控制柜的替代者,PLC具有体积小,反应快,能耗低,操作简单,维护方便,集中控制等优点。在实际的操作中,受到了广大电气人的喜爱,掌握PLC相关知识是电力作业人员的必备技能,但是还是有很多的电工师傅对于PLC不是很了解,甚至没有入门,其实想要入门学习PLC是很简单的。

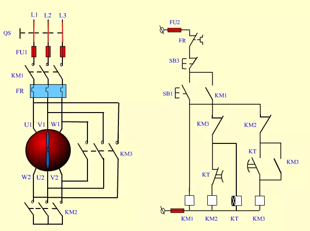
为了能够更好的理解PLC控制过程,我们以最经典最简单的:电动机双重连锁正反转控制电路来分析说明,电动机控制电路图如下所示:

一,PLC工作电源的接入:PLC上有电源标识,按要求接入电源即可。

二,电动机双重连锁正反转PLC编程说明:

电路图中:SB1—停止按钮—X0—红按钮。

电路图中:SB2—正转按钮—X1—黄按钮。

电路图中:SB3—反转按钮—X2—蓝按钮。

PLC外部接线图如下图所示:

三,PLC编程的工作逻辑(和电路图逻辑一样)。

四,PLC的I/O点分配表及系统编程功能的逐步实现(熟练后可以直接写出来编程语言,不用一步步画和写)。

五,PLC编程的逐步实现。

六,最终PLC双重联锁正反转控制程序完成,输入PLC程序运行即可。

七,关于PLC常用的控制过程解析:

以上仅为PLC入门篇,说的不合适的地方还请见谅!PLC是电力作业人员的基本技能之一,入门简单,精通却不容易,需要坚持学习,不断练习,欢迎关注,一起交流学习电气电工知识!

相关问答

plc编程入门教程?

步骤/方式2星--三角起动主线路图设计出来以后,就可以把实物接触器线路接好,等待备用。步骤/方式3星--三角起动PLC接线图设计,把I/O点标号做好,以免接线的...

PLC编程入门怎么学?

1、养成良好的兴趣既然都对PLC编程没有兴趣,那怎么可能学好呢。因此可以把编程当成一项趣味的智力游戏,这样就会促使你有足够及毅力耐心去完成编程。2.PLC学...

plc编程入门怎么学?

1、养成良好的兴趣既然都对PLC编程没有兴趣,那怎么可能学好呢。因此可以把编程当成一项趣味的智力游戏,这样就会促使你有足够及毅力耐心去完成编程。2.PLC学...

plc编程入门怎么学?

1、养成良好的兴趣既然都对PLC编程没有兴趣,那怎么可能学好呢。因此可以把编程当成一项趣味的智力游戏,这样就会促使你有足够及毅力耐心去完成编程。2.PLC学...

零基础怎么学PLC编程?

学习PLC编程,需要从以下几个方面入手:学习PLC基础知识,包括PLC的组成、工作原理、常见元器件等;学习PLC编程语言,包括指令集、程序结构、变量类型等;了...

零基础怎么学PLC编程?

如果您零基础想要学习PLC编程,可以参照以下步骤:1.先了解基础概念:学习PLC编程需要先掌握电气、电子和自动化等领域的相关基础知识。了解数字电路、传感...

plc编程技巧口诀?

PLC中无非就是三大量:开关量、模拟量、脉冲量。只在搞清楚三者之间的关系,你就能熟练的掌握PLC了。1、开关量也称逻辑量,指仅有两个取值,0或1、ON或OFF。它...

PLC编程过程?

PLC编程的过程大致分为以下几步:1.确定控制任务和要求:根据控制对象的特点和需要控制的内容确定控制任务和要求,例如控制机器的启停、转速、温度、压力等。...

学好PLC编程,需要做好哪些准备?

学好PLC编程,需要做好哪些准备?你好。作为一名2007年参加工作,十二年编程经验的一名老程序员。我想我还是有一定的资格来为你解答这个问题。1,首先要具有...

新手如何进入plc编程行业,该注意些什么?

新手如何进入plc编程行业,该注意些什么,plc编程行业涉及到的东西很多,但不要求立刻就懂,它是一个循循渐进的过程或者说一个螺旋式内容的学习过程,入门很简单...

 药物去势  末日种子库 
王经理: 180-0000-0000(微信同号)
10086@qq.com
北京海淀区西三旗街道国际大厦08A座
©2025  上海羊羽卓进出口贸易有限公司  版权所有.All Rights Reserved.  |  程序由Z-BlogPHP强力驱动
网站首页
电话咨询
微信号

QQ

在线咨询真诚为您提供专业解答服务

热线

188-0000-0000
专属服务热线

微信

二维码扫一扫微信交流
顶部