课程中心
HOME
课程中心
正文内容
plc编程com端口设置 三菱PLC无法连接,com端口你设置对了吗?
发布时间 : 2026-03-25
作者 : 小编
访问数量 : 23
扫码分享至微信

三菱PLC无法连接,com端口你设置对了吗?

三菱PLC无法连接,com端口你设置对了吗?

这里排除编程线驱动安装问题,在正常安装编程线驱动的情况下。(WIN7我用的编程线在线自动安装驱动)

三菱PLC当你安装好编程软件,测试无法连接上PLC时,并提示:指定了无法使用的COM口,请确认COM端口的设置后,再次执行。如下图的情况。

下面我们只需要查看编程线所使用的端口编号并返回编程软件选择正确的端口就可以了。

下面以WIN7系统为例

首先右击我的电脑 属性

然后选择设备管理器

点击端口左边的小三角查看隐藏项,可以看到COM端口

那么我的编程电缆连接的COMN口就是COM4

下面打开三菱的编程软件,点击在线 PLC读取

选择正确的PLC系列,并点击确定

双击下图的第一个图标

选择COM4,并确定

点击下图的通信测试,弹出窗口提示连接成功。

点击确定,至此连接成功。

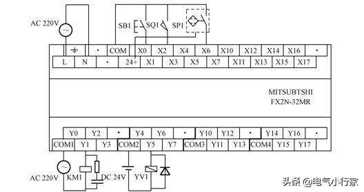
PLC中COM端口和什么接在一起?搞清楚内部接线就简单了

每一种PLC的输入端COM口的名称都不相同,三菱PLC老一点的叫做COM端,FX-3U叫作S/S,西门子的公共端称为M,它们的作用都相同,通常数量不多。

下面就以FX2N和FX3U系列为例给大家讲一下

FX2N的COM端接线方式

三菱PLC FX2N系列中的输入端有COM口和24+两个端子,这两个端子是整个输入端最重要的两个,其中COM端是与内部0V相接,内部24V+是与端子X0-X17相接的,那么能够改变的就是外部端子,如果是一般开关量输入,就是非常简单了,开关两根线分别连接COM和X0就可以了。

如果是三线制的传感器,由于FX2N的PLC是漏型输入,所以只能接入NPN型传感器,不建议使用中间继电器进行转接,接不好把PLC都有可能烧掉,接线的原则是棕正蓝负黑信号。

FX3U系列S/S端接线方式

3U系列的COM端改名叫做S/S,上面说到2N系列由于是漏型输入只能接入NPN型传感器,所以这3u系列就进行了改进,支持两种型号的传感器,但是前提是正确的接线。

如果把S/S接入24V时,那么信号就需要从X输入点流出,然后再流入S/S,这种方式称为漏型,相反S/S接入0V,称为源型,确定了漏型和源型,才能够选择传感器类型。

所以漏型输入接的是NPN型传感器,源型输入接的就是PNP型传感器。

但是要注意一点,同一种输入类型只可以接一种传感器。

总结

上面讲的都是三菱的情况,因为三菱的输入端都是带有电源的,西门子是不带内置电源的,所以情况相反。

相关问答

请问下三菱PLC编程软件的通信端口怎样设置啊?就是设置COM几...

请问下三菱PLC编程软件的通信端口怎样设置啊?就是设置COM几的那个我刚买了个三菱PLC程序下载线USB接口的连接线亚马逊亚马逊USB连接线讨论回答(5)你应该...

下载PLC程序时如何找Com?

1.找Com2.在下载PLC程序时,需要找到正确的Com口,因为Com口是用来连接电脑和PLC设备的通信接口。如果找不到正确的Com口,就无法成功下载程序。3.要找到Com口...

西门子plc怎样设置com口?

要设置西门子PLC的COM口,您需要遵循以下步骤:1.打开西门子PLC的编程软件(如STEP7)。2.在项目树中选择PLC的硬件配置。3.找到要配置的COM口,并双击打开配...

Plc的Com是什么接口?

PLC开关量输入接口电路的类型有两种,源型输入和漏型输入。源型、漏型是指直流输入/输出型plc而言,针对于PLC的是输入点/输出点的公共端子COM口,当公共点接入...

PLC编程软件在仿真时出现指定了不能使用的COM端口有哪位...

三菱GXPLC编程软件能仿真也能变成监控运行啊指定了不能使用的COM端口应该是你点了那些只有联机才能用的功能吧plc的cpu错误可能为不支持的指令,或者你的pl...

plccom口怎么接线?

PLCCOM口接线方法是根据PLCCOM接口的标准来进行连接的。PLCCOM接口是一种用于工业自动化领域的通信接口,它通常用于连接PLC(可编程逻辑控制器)和计算机之间进...

欧姆龙plc的com怎么设置?

要设置欧姆龙PLC的COM通信,您需要执行以下步骤:1.打开欧姆龙PLC的编程软件(如CX-Programmer)并打开您的项目。2.在软件的界面中,找到“PLC”(或“Control...

plcc端口怎么设置?

COM口是公共端,不用编程。对于继电器输出来说,COM端接火线,Y0接通时就输出220V电压,Y0接负载,负载的另一端接零线,就可以了;或者COM端接+24V,Y0接通时...CO...

欧姆龙plc里com端接什么线?

不管是输入端还是输出端的COM口,要接什么,具体是看设备。以输入端为例,因为是采集反馈信号,所以一般当输入端和COM直接有24V时,输入端吸和,那么如果设备反...

三菱plc找不到com端口?

可能找不到。1.三菱plc在使用前需要先设置通信端口,如果设置不当,会出现找不到com端口的情况。2.如果你使用的电脑没有安装相应的驱动程序,或者你使用的电缆...

 2022两会  铁旅修改器 
王经理: 180-0000-0000(微信同号)
10086@qq.com
北京海淀区西三旗街道国际大厦08A座
©2026  上海羊羽卓进出口贸易有限公司  版权所有.All Rights Reserved.  |  程序由Z-BlogPHP强力驱动
网站首页
电话咨询
微信号

QQ

在线咨询真诚为您提供专业解答服务

热线

188-0000-0000
专属服务热线

微信

二维码扫一扫微信交流
顶部