直播课堂
HOME
直播课堂
正文内容
海为plc编程热泵 PLC和HMI在水源热泵自动控制系统设计实例
发布时间 : 2026-03-13
作者 : 小编
访问数量 : 23
扫码分享至微信

PLC和HMI在水源热泵自动控制系统设计实例

论文针对笔者自行开发设计的水源热泵的制热机组,设计可编程控制器PLC和触摸屏HMI自动控制系统。

水源热泵以其高效节能、运行稳定可靠、属于可再生能源、环境效益显著、一机多用、自动控制程度高、使用寿命可达20年以上、占地面积小等诸多优势,得到许多厂家应用。

对水源热泵而言,用可编程控制器(即PLC)和人机界面触摸屏(即HMI)自动控制系统较之接触器-继电器自动控制系统,硬件系统简洁明了、软件系统得天独厚。

笔者曾在吉林某地就开发设计了一套水源热泵系统,经过几年的实际应用,效果良好。笔者愿把开发设计的经验献与同仁。

制热系统结构

在与用户商谈时,笔者把水源热泵冬季供热,夏季也可以制冷的特点给予叙述,但用户说北方夏季高温的情况也就15-20天,不需制冷,但冬天季节时间长,保证有效供暖即可。水源热泵系统冬季工作时,地下水由潜水泵抽上来经过水源热泵机组制冷介质蒸发器和冷凝器,通过少量的高位电能输人,实现低位热能向高位热能转移。

热泵侧循环水,由用户末端设备回来的35℃~40℃的水,经过水源热泵机组再制备成50℃的热水送到用户末端设备进行制热采暖。取热后的地下水通过回灌井返回到地下。为节省篇幅,请见图1所示,“水源热泵热水机组制热实际系统图”。

自控系统主电路设计

本水源热泵自控系统包括主电路设计、控制电路设计。主电路设计包括热水泵主电路,冷水泵1/2主电路,压缩机主电路。主电路需完成的功能由热水泵启动及运转;冷水泵1和2启动及运转;压缩机启动及运转。

压缩机启动为四级有级调节,星-角启动,并有四个能量电磁阀组成。其分别是25%电磁阀、50%电磁阀、75%电磁阀、100%电磁阀。其中,25%电磁阀为卸荷阀,其余为增加能量电磁阀。为保护压缩机设置喷液电磁阀、油位电磁阀、压缩机加热电磁阀。请见图2所示“水源热泵制热机组主电路图”。

图1:水源热泵热水机组制热实际系统图

图2:水源热泵制热机组主电路简图

自控系统控制电路设计

本水源热泵自控系统包括控制回路电器设计,PLC硬件系统设计,PLC和HMI的软件设计。

1控制回路电器、PLC及HMI硬件系统设计

根据PLC控制点数统计,及本着够用且实用的原则,选择韩国LGK7M-DR40U的PLC一套及G7F-RD2A四路模拟输入、输出扩展模块2套;LG PMU-330伪彩,5.7英吋触摸屏1块。

2 PLC和HMI系统的硬件设计

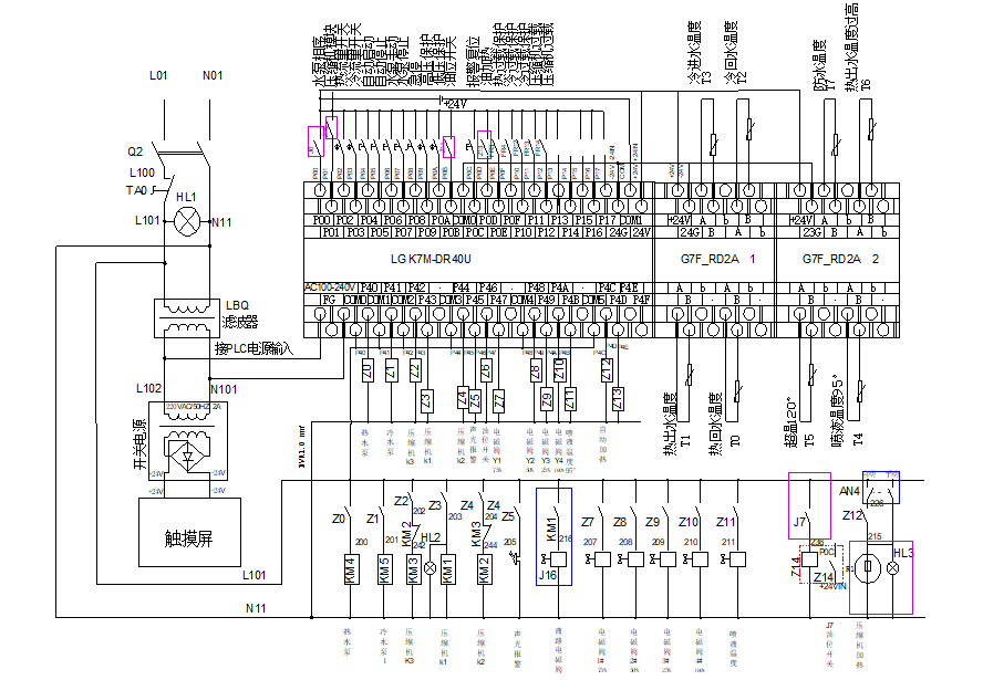
PLC虽然抗干扰能力很强,但设计时还应该考虑电磁干扰,在控制电源回路里加上滤波器,保证PLC有良好的接入电源。为节省篇幅,PLC和HMI的硬件设计见图3所示的水源热泵机组系统PLC硬件图。

3 PLC及HMI系统程序软件设计

PLC与触摸屏HMI通过RS232C连接,触摸屏HMI可实时显示和监控设备的运行状态,并且只需轻触触摸屏屏幕地相应位置即可向PLC发出指令和数据,再通过PLC完成对设备的控制,可制成多幅监控画面。

实际上,软件设计就是根据项目的工艺条件而设计完成的。软件设计的好还取决于对工艺的透切理解、以及面对对象多层次的保护。为节省篇幅,PLC的程序设计见图4所示:PLC及HMI程序框图。

图3:水源热泵机组系统PLC硬件图

图4:PLC及HMI程序框图

结语

水源热泵项目为吉林梅河口7800平米的中小商场供暖立项,对这个项目,本人初使的设计构思,就是设计复杂,但操作极其简单,维护简便。现在从水源热泵的主电路设计、控制电路设计、PLC和触摸屏HMI的设计均实现了水源热泵制热机组的工艺条件,运转良好。该项目的成功实施,也带动了水源热泵在周边地区的进展,使之成为带标志性的项目。

(编自《电气技术》,作者为李刚。)

空气源热泵PLC控制系统取暖解决方案

我国采暖方式主要有集中供暖、空调采暖、电采暖等常规采暖方式。新兴的热泵采暖方式,因其节能的特性,得到越来越多的用户关注。

空气源热泵是带地暖的中央空调?空气源热泵控制系统包括中央空调系统、地暖系统和热水系统。空气源热泵运行费用低,相对于其它供暖设备,其更能节能约20%,可充分利用低温热水资源或利用电价政策,降低运行费用。

空气源热泵系统稳定性好:地面供暖地面层及混凝土层蓄热量大,热稳定性好,在间歇供暖的条件下,室内温度变化缓慢,恒温保证更舒适的家居环境。

空气源热泵系统使用寿命长:低温地面供暖中塑料管材或发热电缆埋入地下,稳定性好、不腐蚀,无人为破坏,使用寿命与建筑物同步。相对于其他供热方式节约维护和更换费用,使用寿命越长越为你省钱。

空气源热泵系统适应性强:设备不受室外温度的影响,大大延长采暖系统的寿命。无论你在天涯海角都可以使用空气源热泵系统。

以上为空气源热泵的优点,创福新锐专于PLC控制空气源热泵系统的定制生产12年。公司拥有一支30人的技术团队,能够为各个项目提供PLC编程定制及现场调试的服务。

相关问答

热泵机组报警显示HMI通讯异常是什么情况?

然后你这个现象是调试过程还是使用过程?如果调试的,肯定是参数没设定好。否则参数设置正确肯定是没有问题的,设置那个需要点耐心的,PLC和HMI侧都要仔细检查...

rievtech是什么品牌plc?

RIEVTECH是南京道勤电子有限公司的自动化微控制令的制造商,提供微PLC、超级继电器、以太网PLC,WIFIPLC,GSM/GPRSPLC工业触摸屏等产品这产品为空调系统,监控...

网友们请赐教!西洋参热风烘干房工艺流程是什么?求解答

[回答]西洋参热风烘干房客户依据不同的需求定制,如空气能热泵中药材烘干房价格相对高,但智能化、绿色环保、动力耗用低,运用燃煤型中药材烘干房,价格便宜,...

柴胡烘干设备工艺流程是什么?

[回答]坚持菊花的香味,并能确保菊花的色彩、形状。并且后期花朵不会长虫子,运输过程中不易破碎。智能化中药材烘干房操作简略,智能中药材烘干房为PLC全触...

西洋参热风烘干房工艺流程是什么?大侠们,求解

[回答]坚持菊花的香味,并能确保菊花的色彩、形状。并且后期花朵不会长虫子,运输过程中不易破碎。智能化中药材烘干房操作简略,智能中药材烘干房为PLC全触...

柴胡空气能烘干设备受哪些因素影响?教期待大神解答

[回答]中药材烘干房按不同的热源来分为:电加热中药材烘干房、燃煤型中药材烘干房、燃气中药材烘干房、空气能热泵中药材烘干房,不同热源的中药材烘干房,有...

帮个忙老铁们!十万火急!卧式烘干塔?,卧式烘干搅拌机哪个...

[回答]PHNIX的高温烘干热泵特点阐述如下:1、高品质,当前烤房均采用人工燃烧来控枝察制温度,由于受操作人员的烧火技术,导致烘干质量不稳定,PHNIX的高温烘...

水泵节能的方法与技术_住范儿家装官网

进入新世纪以后,真正的“水泵智能控制系统”不再是“变频器”控制技术的演变。在有效利用变频器的同时,水泵节电控制技术还加入了PLC、人机界面、滤...

机们,求解答,节能的变频电磁蒸汽发生器价格表,变频电磁蒸...

[回答]对接接下来的服务。看空调的型号字母,带BP字样的就是变频空调,带Z字样的就是直流变频空调。可以分析下从机器的铭牌上看一下额定功率制冷量比如KFR...

帮个忙,西洋参烘干设备受哪些因素影响?还请不吝赐

[回答]坚持菊花的香味,并能确保菊花的色彩、形状。并且后期花朵不会长虫子,运输过程中不易破碎。智能化中药材烘干房操作简略,智能中药材烘干房为PLC全触...

 大众网球  永磁滚筒 
王经理: 180-0000-0000(微信同号)
10086@qq.com
北京海淀区西三旗街道国际大厦08A座
©2026  上海羊羽卓进出口贸易有限公司  版权所有.All Rights Reserved.  |  程序由Z-BlogPHP强力驱动
网站首页
电话咨询
微信号

QQ

在线咨询真诚为您提供专业解答服务

热线

188-0000-0000
专属服务热线

微信

二维码扫一扫微信交流
顶部