直播课堂
HOME
直播课堂
正文内容
plc编程编写内容视频 PLC编程全套视频教程(加教学软件),无需购买PLC
发布时间 : 2026-03-09
作者 : 小编
访问数量 : 23
扫码分享至微信

PLC编程全套视频教程(加教学软件),无需购买PLC

本人从事机械行业的工作,在工作中深刻认识到了机电不分家这个道理。特别是从事自动化设备的研发,更是不能脱离电气。如果一个机械工程师对电气、控制方面的知识一无所知,毋庸置疑,这不是一个合格的工程师,在工作中可能也会遇到难题不知所措。于是,最近在网上各种找资源,学习PLC电气控制。现将一套系统全面容易理解的好的教程分享给大家。有需要的可私聊我。

课程框架

课程目录(入门)

课程目录(触摸屏)

课程目录(高级)

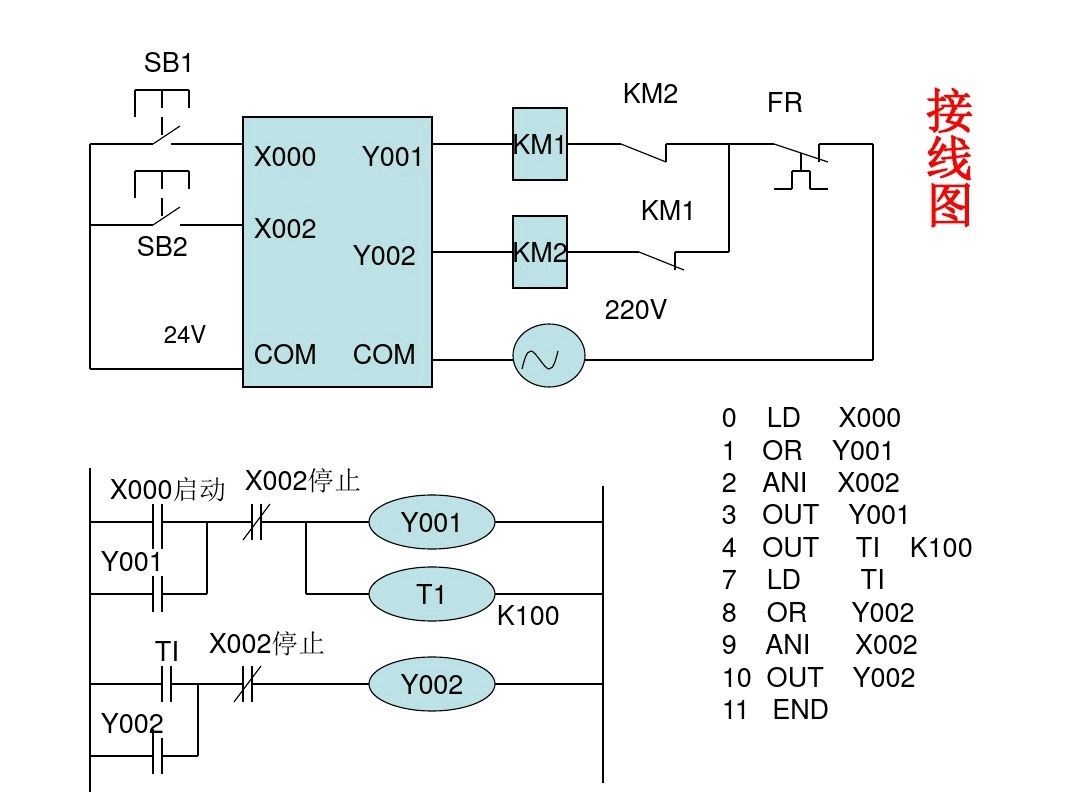
以上图片为该课程的框架、详细目录(还有一部分没有列举出来),每节课30分钟左右。教学结合三菱的模拟教学软件进行讲解,都是采用理论知识结合案例的方式进行讲解,学习趣味性强,不会让人觉得那么枯燥,可以边听边练习,不需要购买PLC就可学习,只需要安装一个教学软件,教学软件我会免费送给大家。

模拟教学软件

三菱PLC快速入门 从编写经典PLC编程案例开始

相关问答

plc是什么?都要学习那些东西?

PLC是一种在工业中被广泛应用的自动控制元件,然而PLC应用与编程人才短缺已经成为制约我国自动控制领域发展的瓶颈。通过学习PLC可编程控制器程序设计使学员掌...

触摸屏切换到某个界面时,PLC程序里的M0怎样自动接通呢?

看到这个问题很有意思就来试试,我们知道触摸屏主要是控制PLC的,现在要实现触摸屏切换来控制PLC的辅助继电器M,我们来说下思路,首先是触摸屏的切换,这个信息...这...

不同的PLC编程有什么不同。怎么学习不同的PLC编程。-ZOL问答

怎么学习不同的PLC编程。讨论回答(7)区别主要是一些符号、代码的区别,这个主要决定于厂商;当然还有各PLC所支持的功能有所区别,这个主要决定于金钱,梯形图学会...

新手如何进入plc编程行业,该注意些什么?

新手如何进入plc编程行业,该注意些什么,plc编程行业涉及到的东西很多,但不要求立刻就懂,它是一个循循渐进的过程或者说一个螺旋式内容的学习过程,入门很简单...

学习西门子的PLC编程,需要哪方面的理论知识?

你好,很荣幸能回答你的问题,希望我的回答对你有帮助。你遇到的问题我在学习PLC过程中也遇到过。这应该是大家的必经之路吧。学习任何一个品牌PLC都需要一定的...

想系统学习PLC,不知道哪有免费的视频教程和编程软件,跪求各位大神指教?

哪有免费的视频教程和编程软件?类似的问题平台有很多,记得也回答了很多。看到问题中免费二字,也能略知你当前对学习的心态。免费的视频教程,有价值的专业...

如何用plc程序模拟量控制变频器?

言归正传,下面讲讲200smart如何控制变频器模拟量输出在西门子200smart中是通过plc的数模转换模块实现的,首先plc内部是一个0到+27648的一个内部数据,我们可...

对PLC和电气技术零基础的人,有什么书或者教学视频值得推荐?

首先,作为一个PLC新手,你一定要做到多动手、多动脑,首先你必须把理论基础打牢,一座房子主要还是地基要稳,所以你要准备PLC入门基础相关的书籍进行学习入门,...不...

PLC编程培训学习的三个重要环节?

[回答]东莞市汇缘教育咨询有限公司解析:有关PLC编程培训这一块的学习分成三个环节。初始阶段:PLC新手入门肯定是先了解不一样的品牌(西门子PLC、三菱)不一...

PLC怎么连接电脑?怎么把在电脑编程好的程序放入PLC运行?

三菱FX系列PLC如何接线及如何通过RS232进行下载程序今天简单给大家介绍下三菱FX系列PLC如何接线和如何通过RS232进行下载程序,简单的说明帮助大家能快速与PLC通...

 自出版  广州 团购 
王经理: 180-0000-0000(微信同号)
10086@qq.com
北京海淀区西三旗街道国际大厦08A座
©2026  上海羊羽卓进出口贸易有限公司  版权所有.All Rights Reserved.  |  程序由Z-BlogPHP强力驱动
网站首页
电话咨询
微信号

QQ

在线咨询真诚为您提供专业解答服务

热线

188-0000-0000
专属服务热线

微信

二维码扫一扫微信交流
顶部