研选课堂
HOME
研选课堂
正文内容
plc编程应用基础实验 PLC初学者学习步骤
发布时间 : 2026-03-13
作者 : 小编
访问数量 : 23
扫码分享至微信

PLC初学者学习步骤

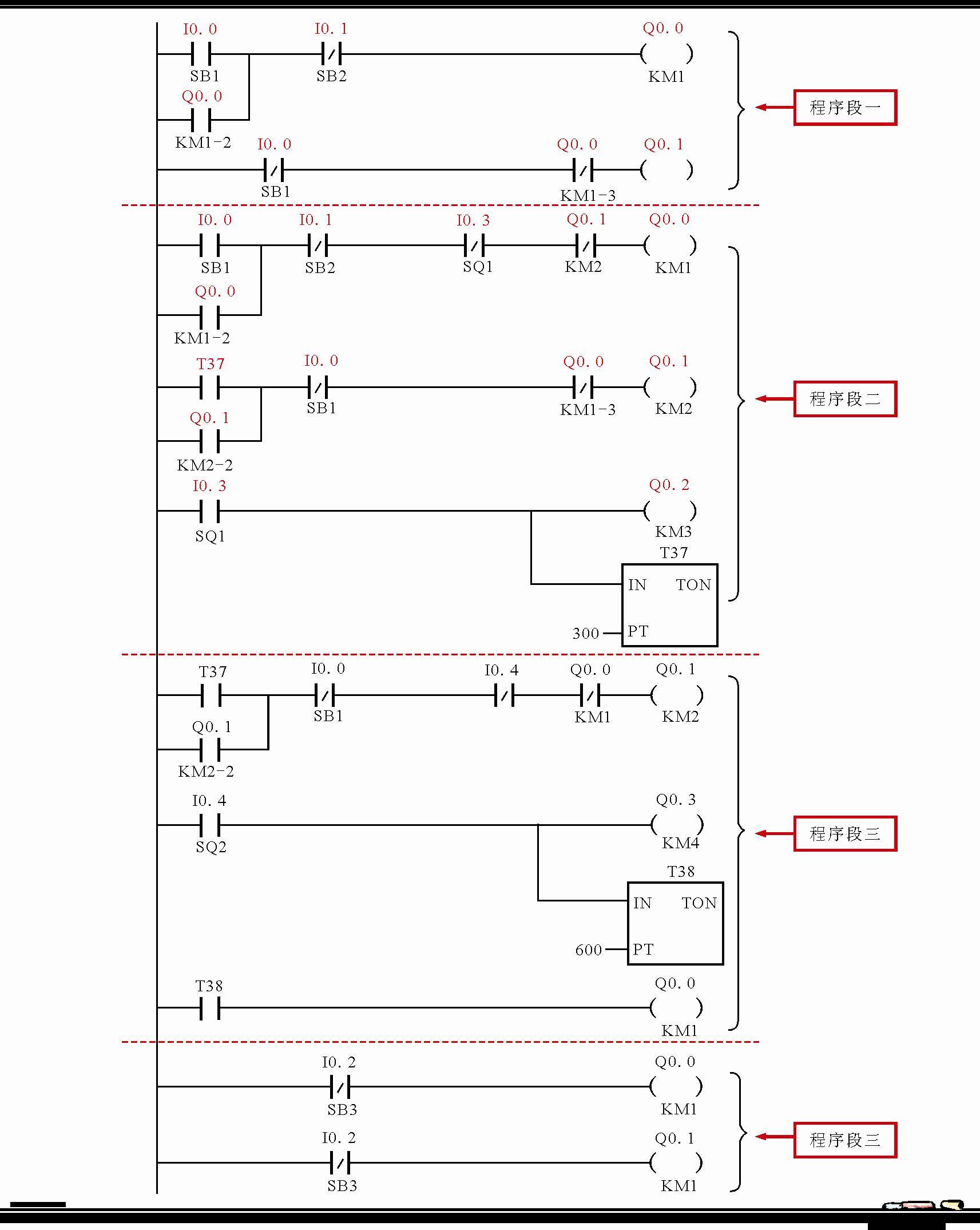
一、小型CP系列1、I/O接线

1、接线

(1)、PLC输入接线包括按钮输入接线、NPN型接近或光电开关接线、PNP型接近或光电开关接线。

(2)、PLC输出接线包括继电器输出型接线、晶体管NPN型输出接线、晶体管PNP型输出接线。同时按负载的不同类型进行接线,如:灯、继电器、伺服等。主要掌握PLC的几种不同输出类型的差别,接线上的注意点。(接线的基本技巧是电流导通法和电压的适应负载)

(3)、实际动手把按钮和继电器接入PLC。实现单按钮启停。

2、简单编程

(1)、熟悉软件的基本操作包括:OMRON软件刻录、安装,打开编程软件,新建工程,保存工程,打开工程,与PLC在线,模拟,监视I/O地址,新建任务,新建段,新建I/O表,设置PLC参数等。

(2)、了解小型PLC的I/O分配和扩展包括:CP1E/CP1L/CP1H三个系列本体的I/O分配和三个系列扩展模块的I/O分配。弄懂外部输入输出,PLC内存分配(各部分内存区的作用和不同点)。

(3)、熟悉基本指令包括:TIM/SET/RSET/KEEP/CNT/MOV/MOVL/XFER等指令。

(4)、学会PLC的简单操作(如上下载程序)包括:懂得拨码开关的作用和设置,USB上下载程序,串口上下载程序等。

(5)、PLC硬件的熟悉、选型。包括:熟悉小型PLC的各个系列、各个型号的特点和区别。他们包含的功能、扩展等。

3、掌握小型PLC的一些基本功能

(1)、脉冲控制功能(重点掌握)包括:弄懂脉冲控制原理,CW/CCW与脉冲加方向控制的区别,连续模式与独立模式的区别,原点搜索的作用,相对与绝对的差别。学会点动、停止、相对位置正反转、原点搜索(熟悉掌握原点搜索的几种不同方式的区别和设置)、绝对位置正反转、自动往复走等功能。通过以上功能掌握SPED/INI/PLUS/PLS2/ACC等指令的使用。

(2)、串口通信功能(重点掌握)包括:串口通信原理、接线、端口定义。PLC与触摸屏连接、PLC与PLC连接、PLC与电脑连接、PLC与温控器/变频器等连接、PLC与第三方设备连接。根据以上的几种连接,掌握NT-LINK/PC-LINK/HOST-LINK/TOOLBUS/串口网关/RS-232C(无协议)等通信方式。学会与不同设备通信时连接线的制作。

(3)、以太网通信功能(重点掌握)包括:以太网通信原理,IP地址的作用和设置,了解TCP和UDP方式的差别,了解路由表的作用,学会制作路由表。掌握CP1W-CIF41、CJ1W-EIP21、CJ1W-ENT21等以太网模块的使用,了解OMRON FINS指令的通信和CJ1W-EIP21数据共享功能。

(4)、高数计数功能包括:接线,旋转编码器的原理及使用,PLC的高数计数设置,高数计数的几种不同方式的原理及使用,高数计数中断功能,比较表登录比较等。

(5)、模拟量功能包括:了解数模转换和模数转换,平均值功能,峰值功能和谷值功能等。知道电流与电压的差异,懂得如何接线等。

(6)、中断功能包括:中断原理及作用。区分定时中断、外部I/O中断、高数计数中断、输入中断。

二、中型CJ系列

1、了解CPU及各种模块硬件构成

(1)、CPU模块包括:CJ1M/CJ1G/CJ1H以及CJ2M/CJ2H这几个系列CPU的功能,硬件结构,特点等。

(2)、了解其它各种模块的作用包括:I/O输入输出单元(CJ1W-ID211/261和CJ1W-OD211/261)、以太网模块(CJ1W-ETN21/CJ1W-EIP21)、位置控制单元(CJ1W-NC113/213/413/133/233/433)、模拟量输入单元(CJ1W-AD041/081)、模拟量输出单元(CJ1W-DA041/081)等。

2、控制功能(1)、伺服控制主要掌握CJ1W-NC413的功能。包括:控制原理、接线、直接操作、存储器操作、学会CX-Position软件的使用。

(2)、网络控制主要掌握以太网控制和DeviceNet控制功能。以太网包括:CJ1W-ETN21与CJ1W-EIP21的差异、以太网通信原理、以太网通信特点、了解OMRON FINS通信功能(掌握SEND/RECV/CMND等指令的使用)、了解CJ1W-EIP21的数据共享功能(掌握Network Configurater软件的的使用)。DeviceNet包括:CJ1W-DRM21模块的使用及接线、OMRON DeviceNet从站的数据共享配置、其它厂家DeviceNet从站的数据共享配置。

(3)、串口通信主要掌握CJ1W-SCU21/31/41模块的使用。了解协议宏功能以及CX-Protocol软件的使用。

(4)、模拟量控制主要掌握CJ1W-AD041/081和CJ1W-DA041/081模块的使用。

3、编程

(1)、了解CJ系列的I/O及内存分配

(2)、学会创建I/O表

(3)、掌握梯形图编程、功能块的使用、SFC顺序功能图编程、ST语言编程。

三、实验

(1)、触摸屏连接PLC实验;

(2)、高数计数和中断功能实验;

(3)、模拟量控制变频器程序的编写与测试;

(4)、RS485通信方式控制变频器的程序编写与测试;

(5)、DeviceNet通信的实验;

(6)、小型PLC与CJ内置脉冲控制的动手实验;

(7)、NC单元的脉冲控制功能的动手实验;

(8)、PC-Link通信实验;

(9)、串口无协议通信TXD、RXD指令程序的编写与测试;

(10)、以太网通信SEND/RECV/CMND指令程序的编写与测试;

(11)、温控器与PLC通信实验。

PROFINET基础知识介绍,实例讲解西门子PLC通讯控制机器人!

工业以太网一般使用IEEE 802.3中定义的以太网标准。针对自动化系统的网络节点辅助采用了服务质量( QOS)机制。PROFINET作为工业以太网之一,它采用了三种不同的方法来实现。这样既满足了普通以太网的需求,又满足了工业系统对不同应用的实时性的要求。如下图1所示。

图1、PROFINET使用到的三种协议栈

① 使用了IEEE 802.3以太网标准和TCP/IP,报文结构如图2所示。大多数的PROFINET通信是通过没有被修改的以太网和TCP/IP包来完成。这使得可以无限制地把办公网络的应用集成到PROFINET网络中。

图2、TCP/IP报文结构

② RT的通信不仅使用了带有优先级的以太网报文帧(如下图3所示),而且优化掉了OSI协议栈的3层和4层。这样大大缩短了实时报文在协议栈的处理时间,进一步提高了实时性能。由于没有TCP/IP的协议栈,所以RT的报文不能路由。

图3、PROFINET RT报文结构

③ IRT通信是满足最高的实时要求,特别是针对于等时同步的应用。IRT是基于以太网的扩展协议栈,能够同步所有的通信伙伴并使用调度机制。IRT通信需要在IRT应用的网络区域内使用IRT交换机。在IRT域内也可以并行传输TCP/IP协议包,如图4所示。

图4、PN控制器和PN设备的分片处理机制

以PROFINET RT为例来理解在整个通信的过程中实时性能是如何来保证的。

从通信的终端设备(PN控制器和PN设备)来看,首先采用了优化的协议栈,这一点可以在图1的 ②看到。这样一来在终端的设备上数据报文被处理的时间大大的缩短,这是实时性能保证的一个方面。其次是终端设备上采用的分时间段处理机制,这一点可以在图5看到。这样保证了在每个通信的循环的周期内终端设备即可以处理RT的实时数据又可以处理TCP或UDP的数据。且在每个循环内优先处理RT的实时数据。这里需要强调的是每个PN终端设备只对自己的负责,需要发送的数据会按发送循环发送、对于由其他设备发到自己的数据会进行立即接收,且发送和接收是并行处理。

图5、RT的时间调度机制

从通信的传输设备(SCALANCE X交换机)来看,首先采用百兆全双工的交换网络,这样一来每个终端设备的每个端口都是独享带宽,且可以双向不间断的收发数据。其次是交换机支持802.1P或802.1Q的标准,使得发到交换机网络的PN的数据帧被优先处理和转发,如图6所示。这一点保证了PN在网络上的快速转发,也是实时性能保证的另一个方面。

图6、交换机802.1Q的工作机制

上面介绍的是PN RT的实时性能从机理上如何保证的。而从量化的角度去分析的话,PN RT完全是靠计算来精确保证每个发送循环所能发送的报文及对RT数据的时间的预留。

对于RT来说,在物理层上传输的最小报文帧来为88个字节,最大报文帧来为1488个字节。其中包括了12个字节的帧间隔,如下图7所示。

图7、RT的报文的长度

百以太网的传输速率 :

每个字节传输需要的时间:

最小的RT报文帧需要的传输时间 0.08

一个PN控制下带3个最小报文帧(40个字节的C_SDU)的PN设备,PN 控制器的发送循环为250 ,通信建立后在PN接口上抓报分析PN的通信可以分析出PN数据帧对时间调度的情况,如下图8所示。

图8、PN RT的时间调度机制

除了对PROFINET RT和IRT的通信调度的分析外,还对PROFINET的抗干扰性作了大量的研究。在对PROFINET推广的时候,很多用户很关心PROFINET是不是和PRROFIBUS一样,存在抗干扰的性能差的特点。我从理论和实际实验上验证了PROFINET的抗干扰性能优于PROFIBUS的抗干扰性能。PROFINET是基于IEEE 802.3的以太网标准。所以对PROFINET的抗干扰分析实质上是对工业以太网的抗干扰分析。

好吧!理论说完了,我们实例讲解一下吧!

今天带来的案例是博途PLC通过PROFINET连接库卡机器人!

网线连接至控制柜门上的KLI端口,另一端连接到交换机,PLC也连接到交换机(交换机无型号要求),交换机再连接到电脑。

首先将编程电脑、PLC、KUKA设置成统一网段,因KUKA的底层设置原因,最好不更改机器人IP地址

1:添加新设备 2:导入GSD文件

安装GSD,并把KUKA设备进行组态

在视图里面进行连接

删除安全模块、设置地址、设备名称

设置好以上后(包括PLC地址),接下来就可以编译下载到PLC。下载完成后PLC会报红灯,是因为下一级组件存在故障,即还没有设置机器人端,连接不到下一级组件,所以报错。也可以使用此方法判断是否连接成功。

WorkVisual对KUKA进行设置

激活、添加Profinet、DTM选择Profinet

双击Profinet进行设置

进行信号映射

首先生成代码,再下载到控制器,注意在控制器上做好确认工作

机器人侧的信号确认:

机器人侧即为映射时的IN(..),PLC侧则是在博图里对KUKA设备设置时的IO地址

相关问答

plc编程小技巧?

学习plc编程可以按以下三步来进行:1、掌握PLC编程的基本原理。学习plc编程,你需要认识梯形图和继电器控制原理图,了解编程元件的分类,熟识PLC基本指令。...

零基础怎么学PLC编程?

1.学习基础知识:在学习PLC编程之前,需要先学习PLC硬件的基本结构、原理和常见的编程语言,例如LadderDiagram(梯形图)、FunctionBlockDiagram(函数块图......

欧姆龙plc可编程实验台上的com端是干嘛的?怎么接线?

是二次控制回路的公共端,当然可以接线,分输入和输出的公共端,一般采用为接地端是二次控制回路的公共端,当然可以接线,分输入和输出的公共端,一般采用为接地端

零基础学习PLC怎么能入门快?入门到会要经过哪些步骤?

如果是零基础的话可能学习起来需要走的路比较长,需要你很大的耐心。我建议首先买一本PLC基础教程,或者买一些零基础培训和视频课程,淘宝上很多。通过视频课程...

没有电工基础怎样快速入门plc?

回答如下:以下是一些建议,帮助您快速入门PLC:1.学习基础电工知识:PLC是电气控制系统的一部分,因此理解电流、电压、电阻等基本概念非常重要。2.学习PLC...

求助施耐德TWIDOPLC程序解密?

TWIDOPLC的编程软件没有UPLOAD命令,也没有密码比较的环节,解密是很难的。可以试验一下的是:用编程软件的Backup命令先把PLC程序由RAM备份到内部EEPROM,再把P...

想自学信捷PLC编程,怎样入门?

可以通过以下方式入门:明确可以通过在线公开课、教程等途径进行自学信捷PLC编程。自学PLC编程不需要太多专业知识和设备,只需要一台电脑和PLC及软件模拟器就可...

plc验机实验报告怎么写?

PLC验机实验报告需要按照以下步骤来进行撰写:1.开头介绍:在报告的开头,写明实验的名称和目的,简要说明实验的背景和意义,以及实验所涉及的技术和设备。同...

plc调试怎么去入门?

要入门PLC调试,首先需要学习PLC的基础知识,包括PLC的工作原理、接线方式、编程语言等。可以通过阅读相关的教材和参加培训班来学习。其次需要具备一定的电气...

PLC系统在线回路试验与仪表回路模拟试验,如何定额?-答疑解...

[回答]二取一。即;能做在线回路试验的,就不需要做模拟回路试验。

 广德地震  蓉亦通 
王经理: 180-0000-0000(微信同号)
10086@qq.com
北京海淀区西三旗街道国际大厦08A座
©2026  上海羊羽卓进出口贸易有限公司  版权所有.All Rights Reserved.  |  程序由Z-BlogPHP强力驱动
网站首页
电话咨询
微信号

QQ

在线咨询真诚为您提供专业解答服务

热线

188-0000-0000
专属服务热线

微信

二维码扫一扫微信交流
顶部