课程中心
HOME
课程中心
正文内容
门禁读卡与plc编程 教你一招把门禁卡写进手机,碰一下能开大门,智能手机的学起来
发布时间 : 2026-03-26
作者 : 小编
访问数量 : 23
扫码分享至微信

教你一招把门禁卡写进手机,碰一下能开大门,智能手机的学起来

为了提高安全保障,大多数小区都会设置门禁,并且只有刷门禁卡才能进,但是经常上班或者出门走的急,忘记带门禁卡,进不去家门就尴尬了。

今天就来教大家一招,将门禁卡写进手机里面,碰一下能开小区大门,如果你是智能手机,那么这一招可以学起来了。

第一步、

首先我们要打开手机的钱包功能。

第二步、

钱包页面上,有一个专门的卡证专区,点击"门钥匙" 进入下一页面。

不过页面上有银行卡、交通卡、EID、会员卡、驾驶证、行驶证、护照 都是可以进行添加和模拟的。

第三步、

拿出我们的门禁卡,对准手机后面,开启NFC功能。

将已有的门钥匙模拟到手机上。

第四步、

稍等片刻,页面上会显示读卡成功,然后添加门禁卡名称,有家、小区、公司 等。

目前仅支持市面上频率为13.56MHZ且未加密的门钥匙,部分加密的钥匙可以咨询物业进行解锁,然后添加成功哦。

我们在使用门禁卡开门的时候,需要点击开启设置, 打开NFC功能 ,然后添加NFC触碰应用,就能实现碰一碰解开小区大门。

NFC功能

手机门禁卡能写进手机,源于手机里面的一个功能"NFC" ,又称"近距离无线通讯技术 ",可以实现近距离的数据交换,并且速度远远超过蓝牙传输。

NFC功能一览 公交卡, 乘坐公交或者地铁,手机就能支付。还能完成充值交通卡。门禁卡, 手机直接能打开小区或者公司的大门。银行卡, 可绑定银行卡实现快速支付功能。连接其他蓝牙设备, 实现播放音乐或者其他智能电器设备。

如果你是智能手机,手机里面也有NFC功能,那么不妨将这篇干货收藏起来,这样我们出门带部手机就能自由进出家门,就算忘带门禁卡也没关系。

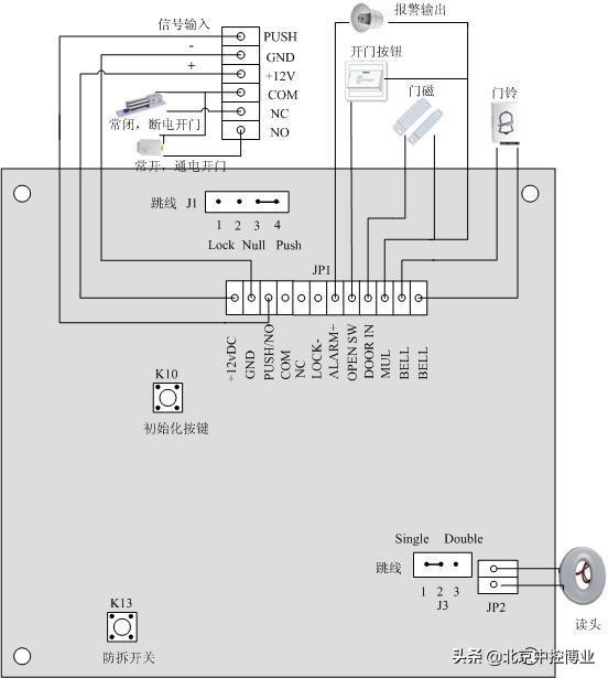
单门门禁一体机系统说明书

单门门禁一体机系统说明书

一.安装说明

卸下固定面板与底板的十字螺丝,取下底板,使用随机配备的胶塞和螺钉将底板安装在欲控制出入口的入口侧墙壁,注意上下方向。

警告:请勿带电操作,单门门禁一体机系统安装接线时切记先断开电源,确认接线无误后再接通电源!确认电源电压为直流12V和电源正负极!

二.线路连接图:

1.单门门禁一体机系统接线图

单门门禁一体机系统

三.跳线设置说明

1.J1跳线设置说明

①.J1跳1-2脚[Lock]: 电锁信号输出.

NO和LOCK-接通电开锁(如电控锁).

NC和LOCK-接断电开锁(如电插锁或磁力锁).

特别提示:为保证门禁运行稳定,建议电流大于500MA的电锁不要直接从门禁接线

②.J1跳2-3脚[Null]: 干触点信号输出.

NO和COM输出常开信号.

NC和COM输出常闭信号.

③.J1跳3-4脚[Push]: 出厂默认设置,电源信号输出,电锁接门禁专用电源,有效信号PUSH输出低电平.

2.J3跳线设置说明

①.J3跳线跳1-2脚[Single]:出厂默认设置,只本机读卡。

②.J3跳线跳2-3脚[Double]:本机和外接分体读卡头可双向读卡。

四.单门门禁一体机系统编程设置方法:

初始管理密码为12345, 用户密码为8888

1.进入编程状态:

按* => 输入管理密码 =>按#

2 功能设置(需在编程状态下)

(1) 修改管理密码

按0 => 输入新管理密码 => 按# => 再输入一次新管理密码 =>按#=>按*

注:密码为4-8 位任意数字

(2) 增加用户卡

按1 => 读卡 => 输入该卡四位数代码 => 连续读卡 => 按#=>按*

注:①.卡的代码为0001 - 9999任意不可重复的四位数字,

②.第一张卡必须输入代码否则该卡无效

③.如需连续增加卡则在输完四位数的代码后不必按#再输代码,直接连续读卡,最后按# 键

(3) 删除用户卡有三种方法

①.删除全部用户卡: 按2 => 按0000 => 按 #=>按*

②.删除被读的卡: 按2 => 读卡(如多张卡则连续读卡) =>按#=>按*

③.删除遗失的卡: 按2 => 该卡代码 =>按#=>按*

(4) 设置开门模式

①.读有效卡开门: 按3 0 0 => 按# =>按*

②.读有效卡加密码开门: 按3 0 1 => 按#=>按*

③.读有效卡开门或者输入正确密码开门:按3 0 2 => 按#=>按*

注:出厂设置为302读有效卡或者输入密码开门

(5) 设置开门时间

按4 => X X => 按#=>按*

注XX 为00-99 单位为秒出厂设置为3 秒

(6) 修改公共开门密码:

按5 => 输入一组四位数的新密码 => 按# => 再输入一遍四位数的新密码 => 按#=>按*钮 存.

注:密码为四位任意数字

(7) 防拆报警信号设置:

按600 =>按# 关闭防拆报警信号输出. 出厂设置默认为关闭

按601 =>按# 启动防拆报警信号输出.

(8) 设置门状态监视

按700=># =>按*关闭此功能, 出厂设置默认此功能关闭

按701=># =>按*开启此功能

注:门状态监视需配合门磁开关,开启此功能时有如下两种功能:

①.如果正常开门后忘了关门1分钟后则蜂鸣器会鸣叫提示使用者关门,关门后报警停止

②.如果门被非法打开则会启动报警信号输出同时蜂鸣器鸣叫警示,刷有效卡或断电后报警停止

(9) 设置安全模式

按800=>#=>按*关闭此功能,出厂设置此功能为关闭

按801=>#=>按*开启此功能,有以下二种功能:

①.连续读十张非法卡或十次错误密码或者读有效卡后连续十次输入错误密码启动报警信号输出.刷有效卡或断电后报警停止.

②.正常卡开门/密码开门/读有效卡加密码开门成功后2秒内按”8”字键启动报警信号输出,刷有效卡或断电后报警停止,此功能可在受到胁迫时使用。

(10) 按卡号增加卡

按9 =>输入8位卡代码>按#=>输入该卡四位代码 => 按#=>按*

注:8位卡代码为卡号前十位中的后八位

五.用户使用方法:

1.卡开门: 正常工作状态读一张有效卡即可开门

2.卡加密码开门: 如果需读卡加密码的则在读完卡后10 秒钟内输入4位密码按#即可开门,每张卡密码不同,默认为4位用户编号.

3.密码开门:输入用户公共开门密码按#开门.

六.门禁控制器初始化步骤:

1.断电,按住Reset键(不松开)

2.通电,持续按住Reset键三秒后松开,初始化完成.

状态: 蜂鸣器鸣响一声,门禁控制器进入用户使用状态。

说明:1. 初始化操作仅修改单门门禁一体机系统密码为缺省编程密码12345,使用密码8888(出厂默认),其它数据不会被删改。

3.初始化操作正常情况不必使用,只是用户忘记了自己设置的管理密码或开门密码时才初始化操作恢复为缺省值12345与8888。

相关问答

门禁读卡器不读卡怎么办?-懂得

如果门禁读卡器不读卡,可以尝试以下方法:1.检查读卡器的电源、通信线路是否正常连接;2.检查读卡器是否有恶意软件或病毒感染;3.检查读卡器是否正常...

怎么把门禁卡录入到华为手机nfc-ZOL问答

1、在华为钱包>智卡>门禁卡,进入添加门禁卡页面。2、点击模拟实体门禁卡,将实体门卡贴在手机NFC感应部位,读卡成功后自动模拟门禁卡。3、模拟成功后编辑门...

门禁卡读卡成功但开不了门?

出现了门禁卡读卡成功但是开不了门可能是使用过程中出现的卡片信息过期或出现卡片损坏,有可能是手机nfc芯片和线路运行不正常需要重新录入使用出现了门禁卡读...

ic卡门禁原理是什么?_住范儿家装官网

门禁系统简介门禁,又称出入管理控制系统。是一种管理人员进出的数字化管理系统。随着智能化、数字化信息社会的到来门禁,又称出入管理控制系统。...

门禁故障及解决方法?

1、报有门禁通讯不通1)检查串口是否设置错误(确定所使用的串口)2)检查门禁通讯总线是否存在短路或断路(排除通讯线短路与断路现象)3)检查RS485通讯卡通...

门禁卡读卡器如何设置?

门禁卡读卡器的设置方法会因品牌和型号而异,以下是一些通用的设置步骤:1.连接门禁卡读卡器:将门禁卡读卡器与门禁系统连接,通常需要使用门禁卡读卡器的安装...

nfc门禁卡读卡成功以后怎么用?

当nfc门禁卡读卡成功后,你可以轻松进入需要授权的区域或建筑物。在进入门禁区域之前,你需要将门禁卡靠近门禁读卡器,等待门禁读卡器鸣响或亮起绿色指示灯,表...

mct如何读取安卓手机里的门禁卡?

MCT是一种读卡器设备,用于读取门禁卡的信息。要在安卓手机里读取门禁卡,你需要有以下设备和步骤:设备:1.安卓手机2.MCT读卡器(需要支持OTG功能)步骤...

门禁卡肿么复制到手机门禁卡复制到手机的方法-ZOL问答

如果您使用的是华为手机,您可以通过以下方法将实体门钥匙添加到华为钱包,添加成功后相当于将实体门禁卡装进了手机,刷手机即可开门。提示:仅支持具备NFC功能机...

门禁通怎么使用?

门禁卡基础定义原智能门禁系统由主机、读卡器和电锁组成(联网时中添电脑和通信转换器),读卡圆式属非接触读卡方式,持卡者将卡在读卡器邻近(5-15厘米)快捷摆...

 中华读书报  一号专列 
王经理: 180-0000-0000(微信同号)
10086@qq.com
北京海淀区西三旗街道国际大厦08A座
©2026  上海羊羽卓进出口贸易有限公司  版权所有.All Rights Reserved.  |  程序由Z-BlogPHP强力驱动
网站首页
电话咨询
微信号

QQ

在线咨询真诚为您提供专业解答服务

热线

188-0000-0000
专属服务热线

微信

二维码扫一扫微信交流
顶部