直播课堂
HOME
直播课堂
正文内容
plc控制车床编程实例 学好PLC此技能,适合入行的立式车床PLC控制程序实用教学案例
发布时间 : 2026-02-10
作者 : 小编
访问数量 : 23
扫码分享至微信

学好PLC此技能,适合入行的立式车床PLC控制程序实用教学案例

今天分享一个实用的案例程序,补充对知识点的需求。希望对学习PLC的各位所有帮助,如果大伙有什么好的建议,也可以提出来哦!

主程序

子程序一

……

子程序二

……

以上展示的是此案例的主程序,如需其他的子程序注解,可以告知小编,获取案例的源文件!

其他学习PLC的相关资料及方法后续会为大家进行讲解。

以上,欢迎分享及收藏!

三种车床的PLC控制电路图及程序

大家好,今天给大家分享几种车床的PLC控制,都是控制电机的,希望对大家有所帮助,

C650卧式车床的PLC控制

主电路如下:

C650卧式车床主电路

硬件电路及I/O分配表:

I/O接口电路如图:

I/O接口电路

程序梯形图如下:

梯形图

梯形图2

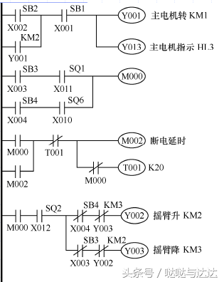
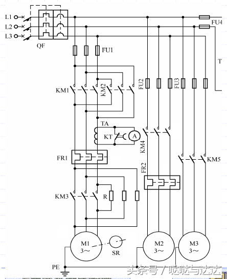
摇臂钻床的PLC控制

主电路如图:

主电路

I/O分配表如下:

I/O接口电路如下:

I/O接口电路

梯形图如下:

其工作时序如下:

工作时序

卧式镗床的PLC控制

主电路如下:

I/O分配表如下:

输入信号

输出信号

I/O接口电路如下:

I/O接口电路

梯形图:

程序1

程序2

程序3

程序4

工作时序如下:

工作时序

今天介绍了三种车床的PLC控制,你学会了多少呢?欢迎大家评论转发,关注达达老师,每天进步一点点

相关问答

西门子plc加减乘除指令实例?

举例说明:1.假如PLC用在机床上面,那么最简单的,机床的工件计数就要用到加法指令2.假如PLC用在检测设备上面,那么就会有三种计数,一种是合格品,一种是不...

plc在数控机床中的具体应用是什么?

PLC在数控机床中的应用形式数控机床中所用的PLC可分为两类:一类是专为实现数控机床顺序控制而设计制造的内装型PLC(built-inType),另一类是那些输入输出技术...

数控机床怎么和plc通讯?

数控机床与PLC通信的主要方式是通过采用通信协议实现数据传输。首先,数控机床与PLC之间通过串口或以太网口等物理接口相连接;其次,PLC通过编程逻辑控制与数控...

求西门子plc编程实例?

[回答]S7-200的编程例子可以参考其系统手册附录S7-300/400的例子在其Step7软件安装完毕后已经提供了10个例程。S5基本上已经停产,所以再学习也没有啥意...

求教!西门子数控车床基本编程代码?

采用PROFIBUS-DP现场总线结构西门子840Di系统,全PC集成的SINUMERIK840Di数控系统提供了一个基于PC的控制概念。⑷SINUMERIK840C系统SINUMERIK8...

数控切割机为啥即用运动控制卡,又用PLC怎么接线和编程-ZOL问答

运动控制卡是控制*床进*轨迹运动。PLC是控制输入输出电器的逻辑关系,比方说电磁阀继电器之类。一般数控切割使用PLC纯属无聊,根本没必要用的只是为了提高档次...

帮个忙在座的老司机!谁清楚,数控加工中心编程案例?

[回答]学数控车现在想学加工中心的话还是要多注意一下刀路轴数不同的区别,以下是加工中心锣圆的一段简易程序:#101=25刀半径#102=90/2圆柱半径#1...本课...

如何用网线传输数控程序,从笔记本向机床传输?cimco4,FUNUC31i...

机床控制柜内或者操作面板下应该有网线插口,不过现在很多用U盘传传输数控程序通常使用FTP(FileTransferProtocol)或者专用的PLC编程软件。首先,确保你的笔记...

请问数控机床中数控系统和PLC是什么关系!!!-j3ltKdmR的回...

数控机床就是PLC做出来的只要你功夫深用三菱QPLC或者FX3UPLC都能做出来数控系统有两大部分,一是NC、二是PLC,这两者在数控机床所起的作用范围...

如何将工业机器人与数控机床融合应用?

近年来,机床行业市场规模整体萎缩、产能过剩等问题日益凸显,机床工具产业正面临和经受调整转型的严峻考验。自2011年起,机床企业的净利润纷纷开始下滑,直到20...

 lol泰隆  房源网 
王经理: 180-0000-0000(微信同号)
10086@qq.com
北京海淀区西三旗街道国际大厦08A座
©2026  上海羊羽卓进出口贸易有限公司  版权所有.All Rights Reserved.  |  程序由Z-BlogPHP强力驱动
网站首页
电话咨询
微信号

QQ

在线咨询真诚为您提供专业解答服务

热线

188-0000-0000
专属服务热线

微信

二维码扫一扫微信交流
顶部