直播课堂
HOME
直播课堂
正文内容
松下plc矩阵编程实例 建议收藏!超全的PLC输入输出各种回路接线
发布时间 : 2026-02-19
作者 : 小编
访问数量 : 23
扫码分享至微信

建议收藏!超全的PLC输入输出各种回路接线

一、输入回路接线

输入电路是PLC接收信号的端口(对模拟量来说一般为0-40MA直流电流或0-10V直流电压信号),输入接线是指外部输入器件(任何无源的触点和集电极开路的NPN三极管)接通输入回路闭合,同时输入指示的发光二极管亮。常用外部输入器件有按钮,接近开关,转换开关,拨码器,各种感应器等,是对系统发出各种控制信号的主令电器。

(一)PLC输入模块与主令电器电器类设备的连接

图中松下PLC为直流汇点式输入,即所以输入点共用一个公共端COM,同时COM端内带有DC24V电源,在编写程序时注意外部设备使用的是常闭还是常开触点。

输入端的电气原理图中停止按钮SB0用常闭触点,串在控制线中,用于停机控制。启动按钮SB1用常开触点。在设计的两个梯形图完成的控制功能相同,但停机信号X0使用的触点类型不同,那么连接在端点的外部停机按钮触点类型也就不同。

I/O分配SB0-X0,SB1-X1,输出K0-Y0。当外部使用长闭触点,不操作该按钮,输出Y0正常接通,在PLC控制系统中,外部开关无论是启动还是停止一般都选用常开型。

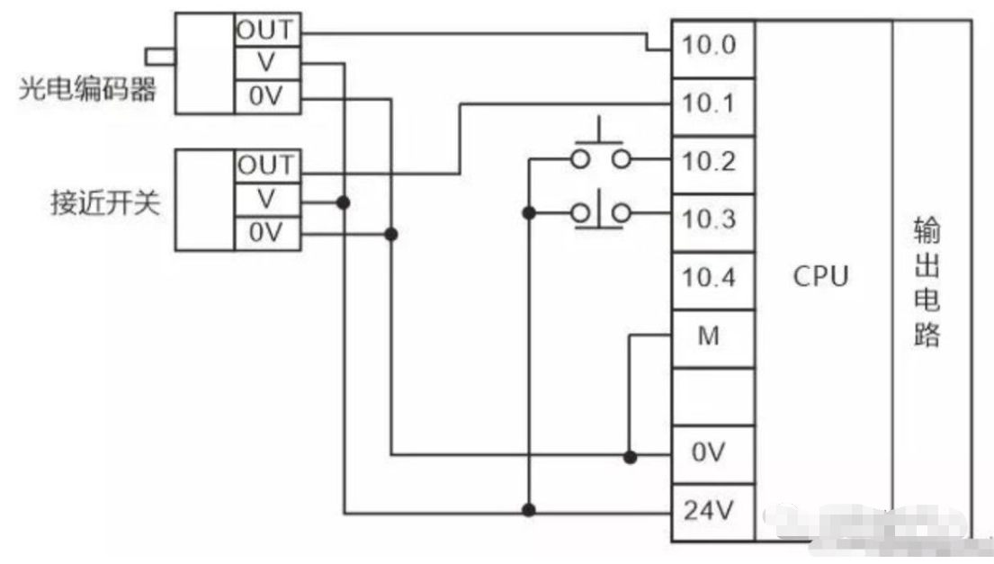
(二)接近开关与PLC输入模块的连接

在PLC控制系统设计中接线的工作比重叫小,但它是编程设计的基础。要保证接线工作正确性,需PLC的输入输出电路有一个清楚的了解。

1.PLC直流输入电路:分有源型(共阳极)输入电路,漏型(共阴极)输入电路。所以漏型输入电路PLC的COM端是外接直流电源的正极,如西门子S7-400PLC直流输入模块的COM端必须接外部电源的正极。所以西门子PLC输入信号为低压信号,如果外部信号为高压信号应该通过中间继电器转换。

2.PLC交流输入电路电压一般为AC120V或AC230V,经过电阻的限流和电容的隔离在经过整流变成直流三个环节,所以输入信号延迟时间比直流电路长,但是输入端是高电压,输入信号的可靠信高,一般用于环境恶劣,对响应要求不高的场合。

(三)开关量信号与PLC输入模块的连接

对于不同的PLC输入电路应正确选择传感器(NPN或PNP)的输入方式,NPN型传感器动作时,OUT端为0V,(NPN型输出端OUT应和PLC的输入端漏型相连)输出低电平信号。PNP型传感器动作时,OUT端为+V,输出高电平信号。

(四)PLC输入回路接线的优化

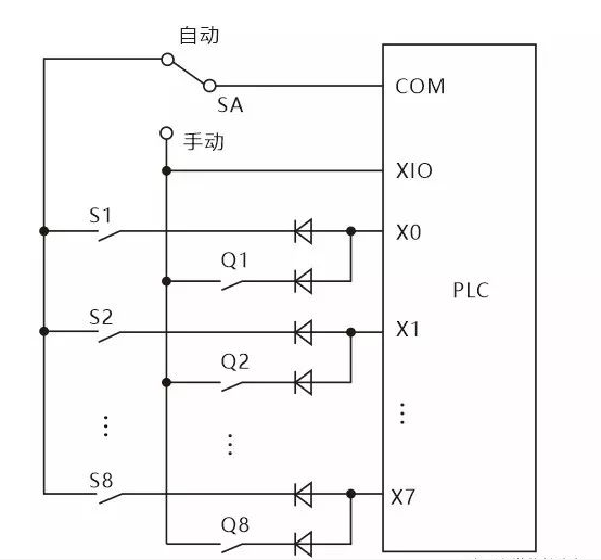
1、减少输入点数,分组输入

如图上系统分自动和手动两种工作方式,Q1-Q8为手动方式用到的 输入信号,S1-S8为自动方式用到的输入信号。S1和Q1共用输入点X0,PLC运行时只会用到其中一组信号,所以可以共用PLC的输入点。(图中二极管是用来防止寄生回路,避免错误输入信号的产生。

2、输入设备的多功能化:在PLC系统中可以借助PLC逻辑功能来实现一个设备在不同条件下产生不同作用的信号。

3、不同形式的直流输入信号与PLC连接

直流有源输入输入信号一般都是24V,这类信号与其他无源开关量信号混合接入PLC输入点时电压的0V点一定要接。上图输入点I0.0,I0.1连接光电编码器,接近开关的输出OUT信号,它们的驱动电源由PLC自身的24V电压提供

不同电压直流信号与PLC输入模块输入点的连接,注意信号电位差的参考点必须相同。即它们的0V信号必须连接在一起。

4、对与用长线引入PLC的开关量信号可以用小行继电器来转接输入信号,避免外部的强电感应的干扰。

二、输出回路接线

由于PLC输出元件被封装在线路板上并连接至输出端子板上,若将输出元件短路将烧毁印制电路板,所以应用熔断器保护输出元件。开关量输出模块有继电器,晶体管,晶闸管输出。输出端接线分公共输出和独立输出。直流输出的续流管保护,交流输出阻容吸收电路,晶体管,晶闸管输出的旁路电阻保护,以及外部紧急停车电路。

(一)PLC输出有三种,这三种输出回路的配线应注意

1、继电器输出配线:通用于交直流电路,不同公共点可以带不同交直流电压负载。负载容量以负载性质区分,阻抗负载2A/1点,8A/4点COM ,感抗负载容量80VA,灯泡负载100W。可知继电器型输出的PLC可通过相对大的电流,但输出触点响应的时间相对较慢。

2、晶体管输出:通用于直流电路,电压范围DC5-30V,阻抗负载0.5A/1点,0.8A/4点COM ,感抗负载容量12W/DC24,灯泡负载1.5W/DC24。可知晶体管型输出的PLC输出触点响应时间快,但个通过的电流小。

3、晶闸管输出:适应高频动作,但只能带DC5-30V,负载最大电流电流为0.5A,灯泡负载30W。

4、在输出回路必须设置适当熔断器作为保护。DC直流感抗负载要并联二极管以延长触点寿命,二极管规格为耐压时负载电压5-10倍,电路大于负载电流。

5、氖灯或小电流负载需要并联浪涌吸收器。

6、马达正反转电路,除PLC内部程序要设计互锁,输出外部配线也必须互锁配线。

(二)COM 点的选择

因为PLC内部没有熔断器,需在COM点处加一个熔断器。当负载种类多且电流大可采用一个COM点带1-2个输出点的PLC产品,当负载数量多且种类少可采用一个COM点带4-8个输出点的PLC产品。

(三)PLC与感性设备的连接

当PLC输入输出端接有感性负载元件时,直流输出的续流管保护(直流电路两端并联续流二极管),交流输出阻容吸收电路。

对与大容量负载电路,须在继电器主触头两端连接RC阻容吸收电路

(四)PLC与七段LED显示器的连接

上图两只CD4513的数据输入端A-D共用PLC四个输出端Y0-Y3,A为最底D为最高,LE 为寄存输入端,当LE 为高电平时,输入数据将存在芯片内的寄存器中,并将其译码后显示出来。如PLC使用继电器输出模块时,与CD4513相连的输出各端在接一个下拉电阻,避免输出继电器断开的时候CD4513输入端悬空。

七段数码管有共阴极(公共极接地)和共阳极(公共极接+5V)两种,是电气仪表常用的数显器件。

(五)PLC控制系统输出回路接线的优化

1、减少输出点的措施

① 矩阵输出:要使某个设备(负载)接通工作,只要控制相对应的输出继电器接通即可,采用矩阵输出必须将同一时间段接通的负载安排在同一列。

②分组输出:PLC每个输出点可以控制两个不同时工作的负载,当两组负载不会同时工作事,可以通过外部转换开关SA进行切换。

③ 并联输出:两个通段完全相同的负载可并联后共用PLC的一个输出点。

④ 提高PLC输出可靠性措施:PLC输出模块的继电器触点容量一般为2A,如果输出点的负载功率太大,可以采用输出继电器带动一个中间继电器,在由中间继电器驱动负载。

如何妙用PLC的掉电保持寄存器

电气工程师在PLC维修工作中发现,小型的PLC控制系统在设计的时候,为适应生产过程的需要,常常需要在PLC外部改变PLC内部的数据,譬如Counter,Timer或者Data的值。同时还要求这些数据在系统关机以后,还能继续保存在PLC内部,这样的话这些数据在下次开机后,还可以被调出来继续使用。

在PLC维修工作中,我们有一种方法可以解决这种问题,希望能给大家提供一些有价值的参考。

现在许多小型的PLC都不同程度地提供了掉电保持寄存器,以便在PLC断电的时候,保存用户想要保存的数据。但大多数时候,PLC制造厂商为了节约成本,没有提供足够数量的掉电保持寄存器供系统设计人员使用,所以当被调整的数据项目超过PLC内部的掉电保持寄存器的数目的时候,我们只能减少被调整的数据项目(固定或不用)或者购买具有更多掉电保持寄存器数目的PLC。这样,就降低产品档次或增加成本,使得生产机械缺乏灵活性和适应性线路板维修。

实例:

松下FP0-C16TPLC,被调整数据是16个,PLC内部掉电保持寄存器数目是10个,包括8个数据寄存器(8个DT1652-DT1659,16Bit)和2个字的内部继电器(WR61、WR62,16Bit)。如果按常规的一个被调整数据占用一个数据寄存器的方法,这显然不能调整16个被调整数据,而只能调整10个被调整数据。于是,我们分析了16个被调整数据的数据调整范围,发现这些数据的调整范围多半只需要从0~255,即0~28-1;而掉电保持数据寄存器DT1652等内部的数据大小为216-1,即256×256-1;所以我们可以将一个被调整的数据只用到数据寄存器的低8位,DR维修那么该数据寄存器的高8位就可以来存储另一个被调整数据。

列出该部分的PLC维修程序:

1、开机之后,将另外两个数据寄存器的数据合并至掉电保持寄存器的高8位和低8位:

R9014是松下FP0系列PLC内部所规定的、在PLC从program状态到run状态时、第二个PLC扫描周期开始动作的脉冲继电器。

指令F66是一个字或指令,将一般数据寄存器DT20内的数据与一般数据寄存器DT0内的数据进行字或,结果送掉电保持寄存器DT1655。指令F121是一个不带进位左移指令,K8即左移8位。

2、开机时,分开掉电保持寄存器中高8位和低8位至另外两个数据寄存器:

其中,R9013是松下FP0系列PLC内部所规定的、在PLC从program状态到run状态时只动作一个PLC扫描周期的脉冲继电器。

指令F65是一个字与指令,它的作用就是将掉电保持数据寄存器DT1655内的数据与十六进制数FF进行字与,然后将结果送到一般数据寄存器DT0,这样就可以分离出掉电保持数据寄存器DT1655内数据的低8位;同样第二行的字与指令可以分离出掉电保持数据寄存器DT1655内数据的高8位。

指令F120是一个不带进位右移指令,即:对数据字进行右移时,对高位进行补零。K8表示右移8位。

指令F0是一个字传送指令,就是将一般数据寄存器DT10内的数据传送到一般数据寄存器DT1。

上述程序段的目的就是在开机时将掉电保持数据寄存器DT1655内的数据分成两个被调整数据。上海三广数码科技有限公司在维修行业优势明显,除了强大的技术力量,还和香港恒发科技有限公司合作,彻底解决了集成电路、偏冷门芯片、电流传感器、电压传感器、电流变送器、电压变送器、开关电源以及各种常用电子元件的供应问题。

由上的PLC维修步骤可以看出,在PLC运行的时候,可以任意改变一般数据寄存器DT0和DT1中的数据,而这些改变也同时送到了掉电保持寄存器DT1655,这样,当PLC掉电时,所被调整的数据也就被保存了。

在平时的PLC维修工作中,通过同样的方法,我们可以视被调整数据的大小,灵活的使用掉电保持寄存器的每一个Bit位,这样我们在PLC维修时就可以在不增加成本的情况下,提高小型PLC控制系统的性能。

在自动控制中,常常要用到时钟和时间的控制。比如学校上下课的自动打铃和自动控制设备按H期和时间的控制。有的PLC有实时时钟功能,本文拟以各类PLC如何设置与显示时间,如何实现时间控制,谈点浅显的见解

1、时钟的校时与时间数据的调用

1.1无时钟功能的PLC

PLC的时钟建立无机内时钟的机器获得时钟控制功能,1I要自己编一段时钟程序,如希望编程前先选好存锗年.月、日、时、分、秒的存储单元,然后利用机内时基作为标准计时脉冲,例如用秒脉冲将秒工作单元加1,加到60s时回零,并向分工作单元进1苒撞l小时6O分,1天24小时,太月3l天,小月粥天,毒舞羹最,闰年2月加1天,1年l2个月的规律设计时钟程序。这种自制时钟的校时及时间数据取用和机内自带时钟类似,不再赘述东芝CT维修。开接来保让红、绿灯发H{闪光.

1.2具有时钟功能与时钟指令的PLC

有不少PLC具有时钟功能及相关指令,如西门子公司的LOGO!三菱公司的a控制器等微型机种,这类机器在上电后机内时钟就自动进入运行状态,且可在本机自带的显示屏上显示和设定时间值。图1是LoGO!使用阉形编程语言完成的一段程序。图中标的方框在LOGO!指令中称为时间开关,可以同时有多组时间设定

该程序中时间开关的设定值为周一到周五09:00变为ON,18:30变为OFF;周六14:30变为ON,22:30变为OFF;周日7:30变为ON,2:30变为

OFF,即是一个开关用于3种不同时间段控制的例子。此外,LOOO!还有年时钟指令,可用于月、目类时间的控制。在这类PLC中,时间段的设定及机内时钟的校正可畎使用本机配带的编程按钮,就象调节电子手表一样方便。

西门子公司生产的$7-200、s7—300系列PLC也有时钟功能。与LOGO!不同的是在使用时钟功能时要先将实时时间值传送到一定的数据单元,并使用设置时钟指令将这些存储单元指定为时钟的年、月、日、时、分、秒、星期的专用单元。经这样设定后这些单元的数值就按时间的变化规律变化。在需要使用时间信息时,还需要使用读时间指令将时间值读到一定的存储单元里去才能使用。X光机维修图2是一段PLC的时钟建立及读出的实例程序

程序中的VB210~VB217这8个存储单元事先已送入了一定的时间数据。这种时钟的校时可通过向这些存储单元送入新的时间数据来实现。在只涉及小时及分、秒的时间控制中,可采用定耐棱时的方法在机器的输入口上接一个校时按钮,在软件中编写一段传送校时时间数据的程序,并用这个按钮作为程序的执行条件。规定上午8时为校对时间,在标准时间为8点时,按一下校时按钮就可完成校时功能。要实现随机校时功能需要增设专用的数据输入设备,如编程器矩阵开关、数据单元或图形单元等变频器维修。

1.3事故音响信号

当QF由继电保护动作跳闸时.为了引起值班人员的注意,特装设了蜂吗器。为了避免在手动跳、合闸及自动重合闸时起动事故音响装置.在实际中利用控制开关内两对接点相串联的方法.即1—3与19—17只在合闸后才接通电源维修,其宗状态均同时接通的原理来实现的。

2、闪光信号

目前现场闪光信号是由闪光继电器提供,而改用PLC后,闪光信号只需用其内部的2个定时器构成振荡电路即可实现,从而省去了外部接线的麻烦

3、预告信号

预告信是为了帮助值班人员判断故障设备及其性质,以便及时采取措施加以处理,防止事故进一步扩大为了节约PLC的接点,用预告信号出口继电器的接点驱动PLC输八端X(x),输出端Y(Y.)、Y.驱动或间接驱动光字牌和警铃

结论

由于PLC性能非常优越.从而使中央信号动作的准确性和可靠性得保i止。虽然PLC的价格比目前现场使用的ZC-23型冲击继电器高,但其使用方便,维护工作量少,且二次回路简单

本次实验虽未能输A、输出更多的事故及预告信号但就所输入的信进行验证,其输出结果完全符合现场要求。若投入应用,只需将PLC的触点通过扩展单元和扩展模块进行扩展,或者直接选用多I/0的PLC即可。

转发是最大的鼓励!谢谢您的支持!

小贴士

PLC专属资料: 含有从入门到高级所有PLC学习资料(三菱/西门子/欧姆龙) ,电气经典18本大全书,历年电气考试真题、电气必备实训仿真软件、电气自动化行业各类型技术手册!

免责声明:本文转自网络,版权归原作者所有,如涉及作品版权问题,请及时与我们联系删除,谢谢!

如何获取更多 电气热门资料?

操作指引如下!

相关问答

影视公司是如何制作一部电影的?

影视公司制作电影的全程非常复杂,本人跑龙套3年,基本了解1得到一个高质量的相机。许多DIY电影制作人使用廉价相机制作专业外观的电影。然而,通常,镜头的...

学索尼,松下借OLED电视重回主流有戏吗?

当前的OLED电视产业,已经形成相对稳定的矩阵,中高端市场几乎所有品牌都开始介入。现在松下想介入进来分杯羹可以,但是想借此回归主流难。其一,现在的OLED,...

急需了解!!如何确定模拟矩阵还是数字矩阵?

[回答]网络解码矩阵(高清网络矩阵,液晶拼接矩阵)是网络视频解码和HDMI矩阵融合在一起的产品,以下称解码矩阵。高清解码数字矩阵,专门为目前市面上主流的72...

3DMAX怎么画出弧形墙面

不过我们的砖尺寸都是稍微小一点的,600的砖你按照597的尺寸去画,再加上一半线宽3,就是600.再用矩阵画,就会显示线条。不过线条宽度就变成6了。你自己再根据实...

国家安防产业政策哪位知道?-一起装修网

一起装修网问答平台为您提供国家安防产业政策哪位知道?的相关答案,并为您推荐了关于国家安防产业政策哪位知道?的相关问题,一起装修网问答平台:装修问题,因我而止...

松下hdwriter25e下载

[回答]买摄像机如何选择机型传统一步到位的购物观念,看来已经落伍了。特别是现在的电子产品功能不断翻新,新型号开发周期又特别短.往往好多功能还没有...

富士X-E3无反相机怎么样?

富士在2017年9月的Fujikina上,发布了旗下高端APS-C无反相机X-E3,作为X-E系列的最新机型,X-E3摆脱了X-E2s小改款更新的尴尬,在各个方面都有了明显的提升和进步...

扫地机器人哪个品牌好?-ZOL问答

5条回答:斐纳的扫地机器人确实还行,扫的比较干净,路线规划的比较智能,而且价格也不贵,我觉得性价比挺高的。

松下微波炉门打不开怎么办?_住范儿家装官网

松下微波炉门打不开的解决方法:1、微波炉门上有两个弹簧卡片,打不开可能是弹簧失灵、无力、不回弹,造成卡片卡住门不松开。建议不要硬开,以免损坏...

雅迪g5冠能版有什么功能?

雅迪g5冠能版外观宽厚有一种充实的能量感,线条流畅、棱角分明、极具运动感,烤漆经过九道工艺防雨、耐腐。大灯采用了阶梯排列式展翼矩阵型镶嵌前脸的下端,显得...

 椰子壳活性炭  泰国世界日报 
王经理: 180-0000-0000(微信同号)
10086@qq.com
北京海淀区西三旗街道国际大厦08A座
©2026  上海羊羽卓进出口贸易有限公司  版权所有.All Rights Reserved.  |  程序由Z-BlogPHP强力驱动
网站首页
电话咨询
微信号

QQ

在线咨询真诚为您提供专业解答服务

热线

188-0000-0000
专属服务热线

微信

二维码扫一扫微信交流
顶部