研选课堂
HOME
研选课堂
正文内容
fx plc编程及应用 三菱FX系列PLC完全精通教程
发布时间 : 2026-01-23
作者 : 小编
访问数量 : 23
扫码分享至微信

三菱FX系列PLC完全精通教程

随着计算机技术的发展,以可编程控制器(PLC)、变频器、伺服驱动系统和计算机通信等技术为主体的新型电气控制系统已经逐渐取代传统的继电器控制系统,并广泛应用于各个行业。其中,西门子、三菱的PLC、变频器、触摸屏及伺服驱动系统具有卓越的性能,且有很高的性价比,因此在工控市场占有非常大的份额,应用十分广泛。

近年来,由于工控技术不断发展,产品更新换代,性能得到了进一步提升,为了更好地满足读者学习新技术的需求,向您推荐这套全新的“老向讲工控”丛书。

本书采用双色图解的方式,从PLC 编程基础出发,分基础入门篇和应用精通篇两部分,系统介绍三菱FX 系列PLC 的编程及应用,主要内容包括:PLC 基础,三菱FX 系列PLC 的硬件和接线,GX Works2编程软件,FX 系列PLC 的编程语言和编程方法,FX3 系列PLC 的通信及其应用,FX3 系列PLC 在变频调速系统及运动控制中的应用,FX3 系列PLC 高速计数器功能及其应用,FX 系列PLC 的工程应用等。

本书知识系统、内容丰富、技术先进、重点突出、案例丰富,理论与实践相结合,实用性强。为帮助读者理解和提高学习效率,本书在关键知识点还配有微课视频,辅助读者学习。

拖动右侧滚动条可以查看全目录

目录

第1篇  基础入门篇  001第1章 可编程控制器(PLC)基础  0021.1 概述  0021.1.1 PLC的发展历史  0021.1.2 PLC的主要特点  0031.1.3 PLC的应用范围  0041.1.4 PLC的分类与性能指标  0051.1.5 PLC与继电器系统的比较  0061.1.6 PLC与微机的比较  0061.1.7 PLC的发展趋势  0071.1.8 PLC在我国的应用情况  0071.2 可编程控制器的结构和工作原理  0081.2.1 可编程控制器的硬件组成  0081.2.2 可编程控制器的工作原理  0111.2.3 可编程控制器的立即输入、输出功能  0121.3 接近开关  0131.3.1 接近开关的功能  0131.3.2 接近开关的分类和工作原理  0141.3.3 接近开关的选型  0141.3.4 应用接近开关的注意事项  0161.4 传感器和变送器  0191.5 隔离器  0211.6 数制和编码  0211.6.1 数制   0211.6.2 编码  024第2章 三菱FX3系列PLC的硬件  0262.1 三菱PLC简介  0262.1.1 三菱PLC产品系列  0262.1.2 三菱FX3U的特点  0272.2 FX3U基本单元及其接线  0272.2.1 FX3U的系统构成  0272.2.2 FX3U基本单元介绍  0292.2.3 FX3U基本单元的接线  0312.3 FX系列PLC的扩展单元和扩展模块及其接线  0352.3.1 FX系列PLC扩展单元及其接线  0352.3.2 FX系列PLC扩展模块及其接线  0392.4 FX系列PLC的模拟量模块及其接线  0402.4.1 FX系列PLC模拟量输入模块(A/D)  0402.4.2 FX系列PLC模拟量输出模块(D/A)  0462.4.3 FX系列PLC模拟量输入输出模块  0502.5 FX3系列PLC的扩展能力  052第3章 三菱FX系列PLC的编程软件GX Works2  0543.1 GX Works2编程软件的安装  0543.1.1 GX Works2编程软件的概述  0543.1.2 GX Works2编程软件的安装  0553.1.3 GX Works2编程软件的卸载  0583.2 GX Works2编程软件的使用  0593.2.1 GX Works2编程软件工作界面的打开  0593.2.2 创建新工程  0603.2.3 保存工程  0613.2.4 打开工程  0623.2.5 改变程序类型  0633.2.6 程序的输入方法  0633.2.7 连线的输入和删除  0663.2.8 注释  0663.2.9 程序的复制、修改与清除  0693.2.10 软元件搜索与替换  0733.2.11 常开常闭触点互换  0753.2.12 程序转换  0763.2.13 程序检查  0773.2.14 程序的下载和上传  0783.2.15 远程操作(RUN/STOP)  0813.2.16 在线监视  0833.2.17 当前值更改  0843.2.18 设置密码  0853.2.19 仿真  0873.2.20 PLC诊断  0883.3 用GX Works2建立一个完整的工程  089第4章 三菱FX3系列PLC的指令及其应用  0964.1 PLC的编程基础  0964.1.1 编程语言简介  0964.1.2 三菱FX3系列PLC内部软组件  0984.1.3 存储区的寻址方式  1124.2 基本指令  1134.2.1 输入指令与输出指令(LD、LDI、OUT)  1134.2.2 触点的串联指令(AND、ANI)  1144.2.3 触点的并联指令(OR、ORI)  1144.2.4 脉冲式触点指令(LDP、LDF、ANDP、ANDF、ORP、ORF)  1154.2.5 脉冲输出指令(PLS、PLF)  1164.2.6 置位与复位指令(SET、RST)  1184.2.7 逻辑反、空操作与结束指令(INV、NOP、END)  1194.3 基本指令应用  1194.3.1 单键启停控制(乒乓控制)  1194.3.2 定时器和计数器应用  1214.3.3 取代特殊继电器的梯形图  1244.3.4 电动机的控制  1264.4 功能指令  1364.4.1 功能指令的格式  1364.4.2 传送指令  1374.4.3 四则运算  1404.4.4 移位和循环指令  1444.4.5 数据处理指令  1454.4.6 高速处理指令  1494.4.7 方便指令  1514.4.8 外部I/O设备指令  1514.4.9 外部串口设备指令  1524.4.10 浮点数运算指令  1544.4.11 触点比较指令  1574.5 功能指令应用实例  1594.6 模拟量模块相关指令应用实例  1714.6.1 FX2N-4AD模块  1714.6.2 FX2N-4DA模块  1734.6.3 FX3U-4AD-ADP模块  1744.6.4 FX3U-3A-ADP模块  1764.7 子程序及其应用  1794.8 中断及其应用  180第2篇  应用精通篇  185第5章 步进梯形图及编程方法  1865.1 功能图  1865.1.1 功能图的画法  1865.1.2 梯形图的编程原则和禁忌  1925.1.3 步进指令  1935.2 可编程控制器的编程方法  1955.2.1 经验设计法  1955.2.2 流程图设计法  1965.2.3 流程图设计法实例  197第6章 三菱FX3系列PLC的通信及其应用  2106.1 通信基础知识  2106.1.1 通信的基本概念  2106.1.2 PLC网络的术语  2126.1.3 OSI参考模型  2146.2 现场总线概述  2156.2.1 现场总线的概念  2156.2.2 主流现场总线的简介  2156.2.3 现场总线的特点  2166.2.4 现场总线的现状  2166.2.5 现场总线的发展  2176.3 FX3U的N∶N网络通信及其应用  2176.3.1 相关的标志和数据寄存器的说明  2176.3.2 参数设置  2186.3.3 实例讲解  2186.4 无协议通信及其应用   2206.4.1 无协议通信基础  2206.4.2  西门子S7-200 SMART PLC与三菱FX3U之间的无协议通信  2216.5 CC-Link通信及其应用  2246.5.1 CC-Link家族  2256.5.2 CC-Link通信的应用  226第7章 三菱FX3系列PLC在变频调速系统中的应用  2337.1 三菱FR-E740变频器使用简介  2337.2 变频器的正反转控制  2387.3 变频器的速度给定方式  2417.3.1 FX3U控制变频器的模拟量速度给定  2417.3.2 FX3U控制变频器的多段速度给定  2437.3.3 FX3U控制变频器的通信速度给定  246第8章 三菱FX3系列PLC在运动控制中的应用  2538.1 三菱伺服系统  2538.1.1 三菱伺服系统简介  2538.1.2 三菱MR-J4-A伺服系统接线  2548.1.3 三菱伺服系统常用参数介绍  2618.1.4 用操作单元设置三菱伺服系统参数  2658.1.5 用MR Configurator2软件设置三菱伺服系统参数  2688.2 三菱MR-J4伺服系统工程应用  2698.2.1 伺服系统的工作模式  2698.2.2 FX3U运动控制相关指令应用  2708.2.3 FX3U对MR-J4伺服系统的位置控制  2778.2.4 FX3U 对MR-J4伺服系统的速度控制  2808.2.5 FX3U对MR-J4伺服系统的转矩控制  283第9章 三菱FX3系列PLC高速计数器功能及其应用  2859.1 三菱FX3系列PLC高速计数器的简介  2859.2 三菱FX3系列PLC高速计数器的应用  288第10章 三菱FX3系列PLC工程应用  29110.1 送料小车自动往复运动的PLC控制   29110.2 刨床的PLC控制  29510.3 剪切机的PLC控制  298参考文献  301

三菱PLC控制变频器有几种方法?实例讲解通讯控制!程序+参数设置

三菱PLC控制变频器的方法:

一 采用PLC的开关量控制变频器(即采用PLC的开关量输出端直接与变频器的开关量输入端相连,PLC可通过程序控制变频器的启动、停止、正反转及高、中、低速多段速度运行)。

二采用PLC的模拟信号控制变频器。

1 PLC采用RS-485的Modbus-RTU通信方法控制变频器。

2 PLC采用现场总线方式控制变频器。

3 PLC采用RS-485无协议通信方法控制变频器。

其中采用RS-485无协议通信方法控制变频器得到了广泛应用。在RS-485无协议通信方法控制变频器中,PLC是通过RS串行通信指令进行编程控制。

一、系统构成.

系统的硬件组成为:

FX2N系列PLC(产品版本V3.00以上)1台;

FX2N-485-BD通信板1块(最长通信距离50m)或FXON-485ADP1块+FX2N-CNV-BD板1块(最长通信距离500m);

带RS-485接口的三菱变频器(S500系列、E500系列、F500系列、F700系列、A500系列、V500系列)等,可以互相混用,但总数量不超过8台。

PLC与变频器的连接是利用网线连接的,即用网线的RJ45插头和变频器的PU插座相接。

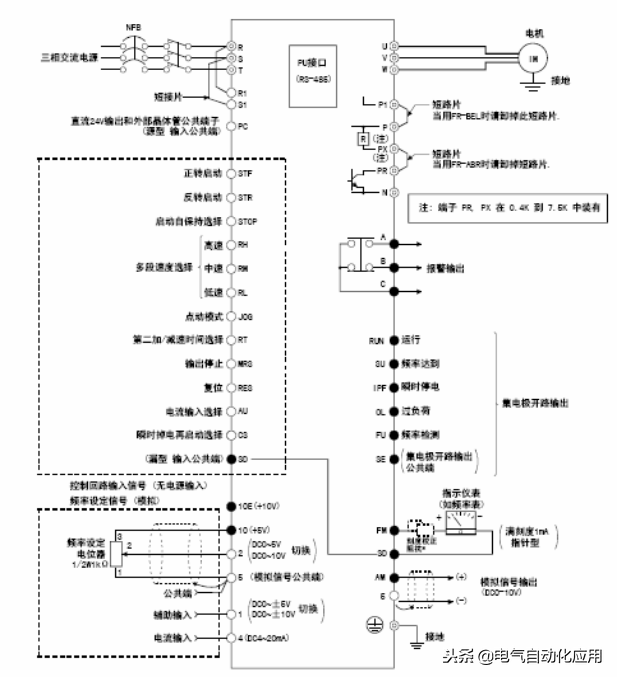
1、FR-A500变频器的端子接线图

2、FR-A500变频器的通信参数设置

为了正确地建立通信,必须设置变频器与通信有关的参数,如站号、通信速率、停止位长/字长、奇偶校验等。

变频器内的Pr.117~Pr.124参数号用于设置通信参数。

参数设置采用操作面板或变频器设置软件FR-SW1-SETUP-WE在PU口进行。

3、FR-A500变频器的数据格式

使用十六进制数,数据在PLC与变频器间自动使用ASCII码传输。

1)从PLC到变频器的通信请求数据格式

设变频器通信参数设置为无LF/CR,则从PLC发送到变频器的通信数据的ASCII码字符数共有12个(格式A时)。

2)输入数据时从变频器到PLC发送数据格式

3)读出数据时从变频器到PLC的应答数据格式

设变频器通信参数设置为无LF/CR,则从变频器一次读出的ASCII码字符数共有10个(未有发现错误时)。

4)读出数据时从PLC到变频器的发送数据格式

上述数据格式中数据指的是PLC与变频器传输的数据(如频率和参数)。

等待时间是规定变频器从收到PLC来的数据和传输应答数据之间的等待时间。根据PLC的响应时间在0~150ms之间设定等待时间,最小设定单位10ms。当变频器的Pr.123参数单元不设为9999时,则等待时间不由通信数据设定,通信数据格式中无等待时间(少一个字符)。

总和校验码是由被校验的ASCII数据的总和(二进制)的最低一个字节(8位)表示的两个ASCII数字(十六进制)。

4、FR-A500变频器的控制代码和指令代码

通信参数设定完成后,通过PLC程序设定控制代码、指令代码、数据及开始通信,允许各种类型的操作和监视。

指令代码是由PLC发给变频器,指明程序要求(例如运行、监视等)。通过相应的指令代码,变频器可进行各种方式的运行和监视。

三、通信程序设计

1.特殊数据寄存器

(1)D8120设置数据通信格式

设数据长度为7位,偶校验,2位停止位,波特率为9600b/s,无标题符和终结符,没有添加和校验码,采用无协议通讯(RS-485)。则D8120的设置为:b15~b0=0000 1100 1000 1110=0C8EH。

(2)D8122存放当前发送的信息中尚未发出的字节。

(3)D8123存放已收到的字节数。

(4)D8124为起始符(8位)初始值STX(02H)。

(5)D8125为终止符(8位)初始值EXT(03H)。

(6)D8129设置数据网络超时计时器值。其单位为10ms。

2.通信程序

设变频器站号为0,传送数据长度为7位,偶校验,2位停止位,波特率为9600b/s,无标题符和终结符,没有添加和校验码,采用无协议通讯(RS-485)。

M10接通时控制变频器进入正转状态,M11接通时控制变频器进入停止状态,M12接通时控制变频器进入反转状态,M13接通时读出变频器的运行频率(D700~D703),M14接通时向变频器写运行频率(D400~D403)。

当M10、M11、M12任何一个接通时,PLC首先向变频器发出运行控制信号,D200~D209为发送数据的地址,其中D200存通信请求代码05H,D201、D202存变频器站号0,D203、D204存指令代码(运行命令字FAH),D205存等待时间(0ms),D206~D207存发送数据(D206、D207存正转02H/反转04H/停止00H),D208~D209存和校验码。

当M14接通时,PLC向变频器发送运行频率。设预先将运行频率存放在D400~D403中,D200~D211为发送数据的地址,其中D200存通信请求代码05H,D201、D202存变频器站号0,D203、D204存指令代码(写运行频率命令字EDH),D205存等待时间(0ms),D206~D209存发送数据(运行频率)、D210~D211存和校验码。

当M13接通时,PLC向变频器发送读取变频器运行频率控制信号。D200~D207为发送数据的地址,其中D200存通信请求代码05H,D201、D202存变频器站号0,D203、D204存指令代码(读运行频率命令字6DH),D205存等待时间(0ms),D206~D207存和校验码。

D500~D509为接收数据的地址,D600~D609为接收数据的存储地址.

相关问答

fx系列plc输出指令是?

是out。FX系列PLC有基本逻辑指令20或27条、步进指令2条、功能指令100多条(不同系列有所不同)。本节以FX2N为例,介绍其基本逻辑指令和步进指令及其应用。FX2N...

FX系列plc的通信方式有哪几种?

PLC:可编程逻辑控制器,它采用一类可编程的存储器,用于其内部存储程序,执行逻辑运算、顺序控制、定时、计数与算术操作等面向用户的指令,并通过数字或模拟式输...

三菱FX系列PLC怎么编写SFC程序块,自动,急停,手动,如何开启与...

首先要在电脑安装GXDeveloper软件,并正确设置通信端口、PLC型号,才可通过数据线实现通讯。具体的PLC程序的功能地址,需要查阅相关的《PLC地址手册》...

三菱FX1N编程软件与plc如何连接?

用电缆型号:SC-09,如果电脑没串口,就再用一根USB转RS232配合使用,就可以下载上传的操作。用电缆型号:SC-09,如果电脑没串口,就再用一根USB转RS232配合使用,就...

三菱plcfx系列如何控制伺服?

指明个方向吧1、FX系列PLC控制伺服电机,通过发脉冲方式控制电机运动,通过调整伺服电机参数,设定脉冲和距离的线性比例关系。即需要走多少距离,算出对应的脉冲...

三菱l系列plc用什么编程?

三菱L系列PLC使用GXWorks3编程软件进行编程。这是一款功能强大的PLC编程软件,具备丰富的开发工具和调试功能,支持多种编程语言,包括LadderDiagram(LD)、St...

三菱FX2n系列PLC应用技术书后面参考答案?

FX系列PLC可编程控制器内部的软元件,是由电子电路和存储器组成的,它们与通常的硬元件有本质的区别,只是一种等效概念抽象模拟的元件,并非实际的物理元件。通...

三菱fx3uplc步进指令的编程技巧?

在编写三菱FX3UPLC的步进指令时,首先需要明确步进电机的参数和要实现的运动轨迹,然后采用正确的指令格式,如LD、OUT、MOV等指令来控制步进电机的运动。在编程...

没有基础可以学PLC吗学会PLC能做什么?

[回答]明告诉自己没基础,那还不赶快学,先看些电工基础方面的书或者是视频,学plc编程就是必须电工基础,然后就是电脑的常规操作者,比如加装编程软件,三菱pl...

三菱PLCFX3U的一个控制伺服电机的程序,求大家帮忙看下,本...

FX3讨论回答(6)脉冲控制几点说明:1、M8340:该元件在发出脉冲时被驱动,且有...检查PLC的运动指令(如MoveL)参数设置是否合理,比如目标位置、速度限制等。同...

 月掩天王星  程炳皓 
王经理: 180-0000-0000(微信同号)
10086@qq.com
北京海淀区西三旗街道国际大厦08A座
©2026  上海羊羽卓进出口贸易有限公司  版权所有.All Rights Reserved.  |  程序由Z-BlogPHP强力驱动
网站首页
电话咨询
微信号

QQ

在线咨询真诚为您提供专业解答服务

热线

188-0000-0000
专属服务热线

微信

二维码扫一扫微信交流
顶部