研选课堂
HOME
研选课堂
正文内容
plc编程转换容易吗 学PLC编程真的很难?真的很麻烦?其实是没掌握这个方法
发布时间 : 2026-01-17
作者 : 小编
访问数量 : 23
扫码分享至微信

学PLC编程真的很难?真的很麻烦?其实是没掌握这个方法

对于没有编程过PLC程序的小伙伴来说,PLC编程是个麻烦,还是个大麻烦……但是真就这么难吗?真相是没有掌握方法,我们来看这个编程案例,就知道是怎么回事了。

给大家按步骤逐一解答,如果你对这个的程序有疑问,可以在下面留言,小编会解答的哦!

根据下图的三相交流电动机正反转控制的主电路,设计一个PLC控制电动机正停反的控制系统。控制要求如下:

(1)正常情况下,按启动按钮SB1,电机正转,按下反转启动按钮SB2,电机反转。

(2)电机启动后,按下停止按钮SB3并等待5秒钟之后,才可以改变电动机的旋转方向;

(3)如果SB1和SB2同时按下,电动机停止转动,并且不起动,同时报警灯L1亮1秒暗1秒不断闪烁。此时按SB3停止按钮进行复位。

首先我们先确定一下按钮、KM的使用辅助触点情况,这里是正反转的主回路,主回路必须有互锁电路,其他的按钮用常开触点。

下面是PLC的输入输出点表:

根据题意(1)编程:这里根据题意1,只需遍2个自保持电路即可。

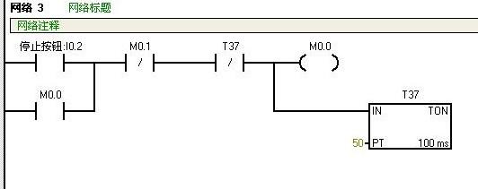
题意2要求按停止按钮5秒后才能改变电机方向,所以这里需设置一个标志位,这里用M0.0。

并且加上程序互锁电路,具体如下:

首先在2个自保持回路中加入互锁电路——网络1的Q0.1常闭点和网络2的Q0.0常闭点。题意2说按下停止按钮后5秒,才能按启动按钮,所以网络3按下I0.2停止按钮后,M0.0得电自保持,计时器T37计时5s后,将M0.0的自保持回路停掉。并且在网络1和网络2中加M0.0的常闭点,使M0.0得电时网络1和网络2即使按了正转按钮或者反转按钮也不会使Q0.0或Q0.1得电。

题意3要求SB1和SB2同时按下,电动机停止转动,并且不起动,同时报警灯L1亮1秒暗1秒不断闪烁。编程如下:

这次增加了网络4/5/6,网络5和6就是利用2个计时器产生一个一秒脉冲的小程序,SM0.0为特殊位,其功能为一直得电。网络4就是利用M0.1将网络1/2/3锁死,也就是说M0.1得电网络1.2.3是不起作用的。其原理与上一小结的M0.0一样。

这个程序小编大约调试了3-4遍,也就是说小编犯了3-4个错误,所以小伙伴们遇见程序错了不要紧,慢慢来一点点调试总能做出来的。小伙伴们,你们说,是么?有疑问的欢迎下方留言哦,我们一起学习、一起进步!

↓↓↓技成PLC课堂领书福利

PLC编程很难嘛?其实,只要有方法,这就都是浮云!

大伙伴们大家好~小编的PLC教程不知道大家学习了吗?不过天天看那些枯燥的文字小编也不喜欢。所以小编特意去找了不少PLC编程题目,小编也不知道答案的那种。小编现场给大家按步骤一步一步解答,如果你对小编的程序有疑问,可以在下面留言,小编会一一解答的!

根据下图的三相交流电动机正反转控制的主电路,设计一个PLC控制电动机正停反的控制系统。控制要求如下:

(1)正常情况下,按启动按钮SB1,电机正转,按下反转启动按钮SB2,电机反转。

(2)电机启动后,按下停止按钮SB3并等待5秒钟之后,才可以改变电动机的旋转方向;

(3)如果SB1和SB2同时按下,电动机停止转动,并且不起动,同时报警灯L1亮1秒暗1秒不断闪烁。此时按SB3停止按钮进行复位。

首先我们先确定一下按钮、KM的使用辅助触点情况,这里是正反转的主回路,主回路必须有互锁电路,其他的按钮用常开触点。

下面是PLC的输入输出点表:

根据题意(1)编程:这里根据题意1,只需遍2个自保持电路即可。

题意2要求按停止按钮5秒后才能改变电机方向,所以这里需设置一个标志位,这里用M0.0。

并且加上程序互锁电路,具体如下:

首先在2个自保持回路中加入互锁电路——网络1的Q0.1常闭点和网络2的Q0.0常闭点。题意2说按下停止按钮后5秒,才能按启动按钮,所以网络3按下I0.2停止按钮后,M0.0得电自保持,计时器T37计时5s后,将M0.0的自保持回路停掉。并且在网络1和网络2中加M0.0的常闭点,使M0.0得电时网络1和网络2即使按了正转按钮或者反转按钮也不会使Q0.0或Q0.1得电。

题意3要求SB1和SB2同时按下,电动机停止转动,并且不起动,同时报警灯L1亮1秒暗1秒不断闪烁。编程如下:

这次增加了网络4/5/6,网络5和6就是利用2个计时器产生一个一秒脉冲的小程序,SM0.0为特殊位,其功能为一直得电。网络4就是利用M0.1将网络1/2/3锁死,也就是说M0.1得电网络1.2.3是不起作用的。其原理与上一小结的M0.0一样。

以上就是这个实例的全部编程。正所谓万丈高楼平地起,如果你叫小编一口气编出来,小编也是很为难的。但是,将题意一点点拆分,一点点的把所需的功能写入,最后一定可以合你心意。最后你看看编完的程序与最初的程序差了多少?

所以,小伙伴们,你们觉得怎么样呢?如果有问题,希望我们能一起探讨,共同进步~

相关问答

plc转硬件难吗?

PLC转硬件相对来说比较困难,需要具备一定的硬件知识和技能。尤其是对于没有硬件经验的软件工程师来说,需要花费一定的时间和精力学习硬件电路和电气知识,了解...

plc转上位机容易吗?

你好,这取决于您使用的PLC和上位机之间的通信协议。如果您使用的PLC和上位机之间的协议是标准的,那么转换应该相对容易。但是,如果您需要编写自定义通信协议或...

plc转嵌入式开发难度大吗?

plc转嵌入式开发难度大嵌入式是一个很大的概念,贸然学容易进坑。和上位机通讯不畅就要和同事沟通,先搞定哪种通讯协议,然后确定发送的数据,哪些是指令哪些...

plc是如何实现自动和手动转换的?

PLC可编程逻辑控制器:可编程逻辑控制器是种专门为在工业环境下应用而设计的数字运算操作电子系统。它采用一种可编程的存储器,在其内部存储执行逻辑运算、顺序...

电工转做plc编程可行吗?

电工转做PLC编程可行吗?答案是简单的PLC编程可行的。早期的PLC的梯形图就是根据之前电工的硬件电路转换过来的。硬件电路怎么接,PLC软件里面就是怎么编程的。基...

信捷plc编程完后怎么转换

你好,一、将信捷PLC程序转换为机器人程序1.使用信捷PLC编程软件,将PLC程序导出为XML格式。2.使用机器人编程软件,将XML格式的PLC程序导入。3.根据机器人...

传统继电器控制怎么转换plc?

传统继电器控制可以通过引入可编程逻辑控制器(PLC)来转换。首先,将继电器的输入和输出线路连接到PLC的数字输入和输出模块上。然后,通过编程PLC的逻辑功能,...

欧姆龙PLC程序转化?

只听说过把plc程序转化为pdf文件,没听说过把pdf文件转化为plc程序,你可以使用AdobeAcrobatDC打开pdf文件,然后把程序复制出来plc程序转化为pdf文件使用PDF虚...

plc进制转换的简单方法?

PLC进制转换的简单方法是使用内部寄存器按位权值进行转换。具体步骤如下:1.确定需要转换的数值,并将其转换为二进制表示。2.找到对应的内部寄存器,并将其...

plc模块里面4线制怎么样转换成2线制接线?

4线制电流plc解法如下:正极2是接收电流,3是负极。四线制好处是传感器负极信号与柜内M为不同电平时不会影响精度很大,因为是传感器本身电流的回路)遇到四线制...

 纪文  李天一的父亲是谁 
王经理: 180-0000-0000(微信同号)
10086@qq.com
北京海淀区西三旗街道国际大厦08A座
©2026  上海羊羽卓进出口贸易有限公司  版权所有.All Rights Reserved.  |  程序由Z-BlogPHP强力驱动
网站首页
电话咨询
微信号

QQ

在线咨询真诚为您提供专业解答服务

热线

188-0000-0000
专属服务热线

微信

二维码扫一扫微信交流
顶部