线下实训
HOME
线下实训
正文内容
电脑上PLC的编程 怎么做才能编写出合格的PLC程序?技术高手告诉你这九点
发布时间 : 2026-03-09
作者 : 小编
访问数量 : 23
扫码分享至微信

怎么做才能编写出合格的PLC程序?技术高手告诉你这九点

科学的PLC编程步骤其实很简单,但往往大多数工程师就是认为简单而忽略很多细节。细节的忽略,必然会在以后出现问题。想避免日后的问题,只有好好的遵守规则,没有规矩不成方圆,plc编程一样有其自身的规矩。

第一步:阅读产品说明书

第一步看起来再简单不过了,但很多工程师都做不到。认为这一步是浪费时间,甚至只从供货方培训来了解设备。

仔细阅读说明书是编程的第一步,首先要阅读安全守则,知道哪些执行机构可能会对人身造成伤害,哪些机构间最容易发生撞击,当发生危险时如何解决,这些最致命的问题都在安全守则中,为什么不去看呢?

此外,关于设备每个元件的特性,使用方法,调试方法也在说明书中,不去阅读,即使程序正确,如果元件没有调试好,设备一样不能工作。再有,所有的电路图、气动液压回路图、装配图也在说明书中,不去阅读它怎么知道没种元件可以做何种改造呢。

第二步:根据说明书,检查I/O

检查I/O,俗称“打点”。检查I/O的方法很多,但是一定要根据说明书提供的地址依次进行检查,在绝对安全的情况下来检查。

在检查输入点时,一般输入信号无非是各种传感器,如电容、电感、光电、压阻、超声波、磁感式和行程开关等传感器。检查这些元件比较简单,根据元件说明将工件放在工位上,或是移动执行机构检查传感器是否有信号即可。当然,不同的设备检测的方式可能不同,这要看具体情况而定了。

但是在检查输出信号时就要格外小心了。如果是电驱动产品,必须在安全情况下,尤其是保证设备不会发生撞击前提下,让执行机构的驱动器得电,检查执行机构是否能够运动。如果是液压或气动执行机构,同样在安全情况下手动使换向阀得电,从而控制执行机构。在检查输出信号时,不论执行机构的驱动方式是什么,一定要根据元件说明书,首先要保证设备和人身安全,要注意并不是所有设备的执行机构都可以通电测试的,所以有时个别的输出信号可能无法手动测试。

无论是输入还是输出装置,当传感器有信号或执行机构的驱动装置得电后,必须同时检查PLC上的I/O模块指示灯是否也点亮。很多设备中,输入输出信号是通过接线端子与PLC连接,有时接线端子的指示灯有信号 ,但不能保证由于连接导线内部断路,而PLC上相应的地址没有信号接通。这一点要特别注意。

在测量输入输出信号后,要同时将测量的地址记录下来,保证信号地址和说明书中一致。如有不同,再次测量设备地址,多次测量仍然不一致,先联系设备厂家,因为此时不能保证厂家提供的地址没有错误。

第三步:打开编程软件,进行硬件配置,并将I/O地址写在符号表中

不同的PLC使用不同的编程软件。但是对于任何一种软件来说,编程前的第一步就是进行硬件组态,根据实际PLC的类型建立硬件配置及相应的通讯配置。硬件组态完成后,将之前在纸上记录下来的I/O地址写在软件的符号表中。由于软件不同,对于符号表的定义可能不同,但一般的软件都有该功能,这一步是至关重要的。在编写符号表时,不仅要把设备输入输出的绝对地址写正确,最好再给每个地址命名并添加注释,这对后面的编程会非常方便。不需要在编程时每次都查询绝对地址,只要填写命名好的名称即可。当然,这也取决于软件是否具备此功能。

第四步:写出程序流程图

在编程之前,一定要在草稿上写出程序的流程图。一个完整的程序,应该包括主程序、停止程序、急停程序、复位程序等部分,如果软件允许,应该将各个程序按“块”的形式编写,即一个程序是一个块,最终将每个块按需求来调用即可。

PLC最擅长的就是处理顺序控制,在顺序控制中主流程是核心,一定要确保制定好的流程是正确的,要在草稿上仔细检查。如果主流程存在问题,当程序被PLC执行后,很可能发生撞击,损坏设备或对人身造成危险。

第五步:在软件中编写程序

确保主流程没有问题后,便可以在软件中编写程序了。此外,还要注意停止、急停和复位程序的正确性,尤其是停止和急停程序,这是关系到人身安全和设备安全的最重要的程序,万万不可小视。一定要保证无论在任何情况下,只要执行停止或急停程序,设备绝对不会对人身造成伤害。

第六步:调试程序

在调试程序这一步中,可以分成两个方面。

1.如果条件允许,或是你的逻辑能力超强,可以先用软件的仿真功能做测试,但是很多繁琐的程序很难用软件仿真看出程序是否正确。

2.将程序下传到PLC中进行在线的调试。如果设备不动或运行中出现异常情况,先不要去修改程序,很可能是传感器没有调试到位,如果确保传感器无误,再去修改程序。

第七步:调试完成后,再次编辑程序

在上一步的调试中,由于对程序有所修改,故必须再次整体检查或编辑一下程序,然后将最终的程序下传到PLC中。

第八步:保存程序

在这一步中,要注意一个问题,就是应该将程序保存在什么地方?PC硬盘?闪存设备?移动硬盘?当然这些都不可以,所有这些存储设备都可能感染病毒。所以,必须且只能将程序烧制到光盘上。而且还有一个问题,烧制的程序是哪个程序?在之前我们已经将最终调试并修改完成的程序下载到PLC中,如果PLC在执行该程序时完全无误的话,就将该程序上传到PC中,将此程序烧制到光盘中。上面的一切都是为了安全。

第九步:填写报告

完成编程后,应该填写最后的调试报告,将遇到的问题和程序的一些难点问题一一记录下来。因为长时间以后,自己也会对程序的某些技巧的地方遗忘,同时也方便其他同事能够理解你所编写的程序。

PLC编程很难吗?其实用对方法,就很容易!附5大PLC编程技术方法

根据下图的三相交流电动机正反转控制的主电路,设计一个PLC控制电动机正停反的控制系统。控制要求如下:

(1)正常情况下,按启动按钮SB1,电机正转,按下反转启动按钮SB2,电机反转。

(2)电机启动后,按下停止按钮SB3并等待5秒钟之后,才可以改变电动机的旋转方向;

(3)如果SB1和SB2同时按下,电动机停止转动,并且不起动,同时报警灯L1亮1秒暗1秒不断闪烁。此时按SB3停止按钮进行复位。

首先我们先确定一下按钮、KM的使用辅助触点情况,这里是正反转的主回路,主回路必须有互锁电路,其他的按钮用常开触点。

下面是PLC的输入输出点表:

根据题意(1) 编程:这里根据题意1,只需2个自保持电路即可。

题意(2) 要求按停止按钮5秒后才能改变电机方向,所以这里需设置一个标志位,这里用M0.0。

并且加上程序互锁电路,具体如下:

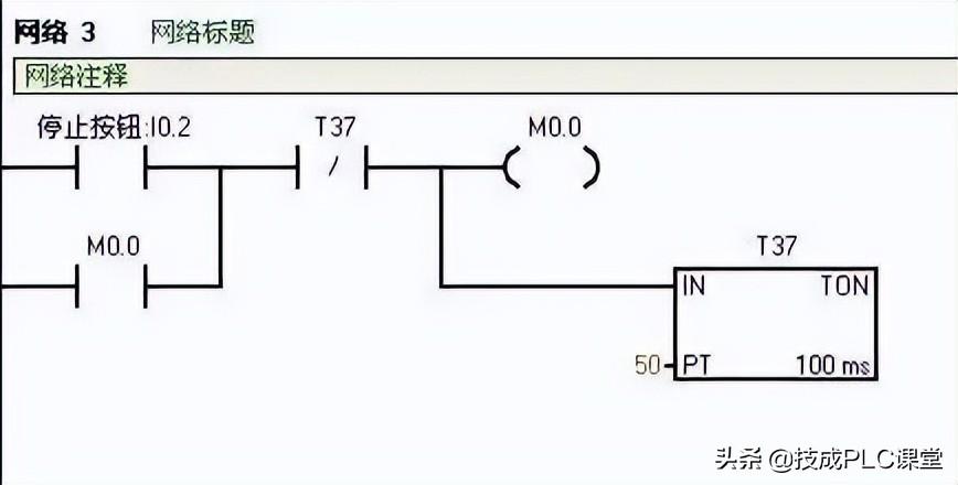
首先在2个自保持回路中加入互锁电路——网络1的Q0.1常闭点和网络2的Q0.0常闭点。题意2说按下停止按钮后5秒,才能按启动按钮,所以网络3按下I0.2停止按钮后,M0.0得电自保持,计时器T37计时5s后,将M0.0的自保持回路停掉。并且在网络1和网络2中加M0.0的常闭点,使M0.0得电时网络1和网络2即使按了正转按钮或者反转按钮也不会使Q0.0或Q0.1得电。

题意(3) 要求SB1和SB2同时按下,电动机停止转动,并且不起动,同时报警灯L1亮1秒暗1秒不断闪烁。编程如下:

这次增加了网络4/5/6,网络5和6就是利用2个计时器产生一个一秒脉冲的小程序,SM0.0为特殊位,其功能为一直得电。网络4就是利用M0.1将网络1/2/3锁死,也就是说M0.1得电网络1.2.3是不起作用的。其原理与上一小结的M0.0一样。

以上就是这个实例的全部编程。

正所谓万丈高楼平地起,如果你叫小编一口气编出来,小编也是很为难的。但是,将题意一点点拆分,一点点地把所需的功能写入,最后一定可以合你心意。最后你看看编完的程序与最初的程序差了多少?

接下来,小编给大家介绍5种PLC编程方法:经验法、解析法、图解法、技巧法及计算机辅助设计法。

(1)经验法 :

运用已掌握的成功设计经验,结合实际的情况,选择与实际情况类似的一个或若干个成功的程序,或具有一些典型功能的标准程序作为“样机”,对“样机”逐一修改,直至满足新的任务要求。在工作过程中,应多收集与积累这些“样机”,从而不断丰富自己的经验。

(2)解析法 :

PLC用于逻辑控制的编程方法可根据组合逻辑或时序逻辑的理论,并运用相应的解析方法,对其进行逻辑关系的求解。然后,再根据求解的结果,或画成梯形图,或直接编写指令表。解析法比较严密,可以运用一定的标准,使程序优化与算法化,并可避免编程的盲目性,是一种比较有效的方法。

(3)图解法:

图解法是靠画图进行PLC程序设计。

常见的主要有3种方法:梯形图法、波形图法以及流程图法。

梯形图法是最基本的方法。无论是经验法,还是解析法,若用梯形图编写PLC程序,就要用到梯形图法。

波形图法很适合于时序控制电路。它先把对应信号的波形画出,再根据时间用逻辑关系去组合,就可以很容易地把电路设计出来。

流程图法是用框图来表示PLC程序的执行过程及输入条件与输出间的关系。在步进控制中,用它进行设计是很方便的。

(4)技巧法

技巧法是在经验法及解析法的基础上,运用技巧进行编程,以提高进行编程的质量。巧妙地使用PLC所提供的多种功能指令进行编程,是对已有经验的“升华”,做到熟能生巧,实现创造性的编程。

(5)计算机辅助设计

PLC可通过上位连接单元与微型计算机连接,并运用微型机进行联机辅助编程。计算机辅助编程,应有相应的软件做支持。现有的编程软件可把梯形图翻译成指令表。编程时,可先在计算机屏幕上设计梯形图,然后再将该梯形图转换成对应的指令表。这种编程软件有现成的,例如,日本三菱公司的MEDOC和GPP等

总结以上5种编程方法是不能截然分开的。如经验法、解析法、技巧法都要用到图解法,而技巧法又是经验法的升华。

转发是最大的鼓励!谢谢您的支持!

小贴士

PLC专属资料: 含有从入门到高级所有PLC学习资料(三菱/西门子/欧姆龙) ,电气经典18本大全书,历年电气考试真题、电气必备实训仿真软件、电气自动化行业各类型技术手册!

相关问答

plc怎么在电脑启动?

首先需要的就是编程软件,无论你是哪一种品牌的PLC,都会有对应的编程软件来提供编程,我们以三菱PLC为例,目前我所使用的是两款GXdeveloper和GXworks2,常用...

plc常见的语言编程方法?

PLC的编程方法大体上有5种:经验法、解析法、图解法、技巧法及计算机辅助设计法。(1)经验法:运用已掌握的成功设计经验,结合实际的情况,选择与实际情...

plc怎么联接电脑要安装什么驱动-ZOL问答

如果能直接连接电脑,通常不需要驱动。但是一般电脑不具有连接PLC的通讯口,因而还需要一个电脑通讯口转PLC通讯口的连接线或是卡,那么就需要安装线或卡的驱动。...

如何通过电气cad图写plc程序?

使用梯形图来进行图纸转换。首先要根据电气控制图纸来确定输入触点、中间继电器及输出继电器,对输入触点(如启动、停止按钮等)直接使用PLC机的输入端来代替,...

Plc我用电脑怎么控制?

PLC是用电脑和其连接后把做好的程序传进去后,一般不需要电脑控制了,如果需要经常操作,可装个面板或做个操作站。PLC是用电脑和其连接后把做好的程序传进去后,...

利用电脑修改机床PLC程序?

在电脑里装入数控系统的PLC编程软件,(不同品牌的数控系统有不同的PLC软件)。把机床的PLC程序拷贝到电脑里,就可以在电脑里修改机床PLC程序。在电脑里装入数...

笔记本电脑如何写入PLC程序?

不管是什么PLC读取PLC程序的方法基本都一样。第一步:在电脑上安装与PLC对应的编程软件(一般买PLC时就随机带光盘,没有就网上下载)第二步:要有该PLC...不管...

plc编程用什么电脑好?

常用编程软件的话,配置参数上不能太差,电脑配置需求参考如下:1.操作系统:windows7(建议使用64位)2.内存:最少2GB(推荐4GB及以上)3.显...常用编程软件的...

plc编程电脑推荐?

常用编程软件的话,配置参数上不能太差,电脑配置需求参考如下:1.操作系统:windows7(建议使用64位)2.内存:最少2GB(推荐4GB及以上)3.显...常用编程软件的...

plc在线修改程序怎么写入?

PLC(可编程逻辑控制器)的在线修改程序的方式取决于所使用的PLC品牌和型号。以下是一般的步骤:1.连接至PLC:使用PLC编程软件将您的计算机与PLC连接。通常,...

 董宏亮  公子昂 
王经理: 180-0000-0000(微信同号)
10086@qq.com
北京海淀区西三旗街道国际大厦08A座
©2026  上海羊羽卓进出口贸易有限公司  版权所有.All Rights Reserved.  |  程序由Z-BlogPHP强力驱动
网站首页
电话咨询
微信号

QQ

在线咨询真诚为您提供专业解答服务

热线

188-0000-0000
专属服务热线

微信

二维码扫一扫微信交流
顶部