课程中心
HOME
课程中心
正文内容
高电平输入pLC编程 如何简单通过S7-200SMART PLC运动控制面板进行调试步进电机
发布时间 : 2026-02-16
作者 : 小编
访问数量 : 23
扫码分享至微信

如何简单通过S7-200SMART PLC运动控制面板进行调试步进电机

关注“PLC发烧友 ”,一起涨知识!

回复:“西门子全套 ”资料,领西门子手册、案例、软件等电子资料

话说运动控制,大家第一时间想到的是步进、伺服、电机等一系列名词,那么必须要编写程序才能调试和控制步进电机吗?当然不是,在我们S7-200SMART PLC中可以通道运动向导组态后再进行运动控制面板进行简单的调试和控制,接下来就带大家来一步一步实现这个功能。

一、基本概念

S7-200SMART系列对应标准型的晶体管输出型PLC可以支持100KHZ的高速脉冲输出,除ST20的CPU支持2轴的高速脉冲输出外,其余CPU可以支持3轴的高速脉冲输出。

步矩角:每输入一个脉冲信号时,电机转子转过的角度称为步矩角。步矩角的大小可以直接影响电机的运行精度。

细分:细分是指电机运行时的实际步矩角是基本步矩角的几分之一。

二、步进驱动器接线与细分电流设置

第一步: (步进驱动器接线)

第二步: (细分与额定电流拨码)

根据以上三张图片可得

细分为:电机一转需要的脉冲数1600,SW1、SW2、SW3分别为:OFF、ON、OFF

额定电流:额定电流是1.2A,根据1.2A可在步进驱动器上拨码SW4、SW5、SW6分别为:ON、OFF、ON

三、编程软件组态配置运动向导

第一步: (STEP 7-MicroWIN SMART编程软件—左上角菜单栏—工具—运动)

第二步: (选择组态轴0)

第三步: (根据自己的意愿来设置轴名称)

第四步: (测量系统单位—工程单位—电机一次旋转需要的脉冲数1600—测量的基本单位—MM—电机一次旋转产生多少距离的运动—2.0)

第五步: (方向控制—相位—单相2输出—极性—正)

单相(2输出):组态时如果选择单相两输出,则一个输出(P0)控制脉冲,另一个输出(P1)控制方向。如果需要正向运行时,则P1为高电平有效,如果需要负向运行时,则P1位低电平有效。

第五步: (正限位—启用—输入I0.5—响应—立即停止—有效电平—上限)

输入I0.5是根据你实际设备正限位开关与PLC接线输入点得来的。

有效电平为什么会是上限呢?因为上限是接常开感应到接通变成常闭,下限反之。

第六步: (负限位—启用—输入I0.3—响应—立即停止—有效电平—上限)

输入I0.3是根据你实际设备负限位开关与PLC接线输入点得来的。

有效电平为什么会是上限呢?因为上限是接常开感应到接通变成常闭,下限反之。

第七步: (回原点—启用—输入—I0.4—有效电平—上限)

输入I0.4是根据你实际设备原点限位开关与PLC接线输入点得来的。

有效电平为什么会是上限呢?因为上限是接常开感应到接通变成常闭,下限反之。

第八步: (最大值—最大电机速度—124.9988—最小值—0.025—启动/停止—2.0MM每秒)

第九步: (点动速度—4.0MM每秒—增量—1.0)

第十步: (启用—RPS参考点,否则不能回原点)

第十一步: (速度—回原点速度—10.0MM每秒—接近参考点速度—4.0—方向都是正)

第十二步: (2号模式)

第十三步: (分配存储器地址)

第十四步: (点击生成即可)

四、通过运动控制面板进行调试

第一步: (把组态配置好的运动向导下载到PLC)

第二步: (一定要把PLC调制到STOP状态不能为RUN运行,因为运动控制调试面板只能在STOP状态运行与调试)

第三步: (STEP 7-MicroWIN SMART编程软件—左上角菜单栏—工具—运动控制面板)

第四步: (开始我们可以选择查找参考点,也就是回原点)

第五步: (绝对位置移动)

来源:PLC发烧友,作者:技成-徐陈爽,未经授权请勿转载!评论处大家可以补充文章解释不对或欠缺的部分,这样下一个看到的人会学到更多,你知道的正是大家需要的。。。回复:“西门子全套 ”资料,领西门子手册、案例、软件等电子资料,不要忘记领取哦~

讲真,这么全的PLC输入输出各种回路接线,第一次看见

一、输入回路接线

输入电路是PLC接收信号的端口(对模拟量来说一般为0-40MA直流电流或0-10V直流电压信号),输入接线是指外部输入器件(任何无源的触点和集电极开路的NPN三极管)接通输入回路闭合,同时输入指示的发光二极管亮。常用外部输入器件有按钮,接近开关,转换开关,拨码器,各种感应器等,是对系统发出各种控制信号的主令电器。

(一)PLC输入模块与主令电器电器类设备的连接

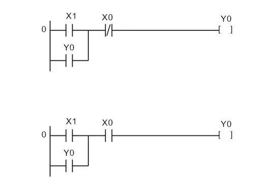
图中松下PLC为直流汇点式输入,即所以输入点共用一个公共端COM,同时COM端内带有DC24V电源,在编写程序时注意外部设备使用的是常闭还是常开触点

输入端的电气原理图中停止按钮SB0用常闭触点,串在控制线中,用于停机控制。启动按钮SB1用常开触点。在设计的两个梯形图完成的控制功能相同,但停机信号X0使用的触点类型不同,那么连接在端点的外部停机按钮触点类型也就不同

I/O分配SB0-X0,SB1-X1,输出K0-Y0。当外部使用长闭触点,不操作该按钮,输出Y0正常接通,在PLC控制系统中,外部开关无论是启动还是停止一般都选用常开型。

(二)接近开关与PLC输入模块的连接

在PLC控制系统设计中接线的工作比重叫小,但它是编程设计的基础。要保证接线工作正确性,需PLC的输入输出电路有一个清楚的了解。

1.PLC直流输入电路:分有源型(共阳极)输入电路,漏型(共阴极)输入电路。所以漏型输入电路PLC的COM端是外接直流电源的正极,如西门子S7-400PLC直流输入模块的COM端必须接外部电源的正极。所以西门子PLC输入信号为低压信号,如果外部信号为高压信号应该通过中间继电器转换。

2.PLC交流输入电路电压一般为AC120V或AC230V,经过电阻的限流和电容的隔离在经过整流变成直流三个环节,所以输入信号延迟时间比直流电路长,但是输入端是高电压,输入信号的可靠信高,一般用于环境恶劣,对响应要求不高的场合。

(三)开关量信号与PLC输入模块的连接

对于不同的PLC输入电路应正确选择传感器(NPN或PNP)的输入方式,NPN型传感器动作时,OUT端为0V,(NPN型输出端OUT应和PLC的输入端漏型相连)输出低电平信号。PNP型传感器动作时,OUT端为+V,输出高电平信号。

(四)PLC输入回路接线的优化

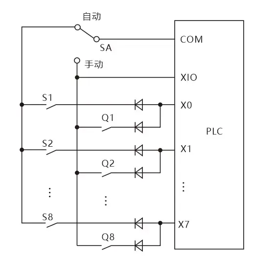
1、减少输入点数,分组输入

如图上系统分自动和手动两种工作方式,Q1-Q8为手动方式用到的 输入信号,S1-S8为自动方式用到的输入信号。S1和Q1共用输入点X0,PLC运行时只会用到其中一组信号,所以可以共用PLC的输入点。(图中二极管是用来防止寄生回路,避免错误输入信号的产生。

2、输入设备的多功能化:在PLC系统中可以借助PLC逻辑功能来实现一个设备在不同条件下产生不同作用的信号。

3、不同形式的直流输入信号与PLC连接

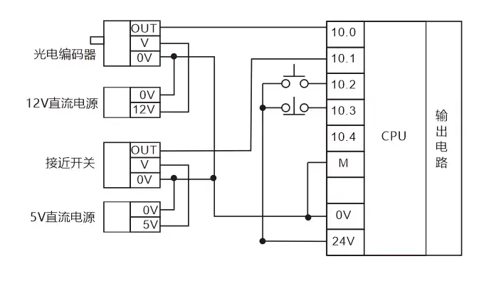
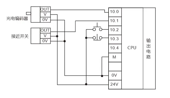
直流有源输入输入信号一般都是24V,这类信号与其他无源开关量信号混合接入PLC输入点时电压的0V点一定要接。上图输入点I0.0,I0.1连接光电编码器,接近开关的输出OUT信号,它们的驱动电源由PLC自身的24V电压提供

不同电压直流信号与PLC输入模块输入点的连接,注意信号电位差的参考点必须相同。即它们的0V信号必须连接在一起。

4、对与用长线引入PLC的开关量信号可以用小行继电器来转接输入信号,避免外部的强电感应的干扰。

二、输出回路接线

由于PLC输出元件被封装在线路板上并连接至输出端子板上,若将输出元件短路将烧毁印制电路板,所以应用熔断器保护输出元件。开关量输出模块有继电器,晶体管,晶闸管输出。输出端接线分公共输出和独立输出。直流输出的续流管保护,交流输出阻容吸收电路,晶体管,晶闸管输出的旁路电阻保护,以及外部紧急停车电路。

(一)PLC输出有三种,这三种输出回路的配线应注意

1、继电器输出配线:通用于交直流电路,不同公共点可以带不同交直流电压负载。负载容量以负载性质区分,阻抗负载2A/1点,8A/4点COM ,感抗负载容量80VA,灯泡负载100W。可知继电器型输出的PLC可通过相对大的电流,但输出触点响应的时间相对较慢。

2、晶体管输出:通用于直流电路,电压范围DC5-30V,阻抗负载0.5A/1点,0.8A/4点COM ,感抗负载容量12W/DC24,灯泡负载1.5W/DC24。可知晶体管型输出的PLC输出触点响应时间快,但个通过的电流小。

3、晶闸管输出:适应高频动作,但只能带DC5-30V,负载最大电流电流为0.5A,灯泡负载30W。

4、在输出回路必须设置适当熔断器作为保护。DC直流感抗负载要并联二极管以延长触点寿命,二极管规格为耐压时负载电压5-10倍,电路大于负载电流。

5、氖灯或小电流负载需要并联浪涌吸收器。

6、马达正反转电路,除PLC内部程序要设计互锁,输出外部配线也必须互锁配线。

(二)COM 点的选择

因为PLC内部没有熔断器,需在COM点处加一个熔断器。当负载种类多且电流大可采用一个COM点带1-2个输出点的PLC产品,当负载数量多且种类少可采用一个COM点带4-8个输出点的PLC产品。

(三)PLC与感性设备的连接

当PLC输入输出端接有感性负载元件时,直流输出的续流管保护(直流电路两端并联续流二极管),交流输出阻容吸收电路。

对与大容量负载电路,须在继电器主触头两端连接RC阻容吸收电路

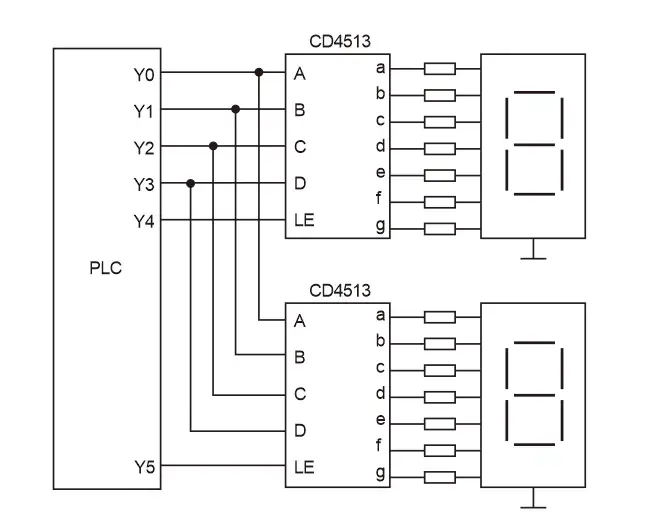
(四)PLC与七段LED显示器的连接

上图两只CD4513的数据输入端A-D共用PLC四个输出端Y0-Y3,A为最底D为最高,LE 为寄存输入端,当LE 为高电平时,输入数据将存在芯片内的寄存器中,并将其译码后显示出来。如PLC使用继电器输出模块时,与CD4513相连的输出各端在接一个下拉电阻,避免输出继电器断开的时候CD4513输入端悬空。

七段数码管有共阴极(公共极接地)和共阳极(公共极接+5V)两种,是电气仪表常用的数显器件。

(五)PLC控制系统输出回路接线的优化

1、减少输出点的措施

① 巨阵输出:要使某个设备(负载)接通工作,只要控制相对应的输出继电器接通即可,采用巨阵输出必须将同一时间段接通的负载安排在同一列。

②分组输出:PLC每个输出点可以控制两个不同时工作的负载,当两组负载不会同时工作事,可以通过外部转换开关SA进行切换。

③ 并联输出:两个通段完全相同的负载可并联后共用PLC的一个输出点。

④ 提高PLC输出可靠性措施:PLC输出模块的继电器触点容量一般为2A,如果输出点的负载功率太大,可以采用输出继电器带动一个中间继电器,在由中间继电器驱动负载。

相关问答

plc怎么变高电平?

通过中间继电器的触点,可以将电路从连接到低电平转换连接到高电平,或者反过来将连接到高电平的线路转换连接到低电平;具体将需要变换的线路接到中间继电器的...

plc高电平怎么接光电开关?

PLC高电平接光电开关的办法就是使用光电开关包括接近开关等与PLC的连接方法都是棕色线接24V+,蓝色线接24V-,黑色线控制信号输出接PLC输入口。漏型输入口(外部...

西门子1200plc上升沿怎么用?

在西门子1200PLC中,上升沿常常被用作触发PLC输入信号的方式,类似于按钮按下的那一瞬间。以下是如何在西门子1200PLC上使用上升沿的步骤:1.在PLC编程软件中...

汇川plc输入点接高电平还是低电平?

PLC是高电平输入,只需将0V连接到PLC的com端子或plc电源的0v端子,如果你的plc是低电平输入,则只需将24V连接到com端子或plc的24v端子。只要在输入端形成回路就...

怎么判断PLC是高电平还是低电平?

=O代表低电平不是零就是高电平,plc上有指示灯的,亮就是高电平不亮就是低电平=O代表低电平不是零就是高电平,plc上有指示灯的,亮就是高电平不亮就是低电平

用plc怎么检测高电平和低电平?

PLC使用数字输入模块检测高电平和低电平。数字输入模块可以将信号从传感器和开关等外部设备转换为PLC可以读取和处理的数字信号。如果输入信号为高电平,则数...

为什么PLC的输入有的是高电平有的是低电平呢?

1.PLC的输入有的是高电平,有的是低电平。2.这是因为PLC的输入信号是由外部设备提供的,而不同的外部设备可能使用不同的电平表示逻辑状态。例如,某些设备在逻...

plc24v输出高低电平哪种好?

对于PLC(可编程逻辑控制器)的24V输出,使用高电平还是低电平取决于具体的应用需求和外部设备的兼容性。一般来说,以下是一些考虑因素:兼容性:检查所连接的...

为什么PLC的输入有的是高电平有的是低电平呢?

O代表低电平不是零就是高电平,plc上有指示灯的,亮就是高电平不亮就是低电平O代表低电平不是零就是高电平,plc上有指示灯的,亮就是高电平不亮就是低电平

plc高电平与低电平有什么区别?

高于0V的就可以称为高电平,低于0V的就可以称为低电平。在plc中,低电平表示0,高电平表示1。一般规定低电平为0~0.25V,高电平为3.5~5V。高于0V的就可以称为高...

 吴永平  惠普cq40 519tx 
王经理: 180-0000-0000(微信同号)
10086@qq.com
北京海淀区西三旗街道国际大厦08A座
©2026  上海羊羽卓进出口贸易有限公司  版权所有.All Rights Reserved.  |  程序由Z-BlogPHP强力驱动
网站首页
电话咨询
微信号

QQ

在线咨询真诚为您提供专业解答服务

热线

188-0000-0000
专属服务热线

微信

二维码扫一扫微信交流
顶部