plc编程过载保护讲解 PLC控制系统中电动机过载保护方法的探究

小编 76 0

PLC控制系统中电动机过载保护方法的探究

孟洋

安科瑞电气股份有限公司 上海嘉定201801

0引言

本文主要阐述三相异步交流电动机的PLC控制系统中热继电器起过载保护作用的两种方式,重点说明热继电器辅助触点接在PLC的输入端时,程序梯形图中的相应触点要使用相反的逻辑。

在实际生产中,三相交流异步电动机的正、反转控制是一种基本的控制。如机床工作台的左右移动、数控机床的进退刀等,为保护电动机,在电动机的控制线路中,通常使用热继电器进行过载保护。热继电器是利用流过热继电器的电流所产生的热效应而反时限动作的自动保护电器。

热继电器主要与接触器配合使用,用作电动机的过载保护,断相保护、电流不平衡运行的保护等。热继电器在使用时,需要将其热元件串联在主电路中,辅助触头串联在控制电路中,当电动机过载时,流过电阻丝的电流超过热继电器的整定电流,电阻丝发热,温度升高,使主双金属片弯曲,通过传动机构推动常闭触头断开,分断控制电路,再通过接触器主触头切断主电路,电动机停止运转,实现对电动机的过载保护。电源切断后,主双金属片逐渐冷却恢复原位。

现用PLC逻辑控制系统改造继电-接触器逻辑控制系统,下面为三菱PLC控制系统实现三相异步交流电动机单向连续运转的控制系统,其过载保护措施的实现有两种方法。

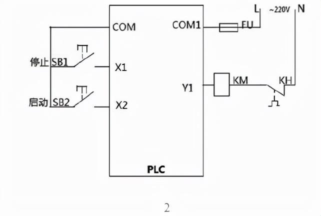
方法一:热继电器接在PLC输入端的过载保护方式。

根据控制任务,当PLC的输入端接热继电器的动断触点(常闭触点)时,PLC的输入端需接入3个输入信号,输出端接1个输出信号。

I/O地址分配表见表1。

表1

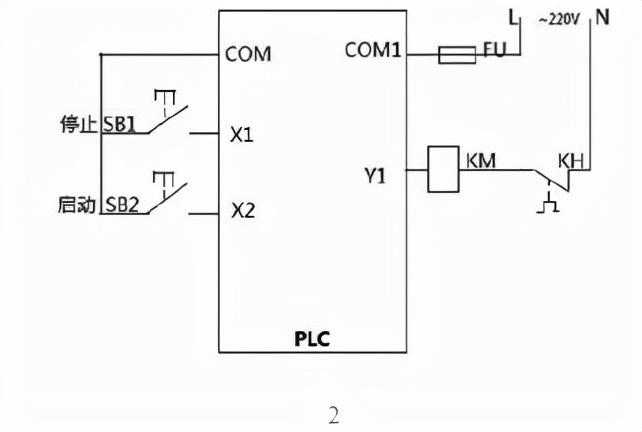
PLC的控制回路接线见图1。

图1

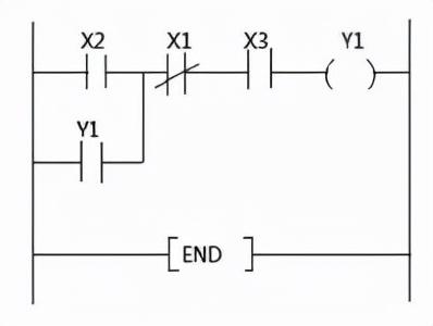
程序的梯形图见图2。

图2

当接线图1中PLC的输入端子X3接热继电器KH的常闭触点时,程序的梯形图2中用X3常开触点,而不用X3的常闭触点。当PLC接通电源,系统内的直流24V的电源与PLC外部的热继电器KH的常闭触头构成回路,使输入继电器X3线圈得电,此时梯形图中的X3常开触点处于接通状态,再按下启动按钮SB2,输入继电器X2常开触点闭合,输出继电器Y1线圈得电,驱动PLC外部输出端子Y1上的交流接触器KM动作,主电路的电动机启动并连续运转。当电动机过载时,主电路中热继电器热元件因为温度过高发生弯曲,分断其常闭触头,PLC的输入继电器X3线圈失电,梯形图中X3常开触点断开,输出继电器Y1线圈失电,Y1的常开触点断开,PLC外部输出端子Y1上的接触器线圈KM失去驱动信号,交流接触器KM线圈失电,主电路的接触器KM主触头分断,电动机停止运转,起到了过载保护的作用。

当热继电器接在PLC的输入端时,程序的梯形中与之对应的触点要使用相反的逻辑,保证程序的正确性,即PLC的输入端子X3接热继电器常闭触点时,梯形图中要用其与之对应的输入继电器X3的常开触点。同理,PLC的输入端子X3也可接热继电器的常开触点,则梯形中图3要用输入继电器X3的常闭触点;其次,热继电器在输入端是通过断开PLC的控制程序输出继电器Y1,使PLC对外没有输出信号,无法驱动负载交流接触器,从而断开PLC的控制电路,来分断主电路,停止电动机的运行,对电动机起到过载保护的作用。方法二:热继电器接在PLC输出端的过载保护方式。根据电动机连续运转控制任务要求,PLC控制电路接线中需要2个输入点,1个输出点,其I/O地址分配表见表2。

表2

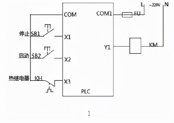
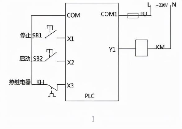
PLC的控制电路接线见图3。

图3

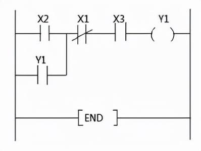
程序的梯形图见图4。

图4

说明:过载保护的热继电器其常闭触点不作为一个输入信号占用宝贵的输入点,而将其接到输出回路上,当热继电器的热元件工作,断开PLC的输出端控制回路,接触器KM线圈失电,主电路的接触器主触头分离,断开主电路,电动机停止运转,实现对电动机的过载保护。这种过载保护方法是通过断开PLC的控制回路实现的,而PLC的程序仍在执行,输出继电器Y1对PLC的外部输出端仍然有输出信号。热继电器在串接在输出端控制电路中优点在于,即使图4 PLC故障(例如死机),当电动机过载导致热继电器的热元件温度过高,辅助触头仍然会动作,断开控制回路,分断主电路保护电动机。

具体在PLC控制系中,热继电器过起载保护作用在输入端还是输入端,用户要根据PLC的型号,电动机的性能,控制任务要求是仅切断电路还是要发出相关信息等做具体分析,采用合适的方式。

1.安科瑞智能电动机保护器介绍

1.1产品介绍

智能电动机保护器(以下简称保护器),采用单片机技术,具有抗干扰能力强、工作稳定可靠、数字化、智能化、网络化等特点。保护器能对电动机运行过程中出现的过载、断相、不平衡、欠载、接地/漏电、堵转、阻塞、外部故障等多种情况进行保护,并设有SOE故障事件记录功能,方便现场维护人员查找故障原因。适用于煤矿、石化、冶炼、电力、以及民用建筑等领域。本保护器具有RS485远程通讯接口,DC4-20mA模拟量输出,方便与PLC、PC等控制机组成网络系统。实现电动机运行的远程监控。

1.2技术参数

1.2.1数字式电动机保护器

1.2.2模块式电动机保护器

1.3产品选型

说明:“√”表示具备,“■”表示可选。

参考文献

[1] 刘丽辉.PLC控制系统中电动机过载保护方法的探究

[2] 安科瑞企业微电网设计与应用手册.2020.06版

关于PLC控制系统中电动机过载保护方法的探究

孟洋

安科瑞电气股份有限公司 上海嘉定201801

0引言

本文主要阐述三相异步交流电动机的PLC控制系统中热继电器起过载保护作用的两种方式,重点说明热继电器辅助触点接在PLC的输入端时,程序梯形图中的相应触点要使用相反的逻辑。

在实际生产中,三相交流异步电动机的正、反转控制是一种基本的控制。如机床工作台的左右移动、数控机床的进退刀等,为保护电动机,在电动机的控制线路中,通常使用热继电器进行过载保护。热继电器是利用流过热继电器的电流所产生的热效应而反时限动作的自动保护电器。

热继电器主要与接触器配合使用,用作电动机的过载保护,断相保护、电流不平衡运行的保护等。热继电器在使用时,需要将其热元件串联在主电路中,辅助触头串联在控制电路中,当电动机过载时,流过电阻丝的电流超过热继电器的整定电流,电阻丝发热,温度升高,使主双金属片弯曲,通过传动机构推动常闭触头断开,分断控制电路,再通过接触器主触头切断主电路,电动机停止运转,实现对电动机的过载保护。电源切断后,双金属片逐渐冷却恢复原位。

现用PLC逻辑控制系统改造继电-接触器逻辑控制系统,下面为三菱PLC控制系统实现三相异步交流电动机单向连续运转的控制系统,其过载保护措施的实现有两种方法。

方法一:热继电器接在PLC输入端的过载保护方式。

根据控制任务,当PLC的输入端接热继电器的动断触点(常闭触点)时,PLC的输入端需接入3个输入信号,输出端接1个输出信号。

I/O地址分配表见表1。

表1

PLC的控制回路接线见图1。

图1

程序的梯形图见图2。

图2

当接线图1中PLC的输入端子X3接热继电器KH的常闭触点时,程序的梯形图2中用X3常开触点,而不用X3的常闭触点。当PLC接通电源,系统内的直流24V的电源与PLC外部的热继电器KH的常闭触头构成回路,使输入继电器X3线圈得电,此时梯形图中的X3常开触点处于接通状态,再按下启动按钮SB2,输入继电器X2常开触点闭合,输出继电器Y1线圈得电,驱动PLC外部输出端子Y1上的交流接触器KM动作,主电路的电动机启动并连续运转。当电动机过载时,主电路中热继电器热元件因为温度过高发生弯曲,分断其常闭触头,PLC的输入继电器X3线圈失电,梯形图中X3常开触点断开,输出继电器Y1线圈失电,Y1的常开触点断开,PLC外部输出端子Y1上的接触器线圈KM失去驱动信号,交流接触器KM线圈失电,主电路的接触器KM主触头分断,电动机停止运转,起到了过载保护的作用。

当热继电器接在PLC的输入端时,程序的梯形中与之对应的触点要使用相反的逻辑,保证程序的正确性,即PLC的输入端子X3接热继电器常闭触点时,梯形图中要用其与之对应的输入继电器X3的常开触点。同理,PLC的输入端子X3也可接热继电器的常开触点,则梯形中图3要用输入继电器X3的常闭触点;其次,热继电器在输入端是通过断开PLC的控制程序输出继电器Y1,使PLC对外没有输出信号,无法驱动负载交流接触器,从而断开PLC的控制电路,来分断主电路,停止电动机的运行,对电动机起到过载保护的作用。方法二:热继电器接在PLC输出端的过载保护方式。根据电动机连续运转控制任务要求,PLC控制电路接线中需要2个输入点,1个输出点,其I/O地址分配表见表2。

表2

PLC的控制电路接线见图3。

图3

程序的梯形图见图4。

图4

说明:过载保护的热继电器其常闭触点不作为一个输入信号占用宝贵的输入点,而将其接到输出回路上,当热继电器的热元件工作时,断开PLC的输出端控制回路,接触器KM线圈失电,主电路的接触器主触头分离,断开主电路,电动机停止运转,实现对电动机的过载保护。这种过载保护方法是通过断开PLC的控制回路实现的,而PLC的程序仍在执行,输出继电器Y1对PLC的外部输出端仍然有输出信号。热继电器在串接在输出端控制电路中优点在于,即使图4 PLC故障(例如死机),当电动机过载导致热继电器的热元件温度过高,辅助触头仍然会动作,断开控制回路,分断主电路保护电动机。

具体在PLC控制系中,热继电器过起载保护作用在输入端还是输入端,用户要根据PLC的型号,电动机的性能,控制任务要求是仅切断电路还是要发出相关信息等做具体分析,采用合适的方式。

1.安科瑞智能电动机保护器介绍

1.1产品介绍

智能电动机保护器(以下简称保护器),采用单片机技术,具有抗干扰能力强、工作稳定可靠、数字化、智能化、网络化等特点。保护器能对电动机运行过程中出现的过载、断相、不平衡、欠载、接地/漏电、堵转、阻塞、外部故障等多种情况进行保护,并设有SOE故障事件记录功能,方便现场维护人员查找故障原因。适用于煤矿、石化、冶炼、电力、以及民用建筑等领域。本保护器具有RS485远程通讯接口,DC4-20mA模拟量输出,方便与PLC、PC等控制机组成网络系统。实现电动机运行的远程监控。

1.2技术参数

1.2.1数字式电动机保护器

1.2.2模块式电动机保护器

1.3产品选型

说明:“√”表示具备,“■”表示可选。

参考文献

[1] 刘丽辉.PLC控制系统中电动机过载保护方法的探究

[2] 安科瑞企业微电网设计与应用手册.2020.06版

相关问答

plc过载保护怎么编程?

PLC过载保护可以通过编程来实现。首先,需要在程序中设置二进制的输出位,用于检测电机是否过载。当电机超负荷时,这个位将被置位。其次,通过读取电流传感器的...

plc过载保护符号是什么?

PLC过载保护符号通常是一个三角形,内部包含一个感叹号“!”。这个符号通常被用于电气图纸和控制系统中,表示PLC应该具备过载保护功能。当PLC检测到电流超过额...

plc主站过载是什么意思?

主站只可以带多少个分站或者多少个模块,超过了就是过载了。主站只可以带多少个分站或者多少个模块,超过了就是过载了。

plc有电压保护吗?

PLC本身没有电压保护功能。但是,PLC通常会配备电源模块,该模块具有电压过载保护和短路保护功能,以保护PLC内部电路免受电压波动和短路等电气故障的影响。此外...

电机过载PLC怎么收到信号?

电机过载PLC可以通过电流传感器或热敏电阻等器件来检测电机的电流或温度变化,当超过设定的阈值时,就会产生信号给PLC,PLC接收到信号后,会执行相应的控制策略...

plc怎么显示水泵过载转速慢故障?

当PLC显示水泵过载转速慢故障时,通常意味着水泵正在过载,但速度较慢,需要进行故障排除。以下是一些可能的解决方案:1.检查水泵的负载和流量,确定是否在设...

给plc的电源可以与负载电源用一个吗?

可以,但应该把供电回路分开,即可以分别控制电源停送电,其中负载使用的回路应根据负载类别设计过载保护(如微断,熔断器等)。通常工频电源最易得,建议PLC电...

plc输入端口com与24v短接会出现什么情况?

不可以,这会带来反馈干扰,并且违反设计原则。可采取的措施:把继电器的辅助触点作为信号输入给PLC的开关量输入点,用以判断继电器的吸合状态。=============...

三相异步电动机的过载能力一般为?

三相异步电动机的过载是指其在某个允许的时间内流过电机的电流超过额定电流。举个简单的例子,380v、7.5KW三相异步电机,额定电流15A,但在实际用中可以让电流...

刀臂电机过载报警30怎么解除?

1刀臂电机过载报警30可以通过特定的解除方法来解除。2出现过载报警30的原因可能是由于设备过载或负载异常导致的。解除方法通常是通过停止负载、检查电源电...