PLC编程运转段速 西门子PLC控制变频3段速

小编 76 0

西门子PLC控制变频3段速

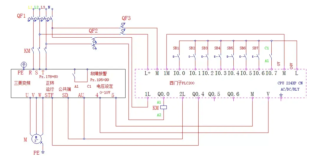
今天与大家一同学习的是西门子PLC控制变频器实现3段速控制电路,首先我们先看下原理图。

从上面的原理图中我们先来分析下所需要的元件都有哪些,我给大家做了个图片:

参数设定

Pr.77:参数禁止写入选择:参数值为1(停止过程中可以写入)

ALLC:功能:参数全部清除:设定值为1(参数恢复初始值)。

Pr.79:功能:操作模式选择:设定值为3(外部与面板PU组合运行)。

Pr.178:功能:正转运行STF:参数值60(为端子STF设置为正转运行指令功能)。

Pr.184:功能:端子4输入选择AU:参数值:4(将AU端子设置为端子4输入有效无效选择,只有当ON时候才有效)。

数字输入公共端SD:数字输入的公共端入SD,STF,STOP等数字量输入。

模拟量公共端5:频率设定信号端子2,14的公共端子,ON状态输入有效

Pr.267:功能:端子4频率输入模式选择:参数值:2(在端子4-5之间输入0-10V信号有效)。

Pr.195:功能:多功能端子功能选择:参数设定99(端子异常时候输出我们选用的时常开点A1,C1).

下面 我们要做的时把程序长传到PLC中。程序给大家截图了:

原理分析:

一变频合闸

1闭合总电源空开QF1,PLC控制电源QF3,以及变频器输入接触器控制电源QF2,控制器PLC是讲输出输出的电压信号(0-10V) 或电流信号(4-20mA)转换成中间变量(0-32000)。程序中把频率10HZ,20HZ,40HZ,换算成了6400,12800,25600.

2变频器上电,按下变频器合闸按钮SB1,梯形图中的I0.0闭合,输出继电器Q0.0得电,PLC外接接点Q0.0与1L接点接通,主交流接触器KM线圈得电,主触点闭合,变频器得电。同时梯形图中Q0.0动合触点闭合自锁,保证KM持续吸合。

3根据参数表设定好变频参数

而PLC控制变频运行

按下变频器运行按钮SB3,梯形图中的I0.2闭合,输出继电器Q4.0得电,PLC外接接点Q4.0与2L接通,变频端子STF与SD端子闭合,同时Q4.0常开点闭合自锁,梯形图中所有的Q4.0都闭合,准备多段速运行

三:三段速运行

1按下频率1按钮SB5,梯形图中的I0.4闭合,上升沿触发并输出,内部继电器M0.0,M0.1,M0.2复位一次,各频率输出复位,同时内部继电器M0.0得电,讲频率1赋值给了PLC的模拟量输出,输出2V的电压加在与变频器外接端子的4和5上,变频器按照频率10HZ运行。

2按下频率2按钮SB6,梯形图中的I0.5闭合,上升沿触发并输出,内部继电器M0.0,M0.1,M0.2复位一次,各频率输出复位,同时内部继电器M0.1得电,讲频率2赋值给了PLC的模拟量输出,输出2V的电压加在与变频器外接端子的4和5上,变频器按照频率20HZ运行。

3按下频率3按钮SB7,梯形图中的I0.6闭合,上升沿触发并输出,内部继电器M0.0,M0.1,M0.2复位一次,各频率输出复位,同时内部继电器M0.2得电,讲频率3赋值给了PLC的模拟量输出,输出2V的电压加在与变频器外接端子的4和5上,变频器按照频率40HZ运行。

频率可以随意给定,不需要按顺序,因为不论按那个速度都会把频率复位。

按下停止输出按钮SB4,梯形图中的I0.3失电,输出继电器Q0.1失电,变频外接端子STF与SD断开,变频器按照Pr.8减速时间1减速到0HZ后电动机停止运转。变频面板运行指示熄灭。显示0.00HZ。回路中所有的Q0.4常开点断开,输出继电器M0.0 M0.1 M0.2停止输出,I0.1解除自锁。4和5端子给定的频率为停止

变频器断电

在变频器运行过程中按下变频器断电按钮SB2是无效的,只有当变频器停止运行后,按下变频断电按钮SB2,梯形图中的I0.1输出继电器Q0.0失电,PLC的输出点Q0.0与1L断开,KM接触器断电释放。变频器控制面板指示灯及信息熄灭。Q0.0常开点断开,解除自锁。

当变频故障时候,A1和C1端子接通,回路中的I0.7得电,输出继电器Q0.0和Q0.4失电,PLC输出点Q0.0,Q0.4失电;接触器断开,变频器停止输出。如有出错的地方大家指出来一同进步。。。

变频器多段速控制图纸+PLC程序

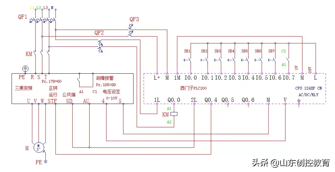
提到多段速,很多人已经耳熟能详,我们先分享一份原理图

通过原理图分析所需要的电器元件

参数设定

Pr.77:参数禁止写入选择:参数值为1(停止过程中可以写入)

ALLC:功能:参数全部清除:设定值为1(参数恢复初始值)

Pr.79:功能:操作模式选择:设定值为3(外部与面板PU组合运行)Pr.178:功能:正转运行STF:参数值60(为端子STF设置为正转运行指令功能)

Pr.184:功能:端子4输入选择AU:参数值:4(讲AU端子设置为端子4输入有效无效选择,只有当ON时候才有效)

数字输入公共端SD:数字输入的公共端入SD,STF,STOP等数字量输入。

模拟量公共端5:频率设定信号端子2,14的公共端子,ON状态输入有效Pr.267:功能:端子4频率输入模式选择:参数值:2(在端子4-5之间输入0-10V信号有效)。

Pr.195:功能:多功能端子功能选择:参数设定99(端子异常时候输出我们选用的是常开点A1,C1)

接着我们就开始编写程序

原理分析:

一、变频合闸

1、闭合总电源空开QF1,PLC控制电源QF3,以及变频器输入接触器控制电源QF2,控制器PLC是讲输出输出的电压信号(0-10V) 或电流信号(4-20mA)转换成中间变量(0-32000)。程序中把频率10HZ,20HZ,40HZ,换算成了6400,12800,25600.

2、变频器上电,按下变频器合闸按钮SB1,梯形图中的I0.0闭合,输出继电器Q0.0得电,PLC外接接点Q0.0与1L接点接通,主交流接触器KM线圈得电,主触点闭合,变频器得电。同时梯形图中Q0.0动合触点闭合自锁,保证KM持续吸合。

3、根据参数表设定好变频参数

二、PLC控制变频运行

按下变频器运行按钮SB3,梯形图中的I0.2闭合,输出继电器Q4.0得电,PLC外接接点Q4.0与2L接通,变频端子STF与SD端子闭合,同时Q4.0常开点闭合自锁,梯形图中所有的Q4.0都闭合,准备多段速运行

三、三段速运行

1、按下频率1按钮SB5,梯形图中的I0.4闭合,上升沿触发并输出,内部继电器M0.0,M0.1,M0.2复位一次,各频率输出复位,同时内部继电器M0.0得电,讲频率1赋值给了PLC的模拟量输出,输出2V的电压加在与变频器外接端子的4和5上,变频器按照频率10HZ运行。

2、按下频率2按钮SB6,梯形图中的I0.5闭合,上升沿触发并输出,内部继电器M0.0,M0.1,M0.2复位一次,各频率输出复位,同时内部继电器M0.1得电,讲频率2赋值给了PLC的模拟量输出,输出2V的电压加在与变频器外接端子的4和5上,变频器按照频率20HZ运行。

3、按下频率3按钮SB7,梯形图中的I0.6闭合,上升沿触发并输出,内部继电器M0.0,M0.1,M0.2复位一次,各频率输出复位,同时内部继电器M0.2得电,讲频率3赋值给了PLC的模拟量输出,输出2V的电压加在与变频器外接端子的4和5上,变频器按照频率40HZ运行。

频率可以随意给定,不需要按顺序,因为不论按那个速度都会把所有的频率复位。

按下停止输出按钮SB4,梯形图中的I0.3失电,输出继电器Q0.1失电,变频外接端子STF与SD断开,变频器按照Pr.8减速时间1减速到0HZ后电动机停止运转。变频面板运行指示熄灭。显示0.00HZ。回路中所有的Q0.4常开点断开,输出继电器M0.0 M0.1 M0.2停止输出,I0.1解除自锁。4和5端子给定的频率为停止

变频器断电

在变频器运行过程中按下变频器断电按钮SB2是无效的,只有当变频器停止运行后,按下变频断电按钮SB2,梯形图中的I0.1输出继电器Q0.0失电,PLC的输出点Q0.0与1L断开,KM接触器断电释放。变频器控制面板指示灯及信息熄灭。Q0.0常开点断开,解除自锁。

当变频故障时候,A1和C1端子接通,回路中的I0.7得电,输出继电器Q0.0和Q0.4失电,PLC输出点Q0.0,Q0.4失电;接触器断开,变频器停止输出。如有出错的地方大家指出来一同进步哦~

↓领取资料

相关问答

plc运算速度快吗?

PLC(可编程逻辑控制器)的运算速度是非常快的,主要是因为PLC使用的是专门的处理器和内存,以及高效的指令集,能够快速处理控制程序的逻辑运算和数据处理。此...

提高PLC程序运行速度的编程方法有哪些?

以S7-200为例,它的内存格式与我们常用的PC机正好相反,它是高字在前,低字在后的。所以我们可以将字变量放在后两个字节,在程序初始化时将前两个字节清零(程...

海思变频器td200怎么多段速?

第一种方法称为端子控制法。这种方法首先要通过参数设置使变频器工作在端子控制的多段速运行状态,并使变频器的若干个输入端子成为多段速频率控制端,然后对相...

PLC最大计数速度是多少?

程序最好还是自己写的,我跟你说下我的思路吧。三菱的我没用过,西门子的是这样用的,首先,你把编码器接入到PLC上,然后在程序里面用个高速计数器计数,一般在...

英威腾plc多段速怎么调加减速时间?

我发现你的概念比较混乱,PLC与调速不是在一个设备上,速度的变化曲线在变频器上调整,PLC只提供段速控制的逻辑。加减速时间一般在变频器上有个选项,用于控制...

台达PLC有没有多段速脉冲输出指令?

41-脉冲,37-方向,11和17短接。9可以不接。9默认是常开,可通过PLC给信号来启动伺服,或更改P2-10,内部上电自启动。其它,如:报警输出等根据需要来接。P2-...

维修电工应该把plc编程学到什么程度?

能独立完成200点的系统编程及调试工作。想要成为PLC编程工程师,必须熟练掌握一种编程语言,熟练应用基本电气控制,能独立阅读中等以上的程序,理解其中的逻辑关...

plc信号灯亮一秒再循环?

使用一个100mS的定时器和一个计数器。三菱PCL主程序是指PLC主要正常运行就不受其他程序段影响其扫描的程序段,就是说主程序只要在PLC正常的时候就是一直执行...

plc控制变频器多段速运行怎么接线?

在PLC控制变频器多段速运行时,需要进行相应的接线。以下是一种常见的接线方式:首先,将PLC的数字输出信号连接到变频器的控制端子上,用于控制变频器的启停和...

变频器多段速怎么设置?

一、实现变频器多段速运行的两种方法第一种方法称为端子控制法。这种方法首先要通过参数设置使变频器工作在端子控制的多段速运行状态,并使变频器的若干个输入...