海普蒙特plc编程 西门子 S7-200 SMART PLC与HD20变频器模拟量控制

小编 83 0

西门子 S7-200 SMART PLC与HD20变频器模拟量控制

关注“PLC发烧友 ”,一起涨知识~

回复:西门子全套,领西门子系列电子资料包!

话说PLC和变频器控制一般都是采用通信的控制方式,通信方式一般采用Modbus-RTU(485串口)的通信方式,但我们PLC常用的模拟量是可以控制吗?模拟量是可以控制的,那么可以控制,该如何设置呢?接下来就带大家来实现S7-200SMART PLC与HD20变频器模拟量控制方法。

一、学习目的

本文章是运用S7-200SMART PLC 模拟量库指令与威纶通触摸屏基本操作的应用,通过本文章来让大家对于模拟量库指令通信的理解与应用以及威纶通触摸屏基础应用。

二、设备配置

1.海浦蒙特HD20变频器一台

2.S7-200SMART PLC ST40一台

3.485通讯线一根

4.一台电机

5.威纶通TK8071ip触摸屏一台

三、控制要求

S7-200SMART PLC与海浦蒙特HD20变频器模拟量通讯控制变频器写频率以及读取实时频率、使用外部端子控制变频器启停正反转。

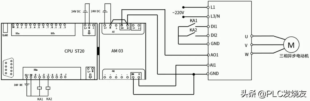
四、接线说明

1.电源接L1与L3N(220V)、电源L1/L2/L3N(380V)

2.HD20变频器接线图

五、设置变频器参数

变频器的运行命令给定方式:面板给定、端子给定、通信给定

变频器的频率给定方式有:面板给定、通信给定、端子给定、模拟量给定、脉冲给定

F00.10设置为3(频率模拟量给定3)

F00.11设置为1(端子运行命令给定1)

六、西门子PLC程序编写

第一步:(通过模拟量给定变频器频率)

第二步:(通过变频器模拟量输出给定PLC反馈当前频率)

第三步:(Q0.1输出变频器正转FWD、Q0.3输出变频器反转REV)

来源:技成培训网,作者:技成-徐陈爽,未经授权不得转载!

评论处大家可以补充文章解释不对或欠缺的部分,这样下一个看到的人会学到更多,你知道的正是大家需要的。

回复:西门子全套,领西门子系列电子资料包!

西门子PLC与Hpmont变频器在昆仑通态触摸屏上显示

今日和大家解析S7-200SMART PLC与海浦蒙特HD20变频器MODBUS RTU通讯控制变频器与如何在触摸屏启动、停止、正转、反转、写频率以及读取电流和电压。

01学习目的

本文章是运用S7-200SMART PLC MODBUS RTU库指令与MCGS触摸屏基本操作的应用,通过本文章来让大家对于MODBUS RTU库指令通信的理解与应用以及MCGS触摸屏基础应用。

02设备配置

1.海浦蒙特HD20变频器一台

2.S7-200SMART PLC ST40一台

3.485通讯线一根

4.一台电机

5.MCGS TPC1570Gi触摸屏一台

03控制要求

S7-200SMART PLC与海浦蒙特HD20变频器MODBUS RTU通讯控制变频器与如何在触摸屏启动、停止、正转、反转、写频率以及读取电流和电压。

04接线说明

电源接L1与L3N(220V)、电源L1/L2/L3N(380V)

2.使用RJ45网线水晶头来根据如下图所示来接线,对于PLC是3正8负,变频器是2正和7负。

05设置变频器参数

F00.10设置为2(频率通信给定2)

F00.11设置为2(命令通信给定2)

F17.00设置为1(1个停止位、8个数据位、偶校验、)

F17.01设置为3(波特率9600)

F17.02设置为2(变频器站地址2)

06编写PLC程序

第一步:(上电初始化所使用到的M地址)

第二步:(使用初始化指令完成位来激活MSG指令)

第三步:(设置写入控制命令MSG指令)

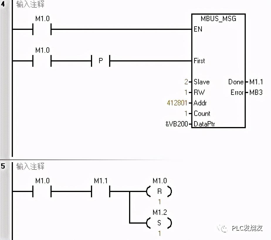
EN使能端使用M1.0接通

First:激活端使用M1.0加上升沿激活

RW:填写1写入

ADDR:填写412801(PLC MODBUS RTU起始寄存地址40001和变频器控制命令字0x3200,0x表示16进制换算成十进制12800并相加等于412801)

Count:使用地址数,填写1

DataPtr:存放地址,填写&VB200即VW200开始的地址

Done:完成位,位地址,填写M1.1

Error:错误位,填写MB3

程序段5使用轮询的方式来做,当M1.0接通,完成位M1.1接通复位M1.0并置位下一条MSG指令M1.2。

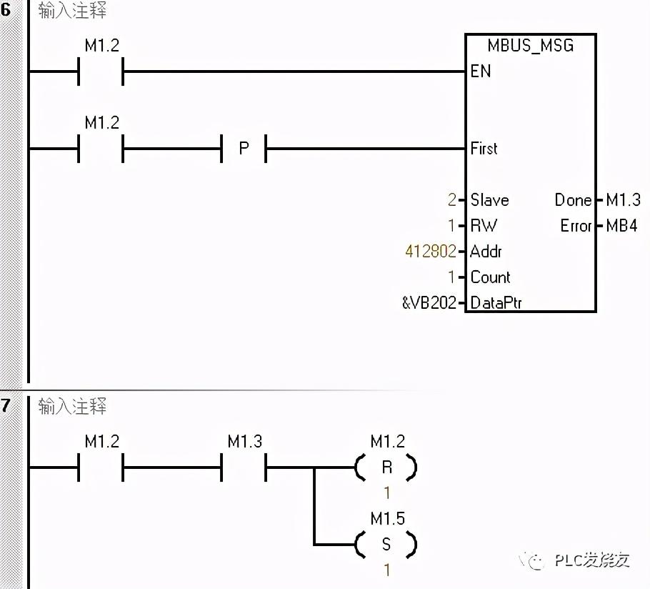
第四步:(设置写入频率令MSG指令)

EN使能端使用M1.2接通

First:激活端使用M1.2加上升沿激活

RW:填写1写入

ADDR:填写412802(PLC MODBUS RTU起始寄存地址40001和变频器控制命令字0x3201,0x表示16进制换算成十进制12801并相加等于412802)

Count:使用地址数,填写1

DataPtr:存放地址,填写&VB202即VW202开始的地址

Done:完成位,位地址,填写M1.3

Error:错误位,填写MB4

程序段7使用轮询的方式来做,当M1.2接通,完成位M1.3接通复位M1.2并置位下一条MSG指令M1.5。

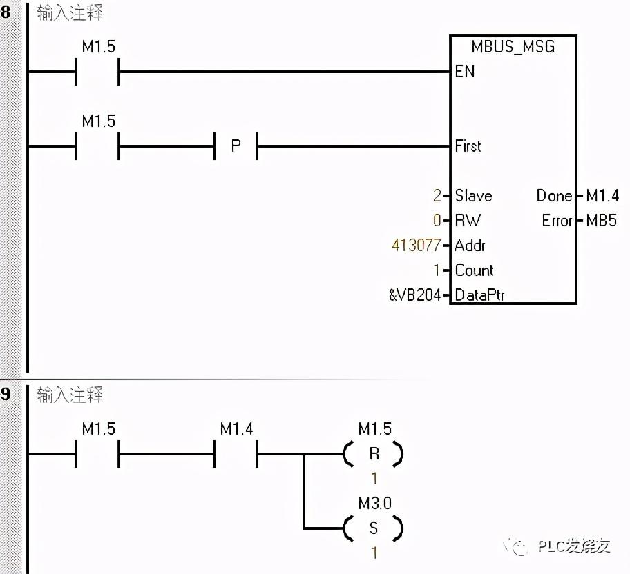
第五步:(设置读取输出电压MSG指令)

EN使能端使用M1.5接通

First:激活端使用M1.5加上升沿激活

RW:填写0读取

ADDR:填写413077(PLC MODBUS RTU起始寄存地址40001和变频器控制命令字0x3314,0x表示16进制换算成十进制13076并相加等于413077)

Count:使用地址数,填写1

DataPtr:存放地址,填写&VB204即VW204开始的地址

Done:完成位,位地址,填写M1.4

Error:错误位,填写MB5

程序段7使用轮询的方式来做,当M1.5接通,完成位M1.4接通复位M1.5并置位下一条MSG指令M13.0。

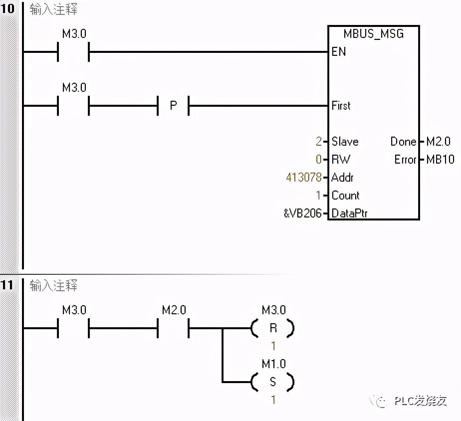
第六步:(设置读取输出电流MSG指令)

EN使能端使用M3.0接通

First:激活端使用M3.0加上升沿激活

RW:填写0读取

ADDR:填写413078(PLC MODBUS RTU起始寄存地址40001和变频器控制命令字0x3315,0x表示16进制换算成十进制13077并相加等于413078)

Count:使用地址数,填写1

DataPtr:存放地址,填写&VB206即VW206开始的地址

Done:完成位,位地址,填写M2.0

Error:错误位,填写MB10

程序段7使用轮询的方式来做,当M3.0接通,完成位M2.0接通复位M3.0并置位下一条MSG指令M1.0。

第七步:(使用触点控制变频器启动、停止、正转、反转、写频率)

07MCGS组态配置

第一步:(选择实际触摸屏对应的型号,这里我是TPC1570Gi这款型号,大家可以根据自己实际触摸屏型号来选择。)

第二步:(设备窗口—通用TCP父设备—基本属性)

本地IP地址:192.168.0.55(触摸屏IP地址)

远程IP地址:192.168.0.145(PLC IP地址)

第三步:(设备PLC属性填写PLC地址变量)

第四步:(窗口—使用大写A文字标签设计一个标题)

第五步:(使用大写A标签设计类似于威纶通数显的功能并关联PLC地址)

第六步:(标准按钮—基本属性—设置名称—操作属性—关联PLC地址)

第七步:(设计完成)

08演示效果

温馨提醒:

1.由于西门子200系列不支持2个停止位,所以在选择变频器通信格式的时候要注意,否则通信不上去。

2.西门子S7-200SMART PLC寄存器地址是可以扩展到最大400001,所以在ADDR引脚填写超过40001的地址。

此时此刻S7-200SMART PLC与海浦蒙特HD20变频器MODBUS RTU通讯控制变频器与如何在触摸屏启动、停止、正转、反转、写频率以及读取电流和电压已编写完成,大家都理解并且掌握了吗?可以在上述文章找答案!

来源:PLC发烧友,作者:技成-徐陈爽。转载请注明出处!评论处大家可以补充文章解释不对或欠缺的部分,这样下一个看到的人会学到更多,你知道的正是大家需要的。。。

相关问答

三菱PLC如何编程控制海浦蒙特变频器?

要编程控制海浦蒙特变频器,首先需要了解三菱PLC的编程语言和指令集。使用三菱PLC编程软件,创建一个新的程序,并配置与海浦蒙特变频器通信的通信模块。然后,...

海浦蒙特变频器参数设置?

海浦蒙特变频器参数的设置方法1.完成变频器控制端子信号调试。通过变频器参数d00.50可方便查看各开关量是否输入正常;模拟量为4-20mA电流信号。在调试时要...

海浦蒙特调试说明书?

以下是我的回答,海浦蒙特调试说明书是对于海浦蒙特设备进行调试操作的重要参考资料。它包含了设备的调试步骤、调试方法、调试参数等详细信息,帮助用户正确地...

海浦蒙特变频器修改参数?

海浦蒙特变频器的参数修改需要按照具体的操作步骤进行,一般分为以下几个步骤:1.连接电源和控制器:将海浦蒙特变频器连接电源和控制器,确保设备处于工作状态...

海浦蒙特mt70变频器说明书?

1.有2.因为海浦蒙特mt70变频器是一种先进的变频器设备,其功能和性能非常复杂,需要详细的说明书来指导用户正确使用和操作。说明书中会包含该变频器的技术参...

海浦蒙特变频器hd09调试方法?

海浦蒙特变频器hd09的调试方法:先进行基本参数的设置,包括电机参数、控制方式、电压等;然后进行启动测试,检查电机是否正常运行;接着进行调速测试,逐渐提...

海浦蒙特和默纳克哪个好?

默纳克电梯是一线品牌该品牌已经成立几十年了,品牌的信誉度一直是非常高的,很多楼房,大型购物商场都是使用的默纳克电梯,因为该品牌出售的电梯安全性是非常...

海浦蒙特变频器如何复位?

复位的方法通常有以下三种:(1)将变频器重新断电一次,再合闸。(2)接通变频器复位信号端子以上维持RES信号为ON时,显示“EIT”,通知正处于复位状态。(3)使用操...

海浦蒙特怎么设置电位器控制频率?

回答如下:海浦蒙特是一种常见的信号发生器品牌,通常用于产生不同频率的电子信号。要设置电位器控制频率,可以按照以下步骤进行操作:1.打开海浦蒙特信号发生...

海浦蒙特变频器怎么调速度?

要调节海浦蒙特变频器的速度,首先需要进入变频器的控制界面。在界面上,可以找到速度调节的选项。通常有两种方式来调节速度:手动调节和自动调节。手动调节可以...