plc可以反复编程吗 3分钟轻松学会一个经典的PLC编程案例:三台电机顺序启动逆序停止

小编 76 0

3分钟轻松学会一个经典的PLC编程案例:三台电机顺序启动逆序停止

本文给大家分享一个PLC编程中很经典的应用案例,电机顺序启动逆序停止。在实际生产中我们经常会碰到多台电机运行,启动时,后面的电机必须在前面电机启动后才能运行,而停止的时候,后启动的先停止。程序如何编写呢?今天小编就给大家介绍一种简单实用的方法。

控制要求如下:

三台电机通过西门子S7-200SMART SR20 PLC的Q0.0~Q0.2控制,按下启动信号I0.0,每隔5秒顺序启动三台电机,按下停止信号I0.1时每个3S逆序停止3台电机,如果三台电机还没有全部启动完,按了停止按钮则每隔3S逆序依次停止已经启动的电机。

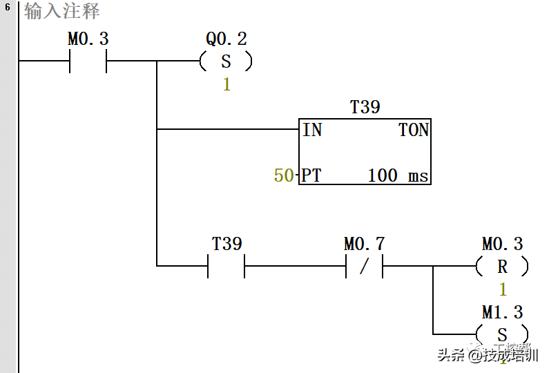
程序如下:

1.先写初始化,清除M区的状态,启动后在没有按停止前按启动按钮无效。

2.启动第一台电机,如果此时按下了停止则接通第九段程序,停止运行。

3.同理启动第二台电机,如果此时按下了停止则接通第八段程序,逆序停止。

4.启动第三台电机:

免责声明:本文转自网络,版权归原作者所有,如涉及作品版权问题,请及时与我们联系删除,谢谢!

PLC需要经常更换吗?

PLC需要经常更换吗?当然不需要,这是由它的设备特质决定的。

PLC是什么?是可编程逻辑控制器,在自动化生产线里扮演的是大脑的角色。你说人类能够随便的更换大脑吗?PLC也是类似的情况。当然,如果你要扩大升级产线,有的时候的确要更换设备,尤其是在它扫描速度不够的时候。如果是IO不够的问题,我们倒是可以通过连接IO耦合器解决问题,付出的代价比从头到尾换PLC小得多。

PLC的使用寿命是很长的,其集成有完善的隔离保护设计,抗干扰抗电磁能力强。同时,这种设备多数时候都被集成在控制柜里,也不用担心受到物理冲击伤害。一般标注寿命五六年的PLC,你要是维护得当的话用个十年也不是问题。那么问题来了,还有必要研发生产新的PLC吗?有啊!我们来列举下。

第一个原因,就是上面说的,现有PLC无法满足功能需要了,那自然得换。另一个原因,难道就没有新的自动化工程项目开启了吗?肯定有啊!我们得发展啊!所以开发综合性能强悍的新式PLC也十分有必要。

我们家为了满足大伙对于支持codesys软件编程的PLC的需要,开发了一体式和组合式的设备。如果您需要手册资料,可以私信评论找我获取。晚上我们“广成工控”直播间也会聊相关内容,欢迎观看。

相关问答

plc有两种编程方式分别为?

常用的方法有梯形图法、波形图法及流程法。梯形图法是基本方法,无论是经验法还是解析法,若将PLC程序转化成梯形图后,就要用到梯形图法。波形图法适合于时间控...

在s7200同一个程序中,可以对同一输出线圈多次使用置位和复位指令吗?

可以的,但是使用的时候还要要注意,程序是从上往下扫描的,假如线圈同时置位复位了,PLC输出的时候只认程序最下面那个状态!可以的,但是使用的时候还要要注意,程...

大家好,请问同一个程序通过电脑多次重复写入三菱PLC,PLC是不是不能执行程序呀,谢谢了?

能够执行,PLC的程序是如果输入新的程序那么以前PLC中已存在的程序就会被覆盖,只留你最新输入的程序能够执行,PLC的程序是如果输入新的程序那么以前PLC中已存...

plc单独编程到调试过程详情?

熟悉控住对象、PLC选型及确定硬件配置、设计PLC的外部接线。设计控制程序、程序调试和编制技术文件。1了解控制对象,确定控制要求这一步是系统设计的基础。...

plc启动不了要多次重启?

PLC启动不了需要多次重启。1.因为PLC是一种特殊的微型计算机控制器,当电源和逻辑电路有问题时,其可能无法启动。需要多次重启才能使其正常工作。2.此外,如果...

PLC编程一个控制4个指示灯循环闪烁程序,要求,每隔一秒反复闪烁?

这个很简单。我用的是西门子的,就用西门子举例吧,常亮的直接输出,闪烁的用时钟M0,有8个不同的闪烁频率,你选一个就行了去当另外两个指示灯。并联输出。如果没...

plc比较指令能循环吗?

可以使用循环指令(LOOP)可以多次重复执行包括比较指令的程序段,由累加器1确定重复执行的次数,即以累加器1的低字为循环计数器。LOOP指令执行时,将累加器1字...

26岁转行plc晚了吗?

不晚,PLC不像IT行业那么高的强度,从事PLC得需要经常出差。这个在40岁之前转行都不晚,很多IT行业都是30岁之前转行,更何况PLC.,放心大胆的学。可以自学,也可...

简述plc编程的基本原则?

2)梯形图每一行都是从左母线开始,线圈接在最右边,接点不能放在线圈的右边。3)线圈不能直接与左母线相连。如果需要,可以通过一个没有使用的内部继电器的...

plc的输出线圈触点怎么多次使用?

可以多次使用。因为PLC的输出线圈触点采用电磁原理工作,当PLC输出信号触发线圈时,线圈内的电磁铁会被激活,吸引触点闭合,完成电路的通断。当输出信号取消时,...