线下实训
HOME
线下实训
正文内容
plc编程 液位控制 通过实例综合应用三菱PLC指令,看看指令如何实现功能
发布时间 : 2026-01-26
作者 : 小编
访问数量 : 23
扫码分享至微信

通过实例综合应用三菱PLC指令,看看指令如何实现功能

通过实例综合应用数据处理指令和逻辑运算指令,看看指令如何实现功能

1、项目名:水泵循环投切

2、功能要求:要求用多台水泵将很大的水池的液位保持在一定的范围,因为对液位的要求精度不高,可以通过调节投入水泵的数量来控制液位,

假设用16台水泵,用Y10~Y27控制16台水泵,最简单的投切是固定投切,首先将Y10置1,然后用变址寻址将Y11、Y12等顺序置1。切除也是采用相同的方法,首先复位软元件号最大的输出继电器,然后按软元件号从大到小的顺序依次切除水泵。从固定投切的控制方式可以看出设备苦乐不均,软元件号小的相当于一直在工作,为了保证设备的均匀使用,本例采用循环投切的工作方式,即,最先投入的水泵最先切除。

循环投切的实现方法:将K4Y10循环左移一位后,与移位前的K4Y10做逻辑或运算,K4Y10中增加了一个1,即多投入了一台水泵。

为了实现循环切除水泵控制,将K4Y10循环左移一位后,与移位前的K4Y10做逻辑与运算,K4Y10减少一个1,即切除了一台设备。

实现

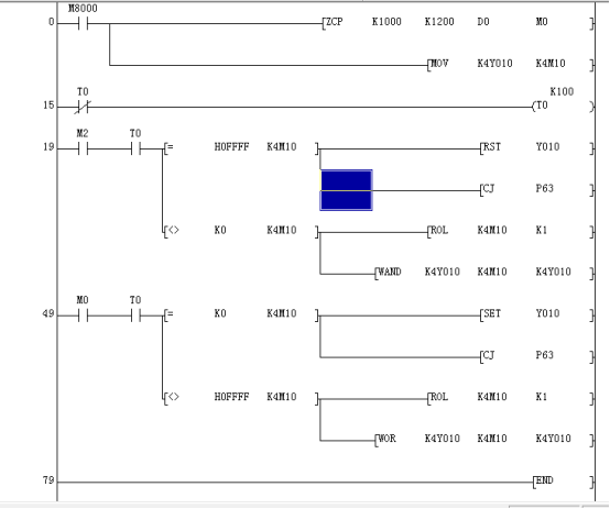
3、循环投切的程序

用Y10~Y27控制16台水泵,D0中的值为液位值,液位控制在1000~1200之间,用M0~M2表示液位低,液位正常和液位高。液位低时每隔10s,投入一台水泵,当液位高时每隔10s切除一台水泵。

程序解读:

1、当PLC运行,M8000为1,看液位D0的值是否在范围内,用个区间比较指令ZCP,当小于1000,则M0得电,当大于1200,M2得电,

2、T0常闭点与T0形成一个10s的脉冲。

3、当液位D0大于1200,M2为1,每隔10s,M2与T0组成串联电路每隔10s接通一次,开始判断如果K4M10等于H0FFFF(即16个1),这样在使用WAND指令(1与1得1)不能切除水泵,触发复位Y10,然后跳转END指令所在的步序号(对应的跳转指针为P63),在程序中不需要设置P63。

当判断K4M10不等于0,则执行ROL指令和WAND指令,切除最先最先投入的水泵。

4、当液位D0小于1000,则M0=1,每隔10s,M2与T0组成串联电路每隔10s接通一次,开始判断如果K4M10等于0(即0,没有水泵投入),这样在使用WOR指令(0或0得0)不能切除水泵,触发置位Y10,然后跳转END指令所在的步序号(对应的跳转指针为P63),在程序中不需要设置P63。

当判断K4M10不等于H0FFFF,则执行ROL指令和WAND指令,多投入一台水泵。

注:用跳转CJ指令,主要为了缩短程序执行时间,在本例中由于程序段较少,也可以不用。但在程序行数较多的情况,还是必要的。

仿真如下:

只有指令掌握熟练了,才能在自己编程中灵活运用,再有就是多看看别人编的程序,熟悉了指令,在看程序中也就能跟高的理解。

写文不易,若你觉得对你还有帮助,别忘记给笔者关注、点赞、评论和转发,送人玫瑰,手留余香。你们的鼓励是我继续奉献更好的内容的动力。

PLC编程100例之水库水位自动控制

水库水位自动控制

【控制要求】

Ÿ 水库水位上升超过上限时,水位异常警报灯报警,并进行泄水动作。

Ÿ 水库水位下降低于下限时,水位异常警报灯报警,并进行灌水动作。

Ÿ 若泄水动作执行 10 分钟后,水位上限传感器 X0 仍为 On,则机械故障报警灯报警。

Ÿ 若灌水动作执行 5 分钟后,水位下限传感器 X1 仍为 On,则机械故障报警灯报警。

Ÿ 水位处于正常水位时,所有报警灯熄灭和泄水及灌水阀门自动被复位。

【元件说明】

【控制程序】

【程序说明】

Ÿ 当水位超过上限时,X0=On,CALL P0 指令执行,将跳转到指针 P0 处,执行 P0 子程序,线圈 Y0 和 Y10 都为 On,进行泄水动作并且水位异常报警灯报警,直到 X0 变为 Off,即水位低于上限水位时,才停止 P0 子程序。

Ÿ 当水位低于上限时,X1=On,CALL P10 指令执行,将跳转到指针 P10 处,执行 P10 子程序, 线圈 Y1 和 Y10 都为 On,进行泄水动作并水位异常报警灯报警,直到 X1 变为 Off,即水位高于下限水位时,才停止 P10 子程序。

Ÿ 在 P0 和 P10 子程序中嵌套了 CALL P20 子程序,如果进行泄水动作 10 分钟但水位上限传感器仍为 On,则执行 P20 子程序,Y11 线圈导通,机械故障指示灯报警。

Ÿ 同样,如果进行灌水动作 10 分钟但水位下限传感器仍为 On,则执行 P20 子程序,Y11 线圈导通,机械故障指示灯报警。

Ÿ 如果水库处于正常水位,即 X0 和 X1 都为 Off,则 ZRST 指令执行,Y0、Y1、Y10、Y11、T0、T1 都被复位,泄水和灌水阀门和报警灯都不动作。

相关问答

step7液位控制系统怎么输入液位?

该step7液位控制系统怎么输入液位如下:1.最简单控制就是在进水口装浮球阀,控制水不溢出,人工控制泵的启停。2.简单高水位,泵起;低水位泵停。在水箱内安装...

基于PLC和组态王的液位监测系统怎么做?

利用PLC实现PID控制,PID输出量控制变频器控制水泵转速,液位传感器检测到液位信息处理后反馈到PLC,经PLC运算,可以精确控制液位。利用PLC实现PID控制,PID输出...

液位传感器与plc接法?

1:首先,把这个液位计的常开常闭动作点方式搞错了,据经验一般液位计有这样的,假如它的一对触点A(A一般为常开),首先这个A为常开的,也就是在液位不到该点时,...

uhz磁翻板液位计如何接PLC?

将液位计的信号输出端连接到plc的模拟量输入模块。将液位计的信号输出端连接到plc的模拟量输入模块。

超声波液位计信号怎么传到plc?

超声波液位计的信号一般可以通过两种方式传输到PLC:1.4-20mA模拟量输出:超声波液位计的输出信号,采用4-20mA模拟量输出,用于链接PLC的AI模拟量输入模块,将...

液位计如何与plc模拟量模块连接?

液位计可以通过4-20mA模拟量信号与PLC模拟量模块连接。首先,将液位计的输出信号通过信号转换器转换为4-20mA模拟量信号,然后将模拟量信号输入到PLC模拟量模块...

PLC全自动洗衣机有液位开关吗?

pLc全自动洗衣机有液开关。pLc全自动洗衣机有液开关。

液位传感器可作为plc的开关量信号吗

[回答]PLC1、PLC即可编程控制器(ProgrammablelogicController,是指以计算机技术为基础的新型工业控制装置。在1987年国际电工委员会(InternationalEle....

plc控制水族箱怎么弄?

用PLC控制,首先您需要些什么功能,比如液位控制,定时启动小水泵,定时充养,定时照明或装饰灯控制等等,把需要的功能程序编辑写好在PLC里面,再接上相应的外围...

磁控液位计在plc控制中不起作用怎么办水位低不自动起泵?

估计是磁控输出触头氧化,接触点阻值增大,使PLC输入端灵敏度大跌所谓失控。检查触点导通状态,必要时更新即可。估计是磁控输出触头氧化,接触点阻值增大,使PLC...

 皮箱藏尸案  反叛的鲁鲁修cc 
王经理: 180-0000-0000(微信同号)
10086@qq.com
北京海淀区西三旗街道国际大厦08A座
©2026  上海羊羽卓进出口贸易有限公司  版权所有.All Rights Reserved.  |  程序由Z-BlogPHP强力驱动
网站首页
电话咨询
微信号

QQ

在线咨询真诚为您提供专业解答服务

热线

188-0000-0000
专属服务热线

微信

二维码扫一扫微信交流
顶部