线下实训
HOME
线下实训
正文内容
plc编程智能模块图 33张精品电路程序图,先易后难讲解PLC编程实例
发布时间 : 2026-01-16
作者 : 小编
访问数量 : 23
扫码分享至微信

33张精品电路程序图,先易后难讲解PLC编程实例

我们在开始学习PLC时,很多人觉得无从下手,很难掌握,所以说要求大家必须了解基本的入门理论知识,除此之外更要多动手实践,电路图是每个电工必备的动作,电工要想学会PLC,那就不仅仅需要知道电路图,更要懂电路程序,到中后期就需要自己来设计电路,所以在刚接触PLC编程时,大家先从简单的电路程序着手,一步步的由浅入深学习,今天我们给大家分享的就是一些具体的基础性的PLC编程实例:

往期优秀文章回顾:

液压混合、机床电机、PID温控、恒压供水等1164个三菱PLC实用案例

台达PLC详解(附PLC功能总简介)

一)、可编程控制器的应用

1、开关量逻辑控制:电动机启动与停止

2、运动控制:对步进电动机或伺服电动机的单轴或多轴系统实现位置控制

3、过程控制:对温度、压力、流量等连续变化的模拟量进行闭环控制

4、数据处理:数据采集-运算-传送

5、机械加工机床的数字控制:数控系统

6、机器人控制:

7、通信联网: PLC-计算机,PLC-PLC,PLC-人机界面

二)、可编程控制器的分类与特点

1 、按结构形式分类

(1) 整体式:将电源、I/O点、CPU、储存器等做成1个整体

(2) 模块式:将电源、I/O点、CPU、储存器等做成多个模块

2、按I/O点数及内存容量分类

(1) 、超小型机:I/O点数在64以内,内存容量在256-1k字节

(2)、 小型机:I/O点数在64-256,内存容量在l-3.6K字节

(3) 、中型机:I/O点数在256-2048,内存容量在3.6-13K字节

(4) 、大型机:I/O点数在2048以上,内存容量在13K字节以上

3、按功能分类

(1) 低档机:基本功能,逻辑运算、定时、计数等

(2) 中档机:较强的数据处理、子程序及远程I/O等功能

(3) 高档机:较强的模拟调节、智能控制、过程控制等功能

三)、可编程控制器的特点

1、编程简单并具有很好的柔性

2、功能完善、实用性强

3、可靠性高、抗干扰能力强

4、体积小、重量轻、功耗低

5、机电一体化

四)、PLC的基本组成

1、中央处理器CPU模块(Central Processing Unit)

2、存储器

1)、系统程序存储区

2)、用户程序存储区

3、输入/输出模块

4、 电源模块

5 、编程器和编程软件

6、PLC的工作原理

(1)输入采样阶段

(2)用户程序执行阶段

(3)输出刷新阶段

7、关于梯形图的格式,一般有如下一些要求;每个梯形图网络由多个梯级组成,每个输出元素可构成一个梯级,每个梯级可由多 个支路组成.通常每个支路可容纳11个编程元素。最右边的元素必须是输出元素。每个网络最多允许16条支路。

五)、台达各种PLC系列

目前台达PLC有ES、EX、EH2、PM、SA、SC、SS、SX、SV等系列。各系列机型均由各自特点,可满足不同控制要求。

ES系列性价比较高,可实现顺序控制。

EX系列具备数字量和模拟量I/O,可实现反馈控制。

EH系列采用了CPU+ASIC双处理器,支持浮点运算,指令最快执行速度达0.24μs。

PM系列可实现2轴直线/圆弧差补控制,最高脉冲输出频率达500kHz。

SS系列外形轻巧,可实现基本顺序控制。

SA系列内存容量8k steps,运算能力强,可扩展8个功能模块。

SC系列具有100k Hz的高速脉冲输出和100k Hz的脉冲计数。

SX系列具有2路模拟量输入和2路模拟量输出,并可扩展8个功能模块。

SV系列外形轻巧,采用了CPU+ASIC双处理器,支持浮点运算,指令最快执行速度达0.24μs。

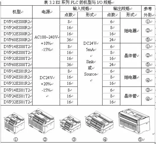
六)、台达PLC的型号

台达PLC型号都以DVP开头,

第1-2位为I/O点数;

第3位为主机或扩展模块标志,

E:E类主机,X:扩展模块,S:S类主机;

第4位为机型标志,C:不可扩展型主机,

S:标准型主机,X:模数混合型主机;

M:输入点扩展模块,N:输出点扩展模块,

P:输入/输出扩展模块;

第5-6位为电源类型,00:交流电源,01:直流电源,11:直流电源;

第7位为输出标志,R:继电器输出,T:晶体管输出,N:无输出模块;

第8位为“2”表示功能提升。

例如:DVP 14ES 00 R 2 表示为台达PLC,共有14个I/O点,E类标准型主机,使用220V交流电源,继电器输出,属于功能提升型;

又如:DVP 16 XM 01 N 表示为使用直流24v电源的16点输入扩展模块。

七)、台达PLC的周边设备

1、程序书写器 目前台达PLC程序书写器的型 号为DVP HPP02。

2、WPLSoft编程软件 使用WPLSoft编程软件可在计算机上将梯形图程序输入PLC,完成编程。WPLSoft编程软件可在台达的官方网站下载。

3、各部连接线

八)、ES系列PLC的构成

ES系列PLC是中达电通股份有限公司生产功能非常强的超小型PLC产品,在某些功能上甚至能与大型机媲美。主机内有高速计数器,可输入频率达20kHz的 脉冲,输出的脉冲频率可达10k Hz。

ES系列PLC还具有4个中断源的中断优先权 管理,以及RS—232C和RS485通讯接口。

台达PLC还有与之配套的扩展模块,如I/O模块、智能模块及温度测量模块等。1台ES系列PLC最多可扩展到256个I/O点。

台达PLC的智能模块主要为A/D、D/A模块,当需要对模拟量进行测量和控制时,可以连接智能模块。

需要对温度进行测量和控制时,可将温度测量模块连接到PLC上,温度测量模块可采用PT100型热电阻或J、K、R、S、T型热电偶作传感器。

1. DIN 固定扣:可将PLC主机锁紧在DIN固定槽上。

2. DIN 固定槽:可将PLC主机安装在DIN固定片上。

3. 螺栓孔:可将PLC主机用螺栓固定在控制箱墙板上。

4. RS-232C通讯接口

5. 扩展模块插座

6-7. 接线端子

8-9. I/O指示灯

10. 状态指示灯

① “Power”:接通电源后,“Power”指示灯亮;

② “Run”:程序运行时,“Run”指示灯亮;

③ “Error”:程序出错时,“Error”指示灯亮;

11、12 塑料盖

13、14 I/O铭牌

15. RS-485通讯口

相关问答

plc的电源模块起什么作用,-ln7YEUiIV的回答-懂得

plc的电源模块的作用是给CPU模块:I/O模块;还有其它扩展模块等供应电源。PLC主机供电是有限的,如果你所加的扩展单元,或者外设单元。用主机电源时超...

plc模块有哪些?

1、plc即可编程控制器(programmablelogiccontroller,是指以计算机技术为基础的新型工业控制装置。plc是一种专门为在工业环境下应用而设计的数字运算操作的...

plc模块接线方法原理?

plc接线原理:PLC的数字量输入接口并不复杂,PLC为了提高抗干扰能力,输入接口都采用光电耦合器来隔离输入信号与内部处理电路的传输。因此,输入端的信号只是驱...

plc各种模块通讯方式?

1.周期I/O通信方式周期I/O通信方式常用于PLC的远程I/O链路中。远程I/O链路按主从方式工作,PLC远程I/O主单元为主站,其它远程I/O单元皆为从站。2.全局I/O通...

EM235的输出怎么与PLC相连接,原理和接线图-ZOL问答

EM235是PLC的扩展模块通过专用排线连接PLC可以直接通过内部地址访问EM235就像PLC上的输入输出点一样比如第一个模拟量输入地址就是AIW0第二个是AIW2一样详细...

plc中al是什么意思?

警告的意思英语alarm的简写。应该是你的PLC硬件或者接线出现问题。PLC的程序有错误也会报警。plc是可编程逻辑控制器(ProgrammableLogicController,PLC)...

plc和io模块有什么区别?

plc和io模块主要区别是属性不同:分布式io,可用于数据收集和各种控制的应用。具有可靠度高、价格优惠、设置容易、网络布线方便等特性,适用于分散地区的应用,...

PLC输入输出模块的供电,怎么接线的?-懂得

先做如下约定:电源正(记为1),电源负(记为2),采集模块信号正(记为3),采集模块信号负(记为4),传感器信号正(记为5),传感器信号负(记为6)。对于四线制...

plcai块是什么意思?

PLC(ProgrammableLogicController)是一种可编程逻辑控制器,常用于工业自动化控制系统中。AI块是PLC中的一种功能块,用于实现模拟量输入信号的采集和处理。...

AQ是plc什么模块?

指的是模式触摸模块。该触摸模块是基于电容感应制作的触摸模块,除了直接触摸Touch区域感应外,在该范围隔着一定厚度的塑料、玻璃等材料也可以感应到。配合Ar...

 惠女精神  气动夹头 
王经理: 180-0000-0000(微信同号)
10086@qq.com
北京海淀区西三旗街道国际大厦08A座
©2026  上海羊羽卓进出口贸易有限公司  版权所有.All Rights Reserved.  |  程序由Z-BlogPHP强力驱动
网站首页
电话咨询
微信号

QQ

在线咨询真诚为您提供专业解答服务

热线

188-0000-0000
专属服务热线

微信

二维码扫一扫微信交流
顶部