plc编程总是闭触点 plc常开常闭触点

小编 89 0

plc常开常闭触点

常开或常闭触点 是指在没有任何外部作用下的自然状态(比如通电),这时候的常开触点就是断开的,常闭就的接通的。

在plc程序中,如果引用了常开触点,那么当对应的I/O外部信号接通时候,常开就有效。常闭正好相反。

有常开就有常闭 ,按钮开关都是一个开关内有两组开关的,一组常开一组常闭,也就是说有4个接线端子。

常开触点:就是在线圈通电时处于闭合状态,在线圈断电时处于断开状态。

常闭触点:就是在线圈断电时处于闭合状态,在线圈通电时处于断开状态。

PLC输入信号采集示意图

图片中,输入设备选用的是按钮SB0的常闭触点,输入继电器X0的线圈状态取决于SB0的状态。

该按钮未按下时,输入继电器X0线圈状态为"1"通电状态,程序中所有X0触点均动作,即常开触点接通,常闭触点断开;若按下该按钮,则输入继电器X0线圈状态为"0"断电状态,程序中所有X0触点均恢复常态。

如果输入继电器连接的输入设备是按钮SB0的常开触点,则情况恰好相反:在该按钮未按下时,输入继电器X0线圈状态为"0"断电状态,程序中所有X0触点均不动作;若按下该按钮,输入继电器X0线圈状态为"1"通电状态,程序中所有X0触点均动作。

停止按钮是常闭触点,梯形图也是闭点,为啥PLC中,用常开触点?

PLC是继电器电路的软体功能实现,但是它完全是软的东西,最终要落地驱动继电器,还是需要转换的,这个转换过程,往往会造成逻辑电平上的颠倒,所以常开可以变成常闭,常闭也可以变成常开,这个过程会引起一些初学者困惑,这时候需要回到电路的根本,找出电流的回路来判断,请关注:机电猫

停止状态需要常闭,不代表控制上一定是常闭按钮

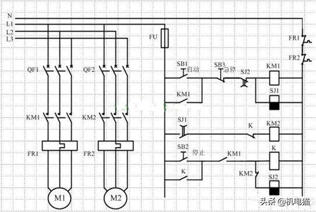
大家都对急停开关的印象深刻,调试时候,一巴掌”啪“一声打下去,直接断开了回路电源,因为急停开关都是串联到电源回路里边的,正常当然是常闭点,而且因为考虑到实时性,并没有使用别的东西来做转换,按下急停开关时候,这个电路回路会全部断电。

比如上图中,急停按钮SB3被按下后,电机M1和M2会因为KM1和KM2断电而直接停止工作。

停止按钮和急停按钮作用本质是一样的,往往需要串联到回路里边来完成作用,既然是串联,正常状态下当然是需要闭合的,所以需要使用常闭触点。

而启动按钮,是需要并联于自保触点的,按下后松开手需要断开,所以需要常开触点,这个和停止按钮刚好相反,颠倒过来了。

实际上,只是停止的状态需要常闭而已,不代表按钮这头也一定要常闭,按钮上使用常开也可以的,比如另外加一个继电器,就可以让常开按钮状态来控制常闭回路状态了。

上图中,通过常开形式的停止按钮驱动中间继电器KA,KA继电器的常闭触点直接做KM接触器的断开触点。

PLC是软触点,常开或者常闭只是符号,可以任意处置

比如上边的电机控制回路,稍微改一下,就变成下边的控制电路,输入到PLC里边,

方框内的是PLC里边的东西,图上半部左边是启动和停止按钮,都使用了常开形式,图下半部是梯形图,形成了一个Y0输出的自保回路,Y0再输出触点信号控制接触器KM,KM再用来控制电机启动和停止(没有画出来)。如果把输入按钮都改成了常闭形式的,就变成下边这样的梯形图了:

这个看起来有点吓人,因为启动和停止按钮都常闭状态的,在上下电时候,似乎存在“竞争冒险”之类的情况,实际上PLC是存在扫描周期来运作的,它会隔一段时间才刷新I/O输出,而且在PLC电源断电状态下,Y0的状态也无法保持,KM也不会有电的,并不会产生什么问题。

PLC之所以灵活,就是因为它可以任意处置常开和常闭触点,这点比线路处理起来方便很多。

相关问答

plc常开点和常闭点工作原理?

"PLC的常开常闭其实就和继电器(接触器)的常开常闭是一样的,也就是说在线圈得电之前的触点状态就是常态(通电之前的触点是断开的就是常开,通电之前的触点是闭...

plc触点不闭合?

如果PLC触点不闭合,可能会导致与该触点相关联的设备无法正常工作。这种情况通常有以下几种可能性:1.触点失效:触点可能损坏或烧坏,无法正常闭合。需要更换...

PLC经常坏输出触点是什么原因?

1,正常来说,PLC输出是有电压输出的,但是额定电流很小,一般要外接电源,串进输出控制回路里。所以你这个情况有可能是负载超过额定电流,PLC内部输出回路工作...

为什么西门子plc会出现辅助线圈得电但对应的辅助常开触点触点不会闭合?

要看程序是否用了VB12VW12VD12VD10等,还要是否重复用了V12.0的线圈等。如果用了就会出现这种情况。要看程序是否用了VB12VW12VD12VD10等,还要是否重复用了V12...

三菱PLC程序问题:硬件和软件的开闭点有没有什么规律啊,比如:开开为闭,啊什么的口诀?

如果硬件是常闭,那么PLC里面的常闭触点是开的,常开触点此时是闭合的;如果硬件是常开,那么PLC里面的常闭触点是闭合的,常开触点此时是开的;如果硬...

为什么plc中要加入自锁触点?

自锁的作用就是当按钮开关断开后,为保证继电器不至于掉电无法工作从而引入了它的常开辅助触点,在人手离开按钮开关后,继电器的常开辅助触头会闭合替代开关为继...

在PLC中,什么叫自锁?

PLC中自锁是线圈控制触点维持线圈自身的通电状态。最简单的自锁是用常开触点X1控制线圈Y1,再回过头把Y1的常开触点并在X1上。PLC,即可编程逻辑控制器。PLC中...

PLC编程时什么时候使用常开触点什么时候使用常闭触点?

PLC编程时的常开触点---表示外界的某种条件或内部联锁的一种手段常开用的越多,表示需要满足的条件越多。常闭点:表示原来已经满足的条件,由于故障、报警...

plc加自锁的方法有哪些?

用按钮触发后,用延时器控制自动无限循环运动,配合计数器可实现有限循环。例:用两个按钮一开(X0)一闭(X1)控制一个线圈Y0并自锁Y0的电路谁都会做吧。先...用...

5在PLC编程中,热继电器用常开点还是常闭引到PLC的输入?

1、热继电器在实际接线的时候接到常开触点(没有过载时常开触点就是断开的,过载时常开触点就是接通的),在PLC编程中梯图里以常闭触点形式出现就是表示没有过载...