课程中心
HOME
课程中心
正文内容
什么是PLC编程代码 PLC的指令是什么?
发布时间 : 2026-02-09
作者 : 小编
访问数量 : 23
扫码分享至微信

PLC的指令是什么?

指令语句表编程语言是所有PLC都具有的最基本的编程语言。而指令语句表程序是由一条一条的指令堆砌而成的。因此,我们有必要对指令进行进一步的说明和解读。

1、指令格式

PLC的指令语句表程序和微机汇编语言程序非常的相似,我们也是以汇编语言的指令和指令系统方式来进行介绍。

所谓指令是指对PLC的一种操作命令,告诉PLC怎么做,做什么?人们设计了一系列的操作命令,并对他进行二进制编码。但是对于人们设计和交流沟通来说,二进制十分不便于记忆、阅读和书写。进一步又设计出了助记符形式的表示,这就是汇编语言的助记符指令格式。助记符指令十分好记,方便阅读和书写。更好的是它可以直接用键盘输入,然后通过PLC内部的编译程序把它变成一系列的二进制操作编码,由PLC的CPU来执行。

那么一条操作指令是由哪些内容组成的呢?一般来说,一条指令是由操作码和操作数组成的,例:

操作码又叫助记符。表示这条指令的性质和功能,就是要求PLC怎么做,一条指令,器操作码是必不可少的。

操作数又叫地址码,操作数地址,表示参与操作数据或数据的地址,在PLC中,也可以把它叫做编程元件。操作数告诉PLC做什么。上面这条指令表示和一个常开触点X0相串联,并完成逻辑“与”运算。

在PLC指令系统中,操作数可有可无,没有操作数的指令只表示完成一种功能,例如下面指令:

END

它就没有操作数,仅表示程序就此结束。

在功能指令中,操作数可以有1-4个,例如下面指令:

ADD D0 D1 D2

这条指令中操作数有三个D0 、D1、 D2。这时候把操作数分为源数(源址)和目的操作数(终址)。源址表示操作数的来源,而终址表示指令操作结果存放地址。上面这条指令表示做加法,把D0和D1相加,相加结果放在D2里。显然D0和D1为源址,D2为终址。

往期优秀文章回顾:

18张电气自动化控制动态图,各种实操原理一眼就能看明白

PLC编程很难么?但如果有人把每一个符号的意义都讲清楚了呢?

又是一个阳光明媚的天气,新的一天又是这么可爱,大家好,我是“电气知识”小编,今天为大家带来不一样的精彩内容,希望各位看官给小编动手评论点赞喔!您的每一次评论点赞都会带来好运气喔~

PLC编程很难么?但如果有人把每一个符号的意义都讲清楚了呢?

要求按以下要求编写程序:

一台电动机要求在按下起动按钮后,电动机运行5秒,停3秒,重复3次后, 电动机自动停止。

同时设置有手动停机按钮和过载保护。

要求过载后,电机自动停止,复位后,再次按下启动按钮后,电机继续未完成的过程。

这里有以下几个要点:

1.电动机运行5秒,停3秒,重复3次后停止。

2.过载复位后,启动时是继续过程,而不是重新开始。

首先确定输入输出表:

下面是具体程序:

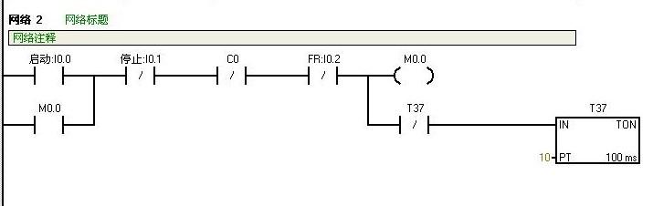
这里是利用计数器C0在复位之前所计数值不会清零的特点,当I0.0(启动按钮)启动后,正常情况下M0.0得电,T37每隔1秒发出一个高电平,随后又被自己复位重新计时。而计数器C0得到T37的高电平后向上计数一个。只有当I0.1(停止按钮)启动及C0计数到24后,C0才被复位。C0复位时,将M0.0也复位。

网络3就是根据C0的计数值进行输出,因为T37为1秒动作一次,所以C0的计数也是一秒,那么电机运行5秒后,停3秒,重复3次。就是24秒,电机在0-5秒,8-13秒,16-21秒运行。所以当C0大于等于0及小于5、大于等于8及小于13、大于等于16及小于21时Q0.0得电动作。

当I0.2(FR)置位时,切断M0.0电路,使输出停止。但是C0不复位,所以当再次启动时,C0接着刚才的计数值继续计数。

好了这就是小编这个电机的题目,这一次小编不但给小伙伴们准备了图文说明,在视频里小编打算录制2期。第一期主要讲接线及演示,第二期主要讲程序。希望大家能够喜欢。

看完小编的这篇文章,你们有什么想说的呢?欢迎评论区下方评论留言喔,您的每一次评论点赞就是对小编的肯定与鼓励,明天小编将会继续为大家带来更多好的内容,希望大家不要错过喔,小编给你们比心了喔!

相关问答

plc程序详细讲解?

当我们需要将某个机械设备进行自动化控制时,PLC程序就会发挥重要作用。下面我将为您详细介绍PLC程序的各个方面。一、PLC程序结构PLC程序通常包括输入、输出...

什么是PLC上位机编程?

PLC上位机编程是指使用软件开发PLC程序的过程。它包括从编写程序代码、编译验证、调试、发布到实际PLC设备上运行的一系列过程,它通常需要专门的开发工具,然后...

什么是PLC输入输出信号代码和地址编码?可以举例说明吗,我想编程,但是物理地址和plc内部地址联系不起来?

以西门子为例:西门子200plc,io地址在plc上有标注,如果扩展了io那么顺序往下数就行了.300plc的io地址是在配置的时候制定或者自动生成的.从step7中很直观的就...

plc报警程序怎么编写?

编写PLC报警程序需要考虑以下几个步骤:定义报警条件:首先需要确定哪些条件会触发报警,例如某个设备的温度超过设定值、某个传感器的读数异常等。设计报警逻...

工业编程是什么意思?

工业编程和我们常见的互联网程序员所做的编程是不同的领域,面对的项目也是截然不同的,而代码工作量常常也是完全不同的,工业编程常常会比互联网程序员的做需要...

plc的常用代码?

PLC品牌比较多!每个都不一样!西门子,施耐德,AB(罗克韦尔),GE。中型PLC:西门子,施耐德,欧姆龙,三菱。小型PLC:西门子,欧姆龙,三菱,LS,松下,富士...PLC品牌比较...

PLC编程过程?

PLC编程的过程大致分为以下几步:1.确定控制任务和要求:根据控制对象的特点和需要控制的内容确定控制任务和要求,例如控制机器的启停、转速、温度、压力等。...

三菱PLC程序怎么注释?

在三菱PLC编程中,我们可以用注释来标记每段代码的功能或者说明,这些注释可以方便我们在以后需要维护代码的时候更加容易地看懂代码。在三菱PLC编程中,注释通...

BYTE在PLC中是什么意思?

在PLC中,位,就是用0、1代码表示bool量,即是bit字节是8个bit,即是byte。字就是2个字节。双字就是2个字。这些都是为了在设备中存储区使用方便,做的一些规定。...

雕刻机R5907PLC代码是什么意思?

R5907PLC是一种数控雕刻机型号,PLC指的是可编程逻辑控制器。代码是机器控制的语言,R5907PLC代码是该数控雕刻机控制程序的指令集。这些指令告诉机器如何移动刀...

 快三步舞教学  芳香世家 
王经理: 180-0000-0000(微信同号)
10086@qq.com
北京海淀区西三旗街道国际大厦08A座
©2026  上海羊羽卓进出口贸易有限公司  版权所有.All Rights Reserved.  |  程序由Z-BlogPHP强力驱动
网站首页
电话咨询
微信号

QQ

在线咨询真诚为您提供专业解答服务

热线

188-0000-0000
专属服务热线

微信

二维码扫一扫微信交流
顶部