直播课堂
HOME
直播课堂
正文内容
plc编程b代表什么 PLC初学者不知道什么是FC,FB,OB,DB块,一定要明白
发布时间 : 2026-01-02
作者 : 小编
访问数量 : 23
扫码分享至微信

PLC初学者不知道什么是FC、FB、OB、DB块,一定要明白

最近经常有初学西门子PLC编程的朋友,对于FC、FB、OB、DB块特别迷茫,一开始的时候可能很多人都会遇到类似的问题

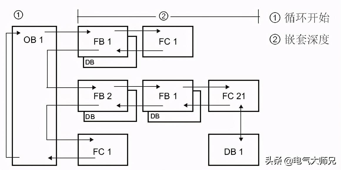
. 组织块,组织块是操作系统和用户程序之间的接口。OB 用于执行具体的程序,我们最常用的就是OB1,所有的FB和FC块都需要直接或者间接的接受调用,才能执行,如下图是创建组织块,每个不同组织块是不同的功能

1、在 CPU 启动时;

2、在一个循环或延时时间到达时;

3、当发生硬件中断时;

4、当发生故障时;

5、组织块根据其优先级执行。

初学者先知道OB1的功能如何使用,如下图所示,所有的FB或者FC做成的子程序都需要间接或者直接的接受调用。

二. FC函数和FB函数块的区别在哪里呢,首先FB块有自己的背景数据块,就是专有的存储区,我们什么时候选择建立FB块呢,根据我自己以往的经验来说,就是需要重复使用的标准功能,例如一个项目里面有50个气缸需要控制30个电机需要控制,在这种情况下,我们就可以选择做两个电机和气缸的标准FB块,其余的都可以用FC。

三. FB块优点:1. 易于移植性,对于相同控制逻辑不同参数的被控对象,只要使用不同的背景DB,同一个FB块就可以方便2. 多重背景,减少重复工作,提高效率3. 多次调用时,参数修改方便4. 有独立的存储区

四. FC块优点:1. 小巧灵活,对于非多次调用的程序更易理解2. 不占用额外的存储资源

五. 数据块DB:数据块分为全局数据块和背景数据块,背景数据块即前面提到的FB块的专用存储空间,如下图是建立的背景数据块

全局数据块是建立的存储区域,可以根据需要自己建立数据的各种类型,便于数据的存储和方便调用

在编程时方便我们建立中间变量和数据的存储记忆,并且可以把数据类型归类使用,希望这些说明能够帮助到大家,感谢!

AB PLC梯形图下的MOVE指令来看AB PLC编程的一些特点

说明:

AB PLC很早以前接触过,不过没有认真去了解过,这段有时间就来细看一番,发现它和西门子的PLC编程方法和理念还是很不一样,虽然我也用过美国GE的plc,但是还是和这个AB的很不一样,因此AB的PLC有必要仔细的学习一下,故有此随笔。

正文:

Rockwell Allen-Bradley也就是罗克韦尔AB PLC的英文名称,后边我都说AB PLC了。目前AB plc的软件版本非常多,我主要使用RsLogix 5000和Studio 5000这2个软件(需要说明的是这是两个不同的软件,可能你搜索软件的时候都是叫RS5000,但是下载下来却发现是Studio5000),因此后续的文章也都主要是这个2个软件环境下的讲解。

今天本文先来讲一个简单的MOVE指令,让朋友们感受一下,AB PLC和西门子PLC有多大的区别。

MOVE指令的区别

这个图片的上边部分是STEP7软件中西门子300项目中的一个MOVE传送指令,实现把MW20中的值传送给DB1.DBW20中。而下边的这个是AB PLC软件中的MOVE传送指令,这个指令中的source是源,来源的意思;而这个dest不是桌子的是意思,是destination目标,目的地的意思,所就是把来源的数据传送到目标数据中的一个传送MOVE指令。

Move指令不就是把一个数据传送到另外一个数据么?为何AB PLC中的Move指令右侧有四处问号呢?

其实,帮助文件中也没有解释的太清楚,不过我可以测试,请看下图:

AB PLC move指令

这个图片是我把3个图片整合在一起了,图中①是离线时候的原始程序,所以②③图片的左右两侧的母线是绿色的粗线,而①处则没有,因为是在离线状态。

①和②的程序是一样的,是都没有执行时候的程序状态,可以看到TP1下的箭头处是20,TP2下的箭头处是0,TP3下的箭头处是45。而当我把两个MOVE指令前边的常开接点让其接通的时候,可以看到③处Local:2:Data.0两侧的横线变为了绿色表示该接点接通了,而此时TP2和TP3下方箭头的数值都变成了20。---这样的程序接通前后的变化,就可以说明箭头所指的数据,可以理解为是你定义的初始值,比如TP1和下边的20,就相当于TP1的初始值定义为20,TP2的初始值定义为0,TP3的初始值定义为45,经过MOVE指令的传送后TP2和TP3中的值都变为了source中的值。

箭头所指的值是初始值,那TP1是由何而来呢?是我创建的一个标签名字或者说一个变量名字!

示例图片1

AB PLC中的变量系统设置应该说和很多PLC的变量系统设置不一样,因此在使用很多指令的时候都需要建立一个标签。这里先说一示例图片1中Dset处的35为何我放置了一个错误的x号,因为Dset处是只能放标签tag的是不能放立即数的,在程序编译的时候会报错!

再来看一下下方的AAA,就是我要创建的一个标签名字,是随意取的。在没有定义这个AAA之前,我只是在这里写了个AAA,那么下方的??处,将无法写入数值,必须对AAA有个明确的定义,让系统知道你是创建了这个AAA的tag才行,见下图:

创建Tag

该图右上角的Creat就是创建的意思,即使你的一切设置都是按照这个默认设置去设置,也要进入这个画面点击一个这个Creat,这样才算告知系统已经创建了一个叫AAA的变量,进而上边图片中下方赋予初始值那里才能写入数值!

再开看一下之前程序运行时,创建的标签在监控中的情况:

TP2标签的值

这个图片可以看到TP2标签的值是20,TP2是一个DINT类型的变量,所以它是32位的,可以看到有32个位,TP2.4和TP2.2这两个位的值都是1,也说明了TP2中的32个位,数据排列的方法是T2.0是最低位,TP2.31是最高位。

MOVE指令大概就说到这里了,我想朋友们应该已经能看到,还是和西门子PLC有很多不一样的地方。感谢阅读,如果有问题欢迎留言和批评指正,谢谢!

相关问答

plc控制器上b字母开头是什么线?

在PLC控制器中,B字母开头的线通常指二进制线或位线。这些线用于传输数字信号,表示开关状态或逻辑值,如0或1。二进制线是数字电路中最基本的线,可以用于控制各...

西门子plc300中的w#16#1e00,b#16#00中的w和b是什么意思_作业帮

[最佳回答]W是字,长16位,就是16进制数1e00.B是字节,长8位,就是16进制数00.

城轨plcb是什么?

城轨plcb是指程序表控制单元城轨plcb是指程序表控制单元

plc扩展模块a,b是什么意思?

1.PLC扩展模块A、B是指可用于扩展PLC输入输出点数的模块。2.PLC是可编程逻辑控制器的缩写,它是一种工业自动化控制设备。PLC扩展模块A、B可以增加PLC的输入...

plc程序中ab是什么意思?

你好,AB在PLC程序中通常是指Allen-Bradley,这是一家专门从事工业自动化和控制设备制造的公司,在PLC程序中常用AB来指代该公司的PLC产品系列,例如ABPLC-5、AB...

【西门子plcs7-200中I、Q、M、SM、T、C、V、S、L分别指什么?...

[回答]输入继电器I输出继电器Q通用辅助继电器M特殊继电器SM变量存储器V局部变量存储器L顺序控制继电器S定时器T计数器C模拟量输入映像寄存器AI模拟量输出...

PLC编程中==B是什么意思?

==表示相等,B表示BYTE(字节),==B即两个字节或一个字节与一个数值比较,相等则有输出,比较数值时,数值是十进制==表示相等,B表示BYTE(字节),==B即两个字节或...

PLC里K表示十进制的那么2进制的用什么表示?

(D是十进制数,B是二进制数,H是十六进制数,O是八进制数,但O和0很像,所以通常写八进制数的时候在最高位写0,比如021就是八进制数21)可以结合计算机中浮点...虽...

PLC中双字MDLDDBDDID是什么意思?

是西门子的PLC吧?MD中间存储器用于存储双整型数据或实数LD局部变量的双字DBD通用数据块的双字,任何功能块都能调用DID背景数据块的双字,只有相对应的F...

西门子plc300中的编程中db1.dbd4是什么意思?

数据块1的第四个地址开始的一个双整数型数据占用4个字节地址即DB1.DBB4,DB1.DBB5,DB1.DBB6,DB1.DBB7,数据块1的第四个地址开始的一个双整数型数据占用4个字节...

 樊虎  南通航运学院 
王经理: 180-0000-0000(微信同号)
10086@qq.com
北京海淀区西三旗街道国际大厦08A座
©2026  上海羊羽卓进出口贸易有限公司  版权所有.All Rights Reserved.  |  程序由Z-BlogPHP强力驱动
网站首页
电话咨询
微信号

QQ

在线咨询真诚为您提供专业解答服务

热线

188-0000-0000
专属服务热线

微信

二维码扫一扫微信交流
顶部