线下实训
HOME
线下实训
正文内容
plc控制温度编程实例 有哪些PLC温度控制的实例?
发布时间 : 2026-02-05
作者 : 小编
访问数量 : 23
扫码分享至微信

有哪些PLC温度控制的实例?

(1)温度调节:PLC可以通过连接温度传感器监测系统或设备的温度,并根据预设的温度设定值,控制执行器(如加热器、冷却器)的操作,以调节温度。当温度超过或低于设定值时,PLC可以自动调整执行器的功率或流量,以维持稳定的温度。

(2)温度保护:PLC可以设置高温或低温的报警阈值,并监测系统中的温度。当温度超过或低于设定阈值时,PLC可以触发报警信号或采取相应的控制措施,例如关闭加热器、开启冷却设备或停止工艺过程,以保护设备或系统免受过高或过低的温度影响。

(3)温度循环控制:在某些工艺过程中,需要按照预定的温度循环进行控制。PLC可以根据预设的温度曲线或循环程序,控制执行器的操作,以实现精确的温度控制。这种控制可应用于恒温试验、热处理过程等应用。

(4)温度差控制:在某些应用中,需要维持两个或多个位置之间的温度差。PLC可以监测这些位置的温度,并根据预设的差值范围来控制执行器或调整热量的输入/输出,以确保温度差维持在设定的范围内。

(5)温度反馈控制:PLC可以采集和反馈温度传感器的数据,实时监测系统中的温度变化。根据反馈的温度数据,PLC可以调整执行器的功率或流量,以实现闭环控制,使温度保持在预设的目标值附近。

如果您需要支持codesys编程的PLC,可以私信评论找我。

晚上,我们“广成工控”直播间也会聊相关内容,欢迎观看。

PLC与各种传感器连接方案(含应用图)

在工业现场中,压力、位移、温度、流量、转速等各类模拟量传感器因设计使用的技术方法不同。传感器工作配电的方式主要分为两线制和四线制,其输出的模拟信号也各有差异,而常见的有0-20mA、4-20mA电流信号和0-75mV、0-5V、1-5V电压信号。

要把各类传感器模拟信号成功采集到PLC/DCS/FCS/MCU/FA/PC系统,就要根据传感器与数据采集系统的功能和技术特点进行匹配选型,同时也要考虑到工业现场传感器与PLC等数据采集系统的供电差异及各种EMC干扰的影响,通常把传感器输出的模拟信号隔离、放大、转换后送到PLC等数据采集系统。PLC通过信号线采集传感器的模拟或数字信号,然后进行处理,如果传感器是模拟输出,PLC就要接模拟输入接口,如果传感器是数字信号输出,PLC就要接数字输入接口.

开关量传感器 就是一个无触点的开关,开关量传感器可作为PLC的开关量输入信号。一般用于开关量控制的设备,机床,机器等。模拟量传感器是把不同的物理量(如压力、流量、温度)转换成模拟量(4-20MA的电流或1-5V的电压)。模拟量传感器作为PLC的模拟量输入模块的输入信号。一般用于过程控制。数字传感器是指将传统的模拟式传感器经过加装或改造A/D转换模块,使之输出信号为数字量(或数字编码)的传感器,主要包括:放大器、A/D转换器、微处理器(CPU)、存储器、通讯接口电路等。

常用的模拟量传感器分为两线制和四线制,两线制和四线制都只有两根信号线,它们之间的主要区别在于:两线制的两根信号线既要给传感器或者变送器供电,又要提供电流电压信号;而四线制的两根信号线只提供电流信号。通常提供两线制电流电压信号的传感器或者变送器是无源的;而提供四线制电流信号的传感器或者变送器是有源的。因此,当PLC等数据采集系统的模板输入通道设定为连接四线制传感器时,PLC只从模板通道的端子上采集模拟信号,而当PLC等数据采集系统的模板输入通道设定为连接二线制传感器时,PLC的模拟输入模板的通道上还要向外输出一个直流24V的电源,以驱动两线制传感器工作。

4-20mA和电工标准有关,4-20mA信号制是国际电工委员会(IEC)过程控制系统用模拟信号标准。我国从DDZ-Ⅲ型电动仪表开始采用这一国际标准信号制,仪表传输信号采用4-20mA,联络信号采用1-5VDC,即采用电流传输、电压接收的信号系统。因为信号起点电流为4mA,为变送器提供了静态工作电流,同时仪表电气零点为4mA,不与机械零点重合,这种活零点有利于识别断电和断线等故障。

根据模拟信号传感器的性能选型搜索

1、两线制电流/电压输出传感器(无供电电源,由负载提供16—24V配电,输出4-20mA/0-5V)。

1.1 两线制无源4-20mA输入型传感器,经电流隔离配电器配电后与PLC连接。如图1所示,称重、测距传感器正端接16—24VDC,负端输出4-20mA电流。

图1 两线制4-20mA隔离配电器典型应用图

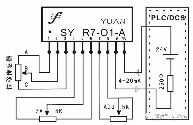
1.2 两线制无源电压信号输入型传感器,经电压配电器配电后与PLC连接。如图2、图3所示,位移、电子尺传感器正端、负端接16—24VDC电压。

图2 非隔离两线无源电压配电器

图3 隔离型电压配电器

如图4、图5所示,应力片、称重电桥传感器正端、负端接16—24VDC电压。

图4 隔离型电压信号转换放大

图5 隔离型电桥电压配电器

1.3 两线制传感器输出4-20mA电流环路经隔离器隔离后与PLC连接。如图6所示,压力、流量传感器正端接9—32VDC,负端输出4-20mA电流。

图6 两线制4-20mA电流环路隔离器典型应用图

1.4 两线制传感器输出4-20mA电流经隔离调理匹配(解决输入输出间冲突)后与PLC连接。如图7所示,温度、转速传感器正端接12—24VDC,负端输出4-20mA电流。

图7 两线制4-20mA信号与PLC匹配隔离调理典型应用图

2、四线制电流/电压(输入/输出)型传感器(有自己的供电电源24VDC,输入/输出:4-20mA或0-5V)。

2.1 四线制电流输出型传感器经模拟信号隔离放大后与PLC连接。如图8所示,温度、湿度传感器正端接24VDC,负端输出4-20mA电流。

图8 四线制传感器信号I/I隔离放大后与PLC连接典型应用图

如图9所示,压力、转速传感器正端接24VDC,负端输出4-20mA电流。

图9 四线制传感器信号I/V转换后与PLC连接典型应用图

2.2 四线制电压输出型传感器经模拟信号隔离放大后与PLC连接。如图10所示,压力、转速传感器正、负端接24V电源,输出端输出0-5V电压。

图10 四线制传感器信号V/I转换后与PLC连接典型应用图

如图11所示,液位、流量传感器正、负端接24V电源,输出端输出0-5V电压。

图11 四线制传感器信号V/V隔离后与PLC连接典型应用图

来源:plcfans

声明:本文所用视频、图片、文字如涉及作品版权问题,请第一时间告知,我们将根据您提供的证明材料确认版权并按国家标准支付稿酬或立即删除内容。

往期文章

由浅入深的30个PLC精品电路编程实例

这么全的电线电缆规格型号,仅此一份!

6种S7-200PLC最基础的编程实例图

经典PID参数整定口诀,你会吗?

UPS知识全集!非常不错!

相关问答

西门子plc温度控制程序实例?

西门子PLC温度控制程序实例可以包括以下步骤:1.配置输入模块以读取温度传感器的信号2.将输入的模拟信号转换为数字信号3.将数字信号传递给PID控制器模块...

谁有西门子PLC温度控制编程实例?

你好,以下是一份西门子PLC温度控制编程实例。首先,使用西门子Step7软件进行程序编写。设计一个模块,使用PID算法进行控制,控制温度在设定范围内波动。其次,...

plc如何根据温度曲线编程?

编写PLC曲线需要进行以下步骤:1.确定变量:选择需要控制的变量,例如温度、压力等。2.设计曲线:根据要求设计曲线,如S型曲线、折线曲线等。可以使用PLC软件中自...

温度传感器plc程序怎么写?

需要的材料1.温度传感器2.西门子PLC3.西门子模拟量模块,模块的量程要与你的温度传感器对应上。程序S7-200PLC模拟量对应数字量0-32000smart200对应0...

信捷plc温度模块怎么编程?

你好,信捷PLC温度模块编程需要以下步骤:1.首先需要在PLC编程软件中添加温度模块的驱动程序,并设置好通信端口和参数。2.在程序中定义温度模块的输入端口和...

西门子1200温度模拟量编程实例?

首先,连接PLC并创建一个新的工程。创建一个新的程序块,并将其命名为“Temperature_Control”。在Temperature_Control程序块中,创建两个数据块,一个用于模拟...

西门子plc温度怎么编写?

需要的材料温度传感器西门子PLC西门子模拟量模块,模块的量程要与你的温度传感器对应上。程序S7-200PLC模拟量对应数字量0-32000smart200对应0-27648在...

三菱plc温度模拟量输入指令编写?

答:根据选用的模拟量模块来确认程序的编写。基本的框架是不变,使用to来写入模块的缓冲存储器的BFM值。使用FROM,来读取模块的BFM值当前值,通道选择等一些你...

plc如何做温度的上下限?

在PLC中,可以通过比较输入的温度值与预设的上限和下限值来实现温度的上下限控制。首先,将温度传感器连接到PLC的输入模块,然后将输入的温度值与预设的上限和...

西门子plc温度怎么编写?

西门子PLC温度编写的步骤如下:确定温度传感器的类型和接线方式。常见的温度传感器有热电阻和热电偶,接线方式也有多种,需要根据传感器的类型和实际需求选择合...

 富家穷路  国家安全公民举报电话是 
王经理: 180-0000-0000(微信同号)
10086@qq.com
北京海淀区西三旗街道国际大厦08A座
©2026  上海羊羽卓进出口贸易有限公司  版权所有.All Rights Reserved.  |  程序由Z-BlogPHP强力驱动
网站首页
电话咨询
微信号

QQ

在线咨询真诚为您提供专业解答服务

热线

188-0000-0000
专属服务热线

微信

二维码扫一扫微信交流
顶部