直播课堂
HOME
直播课堂
正文内容
常州plc编程培训入门 适合入门新手的博图教程来了
发布时间 : 2026-02-07
作者 : 小编
访问数量 : 23
扫码分享至微信

适合入门新手的博图教程来了

哈喽,大家上午好呀!

大家元旦假期过得怎么样啊?放松了几天,我们继续来学习吧!

今天写给初学者的博途教程20(使用模拟量输出控制V20变频器运行)

上篇文章(想要查看往期的可以拉到下面,往期推荐里)给大家演示了如何使用模拟量输入 去读取仪器仪表的数据,从接线到编程调试。

本章内容接着介绍模拟量输出的应用 ,这里我们将使用S7-1200PLC西门子V20变频器 为大家进行演示。

先给大家展示下设备:

图1-1 S7-1214C DC/DC/DC+SM1234 AI/AQ

图1-2

图1-3 西门子V20变频器+三相异步电动机

首先,第一步硬件接线

这边我们要做的是通过PLC的模拟量输出控制V20变频器正反转;

所以要明确,PLC部分需要接线的是模拟量模块的输出部分,而V20变频器则是模拟输入部分,来接收PLC发送的数据。

这里建议大家下载西门子V20的中文系统手册 。(可在常州智控教育官网 的资料下载中查找,网址:http://plc.czzkplc.com/download/material)

图1-4

看图1-4,模拟量模块输出部分这里,有0M、0,1M、1 两组,我们只需选中一组即可。

这里选择0M、0 ;0M接0V,0接V20接线端的AI1;

通过模拟量输出,可以控制V20变频器的频率,那么要想变频器运行还需要有命令源,也就是控制电机正反转的输出点,由PLC控制;输出点我们选择Q0.0、Q0.1,接至V20接线端的DI1、DI2。

图1-5 V20的接线端

图1-5结合图1-4理解。

V20接线端的DIC接至PLC的公共端0V。

硬件接线完成后,下面进行V20变频器的参数设置。

可先将V20进行恢复出厂设置:

P0010设置为30;

P0970设置为21。

图1-6

下面设置:

P0700=2(以端子为命令源)

P0700=1(正转,对应接线端DI1)

P0702=2(反转,对应接线端DI2)

P0756=3(模拟量输入类型,单极性电流输入带监控功能

0 至20mA))

P1000=2(模拟量为速度设定值)

下面打开博图:

图1-7

在博图中设置模拟量模块通道,模拟量输出类型选择电流,电流范围选择0-20mA。通道地址位QW96。

设置完成,编辑程序:

图1-8

使用基本指令中转换操作里的标准化和缩放指令。

图1-9

程序中使用M6.0和M6.1来代替按钮,可通过在线强制的方式控制线圈Q0.0和Q0.1。

图1-10

可在MD50这里,双击“20.0”字样,可修改频率。

使用模拟量输出控制V20变频器运行到这里就完成啦,如果想要实验但又被缺少设备所困扰的话呢,欢迎大家来常州智控教育线下实训基地。如有意向,可在评论区留言,欢迎大家的到来。

写给初学者的博途教程继续!简单易懂,初学者必备

哈喽,大家上午好哇!

昨天智控教育举办的首届电气工程师老师成长营正式结营了!学员们通过一个月的集中学习,终于收获了他们自己想要的成果!

第二期智能制造机电一体化老师成长营的招募也正式启动!留言或者私信获取报名方式,欢迎大家踊跃报名参与!

今天小智给大家带来的是博途教程(基本指令介绍--位逻辑指令),请大家多多点赞转发 哦!

本章开始,我们将开始介绍博图的指令应用,从基本指令 开始。

先来介绍常用的位指令:常开、常闭、线圈

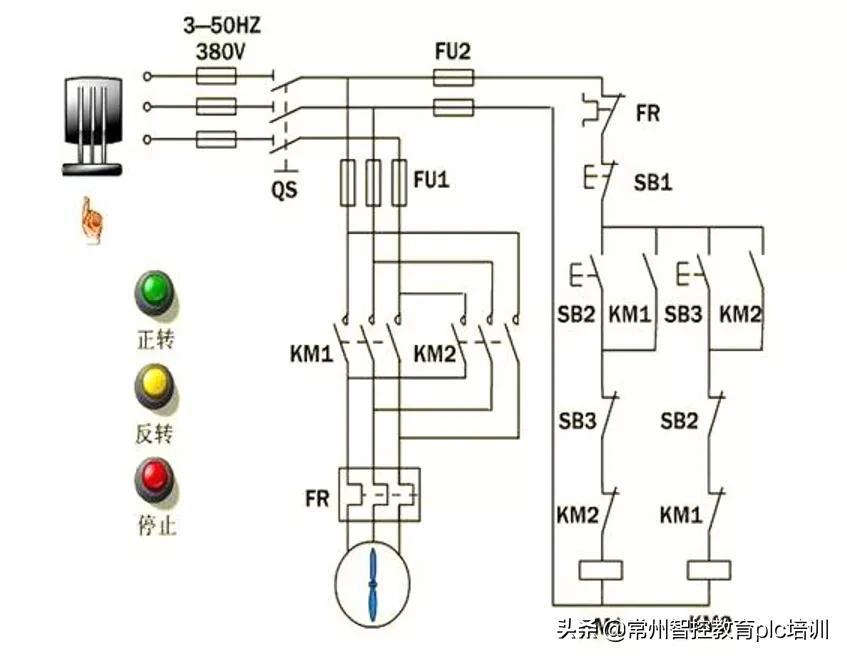
举例:使用PLC控制正反转电路程序,I0.0=正转启动,I0.1=反转启动,I0.2=停止;Q0.0=正转输出,Q0.1=反转输出;(看图1-1、1-2)

图1-1

图1-2

图1-3

图1-1、1-2、1-3,先是用电气原理图显示正反转电路,接着加入PLC,使用PLC控制来代替原理图中的控制电路部分;

PLC只可对控制电路进行改变,无法改变主电路。

1-4:常开 图1-5:常闭 图1-6:线圈

不常用位指令:取反RLO、赋值取反

图1-7

图1-8

取反RLO,可对逻辑运算结果的信号状态进行取反。

如果该指令输入的信号状态为“1 ”,则指令输出的信号状态为“0 ”;

如果该指令输入的信号状态为“0 ”,则指令输出的信号状态为“1 ”。

赋值取反 ”指令,可将逻辑运算的结果进行取反,然后将其赋值给指定操作数。

位指令置位、复位应用:

说明:

置位指令(S),输入的信号状态=1后,将指定的地址位置1;

复位指令(R),输入的信号状态=1后,将指定的地址位置0;

图1-9

图1-10

大家可以照着图1-10的正反转控制程序练习置复位。

注意事项

01

置位复位输出点在不同情况下的ON/OFF状态取决于最后是置位还是复位;如果同时置位复位,则取决于被扫描的先后顺序,以最后的扫描结果为输出。

02

在实际编程过程中,置位指令使用时,不要忘了复位,不然会发生程序控制问题。

03

置位复位指令可以配合其他指令(如定时器/上升沿/下降沿)做步进顺序控制等项目要求功能。

双线圈说明

图1-11

看图1-11,如果M3.0不等于1,不管上面程序什么状态,Q0.0均等于0;因为最后如果输出是线圈的话,则按照最后线圈状态位实际作为输出值结果。

如果,线圈全是置位复位,则最后导通的那个线圈就是最终的状态输出。

双线圈状态:图1-11;

如果I0.5导通一次后断开了,最终的输出状态还是以M2.0控制Q0.0的状态实际值作为输出结果。

今天《写给初学者的博途教程09(基本指令介绍)》小智就分享到这,大家可以收藏使用,如果遇到问题或者不能理解的地方可以私聊或评论留言,如果喜欢关注小智,点赞转发谢谢!

相关问答

大专工业机器人有用吗

[回答]扩展资料工业机器人专业就业方向1、维护与调试工程师工作范围主要是业现场进行设备维护、换产编程等工作以及工业机器人及其配套外围设备的安装调试...

哪些职业技术学院,就业率高、什么样的专业最热门?

我是河南的,就先说一下河南的学校吧1郑州铁路职业技术学院郑州铁路职业技术学院是经教育部批准的全日制普通高等学校,是全国铁路第一所独立设置的高等职业技...

 pengyuyan  联想b480 
王经理: 180-0000-0000(微信同号)
10086@qq.com
北京海淀区西三旗街道国际大厦08A座
©2026  上海羊羽卓进出口贸易有限公司  版权所有.All Rights Reserved.  |  程序由Z-BlogPHP强力驱动
网站首页
电话咨询
微信号

QQ

在线咨询真诚为您提供专业解答服务

热线

188-0000-0000
专属服务热线

微信

二维码扫一扫微信交流
顶部