课程中心
HOME
课程中心
正文内容
手机怎么学习plc编程 手机上能安装PLC编程软件吗?为什么?
发布时间 : 2026-02-04
作者 : 小编
访问数量 : 23
扫码分享至微信

手机上能安装PLC编程软件吗?为什么?

时常会有初学者来问,手机是否可以安装PLC编程软件?在这里明确的告诉大家,手机不可以安装PLC编程软件

手机不支持安装PLC编程软件,因为PLC编程软件是你所用的品牌厂家开发出来的 ,如三菱PLC、西门子PLC、欧姆龙PLC等,厂家开发出软件并上线,供我们下载安装,我们才有的用,目前没有任何厂家有开发手机版的PLC编程软件。

其实想用手机版的PLC编程软件,就目前来看,非常的不现实,存在一些问题,如安装内存、软件功能、系统要求等。

安装内存:

PLC编程软件小则几百兆,多则十来个GB,尤其是西门子博途软件,安装西门子博图软件非常的忙,需要安装先装STEP,安装好后再安装WINCC,最后需要安装专属此博途版本的仿真软件PLSIM,再接下来还需要安装STAETER,最后还需要授权,这样一串下来,不说手机了,就是电脑也并不一样带的动,安装博途软件的电脑都是有要求,安装内存需要大于8GB,具体的要求你可以参考下图:

西门子博途V14软件安装要求

软件功能:

如果真的有手机版的PLC编程软件,那么必定功能很少,功能太多,手机肯定带不动。大家肯定知道PS软件,也就是Adobe Photoshop ,这款软件很多人用来修图片,但这款软件是没有手机版的,但是手机版可以美图的软件很多,她们的功能和Adobe Photoshop软件一比,不堪一击,虽然胜在简单,但是对于有部分人来说,有和没有一样,自己要的功能根本没有。

用IT行业的编程软件来举例也是一样的,现在IT行业有几款手机可以运行的软件,使用简单,可以运行、可以保存、可以报错,但功能完全不够用,能在能在电脑上用,就不要在手机端做。甚至有人说,程序员初期都是用文本文档写代码的,所以你在手机上新建一个文本文档,然后写就行了,如果你要编译运行的话,还是得到电脑端,手机性能不如PC机。

在我们工控行业,搞PLC工程不仅仅是编程就可以了,我们还需要通讯,这里也是要用电脑的,接线也是一门大学问,绝不可忽视,一定需要多多实操。

系统要求:

软件开发出来,都会附带对系统有要求,现在的PLC编程软件只适合在Windows系统上用,连苹果电脑系统都不支持,大多数苹果系统用户采用的是安装虚拟机的办法,不然就是安装双系统,不过前者用的人比较多一些,虚拟机运行效果比双系统强。

如果想要在手机上运行,那还得分安卓Android系统和苹果ios系统,任重而道远,目前看来还要很久……

PLC编程软件一般都是厂家开发,当然民间也会有软件开发出来,不过民间开发难度很大,这是一个非常大的工程量,未来也许会有大神去做,可以期待一下。

顺便给大家介绍一下民间开发的软件,比如西门子S7-200仿真软件,比如西门子S7-200仿真软件,这款软件并非西门子官方软件,但是这款能仿真大部分的指令,而且适用于西门子S7-200 SMART。

在初学者并没有实物来操作的时候,仿真软件非常实用,软件可以在某平台的论坛下载,这款软件使用非常的广泛,有需要的朋友可以试试。

西门子S7-200仿真软件

总体来说,目前能适用于手机端的PLC编程软件,大家还是安安心心电脑上安装,如果将来推出了手机版PLC编程软件,那么各大工控论坛抑或者是说有工控人在地方,一定会大范围推广的,未来可期。

本文为技成培训王曾原创,未经授权不得转载,违者必究!

往期优秀文章展示:

34张原理图帮你熟悉自动控制,直观易懂,这资料错不了~

「分享」PLC初学者必须掌握的小程序

关注“PLC发烧友 ”,一起涨知识!

回复:西门子全套 ,领西门子系列资料包!

PLC初学者 建议学习步骤:

1:如果没有电工方面的基础,我们应该从认识硬件及它的工作原理,接线开始;比如中间继电器、接触器、断路器、正反转电路、自锁电路、互锁电路等!

2:如果有电工基础可以找些PLC相关的视频,比我们自己看书走马观花要实在;现在很多网站视频都非常的详细

3:熟悉编程软件的基本使用,如上下载程序、PLC运行/停止模式在软件上如何切换操作等

4:继续熟悉编程软件和仿真软件的使用,自己编写程序,下载至仿真器模拟仿真,根据案例学习

5:然后学习继电器 ,定时器,计数器,逻辑指令、传送指令、四则运算等指令

6:认识各种传感器及NPN 和PNP传感器的区别,各种接近开关,电磁阀,电机及其相关原理和知识

7:买一台PLC当做学习机;同时电脑也是必不可少的

8:学习高速计数、模拟量、运动控制、通信、HMI的画面编辑(初学阶段也可暂时不学)

9:仿照一些案例可以自己做实操,不断去尝试。

10:强化自己的开关量练习,喷泉程序、一键启停、控制方式选择、延时启停、顺启逆停等程序

以上10点搞定,你已经超越了PLC初学者了,应该可以自己搞一些小的项目案子了

对于PLC的使用已经入门的进阶者来说,接下来就需要对PLC的各种应用功能进行学习了,在实际的生产设备中经常会用到伺服、步进,变频器,触摸屏等设备组合使用,要能够熟悉的对这些设备进行组合使用,我们需要对PLC的过程控制、定位控制,通信控制等各种功能进行学习,如果有条件话,建议自己也可以组装一套学习机箱的设备,箱子里面可以放PLC、伺服、模拟量、步进电机等等的设备。把设备都买回家,然后自己组装,自己做实操演练使用。对于学习PLC有非常大的帮助

下面我们分享几个小案例程序供大家参考学习

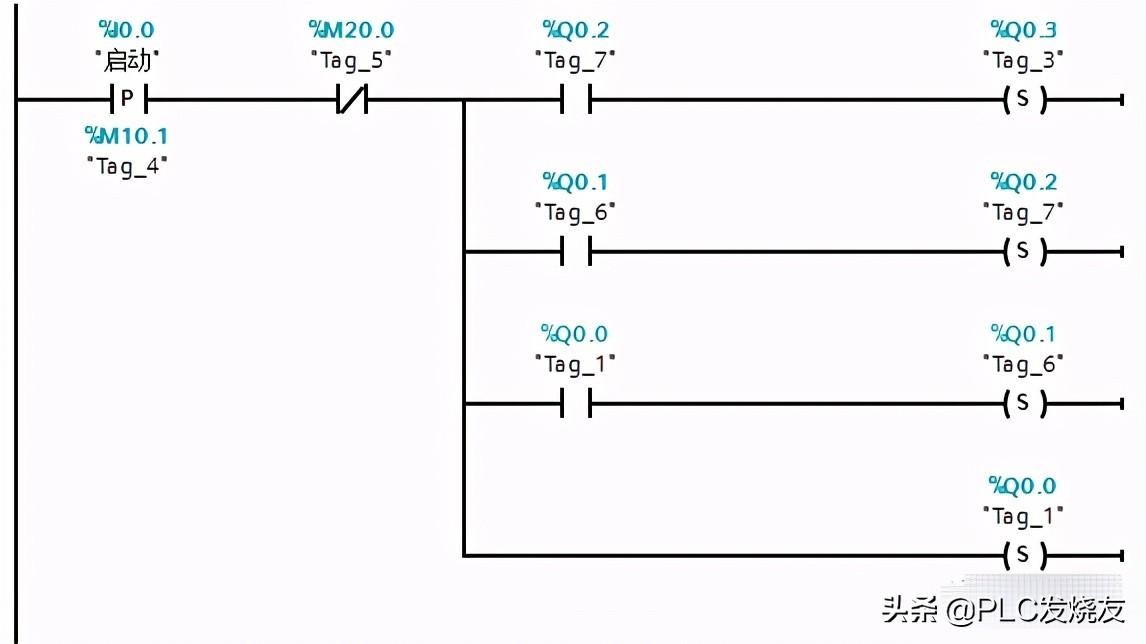
控制要求一

一个按钮控制4个灯的启停,一个急停按钮,要求:每按一次按钮,亮一个灯,再按一次亮两个,再按一次亮三个,最后一次四个全部亮,全部亮后此时按一次按钮,熄灭最后一个亮的灯,再按一次灭第三个,直到第一个熄灭后,又可以再重新启动第一个灯,一直循环周而复始,如果按下急停,所有的灯熄灭

本案例采用S7-1200系列PLC编写,程序参考如下:

控制要求二

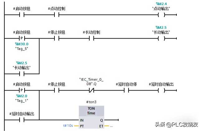
一台电机既可点动控制,也可长动控制,两种控制方式之间要有互锁

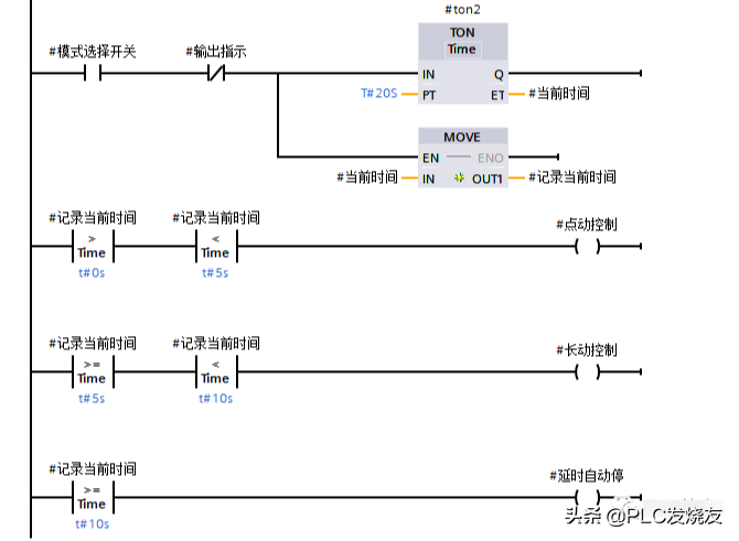
控制要求三

控制方式选择一个启动按钮,按一下时电机可点动控制,按5S是为长动控制,按10S时为启动后延时自动停止;一个模式选择开关、一个启动按钮、一个点动按钮、一个急停按钮、一个输出点Q 切换方式时,输出Q点必须停止

控制要求四

控制电机的启动并监视电机的运行时间,按下启动按钮,电机运行,按下停止按钮,电机停止,在停止按钮为NO时,,按下测试按钮可测试,电机是否正常运行

作者:技成-眭相建,未经授权不得转载!

相关问答

手机怎么学习plc软件?

手机基本就看看网上课程,适合初学入门使用,中期建议在电脑上实际操作手机基本就看看网上课程,适合初学入门使用,中期建议在电脑上实际操作

手机怎么编写plc?

安卓手机是不可以用plc编程软件的,但是我们可以实现手机APP控制PLC,其具体步骤如下:工具/原料:鲲航科技的物联网DTU,西门子PLC一台1、首先我们需要打开Ste...

手机能否查看PLC程序?

一般情况下,直接通过手机查看PLC(可编程逻辑控制器)程序是不太可能的。PLC程序通常是在专用的编程软件(如SiemensStep7、Allen-BradleyRSLogix等)中编写...

如何在iphone手机上装欧姆龙plc编程软件?

苹果电脑可以使用欧姆龙PLC编程软件,建议安装欧姆龙PLC绿色版编程软件。苹果电脑可以使用欧姆龙PLC编程软件,建议安装欧姆龙PLC绿色版编程软件。

小米手机不能识别plcooc?

你可以下载一个1助手,安装了就能识别了.你可以下载一个1助手,安装了就能识别了.

怎样提高PLC编程能力?

怎样提高PLC编程能力?所谓“天下文章一大抄”,想要提高PLC的编程能力,除了基础知识掌握以外,最有有效直接的方法,就是多去看看别人的程序,或者别的公司的...怎...

三菱PLC,一个简单的小程序看看肿么写啊,-ZOL问答

你就按我这个梯形图编写就可以了!保证OK步进指令是允许双线圈的你看看监控测试有窗口开着没plc没问题软件或操作的原因这个操作比较麻烦,先从...

编程作品怎么发送到微信?

方法/步骤:1,用电脑编辑好文档后,可以通过电脑和手机的QQ关联,点击自己的QQ,点击我的设备---手机,发到手机上。2,然后从手机上打开文件。3,点击左下角...

Arduino可不可以记录plc产生的数据并传给手机app?

可以实现。这里的核心是设计并实现数据通讯的方式,1.电动机的自动控制是由PLC完成的,所有的数据都在PLC中。2.想通过手机APP查看或调整PLC数据库中的数据,...

S7怎么用?

中,可以...2.创建项目:打开S7软件,创建一个新项目,然后创建一个程序。在程序中,可以添加多个模块(如程序模块、数据模块等),模块之间可以进行数据交换。3...

 花神美境  wuj 
王经理: 180-0000-0000(微信同号)
10086@qq.com
北京海淀区西三旗街道国际大厦08A座
©2026  上海羊羽卓进出口贸易有限公司  版权所有.All Rights Reserved.  |  程序由Z-BlogPHP强力驱动
网站首页
电话咨询
微信号

QQ

在线咨询真诚为您提供专业解答服务

热线

188-0000-0000
专属服务热线

微信

二维码扫一扫微信交流
顶部