直播课堂
HOME
直播课堂
正文内容
plc编程序怎么运行 【新手】PLC编程入门九步走,少一步你就要走弯路
发布时间 : 2026-02-02
作者 : 小编
访问数量 : 23
扫码分享至微信

【新手】PLC编程入门九步走,少一步你就要走弯路

大多数工程师往往容易忽略很多细节。PLC编程步骤,尤其对于新手来说,良好习惯的养成,会为你日后工作避免很多不必要的问题。

第一步:阅读产品说明书

第一步看起来很简单,但很多工程师都做不到。认为这是浪费时间,甚至只从供货方培训来了解设备。

仔细阅读说明书是编程的第一步,首先要阅读安全守则,知道哪些执行机构可能会对人身造成伤害,哪些机构间最容易发生撞击,当发生危险时如何解决,这些最致命的问题都在安全守则中,要去看。

此外,关于设备每个元件的特性,使用方法,调试方法也在说明书中,即使程序正确,如果元件没有调试好,设备一样不能工作。再有,所有的电路图、气动液压回路图、装配图也在说明书中,不去阅读它怎么知道没种元件可以做何种改造呢。

第二步:根据说明书,检查I/O

检查I/O,俗称“打点”。检查I/O的方法很多,但是一定要根据说明书提供的地址依次进行检查,在绝对安全的情况下来检查。

在检查输入点时,一般输入信号无非是各种传感器,如电容、电感、光电、压阻、超声波、磁感式和行程开关等传感器。检查这些元件比较简单,根据元件说明将工件放在工位上,或是移动执行机构检查传感器是否有信号即可。当然,不同的设备检测的方式可能不同,这要看具体情况而定了。

但是在检查输出信号时就要格外小心了。如果是电驱动产品,必须在安全情况下,尤其是保证设备不会发生撞击前提下,让执行机构的驱动器得电,检查执行机构是否能够运动。如果是液压或气动执行机构,同样在安全情况下手动使换向阀得电,从而控制执行机构。在检查输出信号时,不论执行机构的驱动方式是什么,一定要根据元件说明书,首先要保证设备和人身安全,要注意并不是所有设备的执行机构都可以通电测试的,所以有时个别的输出信号可能无法手动测试。

无论是输入还是输出装置,当传感器有信号或执行机构的驱动装置得电后,必须同时检查PLC上的I/O模块指示灯是否也点亮。很多设备中,输入输出信号是通过接线端子与PLC连接,有时接线端子的指示灯有信号 ,但不能保证由于连接导线内部断路,而PLC上相应的地址没有信号接通。这一点要特别注意。

在测量输入输出信号后,要同时将测量的地址记录下来,保证信号地址和说明书中一致。如有不同,再次测量设备地址,多次测量仍然不一致,先联系设备厂家,因为此时不能保证厂家提供的地址没有错误。

第三步:打开编程软件,进行硬件配置,将I/O地址写在符号表中

不同的PLC使用不同的编程软件。但是对于任何一种软件来说,编程前的第一步就是进行硬件组态,根据实际PLC的类型建立硬件配置及相应的通讯配置。硬件组态完成后,将之前在纸上记录下来的I/O地址写在软件的符号表中。

由于软件不同,对于符号表的定义可能不同,但一般的软件都有该功能,这一步是至关重要的。在编写符号表时,不仅要把设备输入输出的绝对地址写正确,最好再给每个地址命名并添加注释,这对后面的编程会非常方便。不需要在编程时每次都查询绝对地址,只要填写命名好的名称即可。当然,这也取决于软件是否具备此功能。

第四步:写出程序流程图

在编程之前,一定要在草稿上写出程序的流程图。一个完整的程序,应该包括主程序、停止程序、急停程序、复位程序等部分,如果软件允许,应该将各个程序按“块”的形式编写,即一个程序是一个块,最终将每个块按需求来调用即可。

PLC最擅长的就是处理顺序控制,在顺序控制中主流程是核心,一定要确保制定好的流程是正确的,要在草稿上仔细检查。如果主流程存在问题,当程序被PLC执行后,很可能发生撞击,损坏设备或对人身造成危险。

第五步:在软件中编写程序

确保主流程没有问题后,便可以在软件中编写程序了。此外,还要注意停止、急停和复位程序的正确性,尤其是停止和急停程序,这是关系到人身安全和设备安全的最重要的程序,万万不可小视。一定要保证无论在任何情况下,只要执行停止或急停程序,设备绝对不会对人身造成伤害。

第六步:调试程序

在调试程序这一步中,可以分成两个方面。

1.如果条件允许,或是你的逻辑能力超强,可以先用软件的仿真功能做测试,但是很多繁琐的程序很难用软件仿真看出程序是否正确。

2.将程序下传到PLC中进行在线的调试。如果设备不动或运行中出现异常情况,先不要去修改程序,很可能是传感器没有调试到位,如果确保传感器无误,再去修改程序。

第七步:调试完成后,再次编辑程序

在上一步的调试中,由于对程序有所修改,故必须再次整体检查或编辑一下程序,然后将最终的程序下传到PLC中。

第八步:保存程序

在这一步中,要注意一个问题,就是应该将程序保存在什么地方?PC硬盘?闪存设备?移动硬盘?当然这些都不可以,所有这些存储设备都可能感染病毒。所以,必须且只能将程序拷到光盘上。

而且还有一个问题,拷贝的程序是哪个程序?在之前我们已经将最终调试并修改完成的程序下载到PLC中,如果PLC在执行该程序时完全无误的话,就将该程序上传到PC中,将此程序拷贝到光盘中。上面的一切都是为了安全。

第九步:填写报告

完成编程后,应该填写最后的调试报告,将遇到的问题和程序的一些难点问题一一记录下来。因为长时间以后,自己也会对程序的某些技巧的地方遗忘,同时也方便其他同事能够理解你所编写的程序。

来源:网络,侵删

往期优秀文章回顾:

牢记三条线永远不触电!外行都说能看懂~

PLC学习我们是认真的,看完就知道如何设计一个完美的程序了

PLC在工业控制中的应用

1 PLC控制系统设计步骤

2 PLC在机床控制中的作用

3 PLC在化工生产过程中的应用

4 PLC在集选控制电梯中的应用

5 PLC随动控制系统中的应用

1 PLC控制系统设计步骤

(1)系统设计的主要内容

① 拟定控制系统设计的技术条件

② 选择电气传动形式和电动机、电磁阀等执行机构

③ 选定 PLC 的型号

④ 编制 PLC 的输入 / 输出分配表或绘制输入 / 输出端子接线图

⑤ 根据系统设计的要求编写软件规格说明书,然后再用相应的编程语言(常用梯形图)进行程序设计

⑥ 了解并遵循用户认知心理学,重视人机界面的设计,增强人与机器之间的友善关系

⑦ 设计操作台、电气柜及非标准电器元部件

⑧ 编写设计说明书和使用说明书

2、PLC 硬件系统设计

(1) PLC 型号的选择

① 对输入 / 输出点的选择

② 对存储容量的选择

③ 对 I/O 响应时间的选择

④ 根据输出负载的特点选型

⑤ 对在线和离线编程的选择

⑥ 据是否联网通信选型

⑦ 对 PLC 结构形式的选择

(2)分配输入 / 输出点

① 确定 I/O 通道范围

②确定内部辅助继电器

③ 分配定时器 / 计数器

3、PLC 软件系统设计方法及步骤

(1) PLC 软件系统设计的方法

① 图解法编程

a. 梯形图法

b. 逻辑流程图法

c. 时序流程图法

d. 步进顺控法

② 经验法编程

③ 计算机辅助设计编程

(2) PLC 软件系统设计的步骤

① 对系统任务分块

② 编制控制系统的逻辑关系图

③ 绘制各种电路图

④ 编制 PLC 程序并进行模拟调试

⑤ 制作控制台与控制柜

⑥ 现场调试

⑦ 编写技术文件并现场试运行

注意事项

控制单元输入端子接线

1 输入线尽可能远离高压线和动力线等干扰源

2 不能将输入设备连接到带“ . ”端子上

3 交流型 PLC 的内藏式直流电源输出可用于输入;直流型 PLC 的直流电源输出功率不够时,可使用外接电源

4 切勿将外接电源加到交流型 PLC 的内藏式直流电源的输出端子上

5 切勿将用于输入的电源并联在一起,更不可将这些电源并联到其他电源上

控制单元输出端子接线

1 输出线尽可能远离高压线和动力线等干扰源

2 不能将输出设备连接到带“ . ”端子上

3 各“ COM ”端均为独立的,故各输出端既可独立输出,又可采用公共并接输出。当各负载使用不同电压时,采用独立输出方式;而各个负载使用相同电压时,可采用公共输出方式.

4 当多个负载连到同一电源上时,应使用型号为 AFP1803 的短路片将它们的“ COM ”端短接起来

5 若输出端接感性负载时,需根据负载的不同情况接入相应的保护电路。在交流感性负载两端并接 RC 串联电路;在直流感性负载两端并接二极管保护电路;在带低电流负载的输出端并接一个泄放电阻以避免漏电流的干扰。以上保护器件应安装在距离负载 50cm 以内.

6 在 PLC 内部输出电路中没有保险丝,为防止因负载短路而造成输出短路,应在外部输出电路中安装熔断器或设计紧急停车电路;

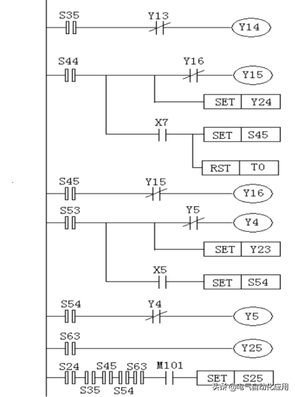
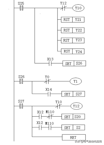
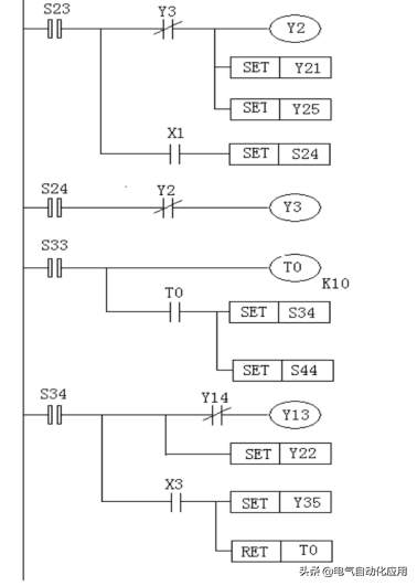
实例; PLC在机床控制中的作用

工艺要求;四工位组合机床由四个工作滑台,各带一个加工动力头,组成四个加工工位。除了四个加工工位外,还有夹具、上下料机械手和进料器四个辅助装置以及冷却和液压系统共四部分。工艺要求为有上料机械手自动上料,机床的四个加工动力刀头同时对一个零件进行加工,一次完成一个零件,通过下料机械手自动取走加工完的零件。要求具有全自动、半自动、手动三种工作方式。

下图是组合机床控制系统全自动工作循环和半自动工作循环式的状态流程图。图中S2是初始状态,驱动它的条件是各滑台、各辅助装置都处在原位,夹具为松开状态,料道有待加工零件且润滑系统工作正常。

组合机床自动工作状态流程图

组合机床全自动和半自动工作过程;

1 上料;按下启动按钮,上料机械手前进,将零件送到夹具上,夹具加紧零件。同时进料装置进料,之后上料机械手退回原位,放料装置退回原位

2 加工;四个工作滑台前进,四个加工动力头同时加工,洗端面、打中心孔。加工完成后,各工作滑台退回原位

3 下料;下料机械手向前抓住零件,夹具松开,下料机械手退回原位并取走加工完的零件。

这样就完成了一个工作循环。如果选择了预停,则每个循环完成后,机床自动停在原位,实现半自动工作方式;如果不选择预停,则机床自动开始下一个工作循环,实现全自动工作方式。

PLC的选型;

四个工位组合机床电气控制系统有输入信号42个,输出信号27个,均为开关量。其中外部输入元件包括:17个检测元件、24个按钮开关、1个选择开关;外部输出元件包括:16个电磁阀、6个接触器、5个指示灯。

根据I/O信号的数量、类型以及控制要求,同时考虑到维护、改造和经济等诸多因素,决定选用FX2N -64MR主机和一个输出扩展单元FX-16EX,这样共有48个输入点,输出点就是主机的32点,满足控制要求。

I/O地址编号;将输入信号42个,输出信号27个按各自的功能类型分好,并与PLC的I/O端一一对应,编排好地址。列出外部I/O信号与PLCI/O端地址对照表,如表所示。

PLC梯形图程序

四工位组合机床的PLC控制系统梯形图包括初始化程序、手动调整程序和自动工作程序。图2是四工位组合机床在全自动与半自动工作方式时的梯形图程序,它采用了STL步进指令编写,程序简捷、清楚。图3四工位组合机床初始化程序梯形图。

相关问答

plc程序如何自动运行?

PLC(可编程逻辑控制器)程序通常是通过以下几个步骤来实现自动运行:1.编写PLC程序:使用PLC编程软件,根据具体的控制需求编写逻辑和功能块的程序代码。这些...

plc主程序和子程序是怎么运行的?

PLC运行时,主程序是一直按照频率顺序执行的。比如西门子PLC的主程序就是OB1,OB1就是一直运行的。在主程序里来根据不同的条件调用不同的子程序,从而实现在不...

PLC怎么连接电脑?怎么把在电脑编程好的程序放入PLC运行?

三菱FX系列PLC如何接线及如何通过RS232进行下载程序今天简单给大家介绍下三菱FX系列PLC如何接线和如何通过RS232进行下载程序,简单的说明帮助大家能快速与PLC通...

plc怎么设置手动程序?

以西门子plc300为例。有一个旋钮开关,用来选择当前设备手动或者自动的控制模式,当扭到手动控制那个位置,会有一个开关量输入到plc的输入端,然后程序里面就用...

plc自保持运行状态的过程?

PLC自保持运行状态的过程如下:当PLC系统启动时,它会进行自检和初始化操作。在自检完成后,PLC程序将从上到下进行扫描,以执行预定的操作。当PLC系统检测到...

谁可以告诉我怎样把编好的PLC程序写进PLC(DVP14SS11T2)?

将编好的PLC程序写进PLC(DVP14SS11T2)需要以下步骤:1.将编写好的PLC程序保存到U盘或其他支持的存储设备中,并将其插入到PLC的USB接口上。2.在PLC的操作面...

plc编程小技巧?

学习plc编程可以按以下三步来进行:1、掌握PLC编程的基本原理。学习plc编程,你需要认识梯形图和继电器控制原理图,了解编程元件的分类,熟识PLC基本指令。...

简易plc怎么编程?

1.编程简易PLC是可以的。2.因为简易PLC相对于复杂的PLC而言,功能较为简单,编程也相对容易上手。它通常具有简单的指令集和易于理解的编程界面,不需要过多的...

plc怎样上电自己运行?

PLC(可编程逻辑控制器)通常需要经过以下步骤来实现上电自己运行:1.准备电源:连接PLC的电源线,并确保电源供应稳定和符合PLC的额定电压要求。2.连接输入...

plc怎么增加程序?

您好,PLC增加程序需要以下步骤:1.编写程序:编写需要添加的程序,可以使用PLC编程软件进行编写。2.导入程序:将编写好的程序导入到PLC中,可以使用PLC编程...

 狄更斯英文简介  莆系医疗 
王经理: 180-0000-0000(微信同号)
10086@qq.com
北京海淀区西三旗街道国际大厦08A座
©2026  上海羊羽卓进出口贸易有限公司  版权所有.All Rights Reserved.  |  程序由Z-BlogPHP强力驱动
网站首页
电话咨询
微信号

QQ

在线咨询真诚为您提供专业解答服务

热线

188-0000-0000
专属服务热线

微信

二维码扫一扫微信交流
顶部