直播课堂
HOME
直播课堂
正文内容
plc编程中lad语言 PLC中的梯形图(LAD)与结构化编程语言(SCL)的对比?
发布时间 : 2026-01-16
作者 : 小编
访问数量 : 23
扫码分享至微信

PLC中的梯形图(LAD)与结构化编程语言(SCL)的对比?

众所周知,在电气控制中经常会用到可编程逻辑控制器(PLC),以下简称:PLC。大到工业领域的各种生产设备,小到游乐场里的各种游乐设备(如:过山车、旋转木马等)。那么,在PLC编程中绝大多数PLC编程人员用到最多的编程方式是梯形图(LAD),同样也是各大PLC生产厂商的一种标配。与此同时,德国西门子PLC旗下的博图编程软件在很早就推出与梯形图(LAD)相媲美的另一种编程方式:结构化编程语言(SCL)。

下面就浅薄分析对比下梯形图(LAD)与结构化编程语言(SCL),不到之处。敬请指正!

梯形图(LAD)程序由可在程序段电源线上串联或并联的各个元素组成。必须给多数程序元素提供变量。至少有一个梯级从电源线引出。程序段编程从梯级左边缘开始。可以通过使用多个梯级和分支来延伸电源线。 例如,下图所示为一个梯形图(LAD)程序:

1) 电源线、2) 梯级、3) 分支、4) 触点、5) 线圈、6) 函数框

以上便是针对梯形图(LAD)的基本介绍!

SCL结构化控制语言,是一种基于PASCAL的高级编程语言。在PLC控制中主要包含的元素:输入、输出、定时器、存储器位及高级编程语言中的表达式、赋值运算、运算符。在程序控制上提供了如:创建程序分支、循环或跳转等指令。其主要应用于:数据管理 过程优化 配方管理 数学计算/统计任务方面。

在SCL结构化控制语言中,最基本的5大块也是尤为重要的组成部分。如: 组织块 (OB): 组织块定义用户程序的结构。

函数块(FC): 功能包含用于处理重复任务的程序例程。 功能没有“存储器”。

功能块(FB): 一种代码块,它将值永久地存储在背景数据块中,从而即使在块执行完后,这些值仍然可用。

背景数据块: 调用背景数据块来存储程序数据时,该背景数据块将分配给功能块。

全局数据块: 用于存储数据的数据区,任何块都可以使用这些数据。

相对来说,已经聊得不少了。当然,以上所谈到的内容绝不是全部。想要完全掌握梯形图(LAD)和SCL结构化控制语言,还需努力学习,天天向上哦!

本文出自:从零开始学电工基础知识到驱动电气自动化_电工电气学习网

S7 300PLC之旅——STEP7的三种基本编程语言:LAD、FBD、STL

在上一篇文章《复盘“运料小车程序”,聊一聊PLC编程》中,驼子假定了一个运料小车的控制程序,简单的聊了一下一下PLC控制项目的编程步骤。有小伙伴认为程序体理解起来稍微有点难度,为了使有需要的小伙伴能有一个更为清晰的认识,驼子将在本文介绍以下STEP7 的三种基本编程语言:LAD、FBD以及STL。

一、梯形图LAD

梯形图语言是从常用的继电器与接触器逻辑控制基础上简化了符号演变而来的,具有形象、直观、实用等特点,电气技术人员容易接受,是目前运用上最多的一种PLC的编程语言。

在PLC程序图中,左、右母线类似于继电器与接触器控制电源线,输出线圈类似于负载,输入触点类似于按钮。梯形图由若干阶级构成,自上而下排列,每个阶级起于左母线,经过触点与线圈,止于右母线。图1为一段典型的梯形图语言编写的程序。

图1 梯形图语言

上图中,“常开点”I0.3、I1.2、I1.1及“常闭点”I0.2串联后,与“常开点”M0.0并联,然后为“线圈”Q4.2供电。在“继电器与接触器“型电路中,用梯形图编程会显得一目了然,犹如看电气连接图一般。

二、功能块图FBD

FBD用方框图的形式来表示控制逻辑,类似于数字逻辑门电路的编程语言。驼子在大学时,对数字电路情有独钟,因而后来对FBD语言有了天然的好感,工作中倾向于用FBD进行编程。FBD语言对于有数字电路基础的人来说很容易掌握,该编程语言用类似与门、或门的方框来表示逻辑运算关系,方框的左侧为逻辑运算的输入变量,右侧为输出变量;信号也是由左向右流向的,各个功能方框之间可以串联,也可以插入中间信号。在每个最后输出的前面组合逻辑操作方框数是有限的,同一组逻辑运算的输出结果的数目也要根据操作系统的不同而不同;经过扩展,不但可以表示各种简单的逻辑操作,并且也可以表示复杂的运算、操作功能。图1的梯形图控制逻辑用FBD编程的话,如图2所示。

图2 FBD语言

图2中,方框”&“为“与”运算,“>="为或运算,其真值表如下:

图3 真值表

FBD语言的编程过程类似于数字电路中用集成模块搭建电路,每个模块都有其自己的功能,根据控制需要,选用合适的模块,用“线”连起来即可。

三、语句表STL

STL是一种与汇编语言类似的助记符编程语言,用一个或几个容易记忆的字符来代表PLC的某种操作功能,每个语句由地址(步序号)、操作码(指令)和操作数(数据)三部分组成。语句表可以实现某些不易用梯形图或功能块图来实现的功能。玩过单片机的小伙伴再学习STL,可能会有些优势。图4为用STL编写的同一控制逻辑的程序。

图4 STL语言

其中,“A”为与运算,“AN”为与非运算,“O”为或运算,“=”为赋值运算。

用STL编程,需要对PLC的微观逻辑结构有相当的了解,比如:需要了解各种存储模式,熟悉各种寻址方式,同时还要能熟练使用各种编程助记符。可以说,能够熟练运用STL编程的小伙伴,siemens的PLC一定玩的相当的溜。驼子我的STL编程仍处在初学者阶段,犹记得去年用STL编写过一段光电测距仪的接口程序,不知死了多少脑细胞,实在是不堪回首。

四、三种语言,该如何抉择?

1、三种语言互相转换

在STEP7中,可以通过菜单选择,在三种语言中相互切换显示。如图5所示。

图5 LAD、FBD、STL切换显示

当然,通常LAD和FBD直接可以互相切换,LAD、FBD也可以转换为STL语言,但STL却不一定可以转换为LAD或FBD语言。

2、三种语言的优劣比较

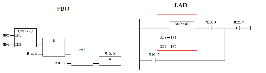
LAD是最常用的PLC编程语言,其形象、直观,稍懂电气的人就能很快上手,而且目前市面上几乎所有的PLC都支持LAD编程,一通百通。其在“继电器或接触器型”逻辑功能中应用比较好,但随着STEP7中集成的程序功能单元越来越多,LAD语言写出的程序多少有点“不伦不类”。如图6所示,程序单元“CMP>=D”在FBD程序中,以“块”的形式显示,与其他单元一样;但在LAD语言中,仍以“块”的形式显示,与其它“触点单元”放在一起显得有点格格不入,虽然不影响逻辑,但看起来不工整。

图6 FBD、LAD程序对比

FBD语言写出的程序,个人认为逻辑性较强,在编程过程中,可以根据被控对象的控制逻辑,“轻易”的捋清程序逻辑,编程就会轻松许多。同时,STEP7提供了大量的、功能各异的“程序逻辑单元”,仅需要简单的拖动,就能实现编程。

STL接近于汇编语言,起点较高,不容易掌握。但在一些需要对硬件操作的时候,比如:驼子曾经编写过的激光测距仪的接口程序,就不得不用到STL语言了。

相关问答

PLC常用编程语言有哪些?各有什么特点?-ZOL问答

PLC常用编程语言有哪些?各有什么特点?PLC讨论回答(7)PLC常用的编程语言主要有以下几种:-梯形图(LAD):-特点:-从上到下按行绘制,每一行从左到右绘制...

plc编程中这个t37实际就相当于i0.0的延时头吗?

是的,这个程序应该是西门子S7-200的PLC程序,编程语言用的LAD,也就是梯形图程序解读如下:I0.0是PLC的开关量输入位的地址,接的应该是个按钮、旋钮或者中间继...

西门子plc双联开关怎么编程?

西门子PLC双联开关编程的步骤如下:在PLC编程软件(如Step7)中,创建一个新的程序,并选择相应的PLC型号和通信接口。定义双联开关的输入和输出端口。...

西门子1200plc上升沿怎么用?

在西门子1200PLC中,上升沿常常被用作触发PLC输入信号的方式,类似于按钮按下的那一瞬间。以下是如何在西门子1200PLC上使用上升沿的步骤:1.在PLC编程软件中...

plc梯形图的一个程序movk8d20是什么意思?

利用能流这一概念,可以帮助我们更好地理解和分析梯形图。图1中存在的能流有(1,2)、(1,5,4)、(3,4)和(3,5,2),为此可以将图1转化为图2.母线梯形...3)确...

西门子指令怎么输入?

1、用编程软件专用编程界面输入,编程软件分别有:STEP7Microwin是西门子S7-200编程软件;STEP7-Micro/WINSMART是专门为S7-200SMART开发的编...

西门子logo,230rclad和fbd能互换吗?

西门子LOGO!的编程语言可以用梯形图(LAD),也可以用功能块(FBD),功能块编程使西门子LOGO!的编程变得更简洁易懂,更容易上手,在LOGO编程软件里是可以进行LA...

电脑的cpu,多少才算是块快的??1.73Ghz??3.33Ghz??还是?????-Z...

S7系列的PLC的编程语言LAD、STL、SCL、GRAPH、HIGRAPH、CFC分别是什么意思?3250浏览6回答ZOL问答CPU问题详情电脑版首页资讯查报价排行榜问答论...

plc工资一般多少?

一类地区、一类企业如果在大城市且大企业里任职PLC相关行业的职位,那么工资必定不低,大企业里的工厂自动化程度非常高,需要的知识也不仅仅只有PLC这么简单,...

西门子编程和三菱编程的区别?

1.编程语言不同:西门子使用结构化文本(ST)和梯形图(LAD,FBD)编程语言,而三菱编程使用结构化文本(GX编程语言,FB编程语言)和梯形图(Dx编程语言)。2.编程...1...

 aoa组合  蔡其瑞简介 
王经理: 180-0000-0000(微信同号)
10086@qq.com
北京海淀区西三旗街道国际大厦08A座
©2026  上海羊羽卓进出口贸易有限公司  版权所有.All Rights Reserved.  |  程序由Z-BlogPHP强力驱动
网站首页
电话咨询
微信号

QQ

在线咨询真诚为您提供专业解答服务

热线

188-0000-0000
专属服务热线

微信

二维码扫一扫微信交流
顶部