线下实训
HOME
线下实训
正文内容
plc编程中的实数 PLC S7-1200一学就会连载(四),PLC的工作过程和数据类型
发布时间 : 2026-02-04
作者 : 小编
访问数量 : 23
扫码分享至微信

PLC S7-1200一学就会连载(四),PLC的工作过程和数据类型

今天我们来进一步学习,话说,PLC这个积木还得靠吃软饭(件)才能工作,不然它就是个摆设,而且它还比较笨,需要大家去主动认识它,认识它吃饭的步骤,认识它的语言,认识它的世界。没办法,谁让它那么具有潜力呢?就是得惯着它。上节课,大家已经知道它经常使用梯形图语言,接下来就慢慢跟它沟通啦。

(大家觉得它应该是个它、还是他、还是她?O(∩_∩)O哈哈~)

视频加载中...

一、 PLC的工作过程

1. 操作系统和用户程序

操作系统:这是PLC打娘胎里就有的,产品出厂前就已经设定好的,这是PLC的基本功能,能够为用户(你)服务所打造的系统。

用户程序:这就是用户(你)的地盘,由用户来设计程序,能使PLC完成特定的要求。

2. CPU的工作模式

Three working modes: RUN、STOP与STARTUP。

(1)STOP:这种模式下,就是停止,仅处理通信的请求和自诊断,不执行其他的程序,没有输入采样和输出刷新。

(2)STARTUP:上电初始化。

(3)RUN:CPU进入运行模式,正常工作啦。

在软件中,CPU上电后启动分为三种模式:

(1) 不重新启动:上电后仍然为STOP模式。

(2) 暖启动-RUN:上电后直接进入运行模式。

(3) 暖启动-断电前的操作模式:上电后显示断电前的操作模式。

二、 PLC的数据类型(Go straight to the theme)

1. 在PLC的世界里是不认识1,2,3……的,它只认识位、字节、字、双字等。它毕竟跟计算机是近亲嘛。我们从小到大开始介绍一下,位(Bool)表示二进制的1位,在软件里表示1或0,代表TRUE/FALSE。字节(Byte)表示二进制的8位。字(Word)表示二进制的16位,2个字节。双字(Dword)表示二进制的32位,2个字,4个字节。他们之间的关系,大家浏览视频看图说话。

对于PLC而言,它的系统内部有以下三种基本的存储区:I(输入映象区)、Q(输出映象区)、M(位存储)区。根据字面意思来理解,除了输入输出外,可以把M存储区当做辅助的存储区,它打辅助,I、Q是主角。表示方式也要与数据类型相一致,还得看图说话。

2. 上面的位、字节、字、双字,大家可以把他们当做最小的单位,他们是可以构成很多数据类型的:

(1)整数:分为有符号和无符号整数,根据数据的长短可以分为8位的SInt短整数和USInt无符号短整数。16位的Int整数和UInt无符号整数。32位的DInt双整数和UDInt无符号的双整数。

(2)浮点数:浮点数又称为实数(REAL),我们就理解为带小数点的数。

(3)时间与日期:时间用Time表示,最小单位为ms,日期用Date表示,为16位无符号整数,DTL为年月日时分秒的数据类型……

(4)字符:数据类型字符(Char)占一个字节,Char以ASCII格式存储。WChar(宽字符)占两个字节,可以存储汉字和中文的标点符号。字符常量用英语的单引号来表示,例如'A'。字符在这里用的比较少。

(5)数组:数组(Array)是由固定数目的同一种数据类型元素组成的数据结构。允许使用除了Array之外的所有数据类型作为数组的元素,最多为6维。

(6)结构:(Struct)是由多种数据类型的元素共同组成的一个整体。可以用数组和结构做结构的元素,结构可以嵌套8层。

数据类型记住常用的就可以,不常用的以后可以查询帮助。

三、 补充

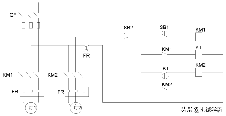
上节课连接了一个简单的继电器控制电路(起保停),不知道大家对继电控制电路有没有一个简单的理解,毕竟继电控制电路是PLC编程的基础,上节课也提到PLC编程的思想很大一部分是来自于继电控制电路,下面我们再详细看一个控制电路。

这次比上次复杂了一点点,两盏灯分时启动,因此,中间加了一个时间继电器,使用了时间继电器的通电延时触点。我们来看一下视频中的接线吧。自己动手会更嗨皮!

好了,今天我们就介绍到这里,希望大家能够轻松学到知识。有需要软件的同学可以@我!

我会陪大家学完整本S7-1200编程及应用的内容,有问题的同学也请留言交流哦!后面的知识会涵盖S7-1200基本指令、用户程序结构、顺序功能图、通信、组态画面、模拟量控制。

待续。

S7-1200 PLC的转换操作指令,你能说出几个?

前面给大家介绍了移动操作指令,接下来就接着介绍一下转换操作指令吧,S7-1200 PLC的转换操作指令也包括有数据类型的转换指令、实数转整数指令、以及用于缩放和标准化指令。

在我们S7-1200 PLC中,转换指令就是CONVERT,我们可以在指令中更改数据类型,相当于所有的转换指令都集合在这个CONVERT指令中,而对于S7-200/200 SMART PLC的转换指令是比较多的,我们需要哪个类型的转换指令就调用哪个指令,不能更改指令的类型,大家在学习的时候可以对比着学习,下面我们就介绍一下S7-1200 PLC常用的移动指令吧。

1、转换指令CONVERT

转换指令是将一种数据类型转换成另一种数据类型的,使用的时候单击指令“???”的位置,然后在下拉列表中选择输入数据类型和输出数据类型。

CONVERT指令支持的数据类型包括有整数、双整数、实数、无符号短整型、无符号整型、无符号双整型、短整型、长实数、字、双字、字节、BCD32等,比如INT TO DINT就是表示把整数转换成双整数。

IN管脚是输入要转换的数据,OUT管脚是转换后的数据,在管脚输入数据类型的时候注意要跟设置的数据类型一致哦。

2、浮点数转整数指令

S7-1200 PLC的浮点数转换指令包括有四舍五入取整指令ROUND、向上取整指令CEIL、向下取整指令FLOOR和截取尾数部分取整指令TRUNC这四个,而S7-200/200 SMART PLC的浮点数转换指令只有ROUND和TRUNC,那么S7-1200 PLC的CEIL和FLOOR指令大家可以着重了解一下,对比着学习效率更高哦。

这里还要提一下的是,前面所说的CONVERT转换指令也是可以实现浮点数转整数的功能的哦,具体想使用哪个指令就看你怎么选择了。

上图的程序中ROUND是对13.7四舍五入输出14,TRUNC是将12.5的尾数部分截取掉,取12进行输出,FLOOR是15.8向下取整变成15,CEIL是将12.4向上取整变成13。

3、缩放SCALE_X和标准化NORM_X指令

缩放和标准化指令通常配合使用来实现模拟量输入和输出的转换,模拟量的转换是有个对应的公式的,这两个指令其实也是根据如下这个公式而来的。

缩放指令SCALE_X用于按照参数MIN和MAX所指定的数据类型和值范围对标准化实参VALUE进行标定,OUT=VALUE*(MAX-MIN)+MIN,其中0.0<=VALUE<=1.0。

标准化指令NARM_X用于通过参数MIN和MAX指定的范围内的参数VALUE,把其标定在0%~100%范围内。OUT=(VALUE-MIN)/(MAX-MIN),其中0.0<=OUT<=1.0。

以上这两个指令主要是在模拟量控制中会有应用,如果是入门的学习可以先简单了解就可以,等之后学习到模拟量控制部分再来详细学习。

以上这些就是转换操作指令的介绍,转换指令在我们做一些运算处理的时候是会应用到的,除了缩放和标准化指令可以简单了解,其他的转换指令都是需要掌握的哦,大家记住了吗?

( 技成培训网原创,作者:蔡慧荥,未经授权不得转载,违者必究 )

更多了解,点↓

相关问答

plc的字双字字长啥意思_作业帮

[最佳回答]mov-r:是实数传送,实数就是带有小数点的数值,一般在模拟量编程中经常会使用mov-w:这个是16位的2进制整数进行传送,整数就是不带小数点的数值.位、字...

PLC为什么使用整数和实数?

PLC(可编程逻辑控制器)使用整数和实数是因为不同的应用场景需要不同的数据类型来处理和存储数据。以下是一些原因:1.整数数据类型用于处理离散的、不需要精...

plc中实数的取值范围?

1.实数的取值范围是无穷大到无穷小的连续无限集合。2.这是因为实数包括了所有的有理数和无理数,有理数是可以表示为两个整数的比值,而无理数是不能表示为两...

PLC中实数整数浮点数都是什么意思一般都什么情况下用这些?

实数,浮点数一般是带小数点的数。整数就是不包含小数点大于0的整数。在PLC中,一般都用实数,像温度等模拟量一般用整数。实数,浮点数一般是带小数点的数。...

plc怎么把一个实数赋值给双字?

在PLC编程中,通常会使用特定的指令将一个实数赋值给双字数据类型。具体的操作取决于所使用的PLC编程语言和PLC品牌。以下是一种常见的方法来实现这个操作:1...

cmp在plc中的含义?

比较的数据范围是-32768到+32767,比较数据类型可以是常熟K,H等,可以是数据寄存器D,也可以是计数器C,可以是时间继电器T,...CMP是比较指令,用于16位数据比较,...

西门子S7-1200PLC如何转换模拟量?

复!这就说明这个程序,可以实现模拟量和工程量的转化。当我强制PIW64的值为27648/2=13824的时候,计算出的压力值就为0pa,见下图:就说这么多了,应该能帮到你,...

PLC200的程序,编码器脉冲计数后转为实数,程序有一点看不懂?

这个是把实际的数通过运算存入VD190里意思是把VD180的数字放大32倍存入VD190里这个是把实际的数通过运算存入VD190里意思是把VD180的数字放大32倍存入VD190里

PLC中字节、整数、等的用法?

拿西门子200PLC做例子,比如V存储区的数据,一个字节是8个位,字节用B表示,那么字节的地址就是VB??,比如VB100,这表示一个字节的数据,数据地址就在V存储区1...拿...

有谁能帮我介绍下,我对西门子PLC的实数,整数,双整数,浮点数,字符串有写不明?

实数,就是浮点数可以理解为带小数点的数据如1.5100.5整数,顾名思义就是没有小数点范围0-65535的双整数,同上范围0-4294967295浮点数,...实数,就...

 仙后  北京国际标准舞学院 
王经理: 180-0000-0000(微信同号)
10086@qq.com
北京海淀区西三旗街道国际大厦08A座
©2026  上海羊羽卓进出口贸易有限公司  版权所有.All Rights Reserved.  |  程序由Z-BlogPHP强力驱动
网站首页
电话咨询
微信号

QQ

在线咨询真诚为您提供专业解答服务

热线

188-0000-0000
专属服务热线

微信

二维码扫一扫微信交流
顶部