课程中心
HOME
课程中心
正文内容
伺服3轴plc编程 基恩士PLC②--3轴伺服实例解析笔记
发布时间 : 2026-01-22
作者 : 小编
访问数量 : 23
扫码分享至微信

基恩士PLC②--3轴伺服实例解析笔记

基恩士PLC②--3轴伺服实例解析笔记

1.0 工具--CPU定位参数设定

1.1 点参数通用设定

这里是设定运行启动速度,默认是200,可以设置成70慢一点,只要低于运行速度就行

1.2 I/O设定

里面有原点传感器,输入时可选的比如轴1,输入可以直接设置R000输入点,也可以设置成CR8014(轴2为8114,轴3为8214),他们的区别就在于,通过CR8014可以在程序中灵活配置原点传感器

停止传感器也是一样,如上所述,不过他的输入点分别为CR8015,CR8115,CR8215

Z相,限位开关CW,限位开关CCW,这三个输入都是不能设置的

选择输出模式:有两种一种是常用的单脉冲模式,方向+脉冲,还有一种双脉冲模式,+-脉冲模式

正方向动作时输出脉冲:正转脉冲

1.3 原点复归设定

一般的话,参数稍微改下就可以,比如启动速度,默认200,可以改到500,加减速度模式10可以改成100,运转速度默认1000可以改成1500,还有原点复归方向可以根据轴摆放的位置设定,

1.4 JOG设定

手动JOG简单设置下启动速度从默认500改到2000,其他根据情况修改

比较器一般不用就不用设定

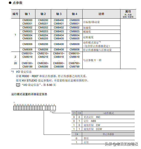
1.5 点参数

一共可以设置20个轴点位

可以读取的点位相关参数(当前坐标,当前速度等)

具体定位点的参数表如下

可能出现的错误代码如下

2.0 当如上设置好参数后,进行程序的编写

2.1 设置原点 上下极限传感器

2.2 伺服错误复位

复位按下后,复位伺服的报警,错误,警告

2.3 伺服使能控制

首先如果有急停的话,就驱动伺服的强制停止,轴1-CR8000,轴2-CR8100,轴3-CR8200

如果轴出现报警,错误,警告,自动复位,各轴回原点,移动等标志位,并且通知伺服电缸减速停止

2.4 伺服参数设置

自动模式参数设置,主要就是各轴的自动速度

手动模式参数设置,主要是jog的速度,一般分高速跟低速,所以有2种速度设定切换,这里的高速低速是直接写到系统内的,后面用jog速度直接可以切换

2.5 伺服手动控制

手动模式下控制伺服,首先要考虑一些干涉情况,比如在这里拧紧气缸必须在原位,Z向轴3的位置应该在0以上,轴3应该回过原点,这种情况下才能手动

总结说手动的条件,①伺服轴无报警,警告,错误 ②不存在干涉风险的条件 ③安全光幕无遮挡 ④手动模式 ⑤手动jog按下 ⑥jog速度设置。jog指令里面的high参数,当给0时默认低速,当给1是为高速Jog

2.6 伺服寸动

伺服寸动的逻辑跟自动跑位置是一样的,首先给一个寸动距离和方向,当寸动正方向就给一个正,否则相反,如下图,基恩士的负方向是cm8010.1=(-1)*cm8010.1,其中cm8010指的轴1的#2点

同时,按下寸动的的时候的上升沿,触发PSTRT的定位指令,同时也写入自动速度,触发寸动的定位移动

2.7 主动回原点

首先保证不干涉,在这个项目中,必须Z轴回过原位,并且目前坐标在0之上,然后按下回原点的上升沿,触发ORG的指令,驱动0#单元轴1的原点复归,等到定位完成原点复归完成信号

了解最新工控PLC,上位机,机器人,通讯等实例测试笔记~~请关注头条号--老王工控笔记

原来plc控制伺服电机这么简单!成功都是可以复制的!

新力川伺服电机 / 威纶触摸屏TP6071IP / QD70P8模块/QY42P

通讯线TK-Q 编程线USB-QC30R2

1、 伺服电机接线

(1) 驱动器主电路端子名称

(2)电源接线方式(有单相,三相,这里采用单相)

(3)伺服驱动器面板

(4)位置控制模式接线

CN3端子

CN3端子定义

位置控制所需的控制端子如上图所示,针脚号1、针脚号2需要接100Ω电阻。

三菱QD70P8模块端子定义

伺服驱动器与三菱PLC接线

注:引脚5和引脚22接输出Y,可以根据自己实际需要更改输出端子

PLC参数设置

轴1定位数据:选择定位结束,INC就是相对位置控制,其他参数可以根据自己需要设置,这里可以默认。

参数设置:一般直接默认设置就可以。

2、PLC程序

初始化设置先设置速度为2000,后面在人机界面可以自己调整

脉冲数转换:电机走一圈用的模组走5mm的距离

电机走一圈脉冲10000pulse,因此人机界面输入1mm,需要2000脉冲,距离是浮点数,因此需要用到浮点数相关指令。

ü FLT D152 D152将整型D152转换为浮点数

ü EMOVP E4 D152浮点数赋值

ü E* D152 E2000 D154 浮点数相乘

ü DINT D154 D156浮点数转为D156

ü TOP H1C K800 D27 K9

将D27开始的9个数据寄存器的数值存入模块的缓冲寄存器中,当模块安装在基板槽口0时,则选择H00,我是安装在第8槽口,输入输出从X1C0,Y1C0开始,因此为H1C,K800是轴1的缓冲数据寄存器,轴2为k900,以此类推,可接8个轴。

注意:程序中,运行形式和控制方式一定要写入,否则将报错。定位形式0,控制形式为2。

3、HMI对应程序

工作过程: 在速度、距离中输入数据,电机数据确认按钮,开启伺服ON按钮,锁住电机,再按下启动按钮,电机将按照设定的距离和速度动作。当电机出错,查找原因并按下报警清除按钮,清除报警。

电工学习网独家原创稿件,转载必须注明原文出处及原文链接,违者必究!

推荐阅读:三菱PLC控制伺服或步进电机的顺序控制思路, 请点击下面“了解更多

相关问答

plc怎么连接和控制伺服电机-阿朔与土拨鼠的回答-懂得

plc一般不会直接接伺服电机,而是先接伺服驱动器,由伺服驱动器去控制电机,具体要几根线就要看你的伺服电机和驱动器是什么样的了,这些说明书上都有,...

台达PLC伺服程序?有了解台达plc的吗?

[回答]用一台PLC控制两组伺服驱动电机,两台电机启停时间错开,通过机械装置合成可使速度变化率达500次/min;、程序设计根据PLC的工作过程,PLC控制流程如图3...

plc如何控制伺服驱动器程序plc怎么连接和控制伺服电机?

1、plc连接和控制伺服电机通过专用的数据线,就可以将他们有机的联系起来,构成一套比较完整的自动化控制系统。2、就伺服驱动器的响应速度来看:转矩模式运算量...

信捷plc总线控制伺服编程实例?

回答如下:以下是一个信捷PLC总线控制伺服编程实例:假设我们要控制一个伺服电机,该电机有一个编码器反馈,用于检测它的位置。我们需要使用信捷PLC和总线控制...

西门子1200本体怎样实现控制三轴?

SIMOTIOND4x5-2中内置了一个CU320-2驱动控制单元,最多可以控制6个伺服轴或者6个矢量或者12个V/F轴,但如果需要控制更多的电机轴就需要扩展驱动控制单元,除了使...

三菱plc简单控制伺服电机完整程序?

以下是一个基本的示例程序,用于使用三菱PLC控制伺服电机:1.设置输入和输出点:```ladder//输入点X0.0:伺服电机启动信号X0.1:伺服电机停止信号//输...

三菱plc控制伺服电机完整程序?

```plaintextPROGRAMMain_ProgramVARSpeed:INT:=100;//电机转速设定Position:INT:=0;//电机位置设定END...

伺服驱动器与plc连接及参数设置?

1.伺服驱动器与PLC可以通过模拟量信号或数字量信号进行连接,具体连接方式根据设备型号和具体应用场景而定。2.参数设置方面,需要根据实际应用需求进行调整,...

三相伺服驱动器怎么接线?

第1序号项是通讯端口,这个端口可以与电脑实现连接,在一些简单的应用场合,可以通过我们常用的电脑去控制伺服驱动器,从而控制伺服电机,而不再需要PLC控制器这...

三菱plc控制伺服驱动器编程实例?

三菱PLC可以通过模拟量输出控制伺服驱动器的速度和位置,下面是一个简单的编程实例,仅供参考:1.首先,将PLC的模拟量输出端口连接到伺服驱动器的速度控制端口...

 工行四川省分行  米歇尔 崔切伯格 
王经理: 180-0000-0000(微信同号)
10086@qq.com
北京海淀区西三旗街道国际大厦08A座
©2026  上海羊羽卓进出口贸易有限公司  版权所有.All Rights Reserved.  |  程序由Z-BlogPHP强力驱动
网站首页
电话咨询
微信号

QQ

在线咨询真诚为您提供专业解答服务

热线

188-0000-0000
专属服务热线

微信

二维码扫一扫微信交流
顶部