使用plc进行简单编程 PLC快速入门:6个PLC编程实例,学会了可以让你由入门变精通!

小编 85 0

PLC快速入门:6个PLC编程实例,学会了可以让你由入门变精通!

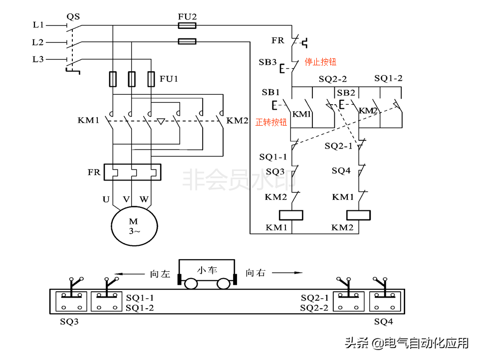
PLC是使用很广泛的自动化控制设备,在使用PLC之前,我们需要根据现场的工况要求来对PLC进行编程,理论上任何复杂的继电器和交流接触器的控制电路,都可以用PLC来实现,今天我们就通过6个具体的编程实例来看看PLC到底是如何进行编程的:

PLC编程其实很简单,按照这个步骤一步步进行就可以!

相关问答

plc编程步骤方法?

常用的PLC编程方法有经验法、解析法、图解法。经验法:即是运用自己的或别人的经验进行设计,设计前选择与设计要求相类似的成功的例子,并进行修改,增删部分功...

PlC的程序怎么编写?

编写PLC程序需要遵循一定的步骤。首先,需要进行需求分析,确定系统的功能和操作流程。然后,根据需求设计程序结构,包括输入输出模块的配置和信号处理逻辑。...

最简单的plc编程方法?

1最简单的PLC编程方法是使用基本的Ladder图语言进行编程,这种语言基于电气控制系统中的电路图形式,易于理解和使用。2使用这种方法编写的程序结构简单,易于...

plc万能编程法?

PLC是一种可编程逻辑控制器,通常用于自动化控制系统。万能编程法是指一种通用的PLC编程方法,它可以适用于不同品牌和型号的PLC,并且可以在不同的控制系统...

plc用c语言怎么进行编程?

你好,PLC(可编程逻辑控制器)可以使用多种编程语言进行编程,其中包括C语言。以下是使用C语言编程PLC的一般步骤:1.确定PLC型号和规格:PLC有多种型号和规格...

PLC怎么编程?

PLC(可编程逻辑控制器)编程通常使用以下步骤:1.熟悉PLC编程软件:每个PLC品牌都有自己的编程软件。需要学习和了解所选PLC品牌的编程软件,包括其界面和常用...

plc编程小技巧?

学习plc编程可以按以下三步来进行:1、掌握PLC编程的基本原理。学习plc编程,你需要认识梯形图和继电器控制原理图,了解编程元件的分类,熟识PLC基本指令。...

plc程序化简的口诀是?

在PLC(可编程逻辑控制器)编程中,有一个常用的简化程序的原则,可以用以下的"口诀"来概括:KISS原则:保持简单,愚蠢可行(KeepItSimple,Stupid)这个...

plc编程程序详解?

PLC编程是指使用可编程逻辑控制器(ProgrammableLogicController,简称PLC)编写程序,用于控制工业设备。以下是一个简单的PLC编程程序的详解:1.确定控制需...

用PLC编程,一个动作的手动自动该怎么写?

如果是以上情况的话,其实也简单,PLC的非保持寄存器在断电时都会自动归0,利用这一特性写一段指令,当上电时即判定当前为停机状态,并自动复位设备。还有一个...