研选课堂
HOME
研选课堂
正文内容
plc200怎么编程 用PLC控制称重,其实很容易,5分钟学会S7-200称重编程和校称
发布时间 : 2026-01-17
作者 : 小编
访问数量 : 23
扫码分享至微信

用PLC控制称重,其实很容易,5分钟学会S7-200称重编程和校称

原创不易,请勿抄袭!

我知道这么写一点意义都没有,我也不可能去追究别人盗版我文章的责任,但我希望我写了近6个小时的文章会有人真心喜欢,会有人能够学到文章里的知识点,并应用到工业中,这样我的目的就达到了,然后希望大家能支持我一下,点赞收藏并分享,让更多的人看到这篇写之不易的文章,谢谢。

上篇文章我们讲了PLC连接称重传感器的几种方法以及这几种方法的优缺点,今天我们说一下如何使用西门子S7-200编写称重程序。下篇文章我们会再讲一下西门子S7-300的称重程序;本文提到的所有程序实例,手册和库文件还有称重模块的详细信息以及校称软件等等我都已打包好,有需要的在评论区留下邮箱,我会一一发送。

1 称重传感器+二次表+模拟量输入的方式比较简单,只需要识别好模拟量输入通道,然后将模拟量输入转换为需要的数值范围就可以。

2 称重传感器+二次表+通讯的方式,需要选择带232/485通讯接口的PLC,设置好通讯参数后,从接收口读到的数值就是称重的实际数值,然后进行换算即可,232/485通讯也是PLC使用的一个知识点,大家有兴趣的话可以在下方留言,我可以给大家讲解。

3 我们主要讲讲这个最经典的方式吧,那就是重传感器+接线盒+称重模块。

要想使用这种方式称量的话,我们需要编写PLC程序,并且通过软件设置称重模块参数,并进行校称等操作。

一首先我们先说说PLC编程,其实称重系统的编程学起来非常难,但应用起来非常简单。为什么这么说呢?

举个例子,1+1=2大家都知道,但是要问1加1为什么等于2那就复杂多了。

所以大家想用PLC控制称重系统的话,只需要把我给大家做的例子按照现场实际设备简单修改一下,然后下到PLC里就可以使用,下载后有疑问的话再去测试各个点的功能,多用几次后就熟练了。(几乎所有人的第一套PLC程序都是抄袭别人的,一点一点探索然后自己才有思路。)

但是为了让大家理解更深一些,我除了把程序发给你们让你们模仿外,还会将一些重要的信息列出来,让大家对称重系统有一个系统的了解,这样才能快速的学会称重的编程。

我们选用的PLC是CPU226.西门子S7-200其他型号也可以,但是需要注意:1不同PLC可以拓展的称重模块数量不同,2程序设置的起始位置可能有变化,因为有的PLC自带模拟量,所以接到PLC后的称重模块的起始值就不是AIW0,而称重模块前没有模拟量输入的一般起始地址就是AIW0.具体起始值以硬件监测到的为准,这个后文我们会说到。

然后按照接线图将传感器接到接线盒,再由接线盒接到PLC模块,然后检查下回路,没有问题后送电。

连线方式

SIWAREX MS称重模块

用西门子的专用编程电缆连接到PLC,以前说过西门子PLC的区别,S7-200没有以太网口,S7-200smart不能拓展称重模块,有点尴尬,所以只能用这种特定电缆进行编程。

西门子称重模块可以理解成一种硬件,所以需要驱动,对西门子S7-200来说,这个驱动就是库文件,我们将库文件倒入程序中,库文件也打包在文件包里。

打开软件,添加库文件

添加成功

程序出现在库里

倒入后大家可以看到两个程序块,一个程序块是用来读取称重数值的,另一个是用来清零的,这两个程序块我们可以直接拉出来用。

连接好PLC后先将滤波功能去掉,以前的文章说过,滤波会导致称重有延迟,所以需要去掉。工业自动化的知识网络就是由一个一个知识点构成,我需要将整个知识网络拆分成一个一个知识点,大家需要一个一个知识点学习,然后构建自己的知识网络。

删除滤波功能

然后我们读取下PLC信息,可以看到状态是AIW0,图片为例子为截图,德国的E是输入I,A是输出Q的意思,所以有些德国图纸标记是E和A,大家了解一下就可以。

可以看出起始值是AIW0,和AQW0,后面程序设置会用到

然后我们进行编程。

第一行和第二行为数据转换,其中第一行的firstA为PLC硬件读到的地址,其他的依次后移一个字节;比如文中读到的地址是AIW0,AQW0参数设置就是AIW0,AIW2,AIW4,AIW6,AQW0,AQW2,AQW4,AQW6;如果读到的地址是AIW8,AQW8参数设置就是AIW8,AIW10,AIW12,AIW14,AQW8,AQW10,AQW12,AQW14。

FirstVB是数据转换的起始位置,以指针的形式,实际数据为后移一位,如果是&VB200,那实际读数就是VW202,这个数可以任意填写,只要不侵占其他程序就可以。

第三行和第四行是清零指令,按照上述程序即可实现清零,但需谨记,清零仅在称的重量小于一定数值以下才可,否则无法清零,我用的传感器的清零上限是50g。

PLC程序就是这样,因为VW是字的格式,不可以与数值作比较,需要转换到可计算的数据格式,所以例子程序转换为VD1000,VD1000就是可以比较的最终重量数值,如果需要以设定值控制外部设备的话就用VD1000做数值比较就可以。

二除了PLC程序,我们还需要按照称重传感器设置称重模块参数。我们需要用到的软件是Siwatool_V4或者Siwatool_MS,这两个软件的区别就在于Siwatool_V4可以针对多个称重模块,Siwatool_MS只对应一种模块,所以我一般两个都装,哪个好用用哪个,用法大致一样。

我们需要一根线连接称重模块和安装以上软件的电脑;

两侧各为9针串口,称重模块上有串口接口,电脑侧如果没有的话需要串口转USB转换器。

连接之后。

第一步:建立通信

点击Module name,选择SIWAREX MS

然后点击Online按钮,软件与模块建立通信,如果通讯不上的话,切换一下COM口就可以了。

PC列参数表示SIWATOOL软件中的参数设置,SIWAREX列为称重模块内实际设置的参数,当二者不一致时,参数为红色。

将鼠标点击Adjustment parameter (DR3) 上,鼠标右键,选择Receive data record,将DR3中的所有参数读取到SIWATOOL软件中。

第二步:称重模块参数设置

Adjustment weight 1:标定砝码重量,因为SIWAREX MS只能通过一个Word来存储重量,无法显示小数点,所以此处输入砝码重量时需要考虑小数点个数。此处输出2000,如果小数点个数为2,那么代表标定砝码重量为20.00

Decimal place for the remote display:小数点个数

Weighing range:称量范围,指容器或者秤台上被称量的物料的最大重量,而不是传感器量程。当重量大于此处设置的称量范围时,称重模块的MAX指示灯会变为红色。

第三步:将参数发送到称重模块中

完成上述参数设置后,将鼠标点击Adjustment parameter (DR3) 上,鼠标右键,选择Send data record,将DR3中的所有参数写入到称重模块中。

第四步:零点标定

将秤清空,然后执行零点标定,此时重量显示为0。

第五步:砝码标定

将标定砝码(重量与第二步设定的砝码重量一致)放在秤上,然后执行砝码标定,此时显示砝码重量。

第六步:参数备份。

点击Receive all data按钮,将称重模块参数全部上载,然后单击Save as按钮,将参数保存为文件。如果需要更换新模块时,只需要将该文件打开,通过Send all data,将参数下载到新模块中即可,无法重新进行标定。

西门子有多种称重模块,软件也有多个,但都大同小异,只要我们熟悉一个效称软件,其他的就非常容易了。

最后提醒大家一下,无论是更换称重模块还是更换称重传感器我们都需要重新效称,然后即使不坏的话,传感器使用时间过长也需要重新效称才能保持准确度。

六小时的心血啊,希望大家喜欢,分享知识是我最大的快乐!想要资料的留下邮箱。

(如果喜欢这篇文章,请点赞并关注,以便优秀文章在第一时间收到推送)

「零基础入门PLC」S7-200 SMART 编程技巧及实例分享

S7-200 SMART在编程中常见问题解析

工欲善其事必先利其器,在日常的程序编辑和调试过程中,可能会遇到各种各样的问题,比如编辑好的逻辑程序执行结果不正确,编译正常的程序下载到不同的CPU中,有些可以下载,而有些提示非致命错误等等,此时如何快速的排查和分析错误发生原因就非常重要,而排查和分析的前提就需要对S7-200 SMART从软件和硬件上有更加深入的了解,下面我们就通过几个典型的案例来进行问题的分析。

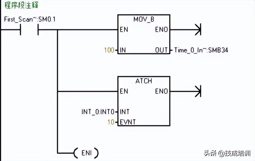
案例 1

首先看图1这段程序,编译无任何问题,如果下载到不同类型的CPU中,表现就会不同,我们可以尝试下载到ST60和CR60两种类型的CPU中。

图1 主程序

下载到ST60中,程序运行正常,如果下载到CR60中,程序运行就会报非致命错误:操作数非法(错误码:0090),图2为具体的非致命错误信息:

图2 PLC信息

根据程序分析错误出现的原因和中断有关,可以查询S7-200 SMART系统手册中断章节可以找到对应答案,如表1所示,24号中断事件CR60不支持,所以在运行时会报错非致命错误。

表1

综上,当需要程序在多个不同类型CPU之间下载或者移植时,就需要提前了解各个CPU的程序容量大小、支持的数据区的大小,断电保持区域大小,是否使用到了CPU不支持的功能或者CPU固件版本是否支持等因素,只有了解了这些,才能做到有的放矢。

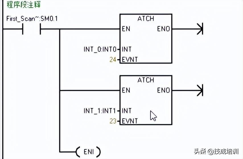
案例 2

在日常编程过程中,我们可能需要各种标准库,有时需要子程序和中断程序有多重调用关系,例如下面这个案例,程序想使用格雷码转换库在定时中断中每隔100ms进行一次数据的格雷码转换,请看图3:

图3 主程序

图4 子程序

程序的调用关系为:中断子程序INT0调用子程序SBR1,SBR1中调用子程序SBR2,SBR2中的程序如图4所示,下载到CPU中,通过状态图表监视程序状态,发现没有结果输出,如图5所示:

图5 状态图标监控无输出

进一步监控PLC信息,可以看到图6的非致命错误报警:超出最大用户子例程嵌套级别(错误码:0008)

图6 PLC信息

S7-200 SMART手册中规定:从主程序调用子例程的嵌套深度是 8 级,从中断例程调用嵌套深度是 4 级。

现在来看上述程序的调用关系:

INT0→SBR1→SBR2→GRAY_BIN_DW,表面上也仅仅嵌套了3级,满足中断嵌套深度要求,但是仔细查看GRAY_BIN_DW功能库可以发现,该库也嵌套了几层,嵌套关系如下:

GRAY_BIN_DW→GRAY_BIN→XOR,这样下来,嵌套关系就变成如下:

INT0→SBR1→SBR2→GRAY_BIN_DW

→GRAY_BIN→XOR,总共5层嵌套关系,超过了CPU支持的最大嵌套深度,导致CPU 无法运行,知道了原因,我们可以减少调用嵌套为4层以内,则程序就可以正常执行了。

通过以上描述就可以明白,有些看似不可理解的问题其实有其发生的原因,只有深入了解对应产品的技术细节,才能抽茧剥丝,找到问题的根源所在。

S7-200 SMART如何快速提高编程效率

在日常的编程过程中,我们可能需要不少的逻辑运算和算术运算,如果这种运算很多,有可能会导致程序量很大,CPU的扫描周期加长,在这种情况下,找到其中的规律,可以大大简化程序。

假设一个场景,现场有16台设备,需要控制16台泵的启停,IO地址如下表所示:

表2

一般的编程思路是单独写出每个泵的启动停止控制逻辑,如图7所示,需要编写16组控制逻辑:

图7 单个泵的启停控制

其实针对这种编程,我们可以变换一种思路,将上面的梯形图变换成图8所示的逻辑,也可以完成对应的控制功能:

图8 字逻辑运算

这样变换完成后,编程就显得特别简洁,因此编程思路很重要。

在另外一些应用场景中,有时需要记录现场设备的运行时间,一般情况下我们可以使用定时器来实现计时的功能,但S7-200 SMART定时器有数量限制(最大256个),并且最大时基为100ms的定时器其所能达到的最大计时长度为3276.7S,若想实现小时或者天的计时就需要定时器加计数器来实现,而计数器也有数量限制(最大256个),当需要类似的功能很多时,计数器和定时器数量就不够用了,此时可以使用系统特殊存储器 SM0.4(周期为60S的时钟脉冲)和SM0.5(周期为1S的时钟脉冲)来实现计时功能。

如图9所示,其中值VD0的单位为秒,在实际应用中,可以对这个数值进行再次转换,得到分钟、小时或者天的时间值(本例中VD4的单位为小时),同时这些地址也可以按需设置在S7-200 SMART断电保持区域中,实现不同时间长度的定时以及断电保持功能,非常方便。

图9 使用SM0.5实现计时功能

实际编程时对于一些功能重复的地方,我们可以考虑做成子程序多次调用,一些需要重复计算的功能,可以使用FOR NEXT循环来完成,也可以考虑使用间接寻址的方式来提高程序的灵活性,而对一些流程方面的控制可以使用顺序控制继电器来完成,这样可以大大提高编程的效率。

相关问答

西门子plc200扩展模块怎么组态?

答:西门子200PLC是没有硬件组态的;模块直接连上就行,建议CP以太网模块放在CPU后面;然后接模拟量,开关量模块;CP模块需要编程软件进行一个组态,配置IP地...

西门子PLCS7-200模拟量输入怎样编程?

西门子PLCS7-200系列控制器的模拟量输入编程步骤如下:1.打开SimaticManager软件,并创建一个新的工程文件。2.在SimaticManager的硬件配置中添加S7-200...

s7-200怎么用ppirs485连接电脑?

S7-200是西门子公司推出的一款小型可编程逻辑控制器(PLC),ppirs485是一款用于西门子PLC编程和调试的软件。下面是连接S7-200和电脑的步骤:1.将ppirs485软件...

plc怎么通过网线连接电脑?

不需要网线,将s7-200这个plc用串口线连接电脑的串口即可,如果没有串口的,可以购买usb转rs232的转换器连接。然后电脑上安装200plc编程软件,就能连接了。建议...

西门子200plc怎么和电脑用usb连接设置?

需要使用USB转串口转换器进行连接。因为西门子200plc一般使用的是RS232接口,而大多数电脑并不支持RS232接口。因此需要使用USB转串口转换器进行连接。这种转换...

西门子plcs7-200smart如何用语句表编程?

用梯形图表进行编程。西门子PLCS7-200Smart的语句表编程可以使用梯形图编程语言。梯形图编程是很多PLC程序员和维护人员选用的方法;它是为新程序员设计的优...

西门子plc200安装不了,为什么呢?-ZOL问答

你说的是200PLC的编程软件STEP7-Microwin4无法安装,STEP7-Microwin4在安装时需要卸掉早期的版本,你可能运行的是升级版,首选要安装STEP7-Microwin4.0,然后...

西门子s7一200怎样用电脑网线通信?

连接好电脑与SMARTCPU之间的网线。打开S7-200SMART编程软件,点击通信图标-------选择网卡(如果有两个以上网卡,请注意一定要选择与SMART连接的网卡名称,这...

西门子s7-200编程电缆怎么连接?

西门子S7-200的PLC与触摸屏都是用的编程485下载电缆,编程电缆型号为6ES7901-3CB30-0XA0,西门子S7-200的PLC与触摸屏连接也是485的,触摸屏应该带连接线。西门...

用西门子S7-200plc,装配或包装自动生产线编程是怎样编的?

例如:I0.0为切换按钮,接通时,手动,不接通时,自动。在编程时,LDI0.0送一个数值给一个存储器,如VB100=1,LDII0.0送另一个数值...例如:I0.0为切换按钮,接...

 李云祥  王叙然 
王经理: 180-0000-0000(微信同号)
10086@qq.com
北京海淀区西三旗街道国际大厦08A座
©2026  上海羊羽卓进出口贸易有限公司  版权所有.All Rights Reserved.  |  程序由Z-BlogPHP强力驱动
网站首页
电话咨询
微信号

QQ

在线咨询真诚为您提供专业解答服务

热线

188-0000-0000
专属服务热线

微信

二维码扫一扫微信交流
顶部