课程中心
HOME
课程中心
正文内容
编程器plc模块 超详解的可编程控制器(PLC)的CPU的模块及性能介绍
发布时间 : 2026-01-03
作者 : 小编
访问数量 : 23
扫码分享至微信

超详解的可编程控制器(PLC)的CPU的模块及性能介绍

CPU314结构

CPU314状态指示

CPU314工作方式

CPU314工作方式

CPU314工作方式

CPU的内存复位

(1)硬件复位方式

① 开关转到“STOP”位置;

② 将开关拨到“MRES”位置保持2~3秒 (直到STOP灯慢闪2次)后, 松开开关自动返回“STOP”位;

③ 3秒之内将开关再次拨到“MRES”位, 使STOP 灯快闪, 即完成CPU内存复位。注:若未出现STOP灯快闪, 需重复以上步骤② 和③

CPU数据常用术语

CPU只能识别处理二进制的数据信息,常用表达术语:

(1)bit:二进制位,简称b,数值0或1;

(2)Byte:字节,简称B,1Byte=8bit;

(3)Word:字,简称W,1W=2B=16bit;

(4)DoubleWord:双字,简称DW,1DW=4B=32bit;

➢ 1KB = 210 B=1024 B

➢ 1MB = 1024KB

➢ 1B=8bit 的十六进制表达:00~FF H;

➢ 1W=2B=16bit,

二进制表达:0~1111 1111 1111 1111 B(B二进制Binary缩写)

十六进制表达:0~FFFF H(H十六进制Hexadecimal缩写)

十进制表达:0~65536 D(D十进制Decimal缩写)

CPU输入输出数据表达

(1)数字量信号

开关状态信号(OFF、ON),以二进制位bit的“0,1”逻辑状态表示,每位对应一个输入或输出点 (Input/Output Point),用I/O点数表示信号数量。

(2)模拟量信号

模拟量信号是连续变化的物理量,采用多位二进制数值表达, 一个模拟量信号需占1个通道CH的二进制位,即1个字:1CH= 1Word= 16Bit。

CPU存储区数据标识

CPU存储区数据标识

CPU314性能

CPU314性能

CPU属性及应用

CPU属性及应用

时钟频率表

CPU属性及应用C

三菱FX5U系列PLC大讲堂(5)——模拟量输入模块

三菱FX5U的CPU模块本身集成了两路模拟量输入和一路模拟量输出通道,其信号类型均为0~10V电压信号。如果在项目中需要连接模拟量电流信号传感器或者CPU模块本身的模拟量通道不够用时,可以使用扩展模拟量模块。今天这篇文章,我们就来聊聊三菱FX5U的模拟量输入扩展模块,严格来说该扩展模块的家族代码为FX5。

三菱FX5模拟量输入模块包括FX5-4AD、FX5-8AD及FX5-4AD-ADP三种。前两种是安装在CPU模块的右侧,连接方式为软连接。名称中的"AD"表示"Analog To Digital",即模拟量转换成数字量;第三种安装在CPU模块的左侧,连接方式为硬连接。名称中的"ADP"是"Adapter"的缩写,即模拟量适配器。下面我们分别来介绍下这三种模块。

1、FX5-4AD

FX5-4AD是有4路模拟量输入通道的扩展模块,其外观如下图所示:

该模块支持-10~+10V的电压信号和-20~+20mA的电流信号,转换后的数字量数值为16位带符号整数,取值范围为:-32768~+32767。最大输入电压为±15V,最大输入电流为±30mA。在实际使用时,需要根据连接的传感器的类型,在编程开发软件GX Works3的参数列表中对模块参数进行设置。可选的电压信号包括:0~10V,0~5V,1~5V和-10~+10V;可选的电流信号包括:0~20mA、4~20mA和-20~+20mA。另外还可以选择"用户范围",即用户自定义信号的范围;

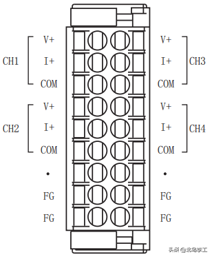
模块的前部时是一个接线端子排,其定义如下图所示:

其中:

V+是电压信号输入;I+是电流信号输入;COM是公共端;FG是功能接地;

连接电压信号传感器时,将输入信号正极连接到V+,负极连接到COM端;连接电流信号传感器时,将输入信号正极连接到I+,负极连接到COM端。其接线原理图如下图所示:

2、FX5-8AD

FX5-8AD是有8个模拟量输入通道的模块,它可测量电压信号、电流信号,热电偶以及热电阻。转换后的数字量数值为16位带符号整数,取值范围为:-32768~+32767。其外观如下图所示:

该模块支持的电压信号包括:0~10V,0~5V,1~5V和-10~+10V;

支持的电流信号包括:0~20mA、4~20mA和-20~+20mA;

支持的热电偶包括:K型、J型、T型、B型、R型及S型;支持的热电阻包括:Pt100和Ni100;模块的前部是一个接线端子排,其定义如下图所示:

FX5-8AD需要使用电源连接器,其接线原理图如下图所示:

在使用时要根据实际连接的传感器的类型进行组态设置。

3、FX5-4AD-ADP

FX5-4AD-ADP连接在CPU模块的左侧,采用硬连接的方式。它具有4路模拟量输入,支持电压和电流两种信号,其外观如下图所示:

模块的前端是接线端子,其定义如下图所示:

FX5-4AD-ADP转换后的数值为14位有符号整数,比FX5-4AD及FX5-8AD的转换精度低,

支持的电压信号包括:0~10V,0~5V,1~5V和-10~+10V;

支持的电流信号包括:0~20mA、4~20mA和-20~+20mA;

其接线原理图如下图所示:

好了,关于三菱FX5家族的模拟量输入模块就先介绍到这里。其具体编程使用将在后续的文章中介绍。

相关问答

PLC可以称为模块吗?

可以PLC即可编程逻辑控制器。PLC模块意指PLC系统中根据功能使用不同对各个部分的通俗叫法。比较常见的PLC模块有以下种类:电源模块:为PLC系统提供工作电源...

PLC模块是什么?

plc,又称可编程逻辑控制器。plc模块意指plc系统中根据功能使用不同对各个部分的通俗叫法。用于plc系统与外部设备的信号交互操作;plc,又称可编程逻辑控制器。...

什么是PLC模块?

PLC即可编程逻辑控制器。PLC模块意指PLC系统中根据功能使用不同对各个部分的通俗叫法。比较常见的PLC模块有以下种类:电源模块:为PLC系统提供工作电源的单元...

PLC模块有哪几种?

CPU模块,输入模块,输出模块,电源模块,温度检测模块,位置检测模块,PID控制模块,通讯模块等西门子plc:1.简介:西门子PLC,是德国西门子(SIEMENS)公司...5.SIM...

三菱plc模块介绍?

三菱PLC模块是指三菱电机公司生产的可编程逻辑控制器(PLC)的模块化组件。PLC模块用于控制和监视工业自动化系统中的各种设备和过程。三菱PLC模块具有以下特点...

PLC模块有几种?

常见的PLC模块有:电源模块为PLC提供内部电源,有些电源模块还可以为输入信号提供电源。I/O模块就是输入/输出模块模块,I代表输入,o代表输出。内存模块主...

plc模块是什么?

意指PLC系统中根据功能使用不同对各个部分的通俗叫法。比较常见的PLC模块有以下种类:电源模块:为PLC系统提供工作电源的单元部分。意指PLC系统中根据功能使...

西门子plc模块?

西门子PLC,是德国西门子公司生产的可编程序控制器,产品包括LOGO、S7-200、S7-1200、S7-300、S7-400等,具备体积小、速度快、标准化的特点。PLC采用梯形图、布...

什么机器上有PLC模块?

哪些设备有可能会使用PLC控制,比如有空压机,搅拌机,配料机,保温炉等。在写PLC程序的时候,除了要写自动模块外还需要写的模块还有很多,手动模块、报警模块...

plc模块怎么接线?

PLC模块的接线需要先确定好接线类型和线序,然后将导线插入到对应的端子上紧固好。在接线前需要确认电源线路是否正确接入,如有需要还需接入信号线、传感器电缆...

 任思远  生活天气 
王经理: 180-0000-0000(微信同号)
10086@qq.com
北京海淀区西三旗街道国际大厦08A座
©2026  上海羊羽卓进出口贸易有限公司  版权所有.All Rights Reserved.  |  程序由Z-BlogPHP强力驱动
网站首页
电话咨询
微信号

QQ

在线咨询真诚为您提供专业解答服务

热线

188-0000-0000
专属服务热线

微信

二维码扫一扫微信交流
顶部