直播课堂
HOME
直播课堂
正文内容
plc有什么编程思维 电气新手不得不知的:西门子S7-12001500PLC的编程思维
发布时间 : 2026-01-29
作者 : 小编
访问数量 : 23
扫码分享至微信

电气新手不得不知的:西门子S7-12001500PLC的编程思维

西门子S7-1200/1500PLC的编程思维

一、程序规范化建设

规范化是一个循序渐进的知识积累的过程,提取经常使用的程序,去除全局变量(I、Q、M、T、C),去除数据块,设置规范的参数,把它做成带接口的FB,放到规范库中。

规范化是一个“固化→进化→固化→进化”不断优化的过程。

规范化对于程序设计者的优点:

1、模块化和面向对象的编程方式,构建大型项目较容易。

2、便于程序块的持续更新,功能更全面。

3、程序的架构比较容易被后来者学习传承、更新。

4、设计方式统一,一致性好,提高设计效率。

5、提高了软件的质量和产品的竞争力。

规范化对于最终用户(设备维护、使用者)的优点:

1、快速定位设备系统故障,快速修复设备,减少停机时间。

2、维护人员较容易看懂规范化的程序。

3、规范化的程序,让维护人员对设备的技术改造更简单。

二、控制对象的拆分

在工程师面向对象(项目)时,要有“庖丁解牛,目无全牛,只有结构”的思想,对一台完整的机器设备进行拆分,把它分为若干个控制单元,一个控制单元可以再往下细分若干个设备模块,一个设备模块再往下可以分为不同的控制模块,如感应模块、驱动模块等。拆分的模块要大小适中,太大不灵活,太小拼装效率低。

结构清晰明了,整体也就优化了。

这样的方式就是为了程序的模块化,使程序块方便重复使用。

三、用FB还是FC

如果从C语言等高级语言的角度来看,FB相当于“类别”,FC相当于“方法”。所以将工艺对象的具体的物件用FB块编程比较方便,更有利于后期程序的规范化。如果是控制对象的数据转换、计算功能(FB调用FC),以及程序的划分、控制对象预处理等非规范化功能可用FC来编程(FC调用FB)。

具体使用情况根据不同工程师的使用习惯有所不同,简单概括为:1、具体的工艺对象用FB。2、数据转换、计算用FC。3、调用全局变量对程序控制用FC。

通过电气元件电路讲解PLC电路中的基本逻辑指令,通俗易懂

在PLC系统结构不断发展的同时,PLC编程语言也越来越丰富,功能也逐渐提高,程序表达方式基本有四种:梯形图、指令表、逻辑功能图和高级语言,梯形图是当前使用最广泛的一种编程方法。

梯形图(LAD),是PLC使用的最多的图形编程语言,堪称PLC的第一编程语言,梯形图沿用了继电器控制电路的形式,梯形图是在常用的继电器与接触器的逻辑控制基础上简化了符号演变而来的,具有形象、直观、实用等特点,电气人员更容易接受,是目前运用最多的一种PLC的编程语言。

在PLC程序图中,左右母线类似于继电器和接触器控制电源线,输出线圈类似于负载,输入触点类似于按钮。梯形图由若干阶级构成,自上而下排列,每个阶级起于左母线,经过触点与线圈,止于右母线。

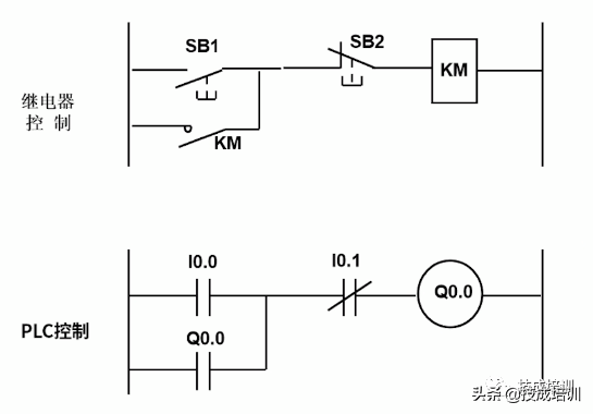
继电器控制电路与PLC控制电路

接触器联锁正反转控制线路

PLC数据存储区的构成(以200 SMART为例)

基本逻辑指令讲解

位逻辑指令应用举例

编写起保停控制程序,即按下I0.0,按下按钮I0.1停止电机Q0.0,如图:

答案:

(本文为技成原创,未经授权不得转载,违者必究!)

往期优秀文章回顾:

只有你想不到:PLC编程软件中的这个小功能竟能提高编程效率

相关问答

怎样可以快速理解plc逻辑思维?

我认为所谓快速理解PLC逻辑思维,就是能快速地看懂PLC的梯形图,对于如何能快速地读懂PLC梯形图我来谈谈我的看法。要理解PLC的逻缉思维首先要明确PLC的工作过程...

plc逻辑思维训练方法?

首先你得领悟透你所用plc的编程语言,每个指令的灵活运用。在实践中好好模拟,把电路图转化为plc指令图。电路图与plc指令图互转很重要哦不要局限于plc本身,建...

plc提供多种编程语言有什么好处?

一、可以提高电脑水平。学习PLC编程,首先要学会各种PLC、触摸屏软件安装和卸载,打字当然也是必不可少的要求,软件中的菜单的应用相当于把电脑的基础知识...

...的介绍.在PLC的编程过程中,主要介绍了一些编程的思想_作业帮

[最佳回答]Preservationofthevarioustemperatureandhumidityinthevalueofthereal-timemeasurementthe...

学习plc用哪个软件比较简单,如何下载?

各种品牌的PLC与其编程软件各有千秋,不同的PLC编程软件是不能通用的,比如日系的PLC编程软件只能用在及其品牌的PLC上应用,像三菱的GXWORKS2编程软件只能用在FX...

学PLC编程难吗?

难学,我们就要学习PLC的软件基础知识,比如扫描周期,进制,数据类型,这个东西能理解最好,理解不了就记住。同时也要学习一些计算机基础,现在PLC的编程语言倾...

学会plc对电路板和变频器维修有作用吗?

学会PLC对电路板和变频器维修有作用吗?作用不大,首先,PLC是可编程控制器,它是通过编程来控制继电器让设备达到自动化,和电路板变频器的维修没有直接关系。...学...

简易plc怎么编程?

1.编程简易PLC是可以的。2.因为简易PLC相对于复杂的PLC而言,功能较为简单,编程也相对容易上手。它通常具有简单的指令集和易于理解的编程界面,不需要过多的...

学习三菱plc,哪本书好一点?

有点惭愧,虽说日常工作经常和PLC打交道,但本人是个机械,液压从业者,电器只是对低压普通电器熟悉,数字电路与自动控制只是知道大致路数。如果推荐,实在抱歉...个...

现在学PLC编程还需要学变频器吗?

当你问这个问题的时候,说明你还没有入门,需要加强学习!首先,plc是什么?从学术上来讲,PLC=是ProgrammableLogicController的简称,又叫可编程逻辑控制器...

 3345  yellowstar 
王经理: 180-0000-0000(微信同号)
10086@qq.com
北京海淀区西三旗街道国际大厦08A座
©2026  上海羊羽卓进出口贸易有限公司  版权所有.All Rights Reserved.  |  程序由Z-BlogPHP强力驱动
网站首页
电话咨询
微信号

QQ

在线咨询真诚为您提供专业解答服务

热线

188-0000-0000
专属服务热线

微信

二维码扫一扫微信交流
顶部