线下实训
HOME
线下实训
正文内容
plc高速转低速编程 如何快速学会用PLC控制变频器?经典案例安排上了
发布时间 : 2025-12-30
作者 : 小编
访问数量 : 23
扫码分享至微信

如何快速学会用PLC控制变频器?经典案例安排上了

PLC与变频器一般有三种连接方法 >>

01

利用PLC的模拟量输出模块控制变频器PLC的模拟量输出模块输出0~5V电压信号或4~20mA电流信号,作为变频器的模拟量输入信号,控制变频器的输出频率。这种控制方式接线简单,但需要选择与变频器输入阻抗匹配的PLC输出模块,且PLC的模拟量输出模块价格较为昂贵,此外还需采取分压措施使变频器适应PLC的电压信号范围,在连接时注意将布线分开,保证主电路一侧的噪声不传至控制电路。

02

利用PLC的开关量输出控制变频器。PLC的开关输出量一般可以与变频器的开关量输入端直接相连。这种控制方式的接线简单,抗干扰能力强。利用PLC的开关量输出可以控制变频器的启动/停止、正/反转、点动、转速和加减时间等,能实现较为复杂的控制要求,但只能有级调速。使用继电器触点进行连接时,有时存在因接触不良而误操作现象。使用晶体管进行连接时,则需要考虑晶体管自身的电压、电流容量等因素,保证系统的可靠性。另外,在设计变频器的输入信号电路时,还应该注意到输入信号电路连接不当,有时也会造成变频器的误动作。例如,当输入信号电路采用继电器等感性负载,继电器开闭时,产生的浪涌电流带来的噪声有可能引起变频器的误动作,应尽量避免。

03

PLC与RS-485通信接口的连接。所有的标准西门子变频器都有一个RS-485串行接口(有的也提供RS-232接口),采用双线连接,其设计标准适用于工业环境的应用对象。单一的RS-485链路最多可以连接30台变频器,而且根据各变频器的地址或采用广播信息,都可以找到需要通信的变频器。链路中需要有一个主控制器(主站),而各个变频器则是从属地控制对象(从站)。

PLC与变频器通讯方式 >>

01

PLC的开关量信号控制变频器PLC(MR型或MT型)的输出点、COM点直接与变频器的STF(正转启动)、RH(高速)、RM(中速)、RL(低速)、输入端SG等端口分别相连。PLC可以通过程序控制变频器的启动、停止、复位;也可以控制变频器高速、中速、低速端子的不同组合实现多段速度运行。但是,因为它是采用开关量来实施控制的,其调速曲线不是一条连续平滑的曲线,也无法实现精细的速度调节。

02

PLC的模拟量信号控制变频器硬件:FX1N型、FX2N型PLC主机,配置1路简易型的FX1N-1DA-BD扩展模拟量输出板;或模拟量输入输出混合模块FX0N-3A;或两路输出的FX2N-2DA;或四路输出的FX2N-4DA模块等。

优点: PLC程序编制简单方便,调速曲线平滑连续、工作稳定。

缺点: 在大规模生产线中,控制电缆较长,尤其是DA模块采用电压信号输出时,线路有较大的电压降,影响了系统的稳定性和可靠性。

03

PLC采用RS-485通讯方法控制变频器这是使用得最为普遍的一种方法,PLC采用RS串行通讯指令编程。

优点: 硬件简单、造价最低,可控制32台变频器。

缺点: 编程工作量较大。

04

PLC采用RS-485的Modbus-RTU通讯方法控制变频器三菱新型F700系列变频器使用RS-485端子利用Modbus-RTU协议与PLC进行通讯。

优点: Modbus通讯方式的PLC编程比RS-485无协议方式要简单便捷。

缺点: PLC编程工作量仍然较大。

05

PLC采用现场总线方式控制变频器三菱变频器可内置各种类型的通讯选件,如用于CC-Link现场总线的FR-A5NC选件;用于Profibus DP现场总线的FR-A5AP(A)选件;用于DeviceNet现场总线的FR-A5ND选件等等。三菱FX系列PLC有对应的通讯接口模块与之对接。

优点: 速度快、距离远、效率高、工作稳定、编程简单、可连接变频器数量多。

缺点: 造价较高。

06

采用扩展存储器

优点: 造价低廉、易学易用、性能可靠

缺点: 只能用于不多于8台变频器的系统。

PLC和变频器通讯接线图 >>

看完上面的全部内容,大家明白PLC和变频器是如何进行通讯吗?

免责声明:本文转自网络,版权归原作者所有,如涉及作品版权问题,请及时与我们联系删除,谢谢!

如何获取 电气热门资料?

操作指引如下!

干货分享—三菱伺服设计自锁电路和PLC梯形图,学PLC从梯形图开始

干货分享—三菱伺服设计自锁电路和PLC梯形图,学PLC从梯形图开始

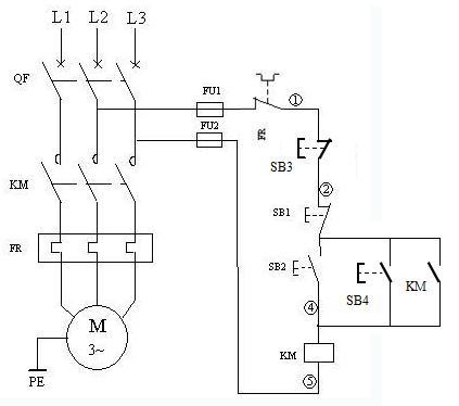
一、电机启停控制电路根据异步电动机直接启停控制电路,通过PLC程序设计相应的梯形图程序。PLC的接线图如图(b),梯形图如图(c)。SB1—00000(X0 (x0)是停止按钮Sb2-00001 (x1)是启动按钮

二、正反向控制电路根据电机正反转原理,用可编程控制器设计控制程序。SB1—00000(X0 (x0)是停止按钮Sb2-00001 (x1)是向前启动按钮Sb3-00002 (x2)是反向启动按钮KM1-01000 (Y0)是一个正向旋转接触器KM2—01001(Y1)是反向接触器

1.连锁问题Y0和Y1软件互锁:Y0和Y1不能同时开启,以确保KM1和KM2线圈不能同时通电。X1和X2机械联锁:正反转切换方便。问题:1)正反转切换时,PLC高速,机械触点低速移动(短弧),造成瞬间短路;2)接触器焊接粘接时,发生相间短路。解决方法:KM1和KM2硬件互锁:机械响应速度慢,动作时间往往长于一个程序执行扫描周期。2.防止过载1)手动重置热继电器按C图接线可以节省一个PLC的输入点。2)自动复位热继电器常闭触点不能连接到PLC的输出电路,必须连接到输入电路(常闭或常开触点)。如图所示:3、常闭触点输入信号处理说明:的输入触点可以是常开的,也可以是常闭的。如上图所示,输入继电器和输入触点的对应关系为X0=SB1X1=SB2建议使用常开触点作为PLC的进线信号。

●时序控制设计

三、延时连接程序(上电延时)1.按下启动按钮X0,延时5s后输出Y0接通;按下停止按钮X1,输出Y0断开,设计PLC程序。按钮:释放后要复位,必须用辅助继电器和自锁电路保持定时器线圈通电。2.按下启动开关X0,延时5s后输出Y0开启;按下停止按钮X1,a输出Y0断开,设计PLC程序。四.延迟断开程序(断电延迟)输入信号X0接通后,输出Y0立即接通。X0关闭时,延时5s后输出关闭。动词(verb的缩写)延迟开启和延迟关闭程序X0控制Y1,要求Y1在X0打开9S后打开,X0在7S后关闭。六、长延时程序FX2N系列PLC最长定时器时间为3276.7s,下面介绍长延时程序。1.多个定时器的组合用FX2N系列PLC实现5000s延时程序。注意:使用定时器的组合,可以实现3276.7s以上的定时,但是上万秒甚至更长的定时需要定时器和计数器的组合。2.计时器和计数器的组合当X0开启时,输出Y0以20000s的延迟开启。当X0关闭时,输出Y0关闭。定时器和计数器实现延时20000秒程序3.两个计数器的组合PLC中的专用辅助继电器提供10ms(8011)、100ms(8012)、1s(8013)、1min(8014)四种时钟脉冲,可由计数器计数来延迟时钟脉冲。

若将M8011的10ms脉冲送给计数器,则计数常数:

K=(3600×6)÷0.01=2160000。而一个计数器的K≤32767,故应将两个计数器进行组合,才能达到6小时的延时。

注意:每次C0计满后应及时复位,否则C1只能得到一个脉冲。

控制要求为当X0接通后,延时50000s,输出Y0接通;当X0断开后,输出Y0断开。

七、顺序延时接通程序

当X0接通后,输出端Y0、Y1、Y2按顺序每隔10s输出接通。

用三个定时器T0、T1、T2设置不同的定时时间,可实现按顺序先后接通,当X0断开后同时停止。

八、顺序循环接通程序

当X0接通后,Y0~Y2三个输出端按顺序各接通10s,如此循环直至X0断开后,三个输出全部断开。

九、脉冲发生电路

1、试设计频率为10Hz等脉冲发生器。等脉冲即占空比为1,即输入信号X0接通后,输出Y0产生0.05s接通、0.05s断开的方波,选择精度为0.01s的定时器。

2、设计周期为50s的脉冲发生器,其中断开30s,接通20s。

占空比不为1的脉冲,接通和断开时间不相等,由于定时时间较长,可用0.1s的定时器,因此只要改变时间常数就可实现。

十、二分频程序

输入端X0输入一个频率为f的方波,要求输出端Y0输出一个频率为f/2的方波,即设计一个二分频程序。

由于PLC程序是按顺序执行的,所以当X0的上升沿到来时, M0接通一个扫描周期,此时M1线圈不会接通, Y0线圈接通并自锁,而当下一个扫描周期时,虽然Y0是接通的,但此时M0已经断开,所以M1也不会接通,直到下一个X0的上升沿到来时, M1才会接通,并把Y0断开,从而实现二分频。

好了,今天分享就到这里了,期待大家的转发分享是对我的支持哦,有问题的也可以在评论区留言,感谢大家的耐心阅读。

相关问答

plc编程怎么编高低速?

PLC相当于控制器,发高速脉冲到步进电机的驱动器上,用脉冲+方向或者差动脉冲方式来控制;PLC里的指令一般是PLSY之类的,指令里面可以设置高速脉冲的频率和数量...

plc变频器怎么控制频率变化快慢?

PLC控制变频器一般有三种方法:1、开关量。最简单的是用数字量输出点控制启动和停止,速度在变频器上调;或用几个输出点控制变频器的高、中、低速。2、模拟量...

旋转编码器在PLC中应用,怎样编程?变频器控制速度!求程序?

控制电机正反转似乎不需要旋转编码器,编码器是用来测速的,1,开关量控制:将PLC的输出触点与变频器的正转,反转,高速,中速,低速触点连接,再在变频器上设置高中...

三菱PLC编程,加减速问题?

先用PLSR指令高速走480MM后,如果你用Y0发脉冲就用M8147置位下一条指令在低速走20MM就好了我们厂的机器也是用到2次定位,这样做很好用的,又准先用PLSR指令高...

伺服驱动器CN1接口和PLC相连需要接哪几个位置,要求可以高速正反转,低速正反转?

要根据你的伺服的控制模式确定位置模式要有脉冲pulse方向sign或者双绞线方式速度模式要有模拟量点和方向控制线力矩模式和速度模式相近其他可以...

三菱PLC晶体管替换?

修过,如果是继电器输出的,驱动继电器的三极管电流达到500mA耐压达到50V就可以,比如8050代换就行。这个在plc中一般是贴片的。如果是晶体管输出的,输出电流达...

怎样消除PLC高速计数器的计数误差?

在应用PLC高速计数器时往往会碰到如下一系列问题,计数器与输入计数脉冲信号的脉冲电平不匹配。如旋转编码器、光栅尺数据输出是TTL电平,而PLC高速计数器为确保...

PLC控制变频器多段速度,程序怎么编?

7段速我记得应该是这样输出低速=1段速输出中速=第二段速输出高速=第三段速输出低加中=第四速输出低加高=第5速输出中加低=第六速输出中加高=第7速7...

如何给电机降速?

在一般情况下,如果电动机低速运行,将使温升增高,产生许多不良影响。但是,若采取改善通风条件的措施(如增设风扇或附设风机等),提高电动机的散热能力,则在...

plc中分几种脉冲?

1.PLC中分为两种脉冲:输入脉冲和输出脉冲。2.输入脉冲是指PLC接收外部信号的脉冲,例如传感器的信号。输出脉冲是指PLC输出的脉冲信号,例如控制电机或气缸的...

 韩寒 求医  富家穷路 
王经理: 180-0000-0000(微信同号)
10086@qq.com
北京海淀区西三旗街道国际大厦08A座
©2025  上海羊羽卓进出口贸易有限公司  版权所有.All Rights Reserved.  |  程序由Z-BlogPHP强力驱动
网站首页
电话咨询
微信号

QQ

在线咨询真诚为您提供专业解答服务

热线

188-0000-0000
专属服务热线

微信

二维码扫一扫微信交流
顶部